TOP
|
特許
|
意匠
|
商標
特許ウォッチ
Twitter
他の特許を見る
公開番号
2025160623
公報種別
公開特許公報(A)
公開日
2025-10-23
出願番号
2024063275
出願日
2024-04-10
発明の名称
位置計測装置および方法
出願人
アズビル株式会社
代理人
個人
主分類
G01M
99/00 20110101AFI20251016BHJP(測定;試験)
要約
【課題】微小な誤差の累積・蓄積による位置計測誤差を低減する。
【解決手段】位置計測装置1は、ON-OFFバルブ200の弁棒の加速度または角速度を計測するセンサ11と、センサ11によって計測された加速度または角速度を積分して位置情報に変換する位置情報生成部12と、ON-OFFバルブ200の開閉に伴い発生するメカニカルな振動を検出するセンサ13と、センサ13によって振動が検出されるときの位置情報を基準位置情報として予め記憶する基準位置規定部14と、センサ13によって振動が検出されたときに位置情報生成部12によって得られた位置情報と、基準位置情報とに基づいて位置計測誤差を低減するように校正処理を実行するキャリブレーション処理部15とを備える。
【選択図】 図1
特許請求の範囲
【請求項1】
計測対象の加速度または角速度を計測するように構成された第1のセンサと、
前記加速度または前記角速度を時間で積分して位置情報に変換するように構成された位置情報生成部と、
前記計測対象の移動に伴い発生するメカニカルな振動を検出するように構成された第2のセンサと、
前記第2のセンサによって振動が検出されるときの前記計測対象の位置情報を基準位置情報として予め記憶するように構成された基準位置規定部と、
前記第2のセンサによって振動が検出されたときに前記位置情報生成部によって得られた位置情報と、前記基準位置情報とに基づいて位置計測誤差を低減するように校正処理を実行するように構成されたキャリブレーション処理部とを備えることを特徴とする位置計測装置。
続きを表示(約 1,000 文字)
【請求項2】
請求項1記載の位置計測装置において、
前記基準位置情報は、前記計測対象の移動方向毎に予め記憶され、
前記キャリブレーション処理部は、前記計測対象の移動方向に応じた前記基準位置情報を用いて校正処理を実行することを特徴とする位置計測装置。
【請求項3】
請求項1または2記載の位置計測装置において、
前記第1のセンサは、ON-OFFバルブの弁棒の加速度または角速度を計測し、
前記位置情報生成部は、前記加速度または前記角速度を前記位置情報である、前記ON-OFFバルブの開度に変換し、
前記第2のセンサは、前記ON-OFFバルブが全閉から全開の方向に動いたときに発生するメカニカルな振動、または前記ON-OFFバルブが全開から全閉の方向に動いたときに発生するメカニカルな振動を検出し、
前記基準位置規定部は、前記ON-OFFバルブの開動作時の前記基準位置情報と閉動作時の前記基準位置情報とを予め記憶し、
前記キャリブレーション処理部は、前記ON-OFFバルブの開動作時には開動作時の前記基準位置情報を用いて校正処理を実行し、前記ON-OFFバルブの閉動作時には閉動作時の前記基準位置情報を用いて校正処理を実行することを特徴とする位置計測装置。
【請求項4】
請求項3記載の位置計測装置において、
前記第2のセンサは、前記ON-OFFバルブが全開位置近傍に達したときにオンする第1のリミットスイッチの作動によって発生する振動、または前記ON-OFFバルブが全閉位置近傍に達したときにオンする第2のリミットスイッチの作動によって発生する振動を検出することを特徴とする位置計測装置。
【請求項5】
計測対象の加速度または角速度を計測する第1のステップと、
前記加速度または前記角速度を時間で積分して位置情報に変換する第2のステップと、
前記計測対象の移動に伴い発生するメカニカルな振動を検出する第3のステップと、
前記振動が検出されるときの前記計測対象の位置情報を基準位置情報として予め記憶する基準位置規定部を参照し、前記振動が検出されたときに前記第2のステップによって得られた位置情報と、前記基準位置情報とに基づいて位置計測誤差を低減するように校正処理を実行する第4のステップとを含むことを特徴とする位置計測方法。
発明の詳細な説明
【技術分野】
【0001】
本発明は、計測対象の加速度または角速度を積分して位置情報に変換する位置計測装置および方法に関するものである。
続きを表示(約 2,300 文字)
【背景技術】
【0002】
石油化学プラントなどで使用されるバルブ(例えば図8のコントロールバルブ)は、特に安全性に留意する必要があり、ゆえに定期的なメンテナンスが行なわれる。図8に示すコントロールバルブは、流体の流れる通路を開閉するバルブ本体100と、入力電気信号を空気圧に変換するポジショナ101と、ポジショナ101から供給される空気圧に応じてバルブ本体100を操作する操作器102とから構成される。
【0003】
図8に示したようなバルブが多数設置されているプラントにおいてバルブのメンテナンス作業効率を改善するために、バルブの摺動部分におけるスティックスリップの発生を検出する技術(特許文献1参照)、バルブのハンチング状態を判定する技術(特許文献2参照)、バルブへのスケールの付着を検出する技術(特許文献3参照)などが提案されている。
【0004】
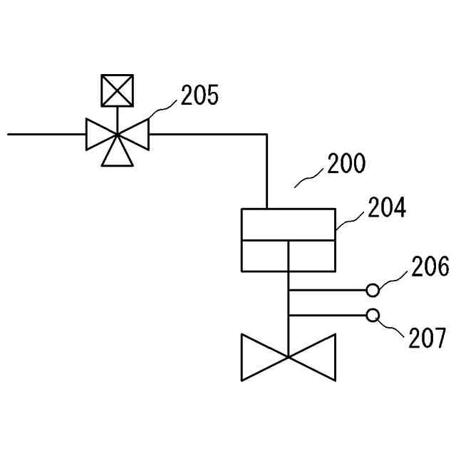
一方、開度を連続的に変化させることが可能なコントロールバルブとは別の種類のバルブとして、開度を全開/全閉の二位置しか取ることができないON-OFFバルブがある。図9に示すON-OFFバルブ200は、ボールバルブを用いたものであり、弁体であるボール201をボールシートと呼ばれるシートリング202で挟み込む構造であり、弁棒(ステム)203を操作器204によって90度回転させることで、バルブを開いたり閉めたりすることができる。また、種類によっては、90度以外のものもある。
【0005】
ON-OFFバルブを診断対象とする不具合検知の手法としては、バルブの開閉所要時間を診断指標としたり、最大作動速度と最小作動速度を診断指標としたりして不具合を検出する技術が提案されている(特許文献4参照)。また、ON-OFFバルブを動作させるための供給空気圧を監視対象とする技術も提案されている(特許文献5、特許文献6参照)。
【0006】
ON-OFFバルブの診断では、プラントに既設されている多数のON-OFFバルブにも適用することが求められる。ON-OFFバルブの診断手法の観点からは、弁棒に加速度センサまたは角速度センサ(ジャイロセンサ)などを設置し、加速度または角速度の積分を位置情報に変換する開度計測方法が考えられる。すなわち、プラントに既設されているON-OFFバルブに加速度センサまたは角速度センサを備える開度計を後付けして、バルブの診断を行うようにすることが好ましい。
【0007】
加速度または角速度の積分を位置情報に変換する場合、加速度または角速度が不具合のない許容範囲の精度で計測できていたとしても、微小な誤差(プロセッサでの丸め誤差やノイズ成分など)の累積・蓄積による位置計測誤差(上記の例では開度計測誤差)が無視できなくなる。そして、この誤差により、診断や制御のシステム全体の信頼性を低下させることが起こり得る。バルブの取り付け環境や取り付け角度が様々であることから、地磁気や重加速度をキャリブレーションに利用することは困難である。また、加速度センサまたは角速度センサを取り付ける弁棒以外の箇所に別の装置を取り付けることでキャリブレーションが可能になるが、バルブの形状が様々であることから実現は困難である。よって、位置計測装置単体で位置計測誤差を低減することが求められている。
なお、このような課題は、ON-OFFバルブの開度計測に限らず、加速度または角速度の積分を位置情報に変換する計測方法を採用する場合に、多くのケースで起こり得るものである。
【先行技術文献】
【特許文献】
【0008】
特許第3254624号公報
特許第6200309号公報
特許第6216633号公報
特許第7265328号公報
特開平7-119862号公報
特開平11-210921号公報
【発明の概要】
【発明が解決しようとする課題】
【0009】
本発明は、上記課題を解決するためになされたもので、計測対象の加速度または角速度を積分して位置情報に変換する位置計測装置および方法において、微小な誤差の累積・蓄積による位置計測誤差(ドリフト)を低減することを目的とする。
【課題を解決するための手段】
【0010】
本発明の位置計測装置は、計測対象の加速度または角速度を計測するように構成された第1のセンサと、前記加速度または前記角速度を時間で積分して位置情報に変換するように構成された位置情報生成部と、前記計測対象の移動に伴い発生するメカニカルな振動を検出するように構成された第2のセンサと、前記第2のセンサによって振動が検出されるときの前記計測対象の位置情報を基準位置情報として予め記憶するように構成された基準位置規定部と、前記第2のセンサによって振動が検出されたときに前記位置情報生成部によって得られた位置情報と、前記基準位置情報とに基づいて位置計測誤差を低減するように校正処理を実行するように構成されたキャリブレーション処理部とを備えることを特徴とするものである。
また、本発明の位置計測装置の1構成例において、前記基準位置情報は、前記計測対象の移動方向毎に予め記憶され、前記キャリブレーション処理部は、前記計測対象の移動方向に応じた前記基準位置情報を用いて校正処理を実行することを特徴とするものである。
(【0011】以降は省略されています)
この特許をJ-PlatPat(特許庁公式サイト)で参照する
関連特許
アズビル株式会社
回転弁
1か月前
アズビル株式会社
圧力センサ
1か月前
アズビル株式会社
電磁流量計
25日前
アズビル株式会社
無線式開度計
1か月前
アズビル株式会社
間欠動作制御回路
16日前
アズビル株式会社
動粘度測定システム
1か月前
アズビル株式会社
位置計測装置および方法
23日前
アズビル株式会社
制御装置および制御方法
23日前
アズビル株式会社
熱式流量計および補正方法
1か月前
アズビル株式会社
処理装置及び物理量検出装置
1か月前
アズビル株式会社
情報処理システムおよび方法
1か月前
アズビル株式会社
流量演算装置及び超音波流量計
2か月前
アズビル株式会社
換気制御装置及び換気制御方法
1か月前
アズビル株式会社
空調制御装置及び空調制御方法
18日前
アズビル株式会社
ビル管理装置、及び、プログラム
17日前
アズビル株式会社
ディスパッチ計画作成装置および方法
24日前
アズビル株式会社
処理装置、処理方法、及び、プログラム
1か月前
アズビル株式会社
検索装置、検索方法、および検索プログラム
1か月前
アズビル株式会社
管理装置、管理方法、および管理プログラム
1か月前
アズビル株式会社
分割装置、分割方法、および分割プログラム
1か月前
アズビル株式会社
超音波流量計及び超音波流量計の取り付け方法
22日前
アズビル株式会社
情報処理装置、情報処理方法及び情報処理プログラム
9日前
アズビル株式会社
電極材料選定装置および方法ならびに電極選定支援装置
1か月前
アズビル株式会社
情報処理装置、情報処理方法および情報処理プログラム
1か月前
アズビル株式会社
通信システム、受信装置、送信装置及び電波環境改善方法
1か月前
アズビル株式会社
情報処理装置、情報処理システム、情報処理方法および情報処理プログラム
1か月前
アズビル株式会社
生産スケジューリング装置、生産スケジューリング方法および生産スケジューリングプログラム
8日前
個人
採尿及び採便具
16日前
日本精機株式会社
検出装置
10日前
個人
アクセサリー型テスター
1か月前
個人
高精度同時多点測定装置
1か月前
個人
計量機能付き容器
5日前
甲神電機株式会社
電流検出装置
10日前
株式会社ミツトヨ
測定器
22日前
アズビル株式会社
電磁流量計
25日前
大成建設株式会社
風洞実験装置
5日前
続きを見る
他の特許を見る