TOP
|
特許
|
意匠
|
商標
特許ウォッチ
Twitter
他の特許を見る
10個以上の画像は省略されています。
公開番号
2025178190
公報種別
公開特許公報(A)
公開日
2025-12-05
出願番号
2025085241
出願日
2025-05-22
発明の名称
測定装置、測定方法、および測定プログラム
出願人
旭化成株式会社
,
学校法人東京理科大学
代理人
弁理士法人RYUKA国際特許事務所
主分類
G01R
27/02 20060101AFI20251128BHJP(測定;試験)
要約
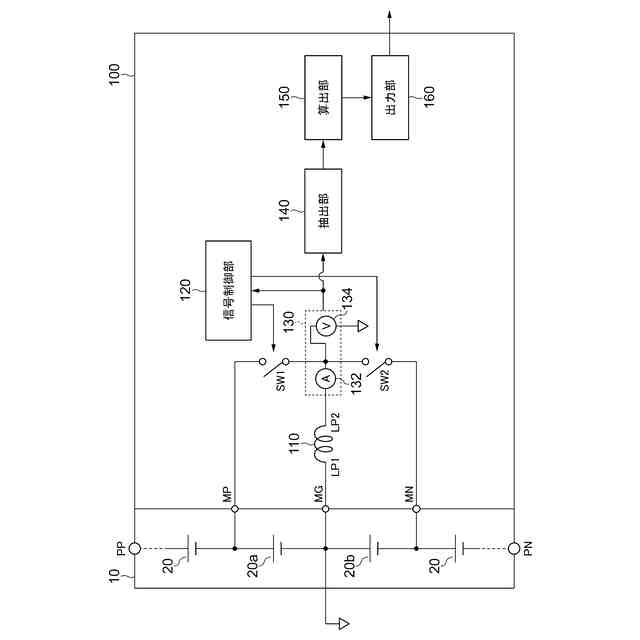
【解決手段】インダクタと、測定対象の蓄電装置に含まれる第1電池セルにインダクタを直列に接続するか否かを切り替える第1スイッチと、第1スイッチをスイッチングさせることにより、インダクタにより誘導電流を発生させる信号制御部と、第1電池セルまたは蓄電装置に含まれる第2電池セルのうちの少なくとも1つにおける、誘導電流を流したときの電圧を測定する測定部とを備える測定装置を提供する。
【選択図】図1
特許請求の範囲
【請求項1】
第1インダクタと、
測定対象の蓄電装置に含まれる第1電池セルに前記第1インダクタを直列に接続するか否かを切り替える第1スイッチと、
前記第1スイッチをスイッチングさせることにより、前記第1インダクタにより誘導電流を発生させる信号制御部と、
前記第1電池セルまたは前記蓄電装置に含まれる第2電池セルのうちの少なくとも1つにおける、前記誘導電流を流したときの電圧を測定する測定部と
を備える測定装置。
続きを表示(約 1,100 文字)
【請求項2】
測定対象の蓄電装置に含まれる第2電池セルに前記第1インダクタを直列に接続するか否かを切り替える第2スイッチを備え、
前記第1インダクタは、
前記第1電池セルの負極側および第2電池セルの正極側に設けられた第1端子と、
前記第1電池セルの正極側および第2電池セルの負極側に設けられた第2端子と、
を有し、
前記信号制御部は、前記第1スイッチおよび前記第2スイッチをスイッチングさせることにより、前記第1インダクタにより前記誘導電流を発生させる
請求項1に記載の測定装置。
【請求項3】
前記測定部は、前記第1電池セルおよび前記第2電池セルのそれぞれに前記誘導電流を流したときの電圧を測定する請求項2に記載の測定装置。
【請求項4】
前記蓄電装置内において、前記第1電池セルの負極は前記第2電池セルの正極に接続され、
前記第1インダクタの前記第1端子は、前記第1電池セルの負極および前記第2電池セルの正極の間に接続される
請求項3に記載の測定装置。
【請求項5】
前記信号制御部は、前記第1スイッチおよび前記第2スイッチをパルス幅変調によりスイッチングさせて、前記第1インダクタにより交流の誘導電流を発生させる請求項2に記載の測定装置。
【請求項6】
前記測定部は、前記誘導電流を更に測定する請求項5に記載の測定装置。
【請求項7】
前記信号制御部は、前記誘導電流の振幅の中心値を0とするように前記第1スイッチおよび前記第2スイッチのデューティー比を調整する請求項6に記載の測定装置。
【請求項8】
前記信号制御部は、前記誘導電流の交流の周波数を、複数の設定周波数のそれぞれに切り替え、
前記測定部は、前記誘導電流の交流の周波数を前記複数の設定周波数のそれぞれとした場合における前記第1電池セルおよび前記第2電池セルの電圧波形を測定する
請求項5に記載の測定装置。
【請求項9】
前記測定部は、前記誘導電流の交流の周波数に応じて、前記第1電池セルまたは前記第2電池セルのうちの少なくとも1つの電圧を測定するサンプリング周波数を変更する請求項8に記載の測定装置。
【請求項10】
前記測定部は、前記誘導電流の交流波形における1周期以上の予め定められた周期分を、前記サンプリング周波数における予め定められたサンプリング点数分のサンプリング期間内に含めるように前記サンプリング周波数を設定する請求項9に記載の測定装置。
(【請求項11】以降は省略されています)
発明の詳細な説明
【技術分野】
【0001】
本発明は、測定装置、測定方法、および測定プログラムに関する。
続きを表示(約 2,200 文字)
【背景技術】
【0002】
特許文献1には、「複数の電極と電解質とを含む二次電池と、電流がゼロとならない第1の周波数の矩形波信号を発生し前記二次電池に連続して印加するパワーコントローラーと、前記矩形波信号に対する前記二次電池の応答信号をフーリエ変換して、前記第1の周波数の整数倍の複数の第2の周波数の成分を含む周波数特性を算出するフーリエ変換部と、前記フーリエ変換部が算出する前記周波数特性をもとに前記二次電池の前記第1の周波数および前記複数の第2の周波数におけるインピーダンス特性を算出し、前記インピーダンス特性から前記二次電池の特性変化を検出する算出部と、を具備することを特徴とする電気化学システム」と記載されている(請求項1)。
【0003】
特許文献2には、「電流モジュレーション回路56は、監視対象である電池セル42を電源として、所定の交流信号(正弦波信号)を出力させる回路である。具体的に説明すると、電流モジュレーション回路56は、スイッチ部としての半導体スイッチ素子56a(例えば、MOSFET)と、半導体スイッチ素子56aに直列に接続された抵抗56bとを有する。半導体スイッチ素子56aのドレイン端子は、電池セル42の正極端子に接続され、半導体スイッチ素子56aのソース端子は、抵抗56bの一端に直列に接続されている。また、抵抗56bの他端は、電池セル42の負極端子に接続されている。半導体スイッチ素子56aは、ドレイン端子とソース端子との間において通電量を調整可能に構成されている。」と記載されている(段落0028)。
【0004】
非特許文献1には、バッテリー・マネジメント・システムにおいて、バッテリーの寿命を延ばし、システムの性能を高く維持するためにアクティブ・バッテリー・バランサーが必要となることが記載されている(要約)。非特許文献1には、マルチ・アクティブ・ブリッジ(MAB)・コンバータを用いたマルチウェイ・バイディレクショナル・マルチポート・ACカップルド(MAC)・バッテリー・バランサーが記載されている(要約)。非特許文献1には、コンバータがアクティブ・バッテリーバランシングに加えて、ビルトインの電気化学インピーダンススペクトロスコピー(EIS)によるオンライン診断を行うことが記載されている(要約)。
[先行技術文献]
[特許文献]
[特許文献1] 特許第6226261号公報
[特許文献2] 特開2020-180949号公報
[非特許文献]
[非特許文献1]Youssef Elasser他,"A Multiway Bidirectional Multiport-Ac-Coupled (MAC) Battery Balancer with Online Electrochemical Impedance Spectroscopy",2020 IEEE Applied Power Electronics Conference and Exposition (APEC), IEEE, 2020年3月15~19日, pp. 1475-1480
【発明の概要】
【0005】
本発明の第1の態様においては、第1インダクタと、測定対象の蓄電装置に含まれる第1電池セルに前記第1インダクタを直列に接続するか否かを切り替える第1スイッチと、前記第1スイッチをスイッチングさせることにより、前記第1インダクタにより誘導電流を発生させる信号制御部と、前記第1電池セルまたは前記蓄電装置に含まれる第2電池セルのうちの少なくとも1つにおける、前記誘導電流を流したときの電圧を測定する測定部とを備える測定装置を提供する。
【0006】
上記の測定装置は、測定対象の蓄電装置に含まれる第2電池セルに前記第1インダクタを直列に接続するか否かを切り替える第2スイッチを備えてよく、前記第1インダクタは、前記第1電池セルの負極側および第2電池セルの正極側に設けられた第1端子と、前記第1電池セルの正極側および第2電池セルの負極側に設けられた第2端子とを有してよく、前記信号制御部は、前記第1スイッチおよび前記第2スイッチをスイッチングさせることにより、前記第1インダクタにより前記誘導電流を発生させてよい。
【0007】
上記のいずれかの測定装置において、前記測定部は、前記第1電池セルおよび前記第2電池セルのそれぞれに前記誘導電流を流したときの電圧を測定してよい。
【0008】
上記のいずれかの測定装置に関し、前記蓄電装置内において、前記第1電池セルの負極は前記第2電池セルの正極に接続されてよく、前記第1インダクタの前記第1端子は、前記第1電池セルの負極および前記第2電池セルの正極の間に接続されてよい。
【0009】
上記いずれかの測定装置において、前記信号制御部は、前記第1スイッチおよび前記第2スイッチをパルス幅変調によりスイッチングさせて、前記第1インダクタにより交流の誘導電流を発生させてよい。
【0010】
上記のいずれかの測定装置において、前記測定部は、前記誘導電流を更に測定してよい。
(【0011】以降は省略されています)
この特許をJ-PlatPat(特許庁公式サイト)で参照する
関連特許
旭化成株式会社
成形品
16日前
旭化成株式会社
熱硬化性組成物
16日前
旭化成株式会社
非水系二次電池
8日前
旭化成株式会社
漂白方法及び漂白装置
9日前
旭化成株式会社
ポリカーボネートジオール
1か月前
旭化成株式会社
方針作成装置およびプログラム
16日前
旭化成株式会社
半導体装置、及びその製造方法等
2日前
旭化成株式会社
ポリアミド樹脂組成物及び成形品
29日前
旭化成株式会社
ポリアミド樹脂組成物、及び成形体
1日前
旭化成株式会社
フィルム用収容箱及びフィルム収容体
8日前
旭化成株式会社
フィルム用収容箱及びフィルム収容体
8日前
株式会社日立製作所
鉄道車両用空調装置
1か月前
旭化成株式会社
測定装置、測定方法、および測定プログラム
1日前
旭化成株式会社
非水電池用セパレータ、およびこれを用いた非水電池
16日前
旭化成株式会社
焼結成形体用組成物、グリーン成形体、及び焼結成形体
22日前
旭化成株式会社
箱型成形体
16日前
旭化成株式会社
感光性樹脂組成物、硬化レリーフパターンの製造方法及び半導体装置
29日前
旭化成株式会社
偽造防止用積層体、並びに、偽造防止用積層体付帯物及びその製造方法
8日前
旭化成株式会社
偽造防止用積層体、並びに、偽造防止用積層体付帯物及びその製造方法
8日前
旭化成株式会社
偽造防止用積層体、並びに、偽造防止用積層体付帯物及びその製造方法
8日前
旭化成株式会社
感光性樹脂組成物、感光性樹脂積層体、及びレジストパターンの形成方法
1か月前
旭化成株式会社
電池診断モデルの生成方法、電池診断モデル、電池診断装置、及び電池診断システム
29日前
旭化成株式会社
ポリイソシアネート組成物、混合物、塗料組成物、塗膜、及び生分解性ポリウレタン硬化物
2日前
旭化成株式会社
共役ジエン系重合体及びその製造方法、並びにゴム組成物。
8日前
旭化成株式会社
感光性樹脂組成物、並びにこれを用いた硬化レリーフパターンの製造方法、硬化膜及びポリイミド膜の製造方法
29日前
旭化成株式会社
ネガ型感光性樹脂組成物及び硬化レリーフパターンの製造方法
3日前
旭化成株式会社
太陽電池用表面保護フィルム、太陽電池用表面保護材、太陽電池モジュール、及び太陽電池モジュールの製造方法
10日前
旭化成株式会社
太陽電池用表面保護フィルム、太陽電池用表面保護材、太陽電池モジュール、及び太陽電池モジュールの製造方法
10日前
個人
視触覚センサ
1日前
日本精機株式会社
検出装置
1か月前
個人
計量機能付き容器
26日前
甲神電機株式会社
電流検出装置
1か月前
株式会社カクマル
境界杭
16日前
日本精機株式会社
発光表示装置
9日前
ユニパルス株式会社
トルク変換器
1日前
株式会社トプコン
測量装置
8日前
続きを見る
他の特許を見る