TOP
|
特許
|
意匠
|
商標
特許ウォッチ
Twitter
他の特許を見る
公開番号
2025178572
公報種別
公開特許公報(A)
公開日
2025-12-09
出願番号
2024085238
出願日
2024-05-27
発明の名称
移動速度演算装置及び移動速度演算方法
出願人
アズビル株式会社
代理人
弁理士法人山王内外特許事務所
主分類
G01P
3/36 20060101AFI20251202BHJP(測定;試験)
要約
【課題】被測定物に対する透過光を用いることなく、当該被測定物の移動速度を演算することができる移動速度演算装置を提供する。
【解決手段】移動速度演算装置20は、移動する被測定物50の側面51からの光むらを含む反射光が結像レンズ13によって結像される光検出器14から、互いに異なる2つの時刻t1,t2で撮像した反射光の像に対応する光量分布信号を取得する光量分布信号取得部22と、光量分布信号取得部22によって取得された、互いに異なる2つの時刻t1,t2における光量分布信号から、2つの時刻t1,t2間の差分Δt内で移動した移動画素量Δiを演算する移動量演算部24と、結像レンズ13の横倍率m、光検出器14の画素ピッチp、差分Δt、及び、移動画素量ΔIに基づいて、被測定物50の移動速度を演算する速度演算部26とを備える。
【選択図】図2
特許請求の範囲
【請求項1】
移動する被測定物の側面からの光むらを含む反射光が結像レンズによって結像される光検出器から、互いに異なる2つの時刻で撮像した反射光の像に対応する光量分布信号を取得する光量分布信号取得部と、
前記光量分布信号取得部によって取得された、互いに異なる2つの時刻における光量分布信号から、2つの時刻間の差分内で移動した移動画素量を演算する移動量演算部と、
前記結像レンズの横倍率、前記光検出器の画素ピッチ、前記差分、及び、前記移動画素量に基づいて、前記被測定物の移動速度を演算する速度演算部とを備える
ことを特徴とする移動速度演算装置。
続きを表示(約 430 文字)
【請求項2】
前記被測定物の側面は、粗面である
ことを特徴とする請求項1記載の移動速度演算装置。
【請求項3】
前記被測定物の側面には、模様が付されている
ことを特徴とする請求項1記載の移動速度演算装置。
【請求項4】
光量分布信号取得部が、移動する被測定物の側面からの光むらを含む反射光が結像レンズによって結像される光検出器から、互いに異なる2つの時刻で撮像した反射光の像に対応する光量分布信号を取得するステップと、
移動量演算部が、前記光量分布信号取得部によって取得された、互いに異なる2つの時刻における光量分布信号から、2つの時刻間の差分内で移動した移動画素量を演算するステップと、
速度演算部が、前記結像レンズの横倍率、前記光検出器の画素ピッチ、前記差分、及び、前記移動画素量に基づいて、前記被測定物の移動速度を演算するステップとを備える
ことを特徴とする移動速度演算方法。
発明の詳細な説明
【技術分野】
【0001】
本開示は、移動速度演算装置及び移動速度演算方法に関する。
続きを表示(約 1,200 文字)
【背景技術】
【0002】
特許文献1には、被測定物の移動速度を非接触で測定する速度測定装置が開示されている。
【先行技術文献】
【特許文献】
【0003】
特開昭63-158465号公報
【発明の概要】
【発明が解決しようとする課題】
【0004】
特許文献1に開示された速度測定装置は、移動する透光性物体に対して、光源から照射した光を透過させることで、当該透光性物体の移動速度を測定する。このような、透過方式を採用した速度測定装置においては、透光性物体を挟んだ一方側に、光源及び偏光板等を設ける一方、被測定物を挟んだ他方側に、偏光板、結像光学系、空間フィルタ、及び、光検出器等を設ける必要がある。このため、特許文献1に開示された速度測定装置は、当該装置が大型化するおそれがある。
【0005】
本開示は、上記のような課題を解決するためになされたもので、被測定物に対する透過光を用いることなく、当該被測定物の移動速度を演算することができる移動速度演算装置を提供することを目的とする。
【課題を解決するための手段】
【0006】
本開示に係る移動速度演算装置は、移動する被測定物の側面からの光むらを含む反射光が結像レンズによって結像される光検出器から、互いに異なる2つの時刻で撮像した反射光の像に対応する光量分布信号を取得する光量分布信号取得部と、光量分布信号取得部によって取得された、互いに異なる2つの時刻における光量分布信号から、2つの時刻間の差分内で移動した移動画素量を演算する移動量演算部と、結像レンズの横倍率、光検出器の画素ピッチ、差分、及び、移動画素量に基づいて、被測定物の移動速度を演算する速度演算部とを備えるものである。
【発明の効果】
【0007】
本開示によれば、被測定物に対する透過光を用いることなく、当該被測定物の移動速度を演算ことができる。
【図面の簡単な説明】
【0008】
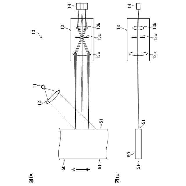
実施の形態1に係る移動速度演算装置が適用される速度測定装置の概略構成図である。図1Aは、速度測定装置の平面図である。図1Bは、速度測定装置における被測定物の移動方向下流側から見た側面図である。
実施の形態1に係る移動速度演算装置のブロック図である。
実施の形態1に係る移動速度演算装置の動作を示すフロー図である。
【発明を実施するための形態】
【0009】
以下、本開示の実施の形態について図面を参照しながら詳細に説明する。
【0010】
実施の形態1.
実施の形態1に係る移動速度演算装置20について、図1から図3を用いて説明する。
(【0011】以降は省略されています)
この特許をJ-PlatPat(特許庁公式サイト)で参照する
関連特許
アズビル株式会社
回転弁
2か月前
アズビル株式会社
連結装置
1日前
アズビル株式会社
連結装置
1日前
アズビル株式会社
圧力センサ
2か月前
アズビル株式会社
電磁流量計
1か月前
アズビル株式会社
無線式開度計
2か月前
アズビル株式会社
ケージ調整弁
1日前
アズビル株式会社
間欠動作制御回路
1か月前
アズビル株式会社
動粘度測定システム
2か月前
アズビル株式会社
制御装置および制御方法
1か月前
アズビル株式会社
位置計測装置および方法
1か月前
アズビル株式会社
熱式流量計および補正方法
2か月前
アズビル株式会社
情報処理システムおよび方法
2か月前
アズビル株式会社
処理装置及び物理量検出装置
2か月前
アズビル株式会社
制御装置、および、制御方法
5日前
アズビル株式会社
換気制御装置及び換気制御方法
2か月前
アズビル株式会社
空調制御装置及び空調制御方法
1か月前
アズビル株式会社
情報処理装置及び情報処理方法
1日前
アズビル株式会社
ビル管理装置、及び、プログラム
1か月前
アズビル株式会社
情報処理装置および情報処理方法
12日前
アズビル株式会社
移動体制御装置及び移動体制御方法
1日前
アズビル株式会社
連結装置、及び、連結装置の製造方法
1日前
アズビル株式会社
制御装置、制御方法及び制御システム
12日前
アズビル株式会社
ディスパッチ計画作成装置および方法
1か月前
アズビル株式会社
移動速度演算装置及び移動速度演算方法
1日前
アズビル株式会社
処理装置、処理方法、及び、プログラム
2か月前
アズビル株式会社
超音波トランスデューサ及び超音波流量計
1日前
アズビル株式会社
検索装置、検索方法、および検索プログラム
2か月前
アズビル株式会社
分割装置、分割方法、および分割プログラム
2か月前
アズビル株式会社
超音波流量計及び超音波流量計の取り付け方法
1か月前
アズビル株式会社
モータ駆動制御装置及びモータの駆動制御方法
5日前
アズビル株式会社
情報処理装置、情報処理方法及び情報処理プログラム
1か月前
アズビル株式会社
電極材料選定装置および方法ならびに電極選定支援装置
2か月前
アズビル株式会社
情報処理装置、情報処理方法および情報処理プログラム
2か月前
アズビル株式会社
通信システム、受信装置、送信装置及び電波環境改善方法
2か月前
アズビル株式会社
直線変位検知システム、バルブポジショナ、バルブ開度計
1日前
続きを見る
他の特許を見る