TOP
|
特許
|
意匠
|
商標
特許ウォッチ
Twitter
他の特許を見る
10個以上の画像は省略されています。
公開番号
2025178573
公報種別
公開特許公報(A)
公開日
2025-12-09
出願番号
2024085239
出願日
2024-05-27
発明の名称
情報処理装置及び情報処理方法
出願人
アズビル株式会社
代理人
弁理士法人山王内外特許事務所
主分類
G01B
11/00 20060101AFI20251202BHJP(測定;試験)
要約
【課題】従来よりもワークの移動距離の算出結果の精度を向上させることができる情報処理装置及び情報処理方法を提供する。
【解決手段】情報処理装置(100)は、ワーク(W1)の1次元の光学情報を取得する光学情報取得部(10)と、ワーク(W1)の移動距離の推定値を取得する距離推定値取得部(20)と、推定値に基づいて光学情報取得部(10)によって取得された光学情報から一部の情報を抽出する光学情報抽出部(30)と、光学情報取得部(10)によって取得された第1光学情報(A1)及び第2光学情報(A2)から光学情報抽出部(30)によって抽出された情報の相関を示す相関値を算出する相関値算出部(40)と、相関値算出部(40)によって算出された相関値に基づいて、ワーク(W1)の移動距離を算出する移動距離算出部(60)と、を備えた。
【選択図】図1
特許請求の範囲
【請求項1】
移動するワークからの光に基づいて、前記ワークの1次元の光学情報を取得する光学情報取得部と、
前記ワークの第1時刻から第2時刻までの間の移動距離の推定値を取得する距離推定値取得部と、
前記推定値に基づいて前記光学情報取得部によって取得された光学情報から一部の情報を抽出する光学情報抽出部と、
前記光学情報取得部によって前記第1時刻に取得された第1光学情報から前記光学情報抽出部によって抽出された第1抽出情報と、前記光学情報取得部によって前記第2時刻に取得された第2光学情報から前記光学情報抽出部によって抽出された第2抽出情報と、の相関を示す相関値を算出する相関値算出部と、
前記相関値算出部によって算出された相関値に基づいて、前記ワークの移動距離を算出する移動距離算出部と、を備え、
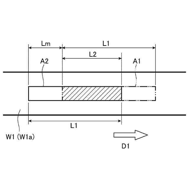
前記光学情報抽出部は、前記第1光学情報から、前記ワークの移動方向における前端から前記推定値の距離に対応する情報を含まないように前記第1抽出情報を抽出し、前記第2光学情報から、前記ワークの移動方向における後端から前記推定値の距離に対応する情報を含まないように前記第2抽出情報を抽出する
ことを特徴とする情報処理装置。
続きを表示(約 760 文字)
【請求項2】
前記光学情報抽出部は、前記第1光学情報及び前記第2光学情報から、2のべき乗個の画素に対応する情報を前記第1抽出情報及び前記第2抽出情報として抽出する
ことを特徴とする請求項1又は2記載の情報処理装置。
【請求項3】
光学情報取得部と、距離推定値取得部と、光学情報抽出部と、相関値算出部と、移動距離算出部と、を備えた装置が行う情報処理方法であって、
前記光学情報取得部が、移動するワークからの光に基づいて、前記ワークの1次元の光学情報を取得するステップと、
前記距離推定値取得部が、前記ワークの第1時刻から第2時刻までの間の移動距離の推定値を取得するステップと、
前記光学情報抽出部が、前記推定値に基づいて前記光学情報取得部によって取得された光学情報から一部の情報を抽出するステップと、
前記相関値算出部が、前記光学情報取得部によって前記第1時刻に取得された第1光学情報から前記光学情報抽出部によって抽出された第1抽出情報と、前記光学情報取得部によって前記第2時刻に取得された第2光学情報から前記光学情報抽出部によって抽出された第2抽出情報と、の相関を示す相関値を算出するステップと、
前記移動距離算出部が、前記相関値算出部によって算出された相関値に基づいて、前記ワークの移動距離を算出するステップと、を備え、
前記光学情報抽出部は、前記第1光学情報から、前記ワークの移動方向における前端から前記推定値の距離に対応する情報を含まないように前記第1抽出情報を抽出し、前記第2光学情報から、前記ワークの移動方向における後端から前記推定値の距離に対応する情報を含まないように前記第2抽出情報を抽出する
ことを特徴とする情報処理方法。
発明の詳細な説明
【技術分野】
【0001】
本開示は、情報処理装置及び情報処理方法に関する。
続きを表示(約 2,600 文字)
【背景技術】
【0002】
従来、搬送装置で搬送される測定対象物(ワーク)からの反射光を検出するラインセンサからの1次元の情報に基づいて、測定対象物の変位(移動距離)を計測する変位計が開示されている(例えば、特許文献1参照)。この変位計は、ラインセンサにより異なるタイミングで検出された複数の画像の相互相関関数の極値(ピーク)を検出し、検出結果に基づいて測定対象物の変位量を算出している。
【先行技術文献】
【特許文献】
【0003】
特開2022-170550号公報
【発明の概要】
【発明が解決しようとする課題】
【0004】
一般に、特許文献1に記載されたような変位計において、相互相関関数の波形には、ラインセンサからの出力に含まれるノイズ、回路の伝導ノイズ等に起因するノイズが含まれており、相互相関関数からワークの移動距離に対応するピークを検出することが難しい場合があり、移動距離の算出結果の精度を向上させることが難しいという課題がある。
【0005】
本開示は、上記課題の認識を契機としてなされたものであって、従来よりもワークの移動距離の算出結果の精度を向上させることができる情報処理装置及び情報処理方法を提供することを目的とする。
【課題を解決するための手段】
【0006】
本開示に係る情報処理装置は、移動するワークからの光に基づいて、ワークの1次元の光学情報を取得する光学情報取得部と、ワークの第1時刻から第2時刻までの間の移動距離の推定値を取得する距離推定値取得部と、推定値に基づいて光学情報取得部によって取得された光学情報から一部の情報を抽出する光学情報抽出部と、光学情報取得部によって第1時刻に取得された第1光学情報から光学情報抽出部によって抽出された第1抽出情報と、光学情報取得部によって第2時刻に取得された第2光学情報から光学情報抽出部によって抽出された第2抽出情報と、の相関を示す相関値を算出する相関値算出部と、相関値算出部によって算出された相関値に基づいて、ワークの移動距離を算出する移動距離算出部と、を備え、光学情報抽出部は、第1光学情報から、ワークの移動方向における前端から推定値の距離に対応する情報を含まない部分の情報を第1抽出情報として抽出し、第2光学情報から、ワークの移動方向における後端から推定値の距離に対応する情報を含まない部分の情報を第2抽出情報として抽出することを特徴とする。
【発明の効果】
【0007】
本開示によれば、従来よりもワークの移動距離の算出結果の精度を向上させることができる。
【図面の簡単な説明】
【0008】
実施の形態1に係る情報処理システムの概略構成を示すブロック図である。
実施の形態1に係る光学系を示す模式図である。
実施の形態1に係る光学センサによって取得された光学情報を示すワークの表面に直交する方向から視た模式図である。
実施の形態1に係る情報処理装置によって取得された光学情報を示すグラフである。
実施の形態1に係る情報処理装置のハードウェア構成の一例を示す図である。
実施の形態1に係る情報処理装置のハードウェア構成の一例を示す図である。
実施の形態1に係る情報処理装置が行う移動距離算出処理を示すフローチャートである。
実施の形態1に係る情報処理装置によって取得された光学情報を示すワークの表面に直交する方向から視た模式図である。
実施の形態1に係る情報処理装置が算出する相関値と光学情報のずれ量との関係の実測値を示すグラフである。
実施の形態2に係る情報処理装置が行う移動距離算出処理を示すフローチャートである。
実施の形態2に係る情報処理装置によって取得された光学情報を示すワークの表面に直交する方向から視た模式図である。
実施の形態2に係る情報処理装置が算出する相関値と光学情報のずれ量との関係の実測値を示すグラフである。
【発明を実施するための形態】
【0009】
以下、本開示に係る実施の形態について図面を参照しながら詳細に説明する。
実施の形態1.
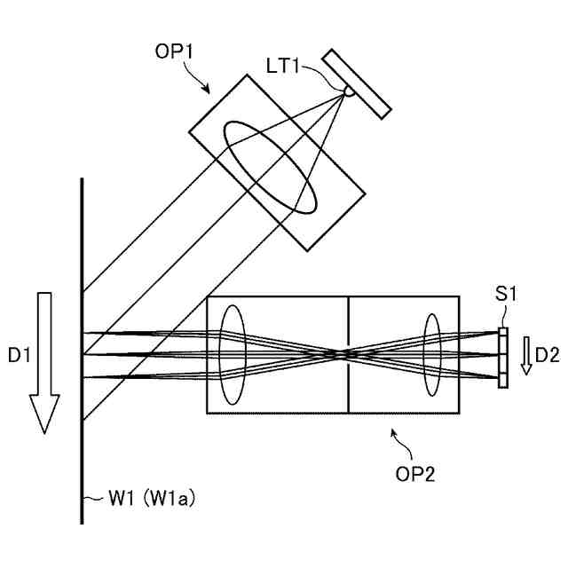
まず、図1及び図2を参照して、実施の形態1に係る情報処理システムの構成について説明する。図1は、実施の形態1に係る情報処理システムを示す模式図である。実施の形態1に係る情報処理システムは、光学センサS1からの光学情報に基づいて移動するワークW1の移動距離を算出することで、ワークW1の移動距離を測定するためのシステムである。例えば、測定対象物であるワークW1は、シート状に形成されており、ロール状に巻き取られた状態から引出されながら、又はロール状に巻き取られながら、ロールの回転に伴って一方向に移動する。図1に示すように、実施の形態1に係る情報処理システムは、光源LT1及び光学センサS1を備える光学系と、情報処理装置100と、を備えており、光学センサS1から情報処理装置100へ情報を通信可能になるように有線又は無線によって電気的に接続されて構成されている。
【0010】
図2は、実施の形態1に係る光学系を示す模式図である。図2に示すように、実施の形態1に係る光学系は、例えば、光源LT1、集光レンズOP1、結像レンズOP2、及び光学センサS1を備えている。光源LT1は、例えば、LED(Light-Emitting Diode)又はハロゲンランプ等によって構成されており、電力の供給によって発光する。集光レンズOP1は、単レンズ又は複合レンズによって構成されており、光源LT1からの光をワークW1に集光し、ワークW1の表面W1aを照明する。結像レンズOP2は、単レンズ又は複合レンズによって構成されており、ワークW1の表面W1aからの反射光を光学センサS1に結像する。例えば、結像レンズOP2は、ワークW1の表面W1aからの反射光を光学センサS1に結像するテレセントリックレンズによって構成されている。
(【0011】以降は省略されています)
この特許をJ-PlatPat(特許庁公式サイト)で参照する
関連特許
個人
視触覚センサ
5日前
日本精機株式会社
検出装置
1か月前
個人
採尿及び採便具
1か月前
個人
アクセサリー型テスター
1か月前
個人
計量機能付き容器
1か月前
個人
高精度同時多点測定装置
1か月前
株式会社カクマル
境界杭
20日前
愛知電機株式会社
外観検査方法
1日前
愛知電機株式会社
外観検査装置
1日前
株式会社ミツトヨ
測定器
1か月前
日本精機株式会社
発光表示装置
13日前
甲神電機株式会社
電流検出装置
1か月前
ユニパルス株式会社
トルク変換器
5日前
株式会社トプコン
測量装置
12日前
ユニパルス株式会社
トルク変換器
5日前
ユニパルス株式会社
トルク変換器
5日前
アズビル株式会社
電磁流量計
1か月前
大成建設株式会社
風洞実験装置
1か月前
日本特殊陶業株式会社
ガスセンサ
12日前
双庸電子株式会社
誤配線検査装置
1か月前
日本信号株式会社
距離画像センサ
1か月前
日本特殊陶業株式会社
ガスセンサ
5日前
日本特殊陶業株式会社
ガスセンサ
6日前
個人
非接触による電磁パルスの測定方法
1か月前
個人
計量具及び計量機能付き容器
1か月前
長崎県
形状計測方法
1か月前
愛知時計電機株式会社
ガスメータ
1か月前
日本特殊陶業株式会社
ガスセンサ
28日前
愛知電機株式会社
軸部材の外観検査装置
1か月前
大和製衡株式会社
組合せ計量装置
1か月前
大和製衡株式会社
組合せ計量装置
1か月前
ローム株式会社
半導体装置
1か月前
個人
システム、装置及び実験方法
1か月前
ローム株式会社
半導体装置
1か月前
日東精工株式会社
振動波形検査装置
1か月前
日本特殊陶業株式会社
センサ
1か月前
続きを見る
他の特許を見る