TOP
|
特許
|
意匠
|
商標
特許ウォッチ
Twitter
他の特許を見る
公開番号
2025173598
公報種別
公開特許公報(A)
公開日
2025-11-28
出願番号
2024079198
出願日
2024-05-15
発明の名称
情報処理装置および情報処理方法
出願人
アズビル株式会社
代理人
個人
主分類
G05B
23/02 20060101AFI20251120BHJP(制御;調整)
要約
【課題】複雑な温度分布を示す熱画像が正常か異常かを判定する。
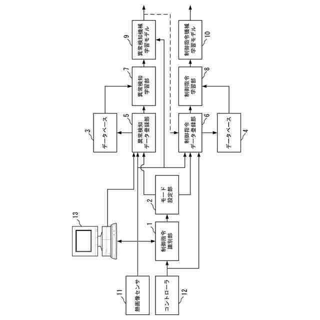
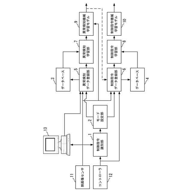
【解決手段】情報処理装置は、熱画像を記憶するデータベース3と、測定対象を撮像した熱画像が正常と判定された場合に、正常な状態の熱画像としてデータベース3に登録し、熱画像が異常と判定された場合に、異常な状態の熱画像としてデータベース3に登録する異常検知データ登録部5と、異常検知データ登録部5によってデータベース3に登録されたデータを利用して機械学習を実行し、熱画像が正常か異常かを判定するための異常検知機械学習モデル9を生成する異常検知学習部7とを備える。
【選択図】 図1
特許請求の範囲
【請求項1】
熱画像を記憶するように構成されたデータベースと、
測定対象を撮像した熱画像が正常と判定された場合に、正常な状態の熱画像として前記データベースに登録し、前記熱画像が異常と判定された場合に、異常な状態の熱画像として前記データベースに登録するように構成された異常検知データ登録部と、
前記異常検知データ登録部によって前記データベースに登録されたデータを利用して機械学習を実行し、熱画像が正常か異常かを判定するための異常検知機械学習モデルを生成するように構成された異常検知学習部とを備えることを特徴とする情報処理装置。
続きを表示(約 2,300 文字)
【請求項2】
測定対象の熱画像が撮像されたタイミングが、前記測定対象を制御するコントローラからの制御指令が変化した時点の直近のタイミングかどうかを判定するように構成された制御指令識別部と、
前記熱画像が撮像されたタイミングが、前記制御指令が変化した時点の直近のタイミングの場合に、制御指令学習モードに設定するように構成されたモード設定部と、
熱画像と制御指令情報とを記憶するように構成された第1のデータベースと、
前記制御指令学習モードの場合に、前記制御指令が変化した時点の直近のタイミングで撮像された熱画像と、前記制御指令が変化した後の熱画像の良否の判定結果と、前記制御指令の内容を示す制御指令情報とを前記第1のデータベースに登録するように構成された制御指令データ登録部と、
前記制御指令データ登録部によって前記第1のデータベースに登録されたデータを利用して機械学習を実行し、熱画像が正常な状態へと移行する制御指令を推定するための制御指令機械学習モデルを生成するように構成された制御指令学習部とを備えることを特徴とする情報処理装置。
【請求項3】
請求項2記載の情報処理装置において、
熱画像を記憶するように構成された第2のデータベースと、
異常検知学習モードにおいて、前記測定対象を撮像した熱画像が正常と判定された場合に、正常な状態の熱画像として前記第2のデータベースに登録し、前記熱画像が異常と判定された場合に、異常な状態の熱画像として前記第2のデータベースに登録するように構成された異常検知データ登録部と、
前記異常検知データ登録部によって前記第2のデータベースに登録されたデータを利用して機械学習を実行し、熱画像が正常か異常かを判定するための異常検知機械学習モデルを生成するように構成された異常検知学習部とをさらに備え、
前記モード設定部は、前記熱画像が撮像されたタイミングが、前記制御指令が変化した時点の直近のタイミングではない場合に、前記異常検知学習モードに設定することを特徴とする情報処理装置。
【請求項4】
請求項3記載の情報処理装置において、
前記制御指令データ登録部は、学習済みの前記異常検知機械学習モデルが生成されている場合に、前記制御指令が変化した後の熱画像の良否の判定結果を前記異常検知機械学習モデルから受け取ることを特徴とする情報処理装置。
【請求項5】
請求項1乃至4のいずれか1項に記載の情報処理装置において、
前記測定対象は、摺動部を含む機構であることを特徴とする情報処理装置。
【請求項6】
測定対象を撮像した熱画像が正常と判定された場合に、正常な状態の熱画像としてデータベースに登録し、前記熱画像が異常と判定された場合に、異常な状態の熱画像として前記データベースに登録する第1のステップと、
前記第1のステップによって前記データベースに登録されたデータを利用して機械学習を実行し、熱画像が正常か異常かを判定するための異常検知機械学習モデルを生成する第2のステップとを含むことを特徴とする情報処理方法。
【請求項7】
測定対象の熱画像が撮像されたタイミングが、前記測定対象を制御するコントローラからの制御指令が変化した時点の直近のタイミングかどうかを判定する第1のステップと、
前記熱画像が撮像されたタイミングが、前記制御指令が変化した時点の直近のタイミングの場合に、制御指令学習モードに設定する第2のステップと、
前記制御指令学習モードの場合に、前記制御指令が変化した時点の直近のタイミングで撮像された熱画像と、前記制御指令が変化した後の熱画像の良否の判定結果と、前記制御指令の内容を示す制御指令情報とを第1のデータベースに登録する第3のステップと、
前記第3のステップによって前記第1のデータベースに登録されたデータを利用して機械学習を実行し、熱画像が正常な状態へと移行する制御指令を推定するための制御指令機械学習モデルを生成する第4のステップとを含むことを特徴とする情報処理方法。
【請求項8】
請求項7記載の情報処理方法において、
異常検知学習モードにおいて、前記測定対象を撮像した熱画像が正常と判定された場合に、正常な状態の熱画像として第2のデータベースに登録し、前記熱画像が異常と判定された場合に、異常な状態の熱画像として前記第2のデータベースに登録する第5のステップと、
前記第5のステップによって前記第2のデータベースに登録されたデータを利用して機械学習を実行し、熱画像が正常か異常かを判定するための異常検知機械学習モデルを生成する第6のステップとをさらに含み、
前記第2のステップは、前記熱画像が撮像されたタイミングが、前記制御指令が変化した時点の直近のタイミングではない場合に、前記異常検知学習モードに設定するステップを含むことを特徴とする情報処理方法。
【請求項9】
請求項8記載の情報処理方法において、
前記第3のステップは、学習済みの前記異常検知機械学習モデルが生成されている場合に、前記制御指令が変化した後の熱画像の良否の判定結果を前記異常検知機械学習モデルから受け取ることを特徴とする情報処理方法。
【請求項10】
請求項6乃至9のいずれか1項に記載の情報処理方法において、
前記測定対象は、摺動部を含む機構であることを特徴とする情報処理方法。
発明の詳細な説明
【技術分野】
【0001】
本発明は、熱画像の正常/異常判定のため、または適切な制御指令を推定するためのモデルを生成する情報処理装置および情報処理方法に関するものである。
続きを表示(約 2,200 文字)
【背景技術】
【0002】
複数の機器を含む判定領域の熱画像を取得し、熱画像から特徴を抽出して熱画像における複数の機器の区画および機器の種類を特定して、特定された複数の機器の各々の区画に対応する熱画像の区画の各々における温度を算出し、算出した温度と設定されている基準温度との比較により機器の異常を判定する手法が開示されている(特許文献1参照)。
【0003】
例えばFA(Factory Automation)の分野において、熱画像の撮像可能な対象は多くある。新たな有効な適用対象を広げていくことが、期待されている。しかしながら、特許文献1に開示された技術では、複雑な温度分布を示す熱画像に適用することが難しく、また同一の機種に対応する熱画像の区画を分割することができないため、適用対象を広げることが難しいという課題があった。例えば摺動部を含む機構の熱画像の場合、単一の機構の熱画像であるため、熱画像を複数の区画に分割することができず、熱画像の正常/異常を誤って判定してしまう可能性がある。
【0004】
また、特許文献1に開示された技術では、熱画像が正常か異常かを判定することはできるが、熱画像を正常な状態へと移行させるためにどのような制御をすればよいかを推定する技術は従来実現されていなかった。
【先行技術文献】
【特許文献】
【0005】
特開2023-076913号公報
【発明の概要】
【発明が解決しようとする課題】
【0006】
本発明は、上記課題を解決するためになされたもので、複雑な温度分布を示す熱画像が正常か異常かを判定することが可能な情報処理装置および情報処理方法を提供することを目的とする。
【0007】
また、本発明は、熱画像を正常な状態へと移行させるためにどのような制御をすればよいかを推定することが可能な情報処理装置および情報処理方法を提供することを目的とする。
【課題を解決するための手段】
【0008】
本発明の情報処理装置は、熱画像を記憶するように構成されたデータベースと、測定対象を撮像した熱画像が正常と判定された場合に、正常な状態の熱画像として前記データベースに登録し、前記熱画像が異常と判定された場合に、異常な状態の熱画像として前記データベースに登録するように構成された異常検知データ登録部と、前記異常検知データ登録部によって前記データベースに登録されたデータを利用して機械学習を実行し、熱画像が正常か異常かを判定するための異常検知機械学習モデルを生成するように構成された異常検知学習部とを備えることを特徴とするものである。
【0009】
また、本発明の情報処理装置は、測定対象の熱画像が撮像されたタイミングが、前記測定対象を制御するコントローラからの制御指令が変化した時点の直近のタイミングかどうかを判定するように構成された制御指令識別部と、前記熱画像が撮像されたタイミングが、前記制御指令が変化した時点の直近のタイミングの場合に、制御指令学習モードに設定するように構成されたモード設定部と、熱画像と制御指令情報とを記憶するように構成された第1のデータベースと、前記制御指令学習モードの場合に、前記制御指令が変化した時点の直近のタイミングで撮像された熱画像と、前記制御指令が変化した後の熱画像の良否の判定結果と、前記制御指令の内容を示す制御指令情報とを前記第1のデータベースに登録するように構成された制御指令データ登録部と、前記制御指令データ登録部によって前記第1のデータベースに登録されたデータを利用して機械学習を実行し、熱画像が正常な状態へと移行する制御指令を推定するための制御指令機械学習モデルを生成するように構成された制御指令学習部とを備えることを特徴とするものである。
【0010】
また、本発明の情報処理装置の1構成例は、熱画像を記憶するように構成された第2のデータベースと、異常検知学習モードにおいて、前記測定対象を撮像した熱画像が正常と判定された場合に、正常な状態の熱画像として前記第2のデータベースに登録し、前記熱画像が異常と判定された場合に、異常な状態の熱画像として前記第2のデータベースに登録するように構成された異常検知データ登録部と、前記異常検知データ登録部によって前記第2のデータベースに登録されたデータを利用して機械学習を実行し、熱画像が正常か異常かを判定するための異常検知機械学習モデルを生成するように構成された異常検知学習部とをさらに備え、前記モード設定部は、前記熱画像が撮像されたタイミングが、前記制御指令が変化した時点の直近のタイミングではない場合に、前記異常検知学習モードに設定することを特徴とするものである。
また、本発明の情報処理装置の1構成例において、前記制御指令データ登録部は、学習済みの前記異常検知機械学習モデルが生成されている場合に、前記制御指令が変化した後の熱画像の良否の判定結果を前記異常検知機械学習モデルから受け取ることを特徴とするものである。
また、本発明の情報処理装置の1構成例において、前記測定対象は、摺動部を含む機構である。
(【0011】以降は省略されています)
この特許をJ-PlatPat(特許庁公式サイト)で参照する
関連特許
アズビル株式会社
電磁流量計
1か月前
アズビル株式会社
間欠動作制御回路
1か月前
アズビル株式会社
位置計測装置および方法
1か月前
アズビル株式会社
制御装置および制御方法
1か月前
アズビル株式会社
換気制御装置及び換気制御方法
1か月前
アズビル株式会社
空調制御装置及び空調制御方法
1か月前
アズビル株式会社
ビル管理装置、及び、プログラム
1か月前
アズビル株式会社
情報処理装置および情報処理方法
1日前
アズビル株式会社
制御装置、制御方法及び制御システム
1日前
アズビル株式会社
ディスパッチ計画作成装置および方法
1か月前
アズビル株式会社
分割装置、分割方法、および分割プログラム
1か月前
アズビル株式会社
検索装置、検索方法、および検索プログラム
1か月前
アズビル株式会社
超音波流量計及び超音波流量計の取り付け方法
1か月前
アズビル株式会社
情報処理装置、情報処理方法及び情報処理プログラム
23日前
アズビル株式会社
電極材料選定装置および方法ならびに電極選定支援装置
1か月前
アズビル株式会社
直線変位検知システム、バルブポジショナ、バルブ開度計
3日前
アズビル株式会社
生産スケジューリング装置、生産スケジューリング方法および生産スケジューリングプログラム
22日前
個人
生産早送り装置
3か月前
株式会社豊田自動織機
産業車両
3か月前
株式会社カネカ
製造システム
2か月前
オムロン株式会社
スレーブ装置
2か月前
愛知製鋼株式会社
車両用システム
3か月前
株式会社熊谷組
障害物の検出方法
1か月前
ローム株式会社
基準電圧源
2か月前
株式会社クボタ
作業車
1日前
新電元工業株式会社
作業用ロボット
1か月前
株式会社クボタ
作業車
1か月前
豊田合成株式会社
機器制御装置
1か月前
ローム株式会社
半導体集積回路
2日前
株式会社アサヒエンタープライズ
調整弁
17日前
トヨタ自動車株式会社
移動制御システム
3か月前
株式会社ダイフク
搬送設備
2か月前
株式会社ダイフク
搬送設備
2か月前
株式会社ダイフク
搬送設備
3か月前
エイブリック株式会社
電流補償回路及び半導体装置
1か月前
キヤノン株式会社
配送システム
2か月前
続きを見る
他の特許を見る