TOP
|
特許
|
意匠
|
商標
特許ウォッチ
Twitter
他の特許を見る
10個以上の画像は省略されています。
公開番号
2025163703
公報種別
公開特許公報(A)
公開日
2025-10-30
出願番号
2024067131
出願日
2024-04-18
発明の名称
間欠動作制御回路
出願人
アズビル株式会社
代理人
弁理士法人山王内外特許事務所
主分類
G01R
19/25 20060101AFI20251023BHJP(測定;試験)
要約
【課題】本開示技術は、4-20[mA]の信号を内部の電気回路を動作させるための電流源として使用し、かつ、ΔΣA/D変換方式のA/D変換回路を使用する、という条件下で、CPUの動作周波数を上げずに、消費電流制約を満たしつつ高精度AD値を取得するシステムを提供することを目的とする。
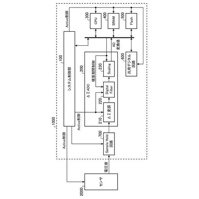
【解決手段】本開示技術に係る間欠動作制御回路は、外部のセンサ(2000)と接続され、システム制御部(100)と、デルタシグマAD変換器(200)と、プロセッサ(300)と、SRAM(400)と、フラッシュメモリ(500)と、を含み、システム制御部(100)が、デルタシグマAD変換器(200)、プロセッサ(300)、SRAM(400)、フラッシュメモリ(500)、及びセンサ(2000)のそれぞれに対して、ActiveとInactiveとを切り替える指令を出す、というものである。
【選択図】図1
特許請求の範囲
【請求項1】
外部のセンサと接続され、
システム制御部と、デルタシグマAD変換器と、プロセッサと、SRAMと、フラッシュメモリと、を含み、
前記システム制御部が、前記デルタシグマAD変換器、前記プロセッサ、前記SRAM、前記フラッシュメモリ、及び前記センサのそれぞれに対して、ActiveとInactiveとを切り替える指令を出す、
間欠動作制御回路。
続きを表示(約 440 文字)
【請求項2】
前記デルタシグマAD変換器は、デルタシグマ変調部と、デジタルフィルタ部と、スケーリング部と、を備え、
前記デジタルフィルタ部は、SINC Filterである、
請求項1に記載の間欠動作制御回路。
【請求項3】
前記デルタシグマAD変換器の前段に備えられ、前記センサの出力をサンプリングしてホールドするサンプルホールド回路を更に備える、
請求項1に記載の間欠動作制御回路。
【請求項4】
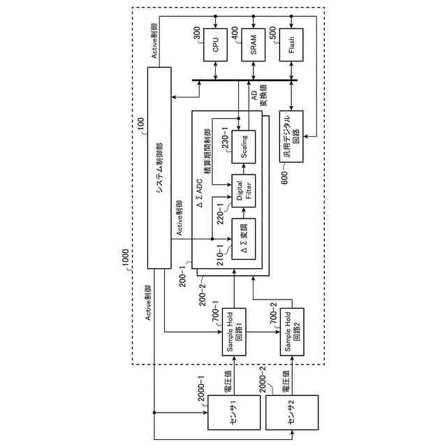
前記サンプルホールド回路は、少なくとも接続される前記センサの個数だけあり、それぞれが1つの対応する前記センサの出力をサンプリングしてホールドし、前記システム制御部により制御される選択回路で選択される、
請求項3に記載の間欠動作制御回路。
【請求項5】
前記スケーリング部は、前記デジタルフィルタ部の積算期間に応じて、スケーリングの係数を切り替える、
請求項2に記載の間欠動作制御回路。
発明の詳細な説明
【技術分野】
【0001】
本開示技術は、間欠動作制御回路に関する。
続きを表示(約 2,400 文字)
【背景技術】
【0002】
石油精製等の化学工業の技術分野において、製造プロセスの自動化に関する技術開発が多くなされている。製造プロセスの自動化に用いられる制御機器の多くは、アナログ信号の出力として4-20[mA](「ヨンニジュウ」と称されることもある)の規格が用いられる。この4-20[mA]の出力が用いられることのメリットは、断線時に0[mA]になるため異常が分かりフェイルセーフであること、長距離の伝送でも減衰しにくいこと、250[Ω]の抵抗を利用することで容易に1-5[V]の電圧入力に変換できること、などが挙げられる。
【0003】
工場、及び化学プラントの現場においては、製造プロセスの自動化に貢献すべく、多くの調整弁(「コントロールバルブ」とも称される)が用いられている。この調整弁は、バルブポジショナと称される制御器部分と、アクチュエータ(駆動部分)と、を有する。バルブポジショナは、単に「ポジショナ」と称されることもある。
バルブポジショナは、例えば、上位コントローラから、調整弁の開度を指示する制御信号として、上記の4-20[mA]の規格に基づいた信号が入力される、という使われ方がよくなされる。
【0004】
工場、及び化学プラントで用いられる調整弁等の自動化機器は、上位コントローラから送られる信号を、単なる制御信号としてのみならず、内部の電気回路を動作させるための電流源として使用することもある。
自動化機器が、4-20[mA]の信号を、内部の電気回路を動作させるための電流源として使用する場合、電流が下限値の4[mA]であるときにおいても、内部の電気回路を正常に動作させなければならない。すなわち、このような自動化機器は、どのような条件下であっても、全体の消費電流を4[mA]未満に抑える必要がある。全体の消費電流を4[mA]未満に抑えられなかった場合に、自動化機器は、上位コントローラからの制御信号に基づいて正しく制御できないおそれも生じる。
【0005】
このように、自動化機器が、4-20[mA]の信号を、内部の電気回路を動作させるための電流源として使用する場合、自動化機器の消費電流を低く抑える設計は、非常に重要な課題である。なお、自動化機器が、4-20[mA]の信号を、内部の電気回路を動作させるための電流源として使用する構成の場合、このような自動化機器は、信号端子が2つしか存在しないことから、「二線式」と称されることがある。
また、仮に自動化機器が、内部に電池等を保有して、4-20[mA]の信号を内部の電気回路を動作させるための電流源として使用しない場合であっても、消費電流は製品寿命に関わるため、重要な設計課題であると言える。
【0006】
工場、及び化学プラントの現場において用いられるセンサ類は、必ずしも、4-20[mA]のアナログ信号を出力するものに限らない。工場、及び化学プラントの現場において用いられるシステムにおいて、複数種類の静電容量型センサを備えるものもある。
例えば、特許文献1には、容量型センサの容量値(アナログ値)をデジタルデータ化する信号変換部(例えば特許文献1の図5における「容量-デジタル変換部(22)」を参照)を備える、インタフェース装置が開示されている。
【先行技術文献】
【特許文献】
【0007】
特開2013-84103号公報
【発明の概要】
【発明が解決しようとする課題】
【0008】
特許文献1において開示された信号変換部は、例えば、逐次比較型A/D変換方式、ΔΣA/D変換方式(「デルタシグマA/D変換方式」と称する)、等により構成される。特に、高精度なセンシングが要求される場合、ΔΣA/D変換方式がよく用いられる。ここで、ΔΣA/D変換方式は、高精度なセンシングに向いているが、例えば、逐次比較型A/D変換方式と比較して、消費電流が大きい、という欠点がある。
【0009】
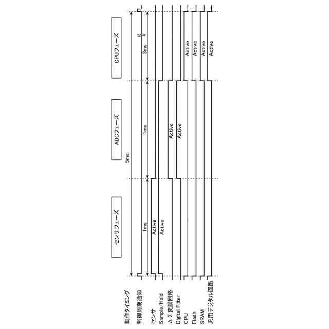
前述の調整弁を例にとると、調整弁は、弁の開度を検出するために、角度センサが用いられる。調整弁を駆動するためのいわゆる制御基板は、角度センサの出力であるアナログ信号を高精度に読み取るために、上記のΔΣA/D変換方式のA/D変換回路が搭載される。そして制御基板は、角度センサ、A/D変換回路、その他CPU、SRAM、及びFLASH等の電子部品をアクティブにするための電流を要する。ここで、上記の文脈における「アクティブにする」の意味は、外部からエネルギーを供給しその機能を発揮できる状態にすること、簡単に言えば電源をONにすること、と同じである。
【0010】
工場、及び化学プラントで用いられる調整弁等の自動化機器において、4-20[mA]の信号を内部の電気回路を動作させるための電流源として使用し、かつ、ΔΣA/D変換方式のA/D変換回路を使用する場合、従来の制御基板では、消費電流上限値の仕様が厳しく、低消費電流の動作周波数が低いCPUしか用いることができない、という課題があった。なお、工場、及び化学プラントで用いられる調整弁等の自動化機器に対しては、μ秒単位の周期で制御を実現したい、という場合もある。
本開示技術は、4-20[mA]の信号を内部の電気回路を動作させるための電流源として使用し、かつ、ΔΣA/D変換方式のA/D変換回路を使用する、という条件下で、CPUの動作周波数を上げずに、消費電流制約を満たしつつ高精度AD値を取得するシステムを提供することを目的とする。
【課題を解決するための手段】
(【0011】以降は省略されています)
この特許をJ-PlatPat(特許庁公式サイト)で参照する
関連特許
アズビル株式会社
電磁流量計
1か月前
アズビル株式会社
間欠動作制御回路
24日前
アズビル株式会社
位置計測装置および方法
1か月前
アズビル株式会社
制御装置および制御方法
1か月前
アズビル株式会社
空調制御装置及び空調制御方法
26日前
アズビル株式会社
ビル管理装置、及び、プログラム
25日前
アズビル株式会社
ディスパッチ計画作成装置および方法
1か月前
アズビル株式会社
検索装置、検索方法、および検索プログラム
1か月前
アズビル株式会社
分割装置、分割方法、および分割プログラム
1か月前
アズビル株式会社
超音波流量計及び超音波流量計の取り付け方法
1か月前
アズビル株式会社
情報処理装置、情報処理方法及び情報処理プログラム
17日前
アズビル株式会社
生産スケジューリング装置、生産スケジューリング方法および生産スケジューリングプログラム
16日前
個人
採尿及び採便具
24日前
日本精機株式会社
検出装置
18日前
個人
計量機能付き容器
13日前
株式会社カクマル
境界杭
3日前
甲神電機株式会社
電流検出装置
18日前
大成建設株式会社
風洞実験装置
13日前
双庸電子株式会社
誤配線検査装置
19日前
個人
計量具及び計量機能付き容器
13日前
個人
非接触による電磁パルスの測定方法
16日前
日本信号株式会社
距離画像センサ
16日前
日本特殊陶業株式会社
ガスセンサ
11日前
日東精工株式会社
振動波形検査装置
19日前
株式会社不二越
X線測定装置
16日前
キーコム株式会社
画像作成システム
3日前
個人
液位検視及び品質監視システム
11日前
理研計器株式会社
ガス検知装置
3日前
株式会社マグネア
磁界検出素子
16日前
株式会社電巧社
試験装置及び試験方法
19日前
株式会社エルメックス
希釈液収容容器
13日前
日本特殊陶業株式会社
化学センサ
18日前
住友化学株式会社
電気化学センサ
24日前
株式会社川島製作所
海苔の異物検査装置
9日前
IMV株式会社
振動試験システム
16日前
合同会社画像技術研究所
カラーチャート
9日前
続きを見る
他の特許を見る