TOP
|
特許
|
意匠
|
商標
特許ウォッチ
Twitter
他の特許を見る
10個以上の画像は省略されています。
公開番号
2025168606
公報種別
公開特許公報(A)
公開日
2025-11-10
出願番号
2024073285
出願日
2024-04-28
発明の名称
風洞実験装置
出願人
大成建設株式会社
代理人
個人
主分類
G01M
9/02 20060101AFI20251031BHJP(測定;試験)
要約
【課題】建物の振動特性を容易に設定して、風による建物の振動応答を評価できる風洞実験装置を提供すること。
【解決手段】風洞実験装置1は、建物模型2を支持可能な架台10と、建物模型2に風を送る送風装置20と、を備える。架台10は、建物模型2が固定されるジンバル11と、ジンバル11を揺動可能に支持する架台本体12と、ジンバル11を架台本体12に向かって水平方向に付勢する複数のコイルばね30と、架台本体12に設けられてジンバル11の風による振動応答を計測する振動計測装置16と、を含んで構成される。コイルばね30には、コイルばね30の長さ方向の所定区間Pの両端部同士を連結する連結器具31が設けられる。連結器具31によりコイルばね30の所定区間Pの両端部間の伸縮を阻止することで、ジンバル11の剛性を所定値に設定可能である。
【選択図】図2
特許請求の範囲
【請求項1】
風による建物模型の振動応答を計測する風洞実験装置であって、
前記建物模型を支持可能な架台と、
前記建物模型に風を送る送風装置と、を備え、
前記架台は、前記建物模型が固定されるジンバルと、
前記ジンバルを揺動可能に支持する架台本体と、
前記ジンバルを前記架台本体に向かって水平方向に付勢する複数のコイルばねと、
前記架台本体に設けられて前記ジンバルの風による振動応答を計測する振動計測装置と、を含んで構成され、
前記コイルばねには、前記コイルばねの長さ方向の所定区間の両端部同士を連結する連結器具が設けられ、
前記連結器具により前記コイルばねの所定区間の両端部間の伸縮を阻止することで、前記ジンバルの剛性を所定値に設定可能であることを特徴とする構造物用の風洞実験装置。
続きを表示(約 130 文字)
【請求項2】
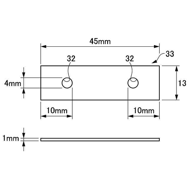
前記連結器具は、前記コイルばねの所定区間の両端部に取り付けられて貫通孔が形成された一対の調整板と、
前記調整板の貫通孔に挿通されて前記調整板同士を連結するボルトおよびナットと、を備えることを特徴とする請求項1に記載の風洞実験装置。
発明の詳細な説明
【技術分野】
【0001】
本発明は、風による建物模型の振動応答を計測する風洞実験装置に関する。
続きを表示(約 2,000 文字)
【背景技術】
【0002】
従来より、コイルばねのばね定数を変更する構造が提案されている(特許文献1、2参照)。
特許文献1には、構造物の制振装置が示されている。制振装置は、付加質量と、この付加質量を揺動可能に支持する積層ゴムと、積層ゴムを付勢するコイルばねと、コイルばねの固有周期を調整する固有周期調整機構と、よりなる。固有周期調整機構は、コイルばねの他端が係合する係合部材と、係合部材を支持する支柱と、係合部材を支柱に連結するボルトと、からなる。コイルばねの一部を係合部材の螺旋溝に係合することにより、コイルばねのばね定数が変更される。
【0003】
特許文献2には、床等の揺れを押さえるための床等の振動抑制装置が示されている。床等の振動抑制装置は、床に設けられる取付基盤と、取付基盤上に設けられた揺動基部と、揺動基部に揺動自在に連結された揺動レバーと、揺動レバーと取付基盤との間に設けられる弾性体と、弾性体に設けられて弾性体のばね定数を調整する固化材と、を備える。この床等の振動抑制装置では、弾性体の一部を固化材に埋没させることで、弾性体のばね定数を調整する。
【先行技術文献】
【特許文献】
【0004】
特開平8-334148号公報
特開2007-315093号公報
【発明の概要】
【発明が解決しようとする課題】
【0005】
本発明は、建物の振動特性を容易に設定して、風による建物の振動応答を評価できる風洞実験装置を提供することを課題とする。
【課題を解決するための手段】
【0006】
第1の発明の風洞実験装置(例えば、後述の風洞実験装置1)は、風による建物模型(例えば、後述の建物模型2)の振動応答を計測する風洞実験装置であって、前記建物模型を支持可能な架台(例えば、後述の架台10)と、前記建物模型に風を送る送風装置(例えば、後述の送風装置20)と、を備え、前記架台は、前記建物模型が固定されるジンバル(例えば、後述のジンバル11)と、前記ジンバルを揺動可能に支持する架台本体(例えば、後述の架台本体12)と、前記ジンバルを前記架台本体に向かって水平方向に付勢する複数のコイルばね(例えば、後述のコイルばね30)と、前記架台本体に設けられて前記ジンバルの風による振動応答を計測する振動計測装置(例えば、後述の振動計測装置16)と、を含んで構成され、前記コイルばねには、前記コイルばねの長さ方向の所定区間(例えば、後述の所定区間P)の両端部同士を連結する連結器具(例えば、後述の連結器具31)が設けられ、前記連結器具により前記コイルばねの所定区間の両端部間の伸縮を阻止することで、前記ジンバルの剛性を所定値に設定可能であることを特徴とする。
【0007】
この発明によれば、建物模型を支持する架台を、ジンバル、架台本体、コイルばね、および振動計測装置を含んで構成し、連結器具によりコイルばねの所定区間の両端部間の伸縮を阻止することで、ジンバルつまり建物模型の剛性つまり振動特性を所定値に設定した。
建物の風による振動応答を評価するために、建物の振動特性を模した弾性模型を用いて風洞実験(空力振動実験)を行う。具体的には、弾性模型に風を当てて振動応答を測定することで、建物設計における風荷重の算定、建物の居住性、建物の不安定振動の検討を行う。この弾性模型は、コイルばねを用いて建物の剛性や振動特性をモデル化したものである。このとき、コイルばねに連結器具を取り付けることで、建物模型の剛性を容易に設定して、風による建物の振動応答を評価できる。
また、連結器具のコイルばね上の取り付け位置を適宜変更するだけで、建物模型の剛性(振動特性)を容易に変更できる。
【0008】
第2の発明の風洞実験装置は、前記連結器具は、前記コイルばねの所定区間の両端部に取り付けられて貫通孔(例えば、後述の貫通孔32)が形成された一対の調整板(例えば、後述の調整板33)と、前記調整板の貫通孔に挿通されて前記調整板同士を連結するボルト(例えば、後述のボルト34)およびナット(例えば、後述のナット35)と、を備えることを特徴とする。
【0009】
この発明によれば、連結器具を調整板、ボルト、およびナットで構成した。よって、連結器具が簡易な構成となり、連結器具を低コストで製作できる。
【発明の効果】
【0010】
本発明によれば、建物の振動特性を容易に設定して、風による建物の振動応答を評価できる風洞実験装置を提供できる。
【図面の簡単な説明】
(【0011】以降は省略されています)
この特許をJ-PlatPat(特許庁公式サイト)で参照する
関連特許
大成建設株式会社
推定方法
18日前
大成建設株式会社
風洞実験装置
今日
大成建設株式会社
地盤計測システム
3日前
大成建設株式会社
既存建物の解体方法
1か月前
大成建設株式会社
木材性状推定システム
1か月前
大成建設株式会社
木材縦弾性係数推定システム
1か月前
大成建設株式会社
足場装置および足場構築方法
19日前
大成建設株式会社
土壌改良剤、及び土壌改良方法
27日前
大成建設株式会社
仮設鋼床版および床版取替工法
6日前
大成建設株式会社
電力供給装置及び電力供給方法
3日前
大成建設株式会社
免震基礎構造およびその構築方法
1か月前
大成建設株式会社
単杭の極限先端支持力度の評価方法
24日前
大成建設株式会社
異種コンクリートの切替り特定方法
1か月前
大成建設株式会社
凍結地盤の掘削土の排土装置と排土方法
1か月前
大成建設株式会社
既設トンネルの坑口補強構造と坑口補強方法
1か月前
大成建設株式会社
内空変位計測システム及び内空変位計測方法
17日前
大成建設株式会社
消音設計支援システム、防振設計支援システム
17日前
大成建設株式会社
既設トンネルと分岐トンネルの接合構造と接合方法
1か月前
大成建設株式会社
木質構造部材の補強構造、及び木質構造部材の補強方法
5日前
大成建設株式会社
上下の既設トンネルを繋ぐ接合トンネルとその施工方法
1か月前
大成建設株式会社
インバート変位計測システムおよびインバート変位計測方法
18日前
JFEシビル株式会社
トンネル間地盤性状の調査方法及び装置
4日前
大成建設株式会社
積層体部材、構造体、積層体部材を用いて構造体を構築する方法
17日前
大成建設株式会社
半潜水浮体式基礎
1か月前
大成建設株式会社
既設橋脚におけるアンカーボルトの施工方法およびブラケットの取付構造
20日前
アキレス株式会社
養生シート製品、養生区画、及び養生区画の構築方法
24日前
株式会社渋谷潜水工業
切断装置
26日前
浙江大学
深層学習に基づく損傷判定方法
3日前
大成建設株式会社
ソイルモルタル製造システム、ソイルモルタル製造方法およびソイルモルタル打設方法
5日前
大成建設株式会社
既設トンネルの拡幅構造と既設トンネルの拡幅施工方法、及び曲線パイプルーフの設計方法
5日前
大成建設株式会社
混練材料供給装置とコンクリートプラント
11日前
大成建設株式会社
耐硫酸性グラウト組成物、耐硫酸性モルタル組成物、耐硫酸性コンクリート組成物、およびこれらの製造方法
1か月前
大成建設株式会社
走行可能性表示システム、走行可能性表示方法、走行可能性表示制御装置、および走行可能性表示制御プログラム
4日前
大成建設株式会社
余掘り量推定装置、余掘り量推定プログラム、余掘り量推定方法、及び余掘り量推定装置において使用される学習済余掘り量推論モデル
17日前
個人
メジャー文具
1か月前
個人
採尿及び採便具
11日前
続きを見る
他の特許を見る