TOP
|
特許
|
意匠
|
商標
特許ウォッチ
Twitter
他の特許を見る
公開番号
2025141500
公報種別
公開特許公報(A)
公開日
2025-09-29
出願番号
2024041463
出願日
2024-03-15
発明の名称
杭の施工方法および杭
出願人
大成建設株式会社
代理人
弁理士法人磯野国際特許商標事務所
主分類
E02D
27/32 20060101AFI20250919BHJP(水工;基礎;土砂の移送)
要約
【課題】杭の浮力を利用することでクレーンへの負荷を軽減することを可能とし、かつ施工の手間および費用の低減化を可能とした杭の施工方法および杭を提案する。
【解決手段】中空筒体からなる杭2を水中で建て起こす建て起こし工程と、杭2を沈設する沈設工程とを備える杭の施工方法である。杭2の内部には、浮力を付与する第一浮体部41、第二浮体部42および第三浮体部43が下端側から順に形成されている。第一浮体部41は、杭2の下端から所定の間隔をあけた位置に形成されており、建て起こし工程では、杭2の上端側を吊り上げて当該杭2を立設させるとともに、第三浮体部43の浮力を減じる作業を行う。また、沈設工程では、第一浮体部41の浮力を減じる作業を行って杭2を沈設する。
【選択図】図2
特許請求の範囲
【請求項1】
中空筒体からなる杭を水中で建て起こす建て起こし工程と、
前記杭を沈設する沈設工程と、を備える杭の施工方法であって、
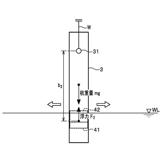
前記杭に浮力を付与する第一浮体部、第二浮体部および第三浮体部が当該杭の内部の下端側から順に形成されていて、
前記第一浮体部は、前記杭の下端から所定の間隔をあけた位置に形成されており、
前記建て起こし工程では、前記杭の上端側を吊り上げて当該杭を立設させるとともに、前記第三浮体部の浮力を減じる作業を行い、
前記沈設工程では、前記第一浮体部の浮力を減じる作業を行って前記杭を沈設することを特徴とする、杭の施工方法。
続きを表示(約 1,000 文字)
【請求項2】
横倒しした状態の前記杭を水上に浮かせた状態で、所定の位置に曳航する杭移送工程をさらに備えていることを特徴とする、請求項1に記載の杭の施工方法。
【請求項3】
前記建て起こし工程において、前記杭の上端部が水面よりも高い位置になった段階で前記第三浮体部の浮力を減じる作業を行うことを特徴とする、請求項1に記載の杭の施工方法。
【請求項4】
前記建て起こし工程において、前記杭を直立させた段階で前記第三浮体部の浮力を減じる作業を行うことを特徴とする、請求項1に記載の杭の施工方法。
【請求項5】
クレーンを用いて水中で建て起こすことが可能な杭であって、
中空筒体からなる杭本体と、
前記杭本体の内部において当該杭本体の下端から所定の間隔をあけた位置に形成された第一浮体部と、
前記杭本体の内部において前記第一浮体部の直上に形成された第二浮体部と、
前記杭本体の内部において前記第二浮体部の直上に形成された第三浮体部と、を備え、
前記杭本体の重量から前記第一浮体部および前記第二浮体部に作用する浮力を差し引いた重量が、前記クレーンの揚重能力以下であり、
前記第一浮体部に作用する浮力および前記第三浮体部に作用する浮力を減少可能であることを特徴とする、杭。
【請求項6】
前記第一浮体部、前記第二浮体部および前記第三浮体部を貫通する通水部をさらに備えていることを特徴とする、請求項5に記載の杭。
【請求項7】
前記第二浮体部は、前記杭本体を建て起こして前記第一浮体部の浮力を減じた状態で、上端面が喫水面と一致するように形成されていることを特徴とする、請求項5に記載の杭。
【請求項8】
前記第一浮体部、前記第二浮体部および前記第三浮体部は、前記杭本体の内部を区画することにより形成されているとともに、水の流入を可能とする開閉可能な通水孔が形成された空間であることを特徴とする、請求項5に記載の杭。
【請求項9】
前記第一浮体部および前記第三浮体部は、圧入された気体により膨張した袋体からなり、前記気体を排気することで浮力が減少することを特徴とする、請求項5に記載の杭。
【請求項10】
前記第一浮体部および前記第三浮体部は、前記杭本体の内部に着脱可能に設けられた固体であることを特徴とする、請求項5に記載の杭。
発明の詳細な説明
【技術分野】
【0001】
本発明は、水上構造物用の杭の施工方法およびこれに使用する杭に関する。
続きを表示(約 1,800 文字)
【背景技術】
【0002】
水上風力発電施設の基礎として、水底に設けられた1本の杭により風車塔を支持するモノパイル式基礎がある。モノパイル式基礎では、既成杭を水底に打ち込むことにより設ける打設杭や、水底に形成された掘削孔に既成杭を埋設する埋込杭等を使用する。
【0003】
既成杭の施工方法として、クレーン船のクレーンを利用して既成杭を吊り下げるとともに、クレーン船に設けられたパイルグリッパーに既成杭をセットし、パイルグリッパーにより杭の傾き等を制御した状態で施工を行う場合がある。そのため、既成杭に対して十分な揚重能力を有しているクレーン船を使用する必要がある。一方、風力発電機の規格が大きくなるにつれて、モノパイル式基礎に使用する既成杭の重量も増加しており、既成杭を揚重可能なクレーン船を確保できないおそれがある。
【0004】
既成杭を水上に浮かべた状態で、杭を建て起こせば、杭に作用する浮力により杭の見かけの重量が軽減する。例えば、特許文献1では、水上に横たわる既成杭の一端部をクレーンで吊り上げることで、杭を建て起こす方法が開示されている。既成杭の下端には、杭の内径よりも小径の流入口が形成されており、この流入口から水を杭の内部に流入させることで、クレーンに伝わる荷重を制御し、杭の建て起こし作業を効率的に行うものとしている。
【先行技術文献】
【特許文献】
【0005】
特開2022-76730号公報
【発明の概要】
【発明が解決しようとする課題】
【0006】
特許文献1の杭の建て起こし方法では、既成杭の下端から流入させた水により、既成杭の下端部の重量を上端部の重量よりも大きくすることで、既成杭を回転させて、クレーンの負荷を軽減させるものである。そのため、既成杭に水を流入させる段階では、予め既成杭を傾斜させて、既成杭の下端部に流入した水が滞留するようにする必要がある。したがって、既成杭を建て起こす際の最初の段階では、水を流入させる前の既成杭の上端部をクレーンにより吊り上げる必要があり、既成杭に対して十分な揚重能力を有したクレーンを使用する必要がある。また、既成杭の内部に流入させる水は、既成杭の下端に形成された流入口から流入させるため、流入量の制御は流入口に設けられたバルブの操作により行う必要がある。そのため、既成杭の建て起こしに応じた水の流入量の調整が難しい。
【0007】
本発明は、杭の浮力を利用することでクレーンへの負荷を軽減することを可能とし、かつ施工の手間および費用の低減化を可能とした杭の施工方法および杭を提案することを課題とする。
【課題を解決するための手段】
【0008】
前記課題を解決するための本発明の杭の施工方法は、中空筒体からなる杭を水中で建て起こす建て起こし工程と、前記杭を沈設する沈設工程とを備えている。本発明の杭の施工方法で使用する杭は、中空筒体からなる杭本体と、前記杭本体の内部において当該杭本体の下端から所定の間隔をあけた位置に形成された第一浮体部と、前記杭本体の内部において前記第一浮体部の直上に形成された第二浮体部と、前記杭本体の内部において前記第二浮体部の直上に形成された第三浮体部とを備えている。前記杭本体の重量から前記第一浮体部および前記第二浮体部に作用する浮力を差し引いた重量が、前記クレーンの揚重能力以下であり、前記第一浮体部に作用する浮力および前記第三浮体部に作用する浮力を減少可能である。前記建て起こし工程では前記杭の上端側を吊り上げて当該杭を立設させるとともに前記第三浮体部の浮力を減じる作業を行い、前記沈設工程では前記第一浮体部の浮力を減じる作業を行って前記杭を沈設する。
【0009】
かかる杭の施工方法によれば、杭の施工段階に応じて、杭の浮力を調整することが可能なため、浮力を利用してクレーンへの負荷を軽減しつつ、効率的に杭を建て起こすことができる。その結果、杭の施工の手間および費用の低減化が可能となる。
【0010】
なお、横倒しした状態の前記杭を所定の位置に曳航すれば、別途杭を載せて運ぶような、台船を必要としない。また、所定の位置に移動させた後は、積み替え作業などを要しない。また、杭は、水上に浮かした状態で保管することも可能である。
(【0011】以降は省略されています)
この特許をJ-PlatPat(特許庁公式サイト)で参照する
関連特許
大成建設株式会社
風洞実験装置
11日前
大成建設株式会社
地盤計測システム
14日前
大成建設株式会社
電力供給装置及び電力供給方法
14日前
大成建設株式会社
仮設鋼床版および床版取替工法
17日前
大成建設株式会社
風力発電方法および風力発電システム
1日前
大成建設株式会社
木質構造部材の補強構造、及び木質構造部材の補強方法
16日前
大成建設株式会社
車両用ワイヤレス給電システム及び車両用ワイヤレス給電方法
1日前
JFEシビル株式会社
トンネル間地盤性状の調査方法及び装置
15日前
大成建設株式会社
音源位置決定方法、音源位置決定プログラムおよび音源位置決定装置
1日前
浙江大学
深層学習に基づく損傷判定方法
14日前
大成建設株式会社
ソイルモルタル製造システム、ソイルモルタル製造方法およびソイルモルタル打設方法
16日前
大成建設株式会社
既設トンネルの拡幅構造と既設トンネルの拡幅施工方法、及び曲線パイプルーフの設計方法
16日前
大成建設株式会社
混練材料供給装置とコンクリートプラント
22日前
大成建設株式会社
走行可能性表示システム、走行可能性表示方法、走行可能性表示制御装置、および走行可能性表示制御プログラム
15日前
大成建設株式会社
余掘り量推定装置、余掘り量推定プログラム、余掘り量推定方法、及び余掘り量推定装置において使用される学習済余掘り量推論モデル
28日前
個人
バケット
22日前
個人
建物の不同沈下の修正方法
29日前
鹿島建設株式会社
接続方法
2日前
株式会社富田製作所
継手部構造
22日前
株式会社大林組
操縦装置
25日前
株式会社郷土開発
傾斜地の切土工法
1日前
株式会社クボタ
作業機
1日前
日立建機株式会社
建設機械
15日前
日立建機株式会社
作業機械
14日前
FKS株式会社
擁壁及び擁壁の築造方法
24日前
株式会社三誠
建物の免震構造
29日前
株式会社次世代一次産業実践所
登山道の施工装置
1か月前
日本車輌製造株式会社
杭打機の制御システム
28日前
ナブテスコ株式会社
ドーザブレード駆動機構
14日前
日本車輌製造株式会社
杭打機の表示システム
17日前
日本車輌製造株式会社
建設機械の電源システム
28日前
株式会社大林組
施工支援装置及び施工支援方法
24日前
株式会社大林組
評価支援装置及び評価支援方法
23日前
株式会社大林組
施工支援装置及び施工支援方法
24日前
株式会社大林組
施工支援装置及び施工支援方法
24日前
個人
保護カバー及び保護カバーの取付方法
17日前
続きを見る
他の特許を見る