TOP
|
特許
|
意匠
|
商標
特許ウォッチ
Twitter
他の特許を見る
10個以上の画像は省略されています。
公開番号
2025165540
公報種別
公開特許公報(A)
公開日
2025-11-05
出願番号
2024069648
出願日
2024-04-23
発明の名称
木質構造部材の補強構造、及び木質構造部材の補強方法
出願人
大成建設株式会社
代理人
園田・小林弁理士法人
主分類
E04C
3/16 20060101AFI20251028BHJP(建築物)
要約
【課題】木質構造部材に貫通孔を設けるに際し、貫通孔を、容易に、かつ計画に従って正確に、補強することが可能であり、十分な耐力を発揮して割裂の発生を抑制することができる、木質構造部材の補強構造、及び木質構造部材の補強方法を提供する。
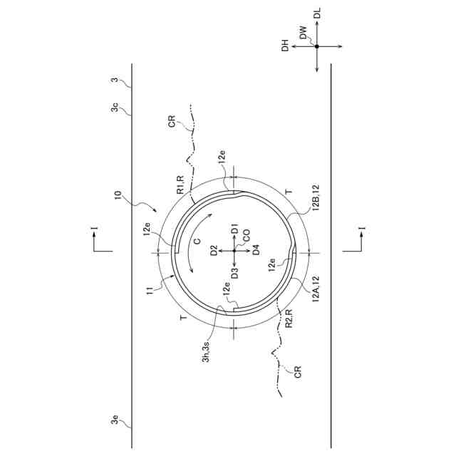
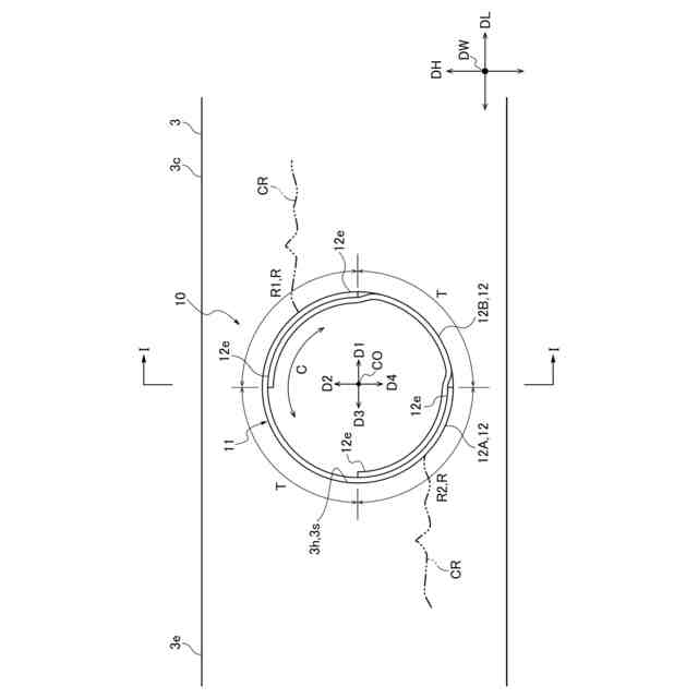
【解決手段】貫通孔3hを有する木質構造部材3の補強構造10は、繊維シート12が貫通孔3hの内壁3sに沿って設けられ、内壁3sに接着されることで形成された、補強層11を有している。
【選択図】図3
特許請求の範囲
【請求項1】
貫通孔を有する木質構造部材の補強構造であって、
繊維シートが前記貫通孔の内壁に沿って設けられ、前記内壁に接着されることで形成された、補強層を有する
ことを特徴とする木質構造部材の補強構造。
続きを表示(約 670 文字)
【請求項2】
前記繊維シートは、前記貫通孔の前記内壁を、前記貫通孔の周方向の全域にわたって覆うように設けられている
ことを特徴とする請求項1に記載の木質構造部材の補強構造。
【請求項3】
前記補強層は、前記貫通孔の前記内壁の、前記木質構造部材に応力が作用した際に割裂が生じることが想定される領域においては、当該領域とは異なる領域よりも厚くなるように、形成されている
ことを特徴とする請求項1または2に記載の木質構造部材の補強構造。
【請求項4】
複数の前記繊維シートを備え、
複数の前記繊維シートの各々は、前記貫通孔の周方向における端部が、他の前記繊維シートと重なるように設けられている
ことを特徴とする請求項1に記載の木質構造部材の補強構造。
【請求項5】
前記繊維シートは、繊維が延在する方向が、前記貫通孔の周方向に一致するように設けられている
ことを特徴とする請求項1に記載の木質構造部材の補強構造。
【請求項6】
前記木質構造部材は梁であり、
前記貫通孔は、前記梁の幅方向で、前記梁を貫通するように設けられている
ことを特徴とする請求項1に記載の木質構造部材の補強構造。
【請求項7】
貫通孔を有する木質構造部材の補強方法であって、
繊維シートを、前記貫通孔の内壁に沿って設け、前記内壁に接着することで、補強層を形成する
ことを含むことを特徴とする木質構造部材の補強方法。
発明の詳細な説明
【技術分野】
【0001】
本発明は、木質構造部材の補強構造、及び木質構造部材の補強方法に関する。
続きを表示(約 3,200 文字)
【背景技術】
【0002】
複数の階層を有する建物を、木造で、建築することがある。このような木造建物において、建物の限られた高さ制限のなかで、できるだけ各階の天井高さを高くしようとする場合に、上階に設けられたトイレや浴室、キッチン等の水回りの施設に関する配管や、電気設備等に関する配線を通すために、例えば梁等の木質構造部材に貫通孔を開設することがある。
ここで、上記のように木質構造部材に貫通孔を設けた場合においては、木質構造部材に作用する荷重に起因して、貫通孔の内壁に、割裂が生じることがある。木質構造部材が例えば梁であり、貫通孔が梁の幅方向に、梁を貫通して設けられた場合においては、割裂は、貫通孔の内壁から、梁の長さ方向に沿って木質構造部材の内部へと進行するように、発生し得る。したがって、このような割裂の発生を抑制するために、木質構造部材の貫通孔の周辺を補強することがある。
【0003】
これに関し、特許文献1には、水平方向に開口が形成された木材梁の、開口の周囲を補強する、木質構造材補強構造が開示されている。この木質構造材補強構造においては、先行穴無しで装着できる長ビスが、開口が形成されていない木材梁の長辺をなす面(上下面)からねじ込まれ、木材梁内で、当該木材梁の長辺方向に生じると想定される割裂想定域を越えて入り込んでいる。
特許文献1の構成においては、上記のように、長ビスを木質構造材にねじ込むことで、開口の周囲が補強される。ここで、開口の周囲に、例えば木の節がある場合においては、節は周囲に比べて固いため、長ビスをねじ込むに際して長ビスが節に当たり、長ビスが節によって遮られたり、長ビスをねじ込む軌道がずれたりすることがある。このように、特許文献1においては、長ビスを、計画したとおりに正確に、ねじ込むことが難しい場合がある。長ビスが計画した位置に設けられないと、長ビスによる補強効果が十分に発揮されず、結果として、長ビスを設けたにもかかわらず、開口に割裂が生じる可能性がある。
木質構造部材に貫通孔を設けるに際し、貫通孔を、容易に、かつ計画に従って正確に、補強することが可能であり、十分な耐力を発揮して割裂の発生を抑制することができる、木質構造部材の補強構造、及び木質構造部材の補強方法が望まれている。
【先行技術文献】
【特許文献】
【0004】
特開2017-160737号公報
【発明の概要】
【発明が解決しようとする課題】
【0005】
本発明が解決しようとする課題は、木質構造部材に貫通孔を設けるに際し、貫通孔を、容易に、かつ計画に従って正確に、補強することが可能であり、十分な耐力を発揮して割裂の発生を抑制することができる、木質構造部材の補強構造、及び木質構造部材の補強方法を提供することである。
【課題を解決するための手段】
【0006】
本発明は、上記課題を解決するため、以下の手段を採用する。すなわち、本発明は、貫通孔を有する木質構造部材の補強構造であって、繊維シートが前記貫通孔の内壁に沿って設けられ、前記内壁に接着されることで形成された、補強層を有することを特徴とする木質構造部材の補強構造を提供する。
木質構造部材に貫通孔が設けられた場合、木質構造部材に作用する荷重に起因して、貫通孔の内壁から木質構造部材の内部へと進行するように、割裂が発生する可能性がある。このような場合において、割裂は、貫通孔の内壁に、貫通孔の縁の接線方向への引張力が作用することで、生じ得る。
ここで、上記のような構成においては、木質構造部材の補強構造は、繊維シートが貫通孔の内壁に沿って設けられ、貫通孔の内壁に接着されることで形成された、補強層を有している。このため、貫通孔の内壁に引張力が作用して割裂が生じようとしても、このような引張力に対して、貫通孔の内壁に沿って、内壁に接着されて形成された補強層が抵抗することによって、抑制される。
上記のような補強層は、貫通孔の内壁に沿って繊維シートを接着することのみによって、形成することができる。したがって、容易に補強を行うことができる。特に、補強層は、貫通孔の内壁に、すなわち木質構造部材の表面に対して形成される。このため、木質構造部材の内部に節等が存在したとしても、その影響によって、計画通りに補強がなされない、という事態が抑制され、これにより、補強を、計画に正確に従って行うことができる。したがって、このようにして補強された木質構造部材においては、補強計画において想定されただけの、十分な耐力を有する状態となる。
このようにして、木質構造部材に貫通孔を設けるに際し、貫通孔を、容易に、かつ計画に従って正確に、補強することが可能であり、十分な耐力を発揮して割裂の発生を抑制することができる、木質構造部材の補強構造を提供することができる。
【0007】
本発明の一態様においては、前記繊維シートは、前記貫通孔の前記内壁を、前記貫通孔の周方向の全域にわたって覆うように設けられている。
上記のような構成によれば、繊維シートは、貫通孔の内壁を、貫通孔の周方向の全域にわたって覆うように設けられているため、貫通孔の内壁のどの部分に割裂が発生しようとしたとしても、これを抑制することが可能となる。
【0008】
本発明の別の態様においては、前記補強層は、前記貫通孔の前記内壁の、前記木質構造部材に応力が作用した際に割裂が生じることが想定される領域においては、当該領域とは異なる領域よりも厚くなるように、形成されている。
上記のような構成によれば、補強層は、貫通孔の内壁の、木質構造部材に応力が作用した際に割裂が生じることが想定される領域においては、当該領域とは異なる領域よりも厚くなるように、形成されているため、貫通孔の内壁の割裂の発生を、より効率的に、抑制することができる。
【0009】
本発明の別の態様においては、木質構造部材の補強構造は、複数の前記繊維シートを備え、複数の前記繊維シートの各々は、前記貫通孔の周方向における端部が、他の前記繊維シートと重なるように設けられている。
1枚の繊維シートを貫通孔の内壁に接着して補強層を形成しようとすると、一度に接着する繊維シートの長さが長くなるため、作業性が低減する可能性がある。
これに対し、上記のような構成においては、補強層は複数の繊維シートを備えているため、一度に接着する繊維シートの長さを短くすることができる。これにより、繊維シートの取り回しが容易になり、作業性が向上する。
また、複数の繊維シートの各々は、貫通孔の周方向における端部が、他の繊維シートと重なるように設けられているため、この繊維シートが重ねられた部分においては、他の部分よりも、補強層を厚くすることができる。したがって、貫通孔の内壁の、特にこの補強層が厚くなるように形成された部分における割裂の発生を、より効率的に、抑制することができる。
【0010】
本発明の別の態様においては、前記繊維シートは、繊維が延在する方向が、前記貫通孔の周方向に一致するように設けられている。
上記のような構成によれば、繊維シートは、繊維が延在する方向が、貫通孔の周方向に一致するように設けられている。このため、貫通孔の内壁に引張力が作用しても、このような引張力に対して、貫通孔の周方向に一致するように延在して設けられた繊維が抵抗することによって、抑制される。
したがって、貫通孔を、効率的に、補強することができる。
(【0011】以降は省略されています)
この特許をJ-PlatPat(特許庁公式サイト)で参照する
関連特許
大成建設株式会社
送電装置
今日
大成建設株式会社
推定方法
1か月前
大成建設株式会社
防振床構造
今日
大成建設株式会社
風洞実験装置
18日前
大成建設株式会社
ペレット製造装置
1か月前
大成建設株式会社
地盤計測システム
21日前
大成建設株式会社
気体貯蔵放出材料
今日
大成建設株式会社
既存建物の解体方法
1か月前
大成建設株式会社
床版接合部の設計方法
2か月前
大成建設株式会社
杭の施工方法および杭
2か月前
大成建設株式会社
木材性状推定システム
1か月前
大成建設株式会社
炭酸カルシウムの製造装置
今日
大成建設株式会社
木材縦弾性係数推定システム
1か月前
大成建設株式会社
足場装置および足場構築方法
1か月前
大成建設株式会社
仮設鋼床版および床版取替工法
24日前
大成建設株式会社
土壌改良剤、及び土壌改良方法
1か月前
大成建設株式会社
電力供給装置及び電力供給方法
21日前
大成建設株式会社
免震基礎構造およびその構築方法
1か月前
大成建設株式会社
中和処理システムと中和処理方法
今日
大成建設株式会社
地下水排水構造と地下水排水方法
1か月前
大成建設株式会社
建物の健全性モニタリングシステム
1日前
大成建設株式会社
異種コンクリートの切替り特定方法
1か月前
大成建設株式会社
単杭の極限先端支持力度の評価方法
1か月前
大成建設株式会社
風力発電方法および風力発電システム
8日前
大成建設株式会社
凍結地盤の掘削土の排土装置と排土方法
1か月前
大成建設株式会社
既設トンネルの坑口補強構造と坑口補強方法
1か月前
大成建設株式会社
内空変位計測システム及び内空変位計測方法
1か月前
大成建設株式会社
消音設計支援システム、防振設計支援システム
1か月前
大成建設株式会社
既設トンネルと分岐トンネルの接合構造と接合方法
1か月前
大成建設株式会社
上下の既設トンネルを繋ぐ接合トンネルとその施工方法
1か月前
大成建設株式会社
上面増厚床版の非破壊評価方法及び非破壊評価システム
1か月前
大成建設株式会社
木質構造部材の補強構造、及び木質構造部材の補強方法
23日前
大成建設株式会社
制振建物
今日
大成建設株式会社
杭基礎構造
今日
大成建設株式会社
作業環境監視システム及び作業環境監視システムの監視方法
1か月前
大成建設株式会社
インバート変位計測システムおよびインバート変位計測方法
1か月前
続きを見る
他の特許を見る