TOP
|
特許
|
意匠
|
商標
特許ウォッチ
Twitter
他の特許を見る
公開番号
2025177945
公報種別
公開特許公報(A)
公開日
2025-12-05
出願番号
2024085118
出願日
2024-05-24
発明の名称
車両下部構造
出願人
トヨタ自動車株式会社
代理人
弁理士法人太陽国際特許事務所
主分類
B62D
25/20 20060101AFI20251128BHJP(鉄道以外の路面車両)
要約
【課題】バッテリを大型化した場合であっても側面衝突時の耐衝突性能を維持できる車両下部構造を得る。
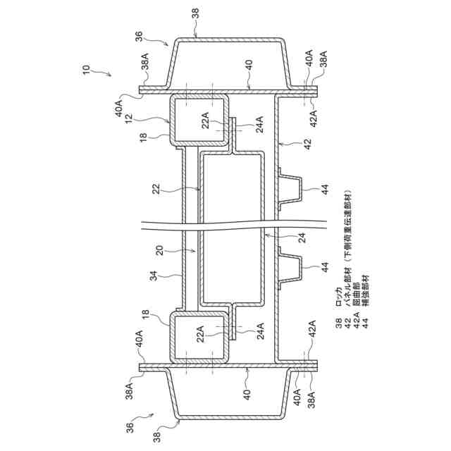
【解決手段】車両下部構造は、バッテリの車両幅方向外側に配置され車両前後方向に延在するロッカ36と、バッテリの車両上方側に配置されてロッカ36を車両幅方向に繋ぐクロスメンバ34と、バッテリの車両下方側に配置されて車両幅方向に延在する下側荷重伝達部材42と、を有し、下側荷重伝達部材42の車両幅方向両端部には、ロッカ38に沿って車両上下方向に屈曲した屈曲部42Aが形成されており、屈曲部42Aとロッカ38とが重ね合わされた状態で締結部材62によって車両幅方向に締結されている。
【選択図】図3
特許請求の範囲
【請求項1】
バッテリの車両幅方向外側に配置され車両前後方向に延在するロッカと、
前記バッテリの車両上方側に配置されて前記ロッカを車両幅方向に繋ぐクロスメンバと、
前記バッテリの車両下方側に配置されて車両幅方向に延在する下側荷重伝達部材と、
を有し、
前記下側荷重伝達部材の車両幅方向両端部には、前記ロッカに沿って車両上下方向に屈曲した屈曲部が形成されており、
前記屈曲部と前記ロッカとが重ね合わされた状態で締結部材によって車両幅方向に締結されている、
車両下部構造。
続きを表示(約 370 文字)
【請求項2】
前記屈曲部は、前記ロッカに沿って車両下方側へ屈曲している、請求項1に記載の車両下部構造。
【請求項3】
前記下側荷重伝達部材は、車両幅方向及び車両前後方向に延在して前記バッテリを下方から覆うパネル部材を含んで構成されている、請求項1に記載の車両下部構造。
【請求項4】
前記パネル部材の下面に、車両前後方向に延在して前記パネル部材との間で閉断面を構成する補強部材が設けられている、請求項3に記載の車両下部構造。
【請求項5】
前記クロスメンバと前記ロッカとの間にはバッテリフレームが配置されており、
前記バッテリは、前記バッテリフレームに締結されており、
前記バッテリフレームは、前記ロッカに締結されている、請求項1~4の何れか1項に記載の車両下部構造。
発明の詳細な説明
【技術分野】
【0001】
本発明は、車両下部構造に関する。
続きを表示(約 1,400 文字)
【背景技術】
【0002】
特許文献1には、ロッカとバッテリケースとの間にアンダリインフォースメントを配置し、クロスメンバによってロッカとアンダリインフォースメントとを連結した車両側部構造が開示されている。また、特許文献1に記載の車両側部構造では、ロッカからバッテリフレームへ向けてクラッシュボックスを延出させたことで、衝突エネルギーを吸収する構造となっている。
【先行技術文献】
【特許文献】
【0003】
特開2020-104602号公報
【発明の概要】
【発明が解決しようとする課題】
【0004】
ところで、車両の航続距離を増やすためにバッテリを大型化する傾向にあり、ロッカの近傍までバッテリを拡大した構造が知られている。このような構造では、クラッシュボックスを配置できず、側面衝突時における耐衝突性能を維持するには改善の余地がある。
【0005】
本発明は、バッテリを大型化した場合であっても側面衝突時の耐衝突性能を維持できる車両下部構造を得ることを目的とする。
【課題を解決するための手段】
【0006】
請求項1に係る車両下部構造は、バッテリの車両幅方向外側に配置され車両前後方向に延在するロッカと、前記バッテリの車両上方側に配置されて前記ロッカを車両幅方向に繋ぐクロスメンバと、前記バッテリの車両下方側に配置されて車両幅方向に延在する下側荷重伝達部材と、を有し、前記下側荷重伝達部材の車両幅方向両端部には、前記ロッカに沿って車両上下方向に屈曲した屈曲部が形成されており、前記屈曲部と前記ロッカとが重ね合わされた状態で締結部材によって車両幅方向に締結されている。
【0007】
請求項1に係る車両下部構造では、バッテリの車両幅方向外側にロッカが配置されており、ロッカは車両前後方向に延在している。また、バッテリの車両上方側にクロスメンバが配置されており、クロスメンバがロッカを車両幅方向に繋いでいる。さらに、バッテリの車両下方側には下側荷重伝達部材が配置されており、この下側荷重伝達部材は、車両幅方向に延在している。そして、下側荷重伝達部材の車両幅方向両端部には、ロッカに沿って車両上下方向に屈曲した屈曲部が形成されており、屈曲部とロッカとが重ね合わされた状態で締結部材によって車両幅方向に締結されている。これにより、車両の側面衝突時(側突時)にロッカからクロスメンバ及び下側荷重伝達部材を介して衝突荷重を反衝突側へ伝達できる。
【0008】
特に、クロスメンバと下側荷重伝達部材に衝突荷重を分散できるため、バッテリの上方及び下方の一方のみで衝突荷重を伝達する構成と比較して、より効果的に衝突荷重を伝達できる。また、締結部材によって屈曲部とロッカとが車両幅方向に締結されているため、衝突荷重が締結部材の軸方向に伝達されることとなり、衝突荷重が締結部材のせん断方向に伝達される構成と比較して、締結状態を良好に維持できる。
【0009】
請求項2に係る車両下部構造は、請求項1において、屈曲部は、前記ロッカに沿って車両下方側へ屈曲している。
【0010】
請求項2に係る車両下部構造では、屈曲部が車両下方側へ屈曲しているため、屈曲部が車両上方側へ屈曲させた構成と比較して、下側荷重伝達部材の一般部を上方に配置することができ、路面との干渉を抑制できる。
(【0011】以降は省略されています)
この特許をJ-PlatPat(特許庁公式サイト)で参照する
関連特許
トヨタ自動車株式会社
車両
1か月前
トヨタ自動車株式会社
車両
1か月前
トヨタ自動車株式会社
電池
8日前
トヨタ自動車株式会社
方法
1か月前
トヨタ自動車株式会社
電池
8日前
トヨタ自動車株式会社
電池
22日前
トヨタ自動車株式会社
電池
16日前
トヨタ自動車株式会社
方法
1日前
トヨタ自動車株式会社
車両
17日前
トヨタ自動車株式会社
車両
16日前
トヨタ自動車株式会社
配管
17日前
トヨタ自動車株式会社
車両
1か月前
トヨタ自動車株式会社
電池
1か月前
トヨタ自動車株式会社
車体
1か月前
トヨタ自動車株式会社
車両
2日前
トヨタ自動車株式会社
タンク
1日前
トヨタ自動車株式会社
電動車
16日前
トヨタ自動車株式会社
モータ
29日前
トヨタ自動車株式会社
ロータ
17日前
トヨタ自動車株式会社
蓄電池
1か月前
トヨタ自動車株式会社
電動車
17日前
トヨタ自動車株式会社
蓄電装置
8日前
トヨタ自動車株式会社
制御装置
16日前
トヨタ自動車株式会社
蓄電装置
8日前
トヨタ自動車株式会社
蓄電装置
8日前
トヨタ自動車株式会社
蓄電装置
8日前
トヨタ自動車株式会社
蓄電装置
8日前
トヨタ自動車株式会社
蓄電セル
24日前
トヨタ自動車株式会社
制御装置
17日前
トヨタ自動車株式会社
コネクタ
16日前
トヨタ自動車株式会社
学習装置
16日前
トヨタ自動車株式会社
電動車両
1か月前
トヨタ自動車株式会社
蓄電装置
8日前
トヨタ自動車株式会社
監視装置
22日前
トヨタ自動車株式会社
製造設備
22日前
トヨタ自動車株式会社
制御装置
17日前
続きを見る
他の特許を見る