TOP
|
特許
|
意匠
|
商標
特許ウォッチ
Twitter
他の特許を見る
10個以上の画像は省略されています。
公開番号
2025177750
公報種別
公開特許公報(A)
公開日
2025-12-05
出願番号
2024084824
出願日
2024-05-24
発明の名称
接合構造および接合方法
出願人
清水建設株式会社
代理人
弁理士法人酒井国際特許事務所
主分類
E04B
1/58 20060101AFI20251128BHJP(建築物)
要約
【課題】洋上風力におけるモノパイルとトランジションピースなどの接合作業に好適な接合構造および接合方法を提供する。
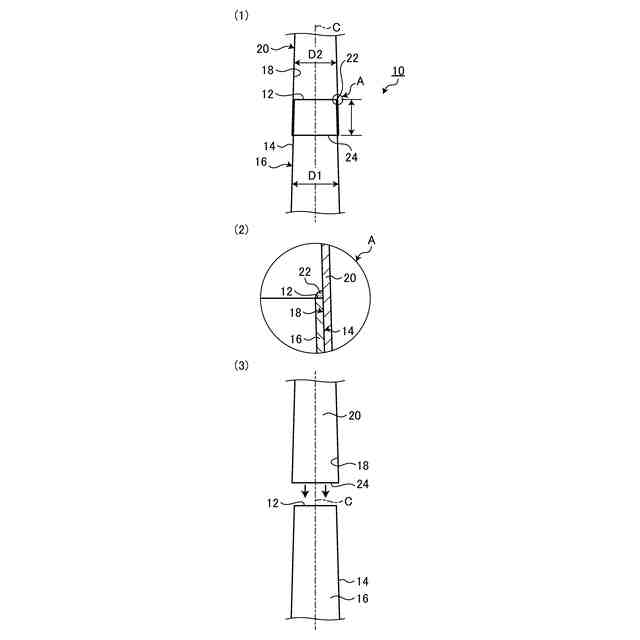
【解決手段】筒先12に向かってテーパー状に縮径した外周面14を有する第一筒状体16の前記外周面14に、テーパー状に縮径した内周面18を有する第二筒状体20を外嵌めして形成されるスリップジョイントからなる接合構造10であって、前記第一筒状体16の筒先12は、前記第二筒状体20を裏当て金として前記内周面18に溶接されているようにする。
【選択図】図1
特許請求の範囲
【請求項1】
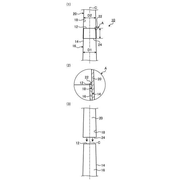
筒先に向かってテーパー状に縮径した外周面を有する第一筒状体の前記外周面に、テーパー状に縮径した内周面を有する第二筒状体を外嵌めして形成されるスリップジョイントからなる接合構造であって、
前記第一筒状体の筒先は、前記第二筒状体を裏当て金として前記内周面に溶接されていることを特徴とする接合構造。
続きを表示(約 480 文字)
【請求項2】
前記内周面に、隅肉溶接または溶け込み溶接により溶接されていることを特徴とする請求項1に記載の接合構造。
【請求項3】
前記第一筒状体は、洋上風力発電施設の基礎であり、前記第二筒状体は、前記基礎の上に設置される風車タワーの基礎部材であることを特徴とする請求項1または2に記載の接合構造。
【請求項4】
筒先に向かってテーパー状に縮径した外周面を有する第一筒状体の前記外周面に、テーパー状に縮径した内周面を有する第二筒状体を外嵌めしてスリップジョイントを形成する接合方法であって、
前記第二筒状体を裏当て金として、前記第一筒状体の筒先を前記内周面に溶接することを特徴とする接合方法。
【請求項5】
前記内周面に、隅肉溶接または溶け込み溶接により溶接することを特徴とする請求項4に記載の接合方法。
【請求項6】
前記第一筒状体は、洋上風力発電施設の基礎であり、前記第二筒状体は、前記基礎の上に設置される風車タワーの基礎部材であることを特徴とする請求項4または5に記載の接合方法。
発明の詳細な説明
【技術分野】
【0001】
本発明は、例えば、洋上発電風車の杭基礎(モノパイル)と風車タワーなどの柱状部材どうしを接合するのに好適な接合構造および接合方法に関するものである。
続きを表示(約 1,700 文字)
【背景技術】
【0002】
従来、洋上発電風車の杭基礎(モノパイル)と風車タワーの接合には、図5(1)に示すように、接合用鋼管のトランジションピースTPを介してモノパイルMPに接合する方式が用いられている(例えば、特許文献1を参照)。モノパイルMPとトランジションピースTP間の接合方法には、大別して、図5(2)に示されるグラウト接合、ボルト接合、スリップジョイントの3種がある。
【0003】
グラウト接合は、二重鋼管で形成した間隙部にグラウトを充填することで接合する方法である。ボルト接合は、鋼管から突出させたフランジどうしを高力ボルトで引張接合する方法である。スリップジョイントは、鋼管どうしを嵌め合わせて摩擦接合する方法である。グラウト接合とボルト接合は、欧州で採用例が数多くある。スリップジョイントは、欧州では採用例が少ないが、日本国内では精力的に研究されている。
【先行技術文献】
【特許文献】
【0004】
特開2023-56370号公報
【発明の概要】
【発明が解決しようとする課題】
【0005】
しかし、上記の従来のグラウト接合とボルト接合では、使用材料数量の増加が避けられないという問題がある。グラウト接合では、設計審査上、グラウトに有害なひび割れが生じることが許容されないという背景もあり、グラウト厚さとグラウト接合部長さが大きく設計される。必然的に、充填するグラウトの数量も増加し、コストが高くなる。ボルト接合も弾性設計される接合方式であるが、M64~72という大口径のボルトを洋上で締める必要があり、施工工数が増加する。また、ボルトの数量分だけ使用鋼材量が増加しコストが積み重なることとなる。
【0006】
また、スリップジョイントの使用材料数量は、グラウト接合とボルト接合より少ないが、鋼管を嵌め合わせて摩擦接合するため高い製作精度が求められる。欧州での採用例が少ないという点を加味すると、高い製作精度が要求されることに付随した高コスト化の他にも、打設方式等に問題点があるものと推測される。
【0007】
一方、杭基礎と風車タワーの接合において、溶接による接合方式は、まだ実用化されていない。これは、建築分野における柱継手部のように、仮止め用のエレクションピースや裏当て金を設置することが洋上風車のような大口径の鋼管では難しいという問題、また、外側からの溶接作業をするためには危険、過酷な環境である洋上に足場を設ける必要があるという問題が実用化を阻害しているからである。仮に、溶接による接合方式を実用化できれば、使用材料数量の低減によるコストダウン効果と、溶接の既往の知見を用いることによる設計の合理化や認証の取得を図れる可能性がある。施工には溶接ロボットを用いることで省力化と工期の短縮が図れる。特に洋上風車では、早期に運転開始できるかどうかは入札時にも大きな条件であるため、工期短縮が図れることは大きなメリットである。
【0008】
本発明は、上記に鑑みてなされたものであって、洋上風力におけるモノパイルとトランジションピースなどの接合作業に好適な接合構造および接合方法を提供することを目的とする。
【課題を解決するための手段】
【0009】
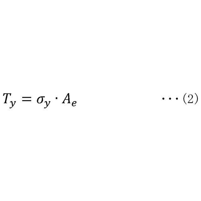
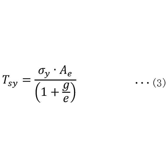
上記した課題を解決し、目的を達成するために、本発明に係る接合構造は、筒先に向かってテーパー状に縮径した外周面を有する第一筒状体の前記外周面に、テーパー状に縮径した内周面を有する第二筒状体を外嵌めして形成されるスリップジョイントからなる接合構造であって、前記第一筒状体の筒先は、前記第二筒状体を裏当て金として前記内周面に溶接されていることを特徴とする。
【0010】
また、本発明に係る他の接合構造は、上述した発明において、前記内周面に、隅肉溶接または溶け込み溶接により溶接されていることを特徴とする。
(【0011】以降は省略されています)
この特許をJ-PlatPat(特許庁公式サイト)で参照する
関連特許
清水建設株式会社
防振構造
2日前
清水建設株式会社
建築構造
1か月前
清水建設株式会社
パネル枠
15日前
清水建設株式会社
仮設トイレ
15日前
清水建設株式会社
免震構造物
15日前
清水建設株式会社
枠体および壁体
1か月前
清水建設株式会社
水制御システム
1か月前
清水建設株式会社
遮水層の構築方法
1か月前
清水建設株式会社
防災支援システム
1日前
清水建設株式会社
走行体の支持構造
15日前
清水建設株式会社
ガラスパネル構造
2日前
清水建設株式会社
積層造形システム
9日前
清水建設株式会社
構造物の施工方法
9日前
清水建設株式会社
床吹き出し空調装置
1か月前
清水建設株式会社
免震装置の基礎構造
1か月前
清水建設株式会社
二酸化炭素固定化方法
8日前
清水建設株式会社
ボルトによる接合構造
2か月前
清水建設株式会社
接合構造および接合方法
今日
清水建設株式会社
遮水層構築の降雨対策方法
1か月前
清水建設株式会社
防火積層体及びその製造方法
1か月前
清水建設株式会社
床版架設装置および床版架設方法
15日前
清水建設株式会社
情報処理装置および情報処理方法
1日前
清水建設株式会社
制振装置およびこれを備えた建物
1か月前
清水建設株式会社
接合構造及び接合構造の改修方法
1か月前
清水建設株式会社
変位計測装置および変位計測方法
1か月前
清水建設株式会社
免震構造および免震構造の施工方法
7日前
清水建設株式会社
中間階免震建物の免震層の構築方法
1か月前
清水建設株式会社
地中連続壁の終局せん断耐力算定方法
28日前
清水建設株式会社
ケーソンの施工方法および施工補助装置
2か月前
清水建設株式会社
施工方法および二酸化炭素排出量の削減方法
今日
清水建設株式会社
鉄筋の放射線漏洩線量減少率評価方法及び解析装置
2か月前
清水建設株式会社
施工時CO2排出量の推定方法および推定システム
2か月前
清水建設株式会社
金属造形物の造形装置および金属造形物の造形方法
1か月前
清水建設株式会社
桁と床版との接合構造、及び桁と床版との接合方法
1か月前
清水建設株式会社
自律移動体制御システムおよび自律移動体制御方法
15日前
清水建設株式会社
自律移動体制御システムおよび自律移動体制御方法
29日前
続きを見る
他の特許を見る