TOP
|
特許
|
意匠
|
商標
特許ウォッチ
Twitter
他の特許を見る
10個以上の画像は省略されています。
公開番号
2025174862
公報種別
公開特許公報(A)
公開日
2025-11-28
出願番号
2025045418
出願日
2025-03-19
発明の名称
周囲の媒体の露点温度を測定し出力するための測定装置及び方法
出願人
エー・ウント・エー・エレクトロニック・ゲゼルシヤフト・ミト・ベシユレンクテル・ハフツング
代理人
個人
,
個人
,
個人
,
個人
主分類
G01N
27/12 20060101AFI20251120BHJP(測定;試験)
要約
【課題】本発明は、露点温度を測定し出力するための測定装置及び方法に関する。
【解決手段】第1湿度センサ装置が、少なくとも1つの露点補正パラメータを決定するように構成されていて、第1湿度センサ、第1温度センサ及び温度変化要素を含む。第2湿度センサ装置は、露点温度を連続して測定するように構成されていて、第2湿度センサ及び第2温度センサを含む。制御装置を使用することで、第1湿度センサ装置の温度が、温度変化要素によって変更され、露点補正パラメータが決定される。さらに、当該第1湿度センサ装置からの露点補正パラメータは、第2湿度センサ装置の測定値を補正し、当該補正された測定値に基づいて、補正された露点温度を連続して出力するために使用される
【選択図】図5
特許請求の範囲
【請求項1】
-少なくとも1つの露点補正パラメータ(Td
absolut
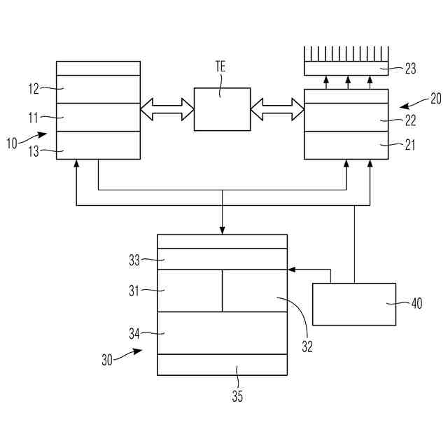
)を決定するように構成されていて、第1湿度センサ(11)、第1温度センサ(12)及び温度変化要素(13)を含む第1湿度センサ装置(10;110;210)と、
-露点温度を連続して測定するように構成されていて、第2湿度センサ(21)及び第2温度センサ(2)を含む第2湿度センサ装置(20;120;220)と、
-温度変化要素(13)によって第1湿度センサ装置(10;110;210)の温度を変更し、露点補正パラメータ(Td
absolut
)を決定するように、
-第1湿度センサ装置(10;110;210)からの露点補正パラメータ(Td
absolut
)を使用し、第2湿度センサ装置(20;120;220)の測定値(rH2)を補正し、当該補正された測定値(rH2
korr
)に基づいて補正された露点温度(Td2
korr
)を連続して出力するように構成され適合されている制御装置(30)と、
を有する周囲の媒体の露点温度(Td)を測定し出力するための測定装置。
続きを表示(約 1,500 文字)
【請求項2】
第2湿度センサ装置(20;120;220)は、熱を第2湿度センサ装置(20;120;220)から周囲に放出する冷却要素(23;123;223)に熱的に結合されている請求項1に記載の測定装置。
【請求項3】
第2湿度センサ装置(20;120;220)は、第1湿度センサ装置(10;110;210)から熱的に分離されて配置されている請求項1又は2に記載の測定装置。
【請求項4】
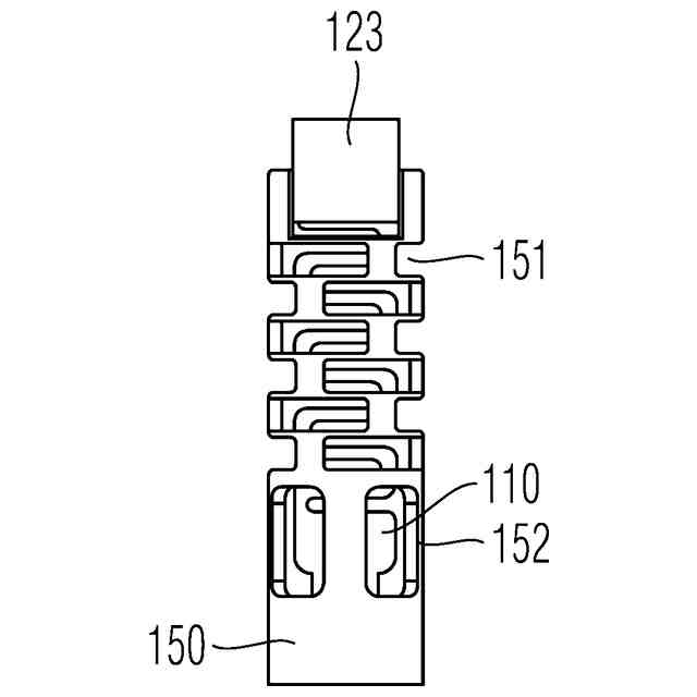
-両湿度センサ装置(110,120)は、両湿度センサ装置(110,120)同士間の熱的に分離するための領域内に減少された材料で形成されている支持要素(115)の反対側の端部に配置されていて、
-支持要素(115)は、複数の開口窓(151,152)を有するハウジング(150)によって包囲されている請求項3に記載の測定装置。
【請求項5】
両湿度センサ装置(210,220)は、個別の支持要素(215.1,215.2)上に配置されていて、熱放射によってヒートシンク(223)に伝達された熱をこのヒートシンク(223)に接続されているヒートシンク(223)の方向に放出するこの熱シールド(240)が、これらの支持要素(215.1,215.2)間に配置されている請求項3に記載の測定装置。
【請求項6】
第2湿度センサ装置(120)に隣接して、良好に熱を伝導する材料から成るヒートシンクが、冷却要素(123)として支持要素(115)上に配置されている請求項2及び4に記載の測定装置。
【請求項7】
データ及び制御信号を湿度センサ装置(10,20;110,120;210,220)と制御装置(30)との間で伝達するため、少なくとも1つの支持要素(115;215.1,215.2)は、制御装置(30)に接続するための電気端子を有する請求項4又は5に記載の測定装置。
【請求項8】
両湿度センサ装置(10,20;110,120;210,220)は、集積モジュールとして構成されている請求項1~7のいずれか1項に記載の測定装置。
【請求項9】
第1湿度センサ装置(10;110;210)と第2湿度センサ装置(20;120;220)とによって周囲の媒体の露点温度を測定し出力するための方法であって、
-少なくとも1つの露点補正パラメータ(Td
absolut
)が、温度(T1(t1),T1(t2))と相対湿度(rH1(t1),rH1(t2))とに関する第1湿度センサ装置(10;110;210)の測定値から決定され、
-露点温度が、温度(T2)と相対湿度(rH2)とに関する第2湿度センサ装置(20;120;220)の測定値から連続して測定され出力され、
-第1湿度センサ装置(10;110;210)の温度が変更され、露点補正パラメータ(Td
absolut
)がその都度決定され、
-第2湿度センサ装置(20;120;220)の測定値(rH2)を補正し、当該補正された測定値(rH2
korr
)に基づいて、補正された露点温度(Td2
korr
)を連続して出力するように、露点補正パラメータ(Td
absolut
)は使用される当該方法。
【請求項10】
温度の変更及び少なくとも1つの露点補正パラメータ(Td
absolut
)の決定は、周期的に実行される請求項9に記載の方法。
(【請求項11】以降は省略されています)
発明の詳細な説明
【技術分野】
【0001】
本発明は、周囲の媒体の露点温度を測定し出力するための、特に低い露点温度を正確に測定するための測定装置及び方法に関する。
続きを表示(約 2,200 文字)
【背景技術】
【0002】
気体の露点の測定は、プロセス技術及び気象学において重要な測定課題である。露点又は露点温度は、どの気体温度以下で気体中に含まれる水分が凝結するかを示すか又は、水面の上方の気体が水蒸気で完全に飽和する気体温度を示す。場合によっては、0℃未満の露点温度が、霜点温度とも呼ばれる。霜点温度は、氷面の上方の気体が水蒸気で完全に飽和する温度を示す。これに対して、露点は、水面の上方の気体が完全に飽和する温度を示す。以下では、0℃未満の露点温度も、露点温度と記載する。
【0003】
凝結が、例えば圧縮空気装置で発生すると、当該装置の損傷及び最終製品の品質低下が引き起こされる。建築技術では、例えば空調天井、配管又は配電盤での凝結の発生の危険性を損傷する前に適切に検出するため、露点温度を測定するための測定装置(露点計及び露点監視装置)が使用される。この場合、露点温度の測定は、通常は直接に実行されるのではなくて、温度及び相対湿度を測定し、当該変数を適切に計算することによって実行される。
【0004】
容量性湿度センサが、相対湿度を測定するために使用される場合、当該湿度センサを周期的に加熱することが、多くの点で有益であり得る。このことは、例えば、80%rHを超えて持続する高い湿度値の場合に必要である。何故なら、容量性湿度センサは、いわゆる高湿度ドリフトを呈するからである。すなわち、高い相対湿度値の場合、湿度センサは、より長い時間にわたって非常に高い湿度値を示し、したがって非常に高い露点温度が得られる。低い露点温度の場合には、相対湿度に関する非常に小さい測定値が検出されなければならない。この場合、高い精度が、湿度測定に要求される。容量性湿度センサを使用する場合、一般に、適切なポリマーの静電容量の変化が、相対湿度に対する測定変数として利用される。当該使用されるポリマーを測定中に常に所定の校正状態に置くためには、測定装置を周期的に、例えば10分ごとに加熱することが一般的である。
【0005】
さらに、湿度センサが、化学的に侵襲的な環境において、水分子の代わりに湿潤ポリマー中に取り込まれ得る混合ガスと一緒に使用される場合、湿度センサを周期的に加熱することが必要になり得る。これは、湿度に起因する容量変化と区別することができない容量変化を引き起こす。この場合、湿度センサは、周期的な加熱によって頻繁に所定の校正状態に戻され得る。これは、容量性の検出原理に基づかない湿度センサでも有利となり得る。
【0006】
しかしながら、このような周期的な加熱は、露点測定に対して所定の影響を及ぼす。すなわち、加熱フェーズ及び冷却フェーズの期間中は、露点温度を測定するための測定値が提供されない。当該対応する期間は、場合によっては数分に及ぶこともあり得る。さらに、冷却後も、実際の露点温度が正確に検出され得るまでに、所定の時間がかかる。そして、露点温度は、同様に限られた期間だけにわたって正確に測定され、その後に、当該露点温度は、高い値に向かってドリフトする。これに関連して、当該露点測定の時間推移は、「のこぎり歯効果」とも呼ばれる。
【0007】
上記の方法は、図1のグラフに示されている。この図は、より長い期間にわたって測定された露点温度の推移を示す。この図では、静電容量型湿度センサが、30分ごとに加熱又は冷却される。さらに、この図では、正確な露点温度又は露点温度の目標値が、連続する水平線として示されている。加熱工程後に、図から分かるように、それぞれ1つの冷却フェーズが発生する。この冷却フェーズでは、当該湿度センサは、再び周囲温度に戻り、この冷却フェーズでも、正確な露点温度が測定不可能である。次いで、この冷却フェーズ後に、正確な露点温度が再び測定され得るまで、一定の時間が持続する。その後に、再び加熱されるまで、湿度を感知するポリマーの変化に起因して、露点温度が高い値に向かって移動し、新たな冷却フェーズ後に、正確な露点温度が、所定の測定期間に再び測定可能である。これが、繰り返される。
【0008】
複数の静電容量型センサ装置を有するセンサ設備の場合にこれらのセンサ装置の周期的な加熱によって発生する誤差を最小にするための可能な方法が、特開2012-154632から公知である。この場合、2つのセンサ装置を交互に加熱することによって、ポリマーの汚染によって又は、非常に高い湿度における測定値のドリフトによって引き起こされる誤差が回避される。しかしながら、特に低い露点温度での露点測定時の上記の問題は、この文献から公知の対策によって解決され得ない。
【先行技術文献】
【特許文献】
【0009】
特開2012-154632
【非特許文献】
【0010】
。R.Dirksen著「Lindenberg気象観測所における相対湿度のための統一的な計算方法」(MOL-RAO Aktuell、2019年2号)
【発明の概要】
【発明が解決しようとする課題】
(【0011】以降は省略されています)
この特許をJ-PlatPat(特許庁公式サイト)で参照する
関連特許
日本精機株式会社
検出装置
26日前
個人
採尿及び採便具
1か月前
個人
高精度同時多点測定装置
1か月前
個人
計量機能付き容器
21日前
個人
アクセサリー型テスター
1か月前
甲神電機株式会社
電流検出装置
26日前
株式会社カクマル
境界杭
11日前
株式会社ミツトヨ
測定器
1か月前
日本精機株式会社
発光表示装置
4日前
株式会社トプコン
測量装置
3日前
アズビル株式会社
電磁流量計
1か月前
大成建設株式会社
風洞実験装置
21日前
双庸電子株式会社
誤配線検査装置
27日前
個人
計量具及び計量機能付き容器
21日前
ローム株式会社
半導体装置
1か月前
愛知電機株式会社
軸部材の外観検査装置
1か月前
ローム株式会社
半導体装置
1か月前
長崎県
形状計測方法
1か月前
大和製衡株式会社
組合せ計量装置
1か月前
大和製衡株式会社
組合せ計量装置
1か月前
個人
システム、装置及び実験方法
1か月前
個人
非接触による電磁パルスの測定方法
24日前
日本特殊陶業株式会社
ガスセンサ
3日前
日本信号株式会社
距離画像センサ
24日前
日本特殊陶業株式会社
ガスセンサ
19日前
愛知時計電機株式会社
ガスメータ
1か月前
株式会社タイガーカワシマ
揚穀装置
3日前
個人
液位検視及び品質監視システム
19日前
株式会社デンソー
電流センサ
1か月前
日本特殊陶業株式会社
センサ
5日前
日東精工株式会社
振動波形検査装置
27日前
株式会社不二越
X線測定装置
24日前
トヨタ自動車株式会社
測定システム
1か月前
キーコム株式会社
画像作成システム
11日前
日本特殊陶業株式会社
センサ
1か月前
株式会社エルメックス
希釈液収容容器
21日前
続きを見る
他の特許を見る