TOP
|
特許
|
意匠
|
商標
特許ウォッチ
Twitter
他の特許を見る
10個以上の画像は省略されています。
公開番号
2025166430
公報種別
公開特許公報(A)
公開日
2025-11-06
出願番号
2024070468
出願日
2024-04-24
発明の名称
材料試験装置
出願人
株式会社鷺宮製作所
代理人
個人
,
個人
,
個人
主分類
G01N
3/32 20060101AFI20251029BHJP(測定;試験)
要約
【課題】試験条件の変化を抑えて摩擦試験及び曲げ試験を行うことができる材料試験装置を提供する。
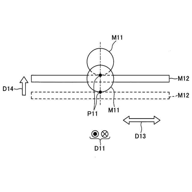
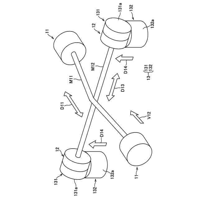
【解決手段】材料試験装置1が、長尺形状の供試材料M11を試験対象として保持する対象保持部11と、長尺形状を有して供試材料M11を摺擦する摩擦負荷、及び、供試材料M11を曲げる曲げ負荷を付与する負荷付与治具M12を、供試材料M11と交差する姿勢で保持する治具保持部12と、対象保持部11及び治具保持部12のうちの少なくとも一方を移動させることで、負荷付与治具M12から供試材料M11へと摩擦負荷及び曲げ負荷を付与させる移動機構13と、を備えたことを特徴とする。
【選択図】図1
特許請求の範囲
【請求項1】
長尺形状の供試材料を試験対象として保持する対象保持部と、
長尺形状を有して前記供試材料を摺擦する摩擦負荷、及び、前記供試材料を曲げる曲げ負荷を付与する負荷付与治具を、前記供試材料と交差する姿勢で保持する治具保持部と、
前記対象保持部及び前記治具保持部のうちの少なくとも一方を移動させることで、前記負荷付与治具から前記供試材料へと前記摩擦負荷及び前記曲げ負荷を付与させる移動機構と、
を備えたことを特徴とする材料試験装置。
続きを表示(約 1,100 文字)
【請求項2】
前記移動機構が、
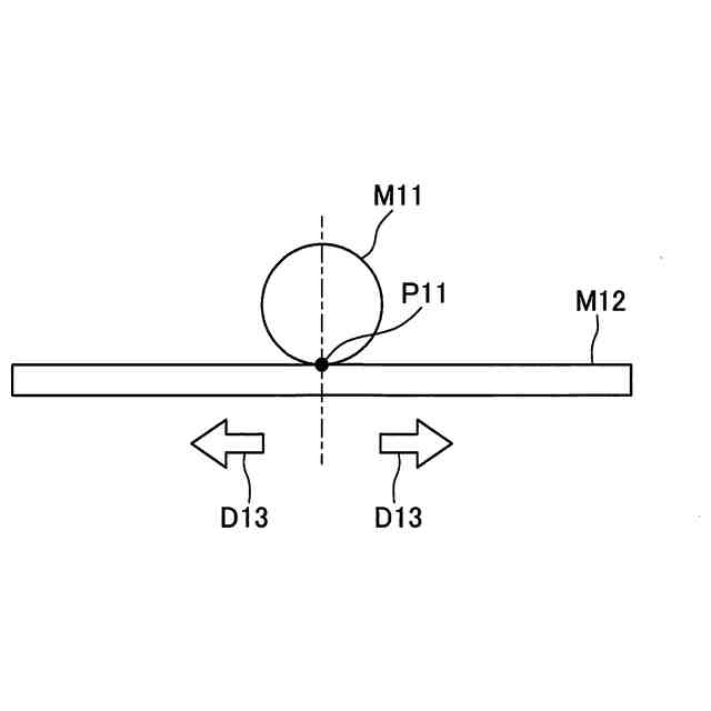
前記治具保持部を、前記負荷付与治具の長さ方向に沿った摩擦方向に往復移動させることで、前記供試材料において前記負荷付与治具と交差する被負荷点に前記摩擦負荷を付与させるとともに、
前記治具保持部が保持する前記負荷付与治具を、少なくとも前記供試材料と交差する負荷側交差部分について、前記供試材料の長さ方向及び前記摩擦方向の双方と交差する曲げ方向に移動させることで前記供試材料における前記被負荷点に前記曲げ負荷を付与させることを特徴とする請求項1に記載の材料試験装置。
【請求項3】
前記移動機構が、
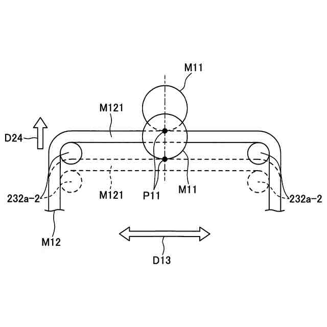
前記治具保持部を前記摩擦方向に往復移動させる摩擦用移動機構と、
前記治具保持部を前記摩擦用移動機構ごと前記曲げ方向に移動させることで前記負荷付与治具を全体移動させる曲げ用全体移動機構と、
を備えていることを特徴とする請求項2に記載の材料試験装置。
【請求項4】
前記移動機構が、
前記治具保持部を前記摩擦方向に往復移動させる摩擦用移動機構と、
前記負荷付与治具における前記負荷側交差部分のみを前記曲げ方向に部分移動させる曲げ用部分移動機構と、
を備えていることを特徴とする請求項2に記載の材料試験装置。
【請求項5】
前記移動機構が、
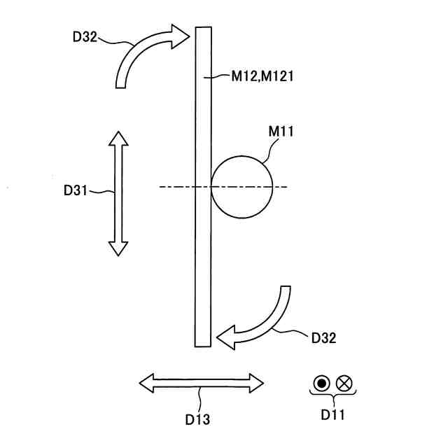
前記治具保持部を、前記負荷付与治具の長さ方向に沿った摩擦方向に往復移動させることで、前記供試材料において前記負荷付与治具と交差する摩擦用被負荷点に前記摩擦負荷を付与させるとともに、
前記治具保持部が保持する前記負荷付与治具における前記供試材料と交差する負荷側交差部分が、前記供試材料の長さ方向及び前記摩擦方向の双方と交差した交差延在方向に延在するように、少なくとも前記負荷側交差部分を移動させ、その後に、前記摩擦方向に沿った曲げ方向に移動させることで前記供試材料における曲げ用被負荷点に前記曲げ負荷を付与させることを特徴とする請求項1に記載の材料試験装置。
【請求項6】
前記移動機構が、
前記負荷側交差部分が前記交差延在方向に延在するように前記負荷付与治具を変形させて前記負荷側交差部分を移動させる変形移動機構と、
前記摩擦負荷の付与時に前記治具保持部を前記摩擦方向に往復移動させるとともに、前記曲げ負荷の付与時には、前記負荷側交差部分が移動した後の前記治具保持部を前記曲げ方向に移動させる共通移動機構と、
を備えていることを特徴とする請求項5に記載の材料試験装置。
発明の詳細な説明
【技術分野】
【0001】
本発明は、長尺形状の供試材料を試験対象として摩擦試験及び曲げ試験を行う材料試験装置に関する。
続きを表示(約 1,500 文字)
【背景技術】
【0002】
従来、金属線や糸等といった長尺形状の供試材料を試験対象とした摩擦試験や曲げ試験が行われている。多くの場合、摩擦試験は、摩擦試験専用の試験装置(例えば、特許文献1参照)を用いて実施され、曲げ試験は、曲げ試験専用の試験装置(例えば、特許文献2参照)を用いて実施されている。
【先行技術文献】
【特許文献】
【0003】
特許第4064212号公報
特開平09-061327号公報
【発明の概要】
【発明が解決しようとする課題】
【0004】
ここで、長尺形状の材料を交差状に織って使用する場合、一本一本の材料には、交差点で擦れ合う摩擦負荷と交差点で互いに曲げ合う曲げ負荷との両方が掛かる。このような場合、長尺形状の材料について、摩擦試験及び曲げ試験の両方を行って耐久性を評価する必要がある。このとき、上述のように摩擦試験及び曲げ試験をそれぞれの専用の試験装置を用いて実施すると、装置間で供試材料の付替えが必要となる。この場合、供試材料を装置間で移動させる際に外的要因が加わる可能性があり、例えば両試験を交互に行う場合等に試験条件が変化する恐れがある。
【0005】
本発明の目的は、試験条件の変化を抑えて摩擦試験及び曲げ試験を行うことができる材料試験装置を提供することである。
【課題を解決するための手段】
【0006】
上記課題を解決するために、材料試験装置は、長尺形状の供試材料を試験対象として保持する対象保持部と、長尺形状を有して前記供試材料を摺擦する摩擦負荷、及び、前記供試材料を曲げる曲げ負荷を付与する負荷付与治具を、前記供試材料と交差する姿勢で保持する治具保持部と、前記対象保持部及び前記治具保持部のうちの少なくとも一方を移動させることで、前記負荷付与治具から前記供試材料へと前記摩擦負荷及び前記曲げ負荷を付与させる移動機構と、を備えたことを特徴とする。
【0007】
上記の材料試験装置によれば、移動機構が対象保持部及び治具保持部のうちの少なくとも一方を移動させることで供試材料に対する摩擦試験及び曲げ試験が行われることとなる。即ち、上記の材料試験装置によれば、供試材料に対する摩擦試験及び曲げ試験を一つの材料試験装置で行うことで、装置交換等に伴う試験条件の変化を抑えて摩擦試験及び曲げ試験を行うことができる。
【0008】
ここで、前記移動機構が、前記治具保持部を、前記負荷付与治具の長さ方向に沿った摩擦方向に往復移動させることで、前記供試材料において前記負荷付与治具と交差する被負荷点に前記摩擦負荷を付与させるとともに、前記治具保持部が保持する前記負荷付与治具を、少なくとも前記供試材料と交差する負荷側交差部分について、前記供試材料の長さ方向及び前記摩擦方向の双方と交差する曲げ方向に移動させることで前記供試材料における前記被負荷点に前記曲げ負荷を付与させることが好適である。
【0009】
この構成によれば、供試材料における被負荷点という一点に対して摩擦試験及び曲げ試験が行われることとなるので、試験条件の変化を一層抑えることができる。
【0010】
また、前記移動機構が、前記治具保持部を前記摩擦方向に往復移動させる摩擦用移動機構と、前記治具保持部を前記摩擦用移動機構ごと前記曲げ方向に移動させることで前記負荷付与治具を全体移動させる曲げ用全体移動機構と、を備えていることが好適である。
(【0011】以降は省略されています)
この特許をJ-PlatPat(特許庁公式サイト)で参照する
関連特許
株式会社鷺宮製作所
遮断弁
1か月前
株式会社鷺宮製作所
圧力調整弁
3日前
株式会社鷺宮製作所
圧力センサ
1か月前
株式会社鷺宮製作所
材料試験装置
23日前
株式会社鷺宮製作所
弁装置および弁装置ユニット
1か月前
株式会社鷺宮製作所
弁装置および冷凍サイクルシステム
1か月前
株式会社鷺宮製作所
ステータコイルユニット及び流量調整弁
1か月前
日本精機株式会社
検出装置
24日前
個人
採尿及び採便具
1か月前
個人
計量機能付き容器
19日前
日本精機株式会社
発光表示装置
2日前
株式会社ミツトヨ
測定器
1か月前
株式会社カクマル
境界杭
9日前
甲神電機株式会社
電流検出装置
24日前
株式会社トプコン
測量装置
1日前
アズビル株式会社
電磁流量計
1か月前
大成建設株式会社
風洞実験装置
19日前
日本特殊陶業株式会社
ガスセンサ
17日前
ローム株式会社
半導体装置
1か月前
日本特殊陶業株式会社
ガスセンサ
1日前
大和製衡株式会社
組合せ計量装置
1か月前
大和製衡株式会社
組合せ計量装置
1か月前
双庸電子株式会社
誤配線検査装置
25日前
個人
計量具及び計量機能付き容器
19日前
個人
非接触による電磁パルスの測定方法
22日前
愛知時計電機株式会社
ガスメータ
1か月前
個人
システム、装置及び実験方法
1か月前
日本信号株式会社
距離画像センサ
22日前
愛知電機株式会社
軸部材の外観検査装置
1か月前
ローム株式会社
半導体装置
1か月前
株式会社タイガーカワシマ
揚穀装置
1日前
株式会社デンソー
電流センサ
1か月前
トヨタ自動車株式会社
測定システム
1か月前
日東精工株式会社
振動波形検査装置
25日前
株式会社不二越
X線測定装置
22日前
日本特殊陶業株式会社
センサ
3日前
続きを見る
他の特許を見る