TOP
|
特許
|
意匠
|
商標
特許ウォッチ
Twitter
他の特許を見る
公開番号
2025162030
公報種別
公開特許公報(A)
公開日
2025-10-27
出願番号
2024065119
出願日
2024-04-15
発明の名称
電源システム、電源システムの制御方法及び電源システムのプログラム
出願人
日新電機株式会社
代理人
個人
,
個人
,
個人
,
個人
,
個人
,
個人
主分類
H02H
3/16 20060101AFI20251020BHJP(電力の発電,変換,配電)
要約
【課題】独立運転時に地絡を確実に判断できるマイクログリッドの電源システムを提供する。
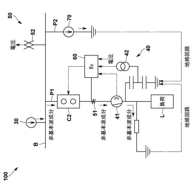
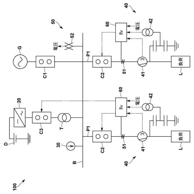
【解決手段】電源システムは、電力系統と遮断器を介して接続され、所定周波数の交流電力が供給されている母線に、基本波と異なる周波数の電流及び/又は電圧を示す非基本波成分を注入する非基本波成分注入部と、母線及び負荷を電気的に接続して非基本波成分が分流する電力線に設けられ、非基本波成分を含む零相電流又は零相電圧を測定する第1測定部と、遮断器が開放されている状態において、第1測定部により測定された零相電流又は零相電圧に基づいて地絡を判断する地絡判断部と、地絡判断部が地絡と判断した場合に、負荷を保護するために電力線を開閉する遮断器である負荷遮断器を開放させる保護リレー駆動部とを備える。
【選択図】図1
特許請求の範囲
【請求項1】
電力系統との間に介在する遮断器の開閉状態に応じて、前記電力系統との連系運転及び独立運転に切り替わる電源システムであって、
前記電力系統と前記遮断器を介して接続され、所定周波数の交流電力が供給されている母線に、基本波と異なる周波数の電流及び/又は電圧を示す非基本波成分を注入する非基本波成分注入部と、
前記母線及び前記負荷を電気的に接続して前記非基本波成分が分流する電力線に設けられ、前記非基本波成分を含む零相電流又は零相電圧を測定する第1測定部と、
前記遮断器が開放されている状態において、前記第1測定部により測定された前記零相電流又は前記零相電圧に基づいて地絡を判断する地絡判断部と、
前記地絡判断部が地絡と判断した場合に、前記負荷を保護するために前記電力線を開閉する遮断器である負荷遮断器を開放させる保護リレー駆動部とを備える電源システム。
続きを表示(約 1,700 文字)
【請求項2】
前記第1測定部により測定された前記零相電流又は前記零相電圧から、前記非基本波成分の周波数に対応する非基本波電流又は非基本波電圧を算出する非基本波成分算出部と、
前記非基本波成分算出部により算出された前記非基本波電流又は前記非基本波電圧に基づいてインピーダンスを算出するインピーダンス算出部とをさらに備え、
前記地絡判断部は、前記インピーダンス算出部により算出された前記インピーダンスが整定値以下の場合に地絡と判断する、請求項1に記載の電源システム。
【請求項3】
前記母線又は前記電力線に設けられ、前記非基本波成分を含む電流又は電圧を測定する第2測定部と、
前記第2測定部により測定された前記電流又は前記電圧と整定値とに基づいて短絡を判断する短絡判断部とをさらに備え、
前記短絡判断部が短絡と判断した場合に、前記保護リレー駆動部は、前記負荷を保護するために前記負荷遮断器を開放する、請求項1に記載の電源システム。
【請求項4】
前記遮断器が閉止されている状態において、前記第2測定部により測定された前記電流又は前記電圧と、前記短絡判断部が用いる整定値よりも大きい整定値とに基づいて単独運転を判断する単独運転判断部と、
前記単独運転判断部が単独運転と判断した場合に、前記保護リレー駆動部は、前記電力系統とは別に前記母線に電力を供給する電源である分散型電源と前記負荷との電気的な接続を開閉する連系点遮断器を開放する、請求項3に記載の電源システム。
【請求項5】
一方が前記母線に電気的に接続され、他方が接地されている接地線に設けられ、前記接地線の接地側に電流を注入する対地間注入部をさらに備え、
前記第1測定部は、前記対地間注入部により注入された前記電流と前記非基本波成分とを含む零相電流又は零相電圧を測定する、請求項1乃至4の何れか一項に記載の電源システム。
【請求項6】
前記対地間注入部が注入する前記電流の周波数は、前記所定周波数及び前記非基本波成分の周波数とは異なる周波数である、請求項5に記載の電源システム。
【請求項7】
電力系統との間に介在する遮断器の開閉状態に応じて、前記電力系統との連系運転及び独立運転に切り替わる電源システムの制御方法であって、
前記電力系統と前記遮断器を介して接続され、所定周波数の交流電力が供給されている母線に、基本波とは異なる周波数の電流及び/又は電圧を示す非基本波成分を注入し、
前記母線及び前記負荷を電気的に接続して前記非基本波成分が分流する電力線に設けられ、前記非基本波成分を含む零相電流又は零相電圧を測定し、
前記遮断器が開放されている状態において、前記第1測定部により測定された前記零相電流又は前記零相電圧に基づいて地絡を判断し、
地絡と判断した場合に、前記負荷を保護するために前記電力線を開閉する遮断器である負荷遮断器を開放させる、電源システムの制御方法。
【請求項8】
電力系統との間に介在する遮断器の開閉状態に応じて、前記電力系統との連系運転及び独立運転に切り替わる電源システムに用いられるプログラムであって、
前記電力系統と前記遮断器を介して接続され、所定周波数の交流電力が供給されている母線に、基本波と異なる周波数の電流及び/又は電圧を示す非基本波成分を前記母線に注入する非基本波成分注入部と、
前記母線及び前記負荷を電気的に接続して前記非基本波成分が分流する電力線に設けられ、前記非基本波成分を含む零相電流又は零相電圧を測定する第1測定部とを備える前記電源システムを用いて、
前記遮断器が開放されている状態において、前記第1測定部により測定された前記零相電流又は前記零相電圧に基づいて地絡を判断する地絡判断部としての機能と、
前記地絡判断部が地絡と判断した場合に、前記負荷を保護するために前記電力線を開閉する遮断器である負荷遮断器を開放させる保護リレー駆動部としての機能とをコンピュータに発揮させる、電源システムのプログラム。
発明の詳細な説明
【技術分野】
【0001】
本発明は、電源システム、電源システムの制御方法及び電源システムのプログラムに関するものである。
続きを表示(約 1,900 文字)
【背景技術】
【0002】
近年、再生可能エネルギーの活用と災害発生時の電力レジリエンス向上を目的として、平常時に電力系統との連系運転を行い、災害等の異常時に独立運転を行う地域マイクログリッドの電源システムが検討されている。
【0003】
この種の電源システムは、例えば特許文献1に示すように、分散型電源を有する需要家設備に、電力系統の基本波の非整数倍の周波数の電流を注入する中間調波電流注入装置と、需要家設備の受電点での電力系統の中間調波の電圧及び電流の計測結果から電力系統の停止を監視して検出し、電力系統の停止を検出した時に分散型電源を電力系統から解列する系統停止検出処理装置とを備えるものがある。これにより、系統停止検出処理装置が、中間調波の電圧及び電流に基づいて電力系統の停止を検出するので、電源システムの単独運転を防止することができる。
【先行技術文献】
【特許文献】
【0004】
特許3367371号公報
【発明の概要】
【発明が解決しようとする課題】
【0005】
ところで、上記の電源システムが独立運転を行う場合、分散型電源の容量は電力系統よりも小さいので、地絡が発生した場合に流れる地絡電流が減少する。特に、将来的な再生可能エネルギー発電の主力電源化に伴い、マイクログリッドの独立運転時における地絡電流が減少すると考えられている。その結果、マイクログリッドの独立運転時に地絡を検出することが難しくなり、電源システムを地絡から保護することが難しくなってしまう。
【0006】
そこで、本発明は上記問題に鑑みてなされたものであり、独立運転時に地絡を確実に判断できるマイクログリッドの電源システムを提供することを主たる課題とするものである。
【課題を解決するための手段】
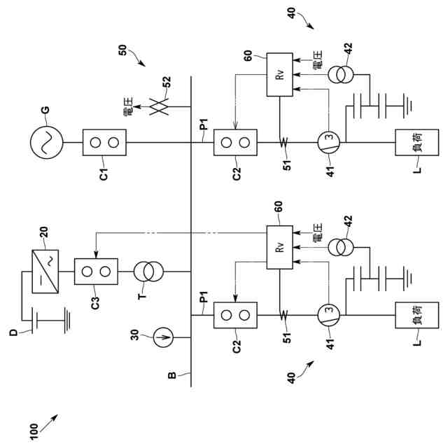
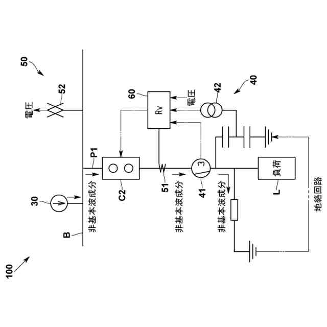
【0007】
すなわち本発明に係る電源システムは、電力系統との間に介在する遮断器の開閉状態に応じて、前記電力系統との連系運転及び独立運転に切り替わる電源システムであって、前記電力系統と前記遮断器を介して接続され、所定周波数の交流電力が供給されている母線に、基本波と異なる周波数の電流及び/又は電圧を示す非基本波成分を注入する非基本波成分注入部と、前記母線及び前記負荷を電気的に接続して前記非基本波成分が分流する電力線に設けられ、前記非基本波成分を含む零相電流又は零相電圧を測定する第1測定部と、前記遮断器が開放されている状態において、前記第1測定部により測定された前記零相電流又は前記零相電圧に基づいて地絡を判断する地絡判断部と、前記地絡判断部が地絡と判断した場合に、前記負荷を保護するために前記電力線を開閉する遮断器である負荷遮断器を開放させる保護リレー駆動部とを備えることを特徴とする。
【0008】
このような電源システムであれば、第1測定部は、非基本波成分注入部により注入された非基本波成分を含む零相電流又は零相電流を測定するので、第1測定部は、地絡時に地絡電流を測定する必要がない。そして、地絡判断部は、第1測定部により測定された非基本波成分を含む零相電流又は零相電圧に基づいて地絡を判断するので、独立運転時において、地絡電流の大きさによらず地絡を確実に判断することができる。その結果、地絡発生箇所を特定して速やかに除去することにより、マイクログリッド全体の停電を防止することができる。
また、地絡電流を増加させるための対策が不要となるので、マイクログリッドを構築する際のコストの増大を抑制することができる。
【0009】
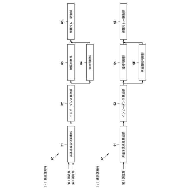
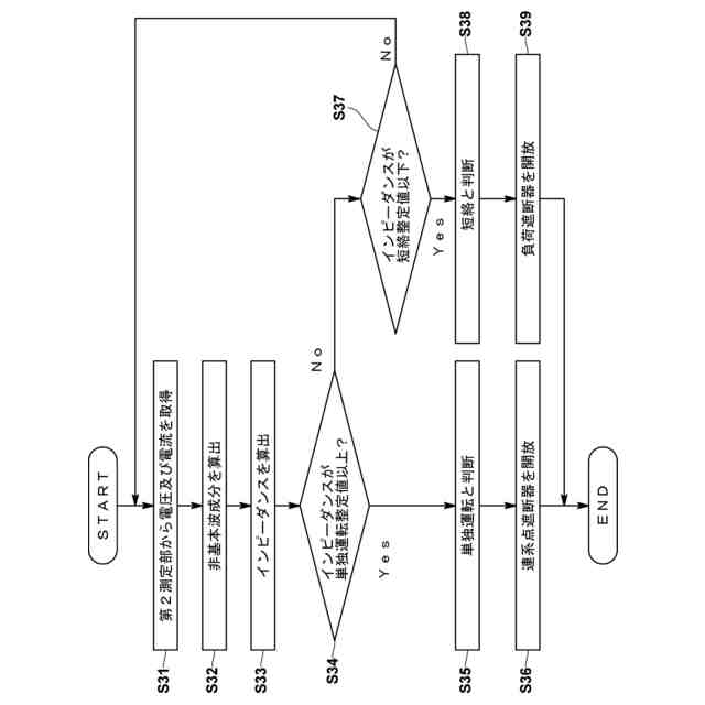
地絡判断のための具体的な態様としては、前記第1測定部により測定された前記零相電流又は前記零相電圧から、前記非基本波成分の周波数に対応する非基本波電流又は非基本波電圧を算出する非基本波成分算出部と、前記非基本波成分算出部により算出された前記非基本波電流又は前記非基本波電圧に基づいてインピーダンスを算出するインピーダンス算出部とをさらに備え、前記地絡判断部は、前記インピーダンス算出部により算出された前記インピーダンスが整定値以下の場合に地絡と判断するものが挙げられる。
【0010】
このような構成であれば、地絡判断部が、非基本波成分を含む零相電流又は零相電圧に基づいて算出されたインピーダンスに基づいて地絡を判断するので、地絡判断部は、地絡電流の大きさによらず地絡を判断することができる。
(【0011】以降は省略されています)
この特許をJ-PlatPat(特許庁公式サイト)で参照する
関連特許
日新電機株式会社
遮断装置
1か月前
日新電機株式会社
ベッセル
2か月前
日新電機株式会社
真空バルブ
6日前
日新電機株式会社
受変電設備
13日前
日新電機株式会社
電子除湿器
1か月前
日新電機株式会社
リアクトル鉄心
6日前
日新電機株式会社
プラズマ処理装置
2か月前
日新電機株式会社
ガス絶縁開閉装置
1か月前
日新電機株式会社
電力機器の試験方法
2日前
日新電機株式会社
DC-DCコンバータ
1か月前
日新電機株式会社
刃先保護部材及び被膜除去方法
2か月前
日新電機株式会社
ガス絶縁機器およびその製造方法
1か月前
日新電機株式会社
表示装置、表示方法、およびプログラム
1か月前
日新電機株式会社
プラズマ処理装置及びプラズマ処理方法
2か月前
日新電機株式会社
配電システム、および、クラスタの制御方法
1か月前
日新電機株式会社
検出装置、電力供給システム、および検出方法
1か月前
日新電機株式会社
汚泥処理制御システムおよび汚泥処理制御方法
1か月前
日新電機株式会社
DC-DCコンバータ、および、その制御方法
6日前
日新電機株式会社
加工方法、治具及び勾配面加工用3軸マシニングセンタ
1か月前
日新電機株式会社
DC-DCコンバータ、および、AC-DCコンバータ
21日前
日新電機株式会社
コーティング部品及びコーティング部品を備えるコーティング工具
1か月前
日新電機株式会社
車種識別装置、車種識別モデル生成装置および車種識別モデル生成方法
2日前
日新電機株式会社
電源システム、電源システムの制御方法及び電源システムのプログラム
1か月前
日新電機株式会社
ダイヤモンド薄膜、コーティングデバイス及びダイヤモンド薄膜の製造方法
1か月前
日新電機株式会社
油入電気機器用の電気絶縁油基油、これを含有する電気絶縁油及び油入電気機器
1か月前
個人
高圧電気機器の開閉器
22日前
個人
電気を重力で発電装置
1か月前
キヤノン電子株式会社
モータ
1か月前
キヤノン電子株式会社
モータ
1か月前
株式会社東光高岳
充電器
2日前
日星電気株式会社
ケーブル組立体
1か月前
コーセル株式会社
電源装置
1か月前
東洋アルミニウム株式会社
発電体
1日前
株式会社アイドゥス企画
減反モータ
22日前
トヨタ自動車株式会社
モータ
1か月前
株式会社デンソー
端子台
15日前
続きを見る
他の特許を見る