TOP
|
特許
|
意匠
|
商標
特許ウォッチ
Twitter
他の特許を見る
公開番号
2025166655
公報種別
公開特許公報(A)
公開日
2025-11-06
出願番号
2024070828
出願日
2024-04-24
発明の名称
遮断装置
出願人
日新電機株式会社
代理人
弁理士法人 HARAKENZO WORLD PATENT & TRADEMARK
主分類
H01H
33/59 20060101AFI20251029BHJP(基本的電気素子)
要約
【課題】遮断動作のときに、負荷側に限流された電流が流れ続けることを防ぐ。
【解決手段】遮断装置(10)は、本線(PL)の接続状態と遮断状態とを切り替える第1遮断部(11)と、第1遮断部(11)よりも直流電源(PS)側において、本線(PL)と帰線(NL)との間の接続状態と遮断状態とを切り替える第2遮断部(12)と、第2遮断部(12)と直列に接続される抵抗器(13)と、制御部(15)と、を備える。
【選択図】図1
特許請求の範囲
【請求項1】
本線及び帰線によって構成された直流母線に配置される遮断装置であって、
前記本線の接続状態と遮断状態とを切り替える第1遮断部と、
前記第1遮断部よりも電源側において、前記本線と前記帰線との間の接続状態と遮断状態とを切り替える第2遮断部と、
前記本線と前記帰線との間において前記第2遮断部と直列に接続される抵抗器と、
制御部と、を備え、
前記制御部は、
通常時には前記第1遮断部を接続状態、前記第2遮断部を遮断状態に制御するとともに、
前記本線を流れる電流が定格を超える第1所定値以上となったことを検知すると、前記第2遮断部を接続状態にさせてから、前記第1遮断部を遮断状態にさせることを特徴とする遮断装置。
続きを表示(約 290 文字)
【請求項2】
前記制御部は、
前記本線を流れる電流が前記第1所定値以上となったことを検知すると、前記第1遮断部を遮断状態にさせた時点から所定時間が経過した後、前記第2遮断部を遮断状態にさせることを特徴とする請求項1に記載の遮断装置。
【請求項3】
前記制御部は、
前記本線を流れる電流が前記第1所定値以上となったことを検知すると、前記第1遮断部を遮断状態にさせた後に、
前記本線を流れる電流が前記第1所定値よりも低い第2所定値未満となったことを検知すると、前記第2遮断部を遮断状態にさせることを特徴とする請求項1に記載の遮断装置。
発明の詳細な説明
【技術分野】
【0001】
本発明は、遮断装置に関する。
続きを表示(約 1,700 文字)
【背景技術】
【0002】
特許文献1には、直流電源と負荷との間の主回路に挿入接続される直流遮断装置が開示されている。当該直流遮断装置では、第1の遮断部と、第2の遮断部及び抵抗器が直列接続された直列回路と、エネルギー吸収装置と、が並列に接続されている。また、第1の遮断部及び第2の遮断部がオン状態となることにより、直流電源から負荷へ直流電力が供給される。
【0003】
さらに過大な短絡電流から主回路を保護するため、直流電源から負荷へ供給される主回路電流が、予め設定された遮断設定電流に達すると、第1の遮断部がオフされ、主回路電流の遮断動作が開始される。第1の遮断部がオフすると、主に第1の遮断部に流れていた主回路電流は、まだオンしている第2の遮断部と抵抗器との直列回路へ転流するため、抵抗器により限流される。その後、第2の遮断部がオフし、主回路電流の遮断動作が完了する。
【先行技術文献】
【特許文献】
【0004】
特開2014-044904号公報
【発明の概要】
【発明が解決しようとする課題】
【0005】
しかしながら、特許文献1に開示の直流遮断装置では、遮断動作において第2の遮断部がオンしている間には、直流電源から事故が発生している負荷側へ限流された電流が流れ続けるという問題がある。本発明の一態様は、遮断動作のときに、負荷側に限流された電流が流れ続けることを防ぐことを目的とする。
【課題を解決するための手段】
【0006】
上記の課題を解決するために、本発明の一態様に係る遮断装置は、本線及び帰線によって構成された直流母線に配置される遮断装置であって、前記本線の接続状態と遮断状態とを切り替える第1遮断部と、前記第1遮断部よりも電源側において、前記本線と前記帰線との間の接続状態と遮断状態とを切り替える第2遮断部と、前記本線と前記帰線との間において前記第2遮断部と直列に接続される抵抗器と、制御部と、を備え、前記制御部は、通常時には前記第1遮断部を接続状態、前記第2遮断部を遮断状態に制御するとともに、前記本線を流れる電流が定格を超える第1所定値以上となったことを検知すると、前記第2遮断部を接続状態にさせてから、前記第1遮断部を遮断状態にさせる。
【発明の効果】
【0007】
本発明の一態様によれば、遮断動作のときに、負荷側に限流された電流が流れ続けることを防ぐことができる。
【図面の簡単な説明】
【0008】
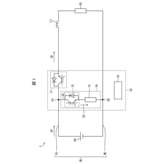
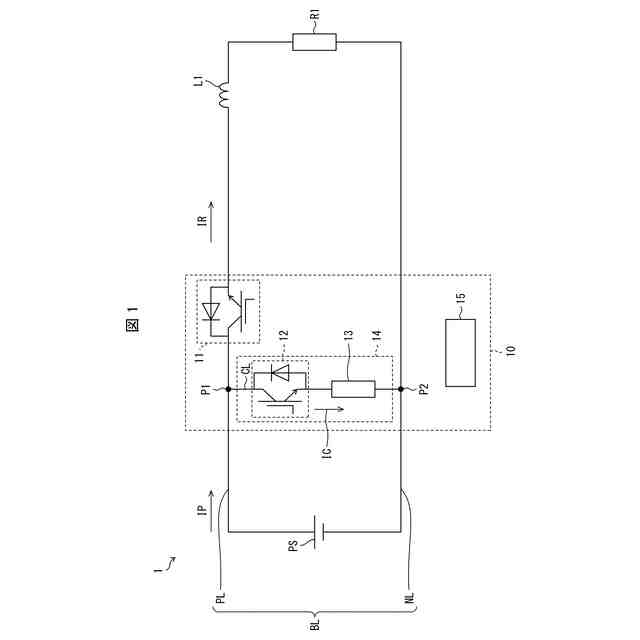
本発明の実施形態に係る遮断装置が適用される直流送電システムの構成の一例を示す回路図である。
図1に示す遮断装置が備える制御部による処理の一例を示すフローチャートである。
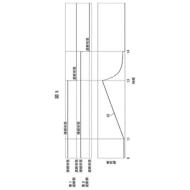
図1に示す遮断装置が備える第1遮断部及び第2遮断部における接続状態と遮断状態との切り替えと、時間と電流値との関係と、を示す図である。
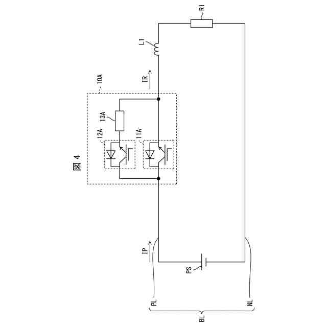
本発明の比較例に係る遮断装置の構成の一例を示す回路図である。
図4に示す遮断装置が備える第1遮断部及び第2遮断部における接続状態と遮断状態との切り替えと、時間と電流値との関係と、を示す図である。
【発明を実施するための形態】
【0009】
<直流送電システム1の構成>
図1は、本発明の実施形態に係る遮断装置10が適用された直流送電システム1の構成の一例を示す回路図である。図1に示すように、直流送電システム1は、本線PL及び帰線NLによって構成された直流母線BLを介して、1次側から2次側に直流電力を送電する。つまり、直流送電システム1は、電源の一例である直流電源PSから負荷R1に直流電力を送電する。
【0010】
本線PLは、直流電源PSと負荷R1との間の一対の配線の一方であり、直流電源PSから負荷R1の向きに電流が流れる配線である。帰線NLは、直流電源PSと負荷R1との間の一対の配線のもう一方であり、負荷R1から直流電源PSの向きに電流が流れる配線である。図1に示すインダクタンス成分L1は、直流母線BLに含まれるインダクタンスに対応するものである。
(【0011】以降は省略されています)
この特許をJ-PlatPat(特許庁公式サイト)で参照する
関連特許
日新電機株式会社
ベッセル
1か月前
日新電機株式会社
遮断装置
6日前
日新電機株式会社
電子除湿器
28日前
日新電機株式会社
化学蓄熱反応器
1か月前
日新電機株式会社
ガス絶縁開閉装置
6日前
日新電機株式会社
プラズマ処理装置
1か月前
日新電機株式会社
DC-DCコンバータ
13日前
日新電機株式会社
刃先保護部材及び被膜除去方法
1か月前
日新電機株式会社
真空漏れ検出器および真空装置
1か月前
日新電機株式会社
欠陥検出方法および真空遮断器
1か月前
日新電機株式会社
異常判定装置及び異常判定方法
1か月前
日新電機株式会社
真空処理装置、および、ベッセル
1か月前
日新電機株式会社
ガス絶縁機器およびその製造方法
16日前
日新電機株式会社
表示装置、表示方法、およびプログラム
26日前
日新電機株式会社
プラズマ処理装置及びプラズマ処理方法
1か月前
日新電機株式会社
電源システム及び電源システムの制御方法
1か月前
日新電機株式会社
電源システム及び電源システムの制御方法
1か月前
日新電機株式会社
配電システム、および、クラスタの制御方法
21日前
日新電機株式会社
汚泥処理制御システムおよび汚泥処理制御方法
19日前
日新電機株式会社
検出装置、電力供給システム、および検出方法
19日前
日新電機株式会社
通信ユニット、サーバ、通信システムおよび通信方法
1か月前
日新電機株式会社
高調波フィルタ設備及び高調波フィルタ設備の設定方法
1か月前
日新電機株式会社
加工方法、治具及び勾配面加工用3軸マシニングセンタ
28日前
日新電機株式会社
コーティング部品及びコーティング部品を備えるコーティング工具
8日前
日新電機株式会社
電源システム、電源システムの制御方法及び電源システムのプログラム
16日前
日新電機株式会社
ダイヤモンド薄膜、コーティングデバイス及びダイヤモンド薄膜の製造方法
5日前
日新電機株式会社
油入電気機器用の電気絶縁油基油、これを含有する電気絶縁油及び油入電気機器
19日前
国立大学法人神戸大学
サーマルサーキットシステム
2か月前
東ソー株式会社
絶縁電線
21日前
APB株式会社
蓄電セル
19日前
個人
フレキシブル電気化学素子
1か月前
株式会社東芝
端子台
13日前
ローム株式会社
半導体装置
20日前
株式会社ユーシン
操作装置
1か月前
日新イオン機器株式会社
イオン源
29日前
マクセル株式会社
電源装置
13日前
続きを見る
他の特許を見る