TOP
|
特許
|
意匠
|
商標
特許ウォッチ
Twitter
他の特許を見る
公開番号
2025160452
公報種別
公開特許公報(A)
公開日
2025-10-22
出願番号
2025129926,2024194047
出願日
2025-08-04,2024-11-06
発明の名称
バックコンタクト太陽電池及びソーラーモジュール
出願人
隆基緑能科技股フン有限公司
,
LONGI GREEN ENERGY TECHNOLOGY CO., LTD.
代理人
弁理士法人ユニアス国際特許事務所
主分類
H10F
10/165 20250101AFI20251015BHJP()
要約
【課題】パッシベーション効果及びドーピング濃度を良好にできるだけでなく、材料を節約できるバックコンタクト太陽電池を提供する。
【解決手段】対向する第1側と第2側を有するシリコ
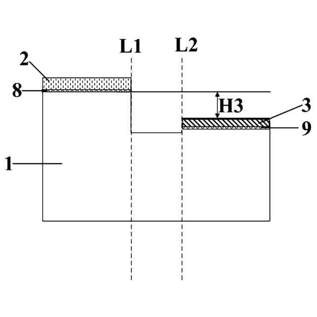
ン基板1と、シリコン基板1の第1側の第1領域に位置するP型ドープ多結晶シリコン層2と、シリコン基板の第1側の第1領域と異なる第2領域に位置するN型ドープ多結晶シリコン層3と、を備え、P型ドープ多結晶シリコン層2の厚さとN型ドープ多結晶シリコン層3の厚さとの比は1~2であり、P型ドープ多結晶シリコン層2におけるシリコン基板1に近い表面は、N型ドープ多結晶シリコン層3におけるシリコン基板1とは反対側の表面よりもシリコン基板1の第2側から離れ、P型ドープ多結晶シリコン層2におけるシリコン基板1に近い表面とN型ドープ多結晶シリコン層3におけるシリコン基板1とは反対側の表面との高さの差は0より大きく4.85ミクロン以下である。
【選択図】図1
特許請求の範囲
【請求項1】
対向する第1側と第2側を有するシリコン基板と、
前記シリコン基板の第1側の第1領域に位置するP型ドープ多結晶シリコン層と、
前記シリコン基板の第1側の、前記第1領域と異なる第2領域に位置するN型ドープ多結晶シリコン層と、を備え、
前記P型ドープ多結晶シリコン層の厚さは、前記N型ドープ多結晶シリコン層の厚さよりも大きく、前記P型ドープ多結晶シリコン層の厚さの前記N型ドープ多結晶シリコン層の厚さに対する比は2以下であり、
前記P型ドープ多結晶シリコン層における前記シリコン基板に近い表面は、前記N型ドープ多結晶シリコン層における前記シリコン基板とは反対側の表面よりも前記シリコン基板の第2側から離れ、前記P型ドープ多結晶シリコン層における前記シリコン基板に近い表面と前記N型ドープ多結晶シリコン層における前記シリコン基板とは反対側の表面との高さの差は0より大きく4.85ミクロン以下である、ことを特徴とするバックコンタクト太陽電池。
続きを表示(約 1,600 文字)
【請求項2】
隙間領域をさらに備え、
前記P型ドープ多結晶シリコン層が上層構造であり、前記N型ドープ多結晶シリコン層が中間層構造であり、前記隙間領域が低層構造であり、
前記シリコン基板の第1側において、前記上層構造と前記中間層構造とが隣接して間隔をあけて並べ、
前記上層構造と前記中間層構造の間において、低層構造の隙間領域が設置される、ことを特徴とする請求項1に記載のバックコンタクト太陽電池。
【請求項3】
前記中間層構造の前記N型ドープ多結晶シリコン層が前記シリコン基板の表面に近接する隙間領域の深さは、0.05μm以上で、かつ5μm以下である、ことを特徴とする請求項2に記載のバックコンタクト太陽電池。
【請求項4】
前記シリコン基板の第1側において、高領域、低領域、中領域という千鳥状構造が形成される、ことを特徴とする請求項1に記載のバックコンタクト太陽電池。
【請求項5】
前記P型ドープ多結晶シリコン層は、複数のP型集電領域を含み、
前記N型ドープ多結晶シリコン層は、複数のN型集電領域を含み、
前記N型集電領域と前記P型集電領域は、第1方向に沿って交互に配置され、いずれも第2方向に沿って延在し、前記第1方向と前記第2方向は異なり、いずれも厚さ方向に垂直である、ことを特徴とする請求項1に記載のバックコンタクト太陽電池。
【請求項6】
前記P型ドープ多結晶シリコン層は、複数のP型バス領域をさらに含み、
前記N型ドープ多結晶シリコン層は、複数のN型バス領域をさらに含み、
前記N型バス領域と前記P型バス領域は、前記第2方向に沿って交互に配置され、いずれも前記第1方向に沿って延在し、
1つの前記N型バス領域とそれに隣接する1つの前記P型バス領域との間に位置する前記N型集電領域の各々は、いずれも前記N型バス領域に連通し、
1つの前記N型バス領域とそれに隣接する1つの前記P型バス領域との間に位置する前記P型集電領域の各々は、いずれも前記P型バス領域に連通し、
1つの集電領域の長さの1つのバス領域の幅に対する比は22~64であり、前記集電領域は、前記P型集電領域又は前記N型集電領域であり、前記バス領域は、前記P型バス領域又は前記N型バス領域であり、前記集電領域の長さ方向及び前記バス領域の幅方向は、いずれも前記第2方向に平行である、ことを特徴とする請求項5に記載のバックコンタクト太陽電池。
【請求項7】
隣接する前記N型集電領域と前記P型集電領域との間には第1隙間があり、
前記集電領域と異なる型のバス領域との間には第2隙間があり、
前記第2隙間の前記第2方向におけるサイズは、前記第1隙間の前記第1方向におけるサイズ以上である、ことを特徴とする請求項6に記載のバックコンタクト太陽電池。
【請求項8】
隣接する前記N型集電領域と前記P型集電領域との間には第1隙間があり、
前記集電領域と異なる型のバス領域との間には第2隙間があり、
前記第2隙間の前記第2方向におけるサイズの前記第1隙間の前記第1方向におけるサイズに対する比は1~4である、ことを特徴とする請求項6に記載のバックコンタクト太陽電池。
【請求項9】
1つの前記P型バス領域の体積は、1つの前記N型バス領域の体積以上である、ことを特徴とする請求項6に記載のバックコンタクト太陽電池。
【請求項10】
1つの前記P型バス領域の体積の1つの前記N型バス領域の体積に対する比は1~2である、ことを特徴とする請求項6に記載のバックコンタクト太陽電池。
(【請求項11】以降は省略されています)
発明の詳細な説明
【技術分野】
【0001】
本発明は、光起電力の技術分野に関し、特にバックコンタクト太陽電池及びソーラーモジュールに関する。
続きを表示(約 2,000 文字)
【背景技術】
【0002】
バックコンタクト(Back Contact,BC)太陽電池は、エミッタ及び金属コンタクトがともに電池の裏面に位置し、表面が金属電極によって遮断されていないため、短絡電流Jscがより高くなり、また、広い金属グリッドラインが許容される裏面により、直列抵抗Rsを低減させ、曲線因子FFを高めることが最大の特徴である。また、表面が遮断されていないこのような電池は、変換効率が高いだけでなく、外観がより良好であり、また、フルバック電極のソーラーモジュールの組み立てがより容易であるため、幅広い発展の見込みがある。例えば、BC電池中のインターデジタルバックコンタクト(Interdigitated Back Contact,IBC)太陽電池は、現在、高効率結晶シリコン電池を実現するための技術方向の一つである。
【0003】
しかし、現在のバックコンタクト太陽電池では、損失を低減しつつパッシベーション効果を確保できるような、P領域とN領域の構造間の結合の最適化が十分に考慮されていない。したがって、現在のバックコンタクト太陽電池の性能はあまりよくない。
【発明の概要】
【発明が解決しようとする課題】
【0004】
本発明は、現在のバックコンタクト太陽電池の性能があまりよくないという問題を解決することを目的とするバックコンタクト太陽電池及びソーラーモジュールを提供する。
【課題を解決するための手段】
【0005】
本発明の第1側面は、
対向する第1側と第2側を有するシリコン基板と、
前記シリコン基板の第1側の第1領域に位置するP型ドープ多結晶シリコン層と、
前記シリコン基板の第1側の、前記第1領域と異なる第2領域に位置するN型ドープ多結晶シリコン層と、を備え、
前記P型ドープ多結晶シリコン層の厚さと前記N型ドープ多結晶シリコン層の厚さとの比は1~2であるバックコンタクト太陽電池を提供する。
【0006】
本発明の実施例において、P型ドープ多結晶シリコン層の厚さが大きいため、P型ドープ多結晶シリコン層のパッシベーション効果を向上させるとともに、小さいメタライゼーションダメージ及び小さい接触抵抗を確保することができる。P型ドープ多結晶シリコン層の厚さがN型ドープ多結晶シリコン層の厚さよりもわずかに大きい場合、P型ドープ多結晶シリコン層及びN型ドープ多結晶シリコン層は、いずれも対応するドーピング濃度、パッシベーション効果等に応じて対応する厚さをそれぞれ設定することができ、このように、パッシベーション効果及びドーピング濃度を良好にすることができるだけでなく、材料を節約できる。
【0007】
任意に、前記P型ドープ多結晶シリコン層は、複数のP型集電領域及び複数のP型バス領域を含み、
前記N型ドープ多結晶シリコン層は、複数のN型集電領域及び複数のN型バス領域を含み、
前記N型集電領域と前記P型集電領域は、第1方向に沿って交互に配置され、いずれも第2方向に沿って延在し、前記N型バス領域と前記P型バス領域は、前記第2方向に沿って交互に配置され、いずれも前記第1方向に沿って延在し、前記第1方向と前記第2方向は異なり、いずれも厚さ方向に垂直であり、
1つの前記N型バス領域とそれに隣接する1つの前記P型バス領域との間に位置する前記N型集電領域の各々は、いずれも前記N型バス領域に連通し、
1つの前記N型バス領域とそれに隣接する1つの前記P型バス領域との間に位置する前記P型集電領域の各々は、いずれも前記P型バス領域に連通し、
1つの集電領域の長さと1つのバス領域の幅との比は22~64であり、前記集電領域は、前記P型集電領域又は前記N型集電領域であり、前記バス領域は、前記P型バス領域又は前記N型バス領域であり、前記集電領域の長さ方向及び前記バス領域の幅方向は、いずれも前記第2方向に平行である。
【0008】
隣接する前記N型集電領域と前記P型集電領域との間には第1隙間があり、
前記集電領域と異なる型のバス領域との間には第2隙間があり、
前記第2隙間の前記第2方向におけるサイズは、前記第1隙間の前記第1方向におけるサイズ以上である。
【0009】
任意に、前記第2隙間の前記第2方向におけるサイズと前記第1隙間の前記第1方向におけるサイズとの比は1~4である。
【0010】
任意に、1つの前記P型バス領域の体積は、1つの前記N型バス領域の体積以上である。
(【0011】以降は省略されています)
この特許をJ-PlatPat(特許庁公式サイト)で参照する
関連特許
個人
半導体装置
28日前
東レ株式会社
太陽電池モジュール
28日前
旭化成株式会社
発光素子
8日前
エイブリック株式会社
縦型ホール素子
22日前
エイブリック株式会社
縦型ホール素子
22日前
富士通株式会社
半導体装置
27日前
ローム株式会社
半導体装置
29日前
ローム株式会社
抵抗チップ
13日前
三菱電機株式会社
半導体装置
27日前
三菱電機株式会社
半導体装置
7日前
富士電機株式会社
半導体装置
19日前
株式会社半導体エネルギー研究所
表示装置
22日前
日亜化学工業株式会社
発光装置
8日前
TDK株式会社
圧電素子
27日前
日亜化学工業株式会社
発光装置
26日前
ローム株式会社
半導体集積回路
7日前
日亜化学工業株式会社
発光素子
27日前
株式会社半導体エネルギー研究所
発光デバイス
6日前
ローム株式会社
半導体装置
12日前
ローム株式会社
半導体装置
14日前
ローム株式会社
窒化物半導体装置
13日前
ローム株式会社
窒化物半導体装置
22日前
富士電機株式会社
半導体装置の製造方法
21日前
沖電気工業株式会社
発光装置及び表示装置
28日前
株式会社カネカ
太陽電池モジュール
26日前
大日本印刷株式会社
太陽電池
15日前
株式会社MARUWA
発光装置及び照明器具
26日前
日本電気株式会社
超伝導量子回路装置
27日前
サンケン電気株式会社
発光装置
26日前
ローム株式会社
光センサ
20日前
ローム株式会社
RAM
26日前
日本ゼオン株式会社
構造体
今日
日亜化学工業株式会社
発光装置
7日前
日亜化学工業株式会社
発光装置
今日
一般財団法人電力中央研究所
熱化学電池
28日前
今泉工業株式会社
光発電装置及びその製造方法
12日前
続きを見る
他の特許を見る