TOP
|
特許
|
意匠
|
商標
特許ウォッチ
Twitter
他の特許を見る
10個以上の画像は省略されています。
公開番号
2025152822
公報種別
公開特許公報(A)
公開日
2025-10-10
出願番号
2024054942
出願日
2024-03-28
発明の名称
車両用灯具
出願人
株式会社小糸製作所
代理人
弁理士法人あお葉国際特許事務所
主分類
F21S
43/239 20180101AFI20251002BHJP(照明)
要約
【課題】導光体を用いた車両用灯具において、手間やコストを低減しつつ、様々な意匠的発光を実現する。
【解決手段】車両用灯具1Aは、少なくとも1つの光源22と、表面10bおよび裏面10cを有し、側面に前記光源からの光を入射する光入射部10aが設けられた板状導光体10と、を備える車両用灯具1Aであって、板状導光体10の裏面側の少なくとも一部に、所定の形状の光拡散部材12が埋設されており、板状導光体10は、光源22からの光を導光して、光拡散部材12で反射し、表面から出射する。
【選択図】図4
特許請求の範囲
【請求項1】
少なくとも1つの光源と、
表面および裏面を有し、側面に前記光源からの光を入射する光入射部が設けられた板状導光体と、
を備える車両用灯具であって、
前記板状導光体の裏面側の少なくとも一部に、所定の形状の光拡散部材が埋設されており、
前記板状導光体は、前記光源からの光を導光して、前記光拡散部材で反射し、前記表面から出射することを特徴とする車両用灯具。
続きを表示(約 550 文字)
【請求項2】
前記光拡散部材は、前記板状導光体の内部を進行する光を拡散反射する発泡層を備える発泡シートで構成されていることを特徴とする請求項1に記載の車両用灯具。
【請求項3】
前記板状導光体は、前記発泡シートをインサート部材とするインサート成形品であることを特徴とする請求項2に記載の車両用灯具。
【請求項4】
前記板状導光体は、光入射部側端部に、前記板状導光体の延在方向に沿って設けられた棒状導光体を備え、
前記光源は、前記棒状導光体の端部に設けられていることを特徴とする請求項1または2に記載の車両用灯具。
【請求項5】
前記少なくとも1つの光源は複数の光源を含み、
前記複数の光源は、前記板状導光体の一端側に、延在方向に沿って配列されており、
前記複数の光源は、シーケンシャルに点灯するように制御されることを特徴とする請求項1または2に記載の車両用灯具。
【請求項6】
前記少なくとも1つの光源が、一定の状態で点灯する第1の点灯モードと、
前記少なくとも1つの光源の点灯状態が変化する第2の点灯モードとを、
切替可能に構成されていることを特徴とする請求項1または2に記載の車両用灯具。
発明の詳細な説明
【技術分野】
【0001】
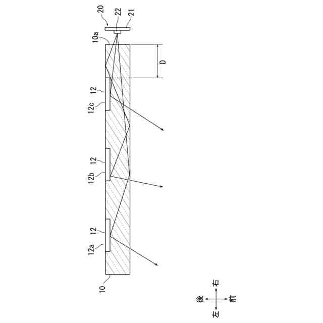
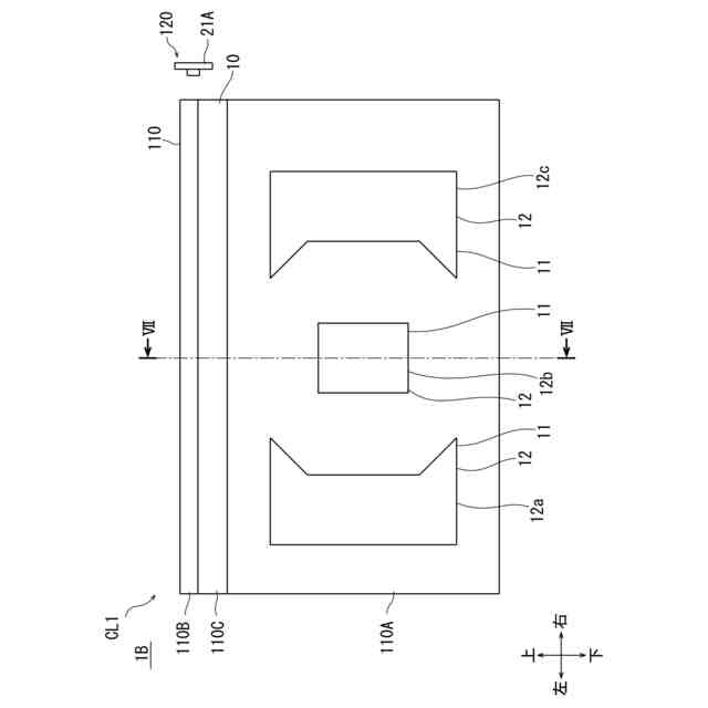
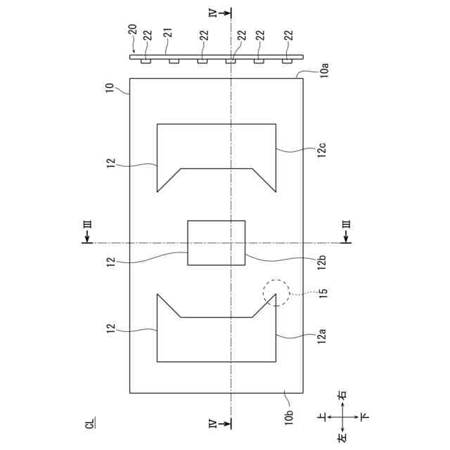
本開示は、車両用灯具に関し、より詳細には、板状導光体を用いる車両用灯具に関する。
続きを表示(約 1,100 文字)
【背景技術】
【0002】
近年、板状の導光体を備え、光源の光を導光体に入射すると共に、導光体の内部を導光された光を、当該導光体に設けた反射ステップで反射させて灯具前方に向けて照射する車両用灯具が提案されている(例えば特許文献1)。特許文献1の車両用灯具では、反射ステップの大きさを異なるものとすることで、発光パターンを異なるものとし、意匠的効果の高い発光を実現している。
【先行技術文献】
【特許文献】
【0003】
特開2023-36360号公報
【発明の概要】
【発明が解決しようとする課題】
【0004】
しかしながら、特許文献1のように反射ステップにより発光パターンを形成する場合、金型に刃物で多数の微細なステップの加工を行わなくてはならず、手間とコストがかかるという問題があった。また、ステップの加工には、刃物のR(アール)や抜き勾配等を考慮して繊細な設計が必要であるため、設計工程での工数も増大するという問題があった。また、反射ステップでは、刃物のRや抜き勾配の制約から実現不可能な発光形状があるという問題もあった。
【0005】
本発明は、係る事情を鑑みてなされたものであり、導光体を用いた車両用灯具において、手間やコストを低減しつつ、新たな意匠的発光を実現可能とすることを目的とする。
【課題を解決するための手段】
【0006】
上記目的を達成するために、本発明の1つの態様に係る車両用灯具は、以下の構成を有する。
【0007】
1.車両用灯具は、少なくとも1つの光源と、表面および裏面を有し、側面に前記光源からの光を入射する光入射部が設けられた板状導光体と、を備え、前記板状導光体の裏面側の少なくとも一部に、所定の形状の光拡散部材が埋設されており、前記板状導光体は、前記光源からの光を導光して、前記光拡散部材で反射し、前記表面から出射する。
【0008】
2.また、上記1の態様において、前記光拡散部材は、前記板状導光体の内部を進行する光を拡散反射する発泡層を備える発泡シートで構成されていることも好ましい。
【0009】
3.また、上記1および2の態様において、前記板状導光体は、前記発泡シートをインサート部材とするインサート成形品であることも好ましい。
【0010】
4.また、上記1~3の態様において、前記板状導光体は、光入射部側端部に、前記板状導光体の延在方向に沿って設けられた棒状導光体を備え、前記光源は、前記棒状導光体の端部に設けられていることも好ましい。
(【0011】以降は省略されています)
この特許をJ-PlatPat(特許庁公式サイト)で参照する
関連特許
株式会社小糸製作所
車両用灯具
23日前
株式会社小糸製作所
車両用灯具
22日前
株式会社小糸製作所
車輌用灯具
8日前
株式会社小糸製作所
車両用灯具
8日前
株式会社小糸製作所
車両用灯具
8日前
株式会社小糸製作所
車両用灯具
22日前
株式会社小糸製作所
車両用灯具
9日前
株式会社小糸製作所
車両用灯具
11日前
株式会社小糸製作所
車両用灯具
15日前
株式会社小糸製作所
車両用灯具
15日前
株式会社小糸製作所
車両用灯具
15日前
株式会社小糸製作所
照明表示装置
22日前
株式会社小糸製作所
画像投影装置
15日前
株式会社小糸製作所
画像表示装置
2日前
株式会社小糸製作所
道路冠水通知システム
9日前
株式会社小糸製作所
電子ユニット及び車両用灯具
22日前
株式会社小糸製作所
レンズに付着する雪を融かす融雪機構
18日前
株式会社小糸製作所
画像投影ユニットおよび画像投影装置
18日前
株式会社小糸製作所
車両用灯具及び車両用灯具の製造方法
22日前
株式会社小糸製作所
開閉機構、車両用灯具及び車両用前照灯
22日前
株式会社小糸製作所
車両用灯具、ハウジング及びハウジングの製造方法
22日前
株式会社小糸製作所
画像照射装置、画像投影装置、および画像照射方法
9日前
株式会社小糸製作所
配光制御装置、配光制御プログラムおよび車両用前照灯システム
22日前
株式会社小糸製作所
車両用赤外線センサ内蔵灯具
2日前
個人
室外機器
4か月前
個人
照明システム
3か月前
個人
車載機器の通気構造
1か月前
個人
気泡を用いた遊具。
6か月前
個人
消火器設置表示装置
5日前
株式会社遠藤照明
照明器具
5か月前
株式会社遠藤照明
照明装置
1か月前
能美防災株式会社
表示灯
1か月前
デンカ株式会社
照明装置
4か月前
個人
LEDライト
3か月前
株式会社小糸製作所
車両用灯具
25日前
株式会社小糸製作所
車両用灯具
25日前
続きを見る
他の特許を見る