TOP
|
特許
|
意匠
|
商標
特許ウォッチ
Twitter
他の特許を見る
10個以上の画像は省略されています。
公開番号
2025146921
公報種別
公開特許公報(A)
公開日
2025-10-03
出願番号
2025124789,2023014466
出願日
2025-07-25,2020-11-05
発明の名称
演奏操作装置および鍵盤楽器
出願人
ヤマハ株式会社
代理人
弁理士法人旺知国際特許事務所
主分類
G10H
1/34 20060101AFI20250926BHJP(楽器;音響)
要約
【課題】鍵等の可動部材の変位を検出するためのシステムに関するEMI対策を実現する。
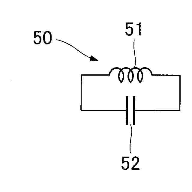
【解決手段】鍵盤楽器100は、演奏動作に応じて変位する複数の鍵12と、検出システム20と、検出システム20から放射される電磁波を遮蔽するための電磁シールド70とを具備する。検出システム20は、複数の鍵12の各々について、当該鍵12に設置された第1コイル51と、第1コイル52に対向する第2コイル61とを含み、第1コイル51と第2コイル61との距離に応じたレベルの検出信号Dを生成する。電磁シールド70は、複数の鍵12にわたり連続する第2シールド部72を含み、第2コイル61は、第1コイル51と第2シールド部72との間に位置する。
【選択図】図2
特許請求の範囲
【請求項1】
演奏動作に応じて変位する複数の可動部材と、
前記複数の可動部材の変位を検出するための磁界を発生させる複数のコイルが設置された基材と、
前記複数のコイルに平面視で重なるシールド部を含む電磁シールドと、
前記シールド部に対して間隔をあけた位置に前記基材を保持する保持部材と
を具備する演奏操作装置。
続きを表示(約 840 文字)
【請求項2】
前記複数の可動部材を支持する支持体をさらに具備し、
前記シールド部は、前記支持体に設置される
請求項1の演奏操作装置。
【請求項3】
前記シールド部は、
前記複数のコイルからみて前記可動部材とは反対側に位置する基体部と、
前記基体部から前記可動部材に向けて突出する側壁部とを含む
請求項1または請求項2の演奏操作装置。
【請求項4】
前記複数の可動部材にそれぞれ設置された複数の第1コイルをさらに具備する
請求項1から請求項3の何れかの演奏操作装置。
【請求項5】
前記複数の可動部材にそれぞれ設置された複数の容量素子をさらに具備し、
前記複数の可動部材の各々において、前記容量素子と前記第1コイルとを含む共振回路が構成される
請求項4の演奏操作装置。
【請求項6】
前記電磁シールドは、前記複数の可動部材の各々に設置された第1シールド部を含む
請求項4または請求項5の演奏操作装置。
【請求項7】
前記第1コイルは、前記コイルと前記第1シールド部との間に位置する
請求項6の演奏操作装置。
【請求項8】
前記第1シールド部は、
前記第1コイルからみて前記コイルとは反対側に位置する第1基体部と、
前記第1基体部から前記コイルに向けて突出する第1側壁部とを含む
請求項6または請求項7の演奏操作装置。
【請求項9】
前記第1シールド部の少なくとも一部は、前記可動部材に埋設される
請求項6から請求項8の何れかの演奏操作装置。
【請求項10】
前記保持部材は、前記基材と前記シールド部との間の距離を調整する調整部材である
請求項1から請求項9の何れかの演奏操作装置。
(【請求項11】以降は省略されています)
発明の詳細な説明
【技術分野】
【0001】
本開示は、演奏に利用される演奏操作装置および鍵盤楽器に関する。
続きを表示(約 2,600 文字)
【背景技術】
【0002】
例えば鍵盤楽器における鍵等の可動部材の変位を検出するための各種の技術が従来から提案されている。特許文献1には、鍵盤楽器のフレームに設置された第1コイルと、各鍵に設置された第2コイルとを利用して、各鍵の位置を検出する構成が開示されている。以上の構成において、押鍵により第2コイルが変位すると、第1コイルに流れる電流が変化する。第1コイルに流れる電流を検出することで、押鍵の有無を表す検出信号が生成される。
【先行技術文献】
【特許文献】
【0003】
米国特許第4580478号明細書
【発明の概要】
【発明が解決しようとする課題】
【0004】
しかし、特許文献1の技術においては、各コイルに供給される電流に起因した電磁波が、鍵盤楽器の周囲に位置する他の電子機器に影響するという課題がある。以上の事情を考慮して、本開示のひとつの態様は、鍵等の可動部材の位置を検出するためのシステムにおけるEMI(Electromagnetic Interference)対策の実現を目的とする。
【課題を解決するための手段】
【0005】
以上の課題を解決するために、本開示のひとつの態様に係る演奏操作装置は、演奏動作に応じて変位する複数の可動部材と、前記複数の可動部材の各々について、当該可動部材に設置された磁性体と、前記磁性体に対向するコイルとを含み、前記磁性体と前記コイルとの距離に応じたレベルの検出信号を生成する検出システムと、前記検出システムから放射される電磁波を遮蔽するための電磁シールドとを具備し、前記電磁シールドは、前記複数の可動部材にわたり連続するシールド部を含み、前記コイルは、前記磁性体と前記シールド部との間に位置する。
【0006】
本開示のひとつの態様に係る鍵盤楽器は、演奏動作に応じて変位する複数の鍵と、前記複数の鍵の各々について、当該鍵に設置された磁性体と、前記磁性体に対向するコイルとを含み、前記磁性体と前記コイルとの距離に応じたレベルの検出信号を生成する検出システムと、前記検出システムから放射される電磁波を遮蔽するための電磁シールドと、前記検出信号に応じた音を生成する音生成部とを具備し、前記電磁シールドは、前記複数の鍵にわたり連続するシールド部を含み、前記コイルは、前記磁性体と前記シールド部との間に位置する。
【図面の簡単な説明】
【0007】
第1実施形態における鍵盤楽器の構成を例示するブロック図である。
鍵盤楽器の構成を例示するブロック図である。
信号生成部の回路図である。
被検出部の回路図である。
信号処理回路の構成を例示するブロック図である。
信号生成部側からみた鍵の平面図である。
被検出部の具体的な構成を例示する平面図である。
図7におけるa-a線の断面図である。
被検出部の第1コイルに発生する磁界の説明図である。
鍵側からみた信号生成部の平面図である。
信号生成部の具体的な構成を例示する平面図である。
図10におけるb-b線の断面図である。
信号生成部の第2コイルに発生する磁界の説明図である。
第2実施形態における信号生成部の平面図である。
図14におけるc-c線の断面図である。
第2実施形態における第2シールド部の平面図である。
第2実施形態の変形例における第2シールド部の平面図である。
第3実施形態における被検出部の平面図である。
図18におけるd-d線の断面図である。
第3実施形態における第1シールド部の平面図である。
第4実施形態における信号生成部の断面図である。
第5実施形態における被検出部の断面図である。
第6実施形態に係る検出システムの模式図である。
第7実施形態に係る検出システムの模式図である。
第8実施形態に係る検出システムの模式図である。
変形例に係る第1シールド部の断面図である。
【発明を実施するための形態】
【0008】
A:第1実施形態
図1は、本開示の第1実施形態に係る鍵盤楽器100の構成を例示するブロック図である。鍵盤楽器100(「演奏操作装置」の例示)は、鍵盤10と検出システム20と情報処理装置30と放音装置40とを具備する電子楽器である。鍵盤10は、複数の白鍵と複数の黒鍵とを含む複数の鍵12(「可動部材」の例示)で構成される。複数の鍵12の各々は、利用者による演奏動作に応じて変位する可動部材である。検出システム20は、各鍵12の位置を検出する。情報処理装置30は、検出システム20による検出の結果に応じた音響信号Vを生成する。音響信号Vは、利用者が操作した鍵12に対応する音高の楽音を表す信号である。放音装置40は、音響信号Vが表す音響を放音する。例えばスピーカまたはヘッドホンが放音装置40として利用される。
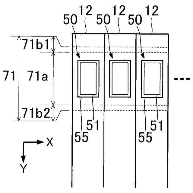
【0009】
図2は、鍵盤10の1個の鍵12に着目して鍵盤楽器100の具体的な構成を例示するブロック図である。X軸とY軸とを想定する。複数の鍵12は、X軸に沿って配列する。Y軸は、X軸に対して直交する。X-Y平面は、水平面である。各鍵12は、長手方向がY軸に沿うように配置される。すなわち、Y軸は、各鍵12の長辺に沿う軸線である。X-Y平面に垂直な方向から観察することを以下では「平面視」と表記する。
【0010】
鍵盤10の各鍵12は、支点部(バランスピン)13を支点として支持体14に支持される。支持体14は、鍵盤楽器100の各要素を支持する構造体(フレーム)である。各鍵12の端部121は、利用者による押鍵および離鍵により鉛直方向に変位する。検出システム20は、複数の鍵12の各々について、鉛直方向における端部121の位置Zに応じたレベルの検出信号Dを生成する。位置Zは、鍵12に荷重が作用しない解放状態における端部121の位置を基準とした当該端部121の変位量で表現される。
(【0011】以降は省略されています)
この特許をJ-PlatPat(特許庁公式サイト)で参照する
関連特許
ヤマハ株式会社
リード
2か月前
ヤマハ株式会社
イヤーピース
2か月前
ヤマハ株式会社
ドライバユニット
23日前
ヤマハ株式会社
音処理方法および音処理装置
1か月前
ヤマハ株式会社
音処理装置および音処理方法
1か月前
ヤマハ株式会社
音処理方法および音処理装置
1か月前
ヤマハ株式会社
音処理システム及び音処理方法
22日前
ヤマハ株式会社
収音制御方法および収音制御装置
22日前
ヤマハ株式会社
音声処理方法および音声処理装置
22日前
ヤマハ株式会社
データ処理方法およびデータ処理装置
2か月前
ヤマハ株式会社
解錠管理方法および解錠管理システム
22日前
ヤマハ株式会社
音信号処理方法および音信号処理装置
22日前
ヤマハ株式会社
駆動装置、音響装置および車両用ドア
26日前
ヤマハ株式会社
信号処理の方法、プログラムおよび装置
23日前
ヤマハ株式会社
画像処理方法、画像処理装置及びプログラム
24日前
ヤマハ株式会社
スピーカ装置、音信号処理方法及びプログラム
22日前
ヤマハ株式会社
情報処理方法、情報処理システムおよびプログラム
1か月前
ヤマハ株式会社
情報処理方法、情報処理システムおよびプログラム
22日前
ヤマハ株式会社
パネル
2か月前
ヤマハ株式会社
定位提供方法、定位提供システムおよび定位提供プログラム
2か月前
ヤマハ株式会社
スクリーンユニット
1か月前
ヤマハ株式会社
再生データ生成方法
10日前
ヤマハ株式会社
オーディオデータ処理装置、推論装置、及びオーディオデータ処理方法
22日前
ヤマハ株式会社
演奏操作装置および鍵盤楽器
22日前
ヤマハ株式会社
音の処理方法及び音処理装置
22日前
ヤマハ株式会社
楽器用検出システムおよび楽器
1か月前
ヤマハ株式会社
モデルデータ決定方法、モデルデータ決定装置およびモデルデータ決定プログラム
23日前
ヤマハ株式会社
情報処理装置、及びその制御方法
1か月前
ヤマハ株式会社
楽器用ペダルユニットおよび電子鍵盤装置
2か月前
ヤマハ株式会社
音信号処理方法および音信号処理システム
2か月前
ヤマハ株式会社
映像出力方法、映像出力装置および映像出力システム
11日前
個人
木管楽器
18日前
個人
管楽器用リガチャ-
4日前
株式会社豊田中央研究所
吸音構造体
26日前
本田技研工業株式会社
車室環境制御装置
22日前
株式会社東芝
吸音装置
24日前
続きを見る
他の特許を見る