TOP
|
特許
|
意匠
|
商標
特許ウォッチ
Twitter
他の特許を見る
公開番号
2025139754
公報種別
公開特許公報(A)
公開日
2025-09-29
出願番号
2024038765
出願日
2024-03-13
発明の名称
駆動装置、音響装置および車両用ドア
出願人
ヤマハ株式会社
代理人
弁理士法人旺知国際特許事務所
主分類
B60R
11/02 20060101AFI20250919BHJP(車両一般)
要約
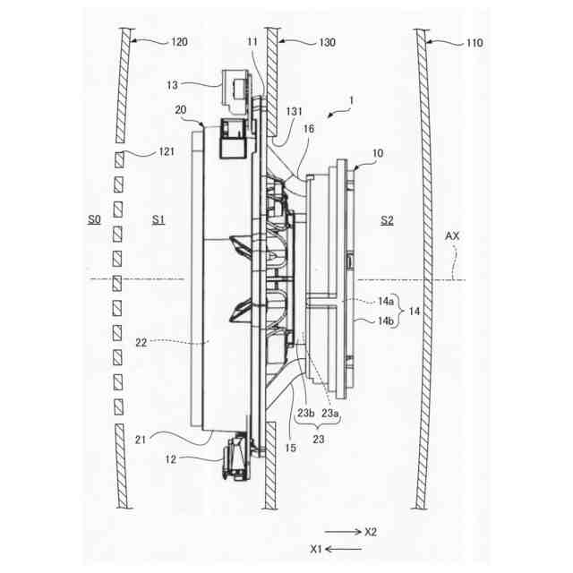
【課題】スピーカーおよびアンプの追加を伴う拡張の簡単化および低コスト化を図る。
【解決手段】車両のパネルに取り付けられるスピーカーユニットを駆動する駆動装置は、パネルに対して車内側に配置され、かつ、スピーカーユニットに支持され、音信号を含む入力信号が入力される入力コネクタと、パネルに対して車外側に配置され、かつ、スピーカーユニットに支持され、入力コネクタを介して入力される音信号を処理するアンプと、を備える。
【選択図】図1
特許請求の範囲
【請求項1】
車両のパネルに取り付けられるスピーカーユニットを駆動する駆動装置であって、
前記パネルに対して車内側に配置され、かつ、前記スピーカーユニットに支持され、音信号を含む入力信号が入力される入力コネクタと、
前記パネルに対して車外側に配置され、かつ、前記スピーカーユニットに支持され、前記入力コネクタを介して入力される前記音信号を処理するアンプと、を備える、
駆動装置。
続きを表示(約 940 文字)
【請求項2】
車両のパネルに取り付けられるスピーカーユニットを駆動する駆動装置であって、
前記スピーカーユニットに固定され、前記パネルに取り付けられるフランジと、
前記フランジに対して前記スピーカーユニットの前方側に配置され、かつ、前記スピーカーユニットに支持され、音信号を含む入力信号が入力される入力コネクタと、
前記フランジに対して前記スピーカーユニットの背面側に配置され、かつ、前記スピーカーユニットに支持され、前記入力コネクタを介して入力される前記音信号を処理するアンプと、を備える、
駆動装置。
【請求項3】
前記パネルは、車両のドアのインナーパネルである、
請求項1または2に記載の駆動装置。
【請求項4】
前記パネルに対して車内側に配置され、かつ、前記スピーカーユニットに支持され、前記入力信号に基づく出力信号が出力される出力コネクタをさらに備え、
前記アンプは、前記出力信号を前記出力コネクタに向けて出力する、
請求項3に記載の駆動装置。
【請求項5】
前記出力信号は、音信号であり、
前記出力コネクタは、前記出力信号を他のスピーカーユニットに向けて出力する、
請求項4に記載の駆動装置。
【請求項6】
前記アンプのチャネル数は、複数である、
請求項4に記載の駆動装置。
【請求項7】
前記アンプは、
増幅回路が設けられる基板と、
前記基板を収容するケースと、を有する、
請求項1または2に記載の駆動装置。
【請求項8】
前記ケースは、電磁シールド性を有する、
請求項7に記載の駆動装置。
【請求項9】
前記ケースは、放熱性を有し、前記増幅回路を構成する電子部品に熱的に接続される、
請求項7に記載の駆動装置。
【請求項10】
前記スピーカーユニットは、ヨークを含む磁気回路を有し、
前記ケースは、前記ヨークに熱的に接続される、
請求項9に記載の駆動装置。
(【請求項11】以降は省略されています)
発明の詳細な説明
【技術分野】
【0001】
本開示は、駆動装置、音響装置および車両用ドアに関する。
続きを表示(約 1,200 文字)
【背景技術】
【0002】
特許文献1では、車両のコンソール等に設置される4チャネルアンプにより、当該車両のドア等に配置される複数のスピーカーを駆動するシステムが開示される。
【先行技術文献】
【特許文献】
【0003】
特開2021-197578号公報
【発明の概要】
【発明が解決しようとする課題】
【0004】
特許文献1に記載の技術では、出力およびチャネル数等の仕様について様々なユーザーの要求を想定した場合、仕様の異なる複数種のメインユニットを予め用意する必要があったり、メインユニットを必要以上に高機能化しなければならない場合があったりする。この結果、高コスト化を招くという問題がある。
【0005】
また、特許文献1に記載の技術では、スピーカーおよびアンプの追加を伴ってシステムの拡張を行う場合、追加のアンプを車両に設置するためのスペースまたは取付部品が別途必要となるとともに、車両に対する配線の設置が複雑となってしまう。
【0006】
以上の事情を考慮して、本開示のひとつの態様は、スピーカーおよびアンプの追加を伴う拡張の簡単化および低コスト化を図ることを目的とする。
【課題を解決するための手段】
【0007】
以上の課題を解決するために、本開示の好適な態様に係る駆動装置は、車両のパネルに取り付けられるスピーカーユニットを駆動する駆動装置であって、前記パネルに対して車内側に配置され、かつ、前記スピーカーユニットに支持され、音信号を含む入力信号が入力される入力コネクタと、前記パネルに対して車外側に配置され、かつ、前記スピーカーユニットに支持され、前記入力コネクタを介して入力される前記音信号を処理するアンプと、を備える。
【0008】
また、本開示の好適な他の態様に係る駆動装置は、車両のパネルに取り付けられるスピーカーユニットを駆動する駆動装置であって、前記スピーカーユニットに固定され、前記パネルに取り付けられるフランジと、前記フランジに対して前記スピーカーユニットの前方側に配置され、かつ、前記スピーカーユニットに支持され、音信号を含む入力信号が入力される入力コネクタと、前記フランジに対して前記スピーカーユニットの背面側に配置され、かつ、前記スピーカーユニットに支持され、前記入力コネクタを介して入力される前記音信号を処理するアンプと、を備える。
【0009】
さらに、本開示の好適な態様に係る音響装置は、前述の態様の駆動装置と、前記スピーカーユニットと、を備える。
【0010】
また、本開示の好適な態様に係る車両用ドアは、前述の態様の駆動装置と、前記パネルと、を備える。
【図面の簡単な説明】
(【0011】以降は省略されています)
この特許をJ-PlatPat(特許庁公式サイト)で参照する
関連特許
ヤマハ株式会社
放音制御装置
19日前
ヤマハ株式会社
ドライバユニット
1か月前
ヤマハ株式会社
音処理方法および音処理装置
2か月前
ヤマハ株式会社
音処理装置および音処理方法
2か月前
ヤマハ株式会社
音処理方法および音処理装置
1か月前
ヤマハ株式会社
音処理システム及び音処理方法
1か月前
ヤマハ株式会社
収音制御方法および収音制御装置
1か月前
ヤマハ株式会社
音声処理方法および音声処理装置
1か月前
ヤマハ株式会社
解錠管理方法および解錠管理システム
1か月前
ヤマハ株式会社
駆動装置、音響装置および車両用ドア
1か月前
ヤマハ株式会社
音信号処理方法および音信号処理装置
1か月前
ヤマハ株式会社
データ処理方法およびデータ処理装置
2か月前
ヤマハ株式会社
信号処理の方法、プログラムおよび装置
1か月前
ヤマハ株式会社
画像処理方法、画像処理装置及びプログラム
1か月前
ヤマハ株式会社
スピーカ装置、音信号処理方法及びプログラム
1か月前
ヤマハ株式会社
情報処理方法、情報処理システムおよびプログラム
1か月前
ヤマハ株式会社
情報処理方法、情報処理システムおよびプログラム
2か月前
ヤマハ株式会社
パネル
3か月前
ヤマハ株式会社
処理装置
13日前
ヤマハ株式会社
定位提供方法、定位提供システムおよび定位提供プログラム
2か月前
ヤマハ株式会社
スクリーンユニット
2か月前
ヤマハ株式会社
再生データ生成方法
1か月前
ヤマハ株式会社
オーディオデータ処理装置、推論装置、及びオーディオデータ処理方法
1か月前
ヤマハ株式会社
鍵盤装置及び演奏操作装置
4日前
ヤマハ株式会社
音響信号処理装置、楽器、音響信号処理方法および音響信号処理プログラム
22日前
ヤマハ株式会社
演奏操作装置および鍵盤楽器
1か月前
ヤマハ株式会社
音の処理方法及び音処理装置
1か月前
ヤマハ株式会社
楽器用検出システムおよび楽器
2か月前
ヤマハ株式会社
モデルデータ決定方法、モデルデータ決定装置およびモデルデータ決定プログラム
1か月前
ヤマハ株式会社
情報処理装置、及びその制御方法
2か月前
ヤマハ株式会社
楽器用ペダルユニットおよび電子鍵盤装置
2か月前
ヤマハ株式会社
音信号処理方法および音信号処理システム
2か月前
ヤマハ株式会社
映像出力方法、映像出力装置および映像出力システム
1か月前
ヤマハ株式会社
データ出力方法、プログラム、データ出力装置および電子楽器
4日前
個人
タイヤレバー
3か月前
個人
前輪キャスター
2か月前
続きを見る
他の特許を見る