TOP
|
特許
|
意匠
|
商標
特許ウォッチ
Twitter
他の特許を見る
10個以上の画像は省略されています。
公開番号
2025146403
公報種別
公開特許公報(A)
公開日
2025-10-03
出願番号
2024047153
出願日
2024-03-22
発明の名称
横取り方法
出願人
東日本旅客鉄道株式会社
代理人
弁理士法人酒井国際特許事務所
主分類
E01D
21/00 20060101AFI20250926BHJP(道路,鉄道または橋りょうの建設)
要約
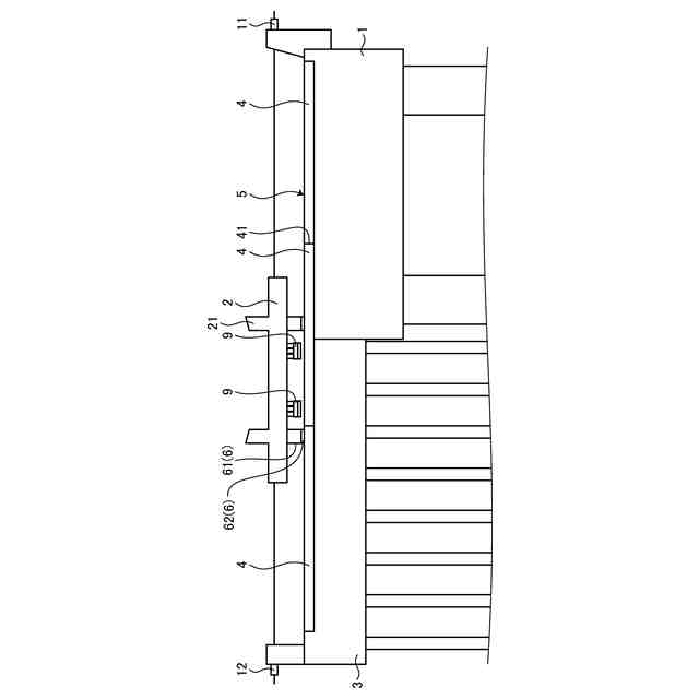
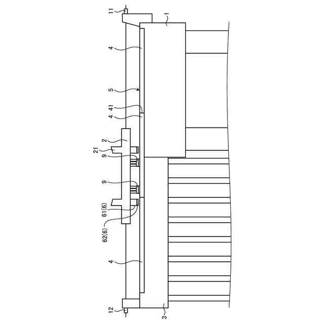
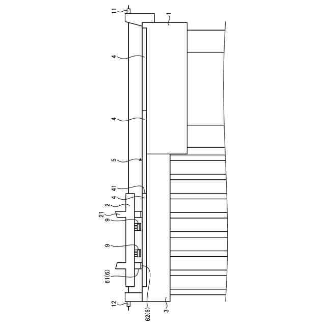
【課題】滑り面の段差の有無によらず橋桁の移動が継続可能な横取り方法を得ること。
【解決手段】横取り方法は、互いの天面が略同一平面となる滑り面を構成するように隣接された橋台と架台において、滑り面上を滑らせて架台から橋台へと橋桁を移動させる横取り方法であって、滑り面との間で橋桁を支持する第1の支承を橋桁に設ける第1の設置工程と、橋桁の移動方向に沿った第1の支承の前方または後方となる位置に、上下に伸縮可能であり縮小時に滑り面との間に隙間が形成される第2の支承を橋桁に設ける第2の設置工程と、橋桁を移動させる第1の移動工程と、第1の移動工程の後に第2の支承を伸長させることで第2の支承に橋桁を支持させて、第1の支承と滑り面との間に隙間を形成する伸長工程と、第1の支承と架台との間に隙間が形成された状態で橋桁を移動させる第2の移動工程と、を備える。
【選択図】図2
特許請求の範囲
【請求項1】
互いの天面が略同一平面となる滑り面を構成するように隣接された橋台と架台において、前記滑り面上を滑らせて前記架台から前記橋台へと橋桁を移動させる横取り方法であって、
前記滑り面との間で前記橋桁を支持する第1の支承を前記橋桁に設ける第1の設置工程と、
前記橋桁の移動方向に沿った前記第1の支承の前方または後方となる位置に、上下に伸縮可能であり縮小時に前記滑り面との間に隙間が形成される第2の支承を前記橋桁に設ける第2の設置工程と、
前記橋桁を移動させる第1の移動工程と、
前記第1の移動工程の後に前記第2の支承を伸長させることで前記第2の支承に前記橋桁を支持させて、前記第1の支承と前記滑り面との間に隙間を形成する伸長工程と、
前記第1の支承と前記架台との間に隙間が形成された状態で前記橋桁を移動させる第2の移動工程と、
を備える横取り方法。
続きを表示(約 140 文字)
【請求項2】
前記第2の移動工程の後に前記第2の支承を縮小させて、前記第1の支承に前記橋桁を支持させる縮小工程をさらに備える請求項1に記載の横取り方法。
【請求項3】
前記縮小工程の後に前記橋桁を移動させる第3の移動工程をさらに備える請求項2に記載の横取り方法。
発明の詳細な説明
【技術分野】
【0001】
本発明は、架台から橋台へ橋桁を移動させる横取り方法に関する。
続きを表示(約 1,500 文字)
【背景技術】
【0002】
既設の橋台上に橋桁を設置する工法の1つに横取り工法がある。横取り工法の一例として、橋台の横に架台を建設し、建設した架台上で橋桁を製作し、製作された橋桁が架台上から橋台上にスライドされて移動される工法がある。この横取り工法では、架台の天面と橋台の天面とが連続した略同一面とされる。互いに連続した略同一面とされた天面同士が、橋桁がスライドする滑り面となる。
【0003】
橋桁には、滑り面との間で橋桁を支持する支承が設けられる。橋桁を移動させる際に、支承の底面が滑り面と接する面となる。橋桁の移動を円滑に行うためには、支承の底面が、滑り面との摩擦係数が少ない材料で形成されている必要がある。例えば、支承の底面にはテフロン(登録商標)板が設けられる。
【0004】
架台上と橋台上とに鋼板が敷設され、この鋼板が架台の天面と橋台の天面となり、上述した滑り面を構成する。鋼板には、例えばステンレス製の鋼板が用いられる。ここで、滑り面全体を覆う大きさの鋼板を用意することは難しく、複数の鋼板が並べられて滑り面が構成される。隣接する鋼板同士の継ぎ目に段差が生じないように調整が行われるが、高精度に段差の解消を図るには多大な労力を要する。また、鋼板の敷設時には平坦性が確保されていても、横取り工法の過程で鋼板に荷重が加わることで鋼板同士の継ぎ目に突発的に段差が生じる場合もある。
【0005】
橋桁の移動中に支承が段差に当接した場合、支障の底面に設けられたテフロン板が削れることで、支障が段差を乗り越えて橋桁の移動が継続される。
【先行技術文献】
【特許文献】
【0006】
特開昭59-195908号公報
【発明の概要】
【発明が解決しようとする課題】
【0007】
しかしながら、従来技術では、段差が大きい場合や、段差を複数回乗り換えた場合に、テフロン板の損傷が大きくなって支承と滑り面との摩擦係数が増大して、橋桁の横移動の継続が難しくなってしまう場合がある。また、テフロン板の損傷を抑えて橋桁の横移動を確実に継続させるために、段差を解消したり、施工中の突発的な段差の発生を監視したりするには多大な労力を要する。
【0008】
本発明は、滑り面の段差の有無によらず橋桁の移動が継続可能な横取り方法を得ることを目的とする。
【課題を解決するための手段】
【0009】
本発明に係る横取り方法は、互いの天面が略同一平面となる滑り面を構成するように隣接された橋台と架台において、滑り面上を滑らせて架台から橋台へと橋桁を移動させる横取り方法であって、滑り面との間で橋桁を支持する第1の支承を橋桁に設ける第1の設置工程と、橋桁の移動方向に沿った第1の支承の前方または後方となる位置に、上下に伸縮可能であり縮小時に滑り面との間に隙間が形成される第2の支承を橋桁に設ける第2の設置工程と、橋桁を移動させる第1の移動工程と、第1の移動工程の後に第2の支承を伸長させることで第2の支承に橋桁を支持させて、第1の支承と滑り面との間に隙間を形成する伸長工程と、第1の支承と架台との間に隙間が形成された状態で橋桁を移動させる第2の移動工程と、を備える。
【発明の効果】
【0010】
本発明によれば、滑り面の段差の有無によらず橋桁の移動が継続可能な横取り方法を得ることができるという効果がある。
【図面の簡単な説明】
(【0011】以降は省略されています)
特許ウォッチbot のツイートを見る
この特許をJ-PlatPat(特許庁公式サイト)で参照する
関連特許
東日本旅客鉄道株式会社
横取り方法
2日前
東日本旅客鉄道株式会社
深礎基礎および深礎基礎の施工方法
3日前
東日本旅客鉄道株式会社
情報処理装置、情報処理方法および情報処理プログラム
24日前
個人
折り畳み式標識具
3日前
GX株式会社
仮設防護体
25日前
日本精機株式会社
路面投影装置
1か月前
株式会社熊谷組
床版接合構造
6日前
範多機械株式会社
路面切削機
1か月前
北越消雪機械工業株式会社
消雪装置
3日前
GX株式会社
昇降式仮設防護体
16日前
GX株式会社
仮設防護体連結構造
1か月前
前田工繊株式会社
防護柵
18日前
株式会社熊谷組
床版継手装置、及び、床版
6日前
中井商工株式会社
橋梁の桁端止水工法
6日前
浅香工業株式会社
レーキ
13日前
株式会社トップ
立て看板用スロープおよび立て看板
1か月前
株式会社幸和道路
自走式道路路面標示文字描画車両
24日前
株式会社三共
足場用移動屋根装置及び橋梁用足場
26日前
株式会社NIPPO
法面機械
16日前
株式会社NIPPO
コンクリートスタッカ
2日前
十武建設株式会社
舗装材吹付け装置、および吹付け施工方法
24日前
共和ゴム株式会社
床版敷設シール材
1か月前
株式会社栗本鐵工所
検査路及びステップ
1か月前
東日本旅客鉄道株式会社
横取り方法
2日前
酒井重工業株式会社
振動ローラ
1か月前
株式会社大林組
新設床版の設置工法
1か月前
日本環境アメニティ株式会社
吊下げ式減音装置及び高架橋
1か月前
株式会社NIPPO
路面切削装置及び路面切削方法
1か月前
株式会社NIPPO
法面作業装置
16日前
株式会社NIPPO
法面作業装置
16日前
五洋建設株式会社
床版部材設置装置及び床版部材の設置方法
24日前
株式会社NIPPO
コンクリート舗装の施工方法
6日前
ベルテクス株式会社
壁高欄部材及び壁高欄
1か月前
株式会社NIPPO
半たわみ性舗装及びその施工方法
1か月前
大成建設株式会社
床版接合部の設計方法
6日前
株式会社NIPPO
再生アスファルト混合物の製造方法
24日前
続きを見る
他の特許を見る