TOP
|
特許
|
意匠
|
商標
特許ウォッチ
Twitter
他の特許を見る
公開番号
2025145350
公報種別
公開特許公報(A)
公開日
2025-10-03
出願番号
2024045471
出願日
2024-03-21
発明の名称
運転者認知機能改善システム
出願人
トヨタ自動車株式会社
代理人
弁理士法人あーく事務所
主分類
G10K
15/04 20060101AFI20250926BHJP(楽器;音響)
要約
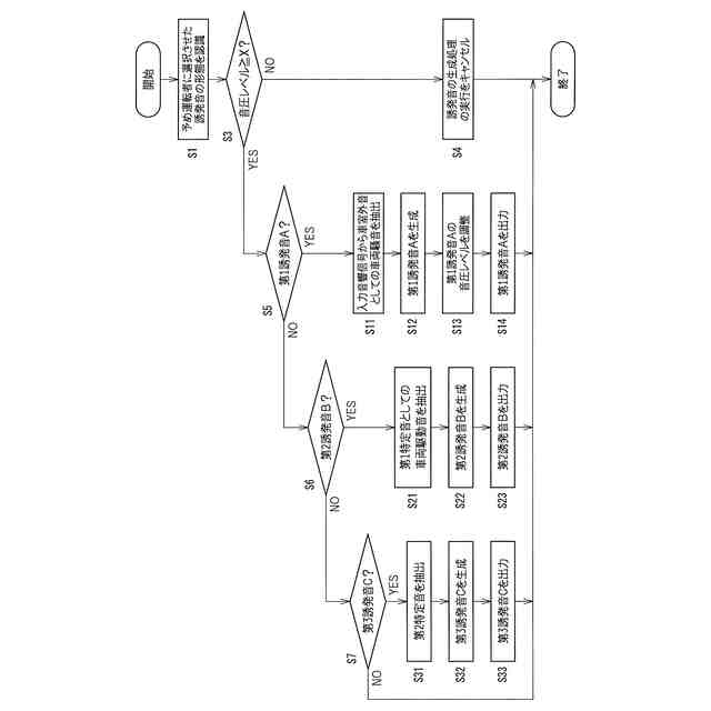
【課題】運転者に不快感を与えないようにしたうえで、脳の前頭葉、頭頂葉を活性化する運転者認知機能改善システム。
【解決手段】車両室内に設置されて音を収集する音響入力装置2と、車両室内に設置されて音を出力する音響出力装置3と、運転者の脳にガンマ波を誘発させる効果を発揮する誘発音の形態として、複数のうちの1つを運転者に選択させるための操作部4と、音響入力装置2により収集した音の音圧レベルが所定の閾値XdB以上である場合に、前記選択された形態の誘発音を生成し、当該誘発音を音響入力装置2より収集される音に重ねるように音響出力装置3から出力させる制御部6と、を備え、制御部6は、操作部4により選択された誘発音の形態に応じて音響入力装置2で収集した音または予め記憶されている特定音をガンマ波周波数で振幅変調することにより誘発音を生成する。
【選択図】図3
特許請求の範囲
【請求項1】
車両室内に設置されて音を収集する音響入力装置と、
車両室内に設置されて音を出力する音響出力装置と、
運転者の脳にガンマ波を誘発させる効果を発揮する誘発音の形態として複数のうちの1つを運転者に選択させるための操作部と、
前記音響入力装置により収集した音の音圧レベルが所定の閾値以上である場合に、前記選択された形態の誘発音を生成し、当該誘発音を前記音響入力装置より収集される音に重ねるように前記音響出力装置から出力させる制御部と、を備え、
前記制御部は、前記操作部により選択された誘発音の形態に応じて前記音響入力装置で収集した音または予め用意されている特定音をガンマ波周波数で振幅変調することにより誘発音を生成することを特徴とする運転者認知機能システム。
発明の詳細な説明
【技術分野】
【0001】
本発明は、運転者認知機能改善システムに関する。
続きを表示(約 1,200 文字)
【背景技術】
【0002】
例えば特許文献1には、「聴者に与える不快感を抑制しながら入力音響信号の振幅を変化させる信号処理装置、認知機能改善システム、信号処理方法、及びプログラムを提供する。この特許文献1には、聴者に与える不快感を抑制するガンマ波誘発音を生成できる」ということが記載されている。
【先行技術文献】
【特許文献】
【0003】
特開2023-107248号公報
【発明の概要】
【発明が解決しようとする課題】
【0004】
上記特許文献1では、TV、ラジオ、音楽プレーヤなどの音(音楽、音声など)をガンマ波の周波数に対応する振幅の変化になるよう変調し、この変調した音を出力しているため、ユーザは前記音(音楽、音声など)が聞き取りづらくなり、不快に感じることが懸念される。
【0005】
このような事情に鑑み、本発明は、運転者に不快感を与えないようにしたうえで、脳の前頭葉、頭頂葉を活性化する運転者認知機能改善システムの提供を目的としている。
【課題を解決するための手段】
【0006】
本発明に係る運転者認知機能改善システムは、車両室内に設置されて音を収集する音響入力装置と、車両室内に設置されて音を出力する音響出力装置と、運転者の脳にガンマ波を誘発させる効果を発揮する誘発音の形態として複数のうちの1つを運転者に選択させるための操作部と、前記音響入力装置により収集した音の音圧レベルが所定の閾値以上である場合に、前記選択された形態の誘発音を生成し、当該誘発音を前記音響入力装置より収集される音に重ねるように前記音響出力装置から出力させる制御部と、を備え、前記制御部は、前記操作部により選択された誘発音の形態に応じて前記音響入力装置で収集した音または予め用意されている特定音をガンマ波周波数で振幅変調することにより誘発音を生成することを特徴としている。
【0007】
この構成では、要するに、運転者の脳にガンマ波を誘発させる効果を発揮する誘発音を生成して、当該生成した誘発音を前記音響入力装置により収集される音に重ねて出力させるようにしている。
【0008】
これにより、運転者の耳には、前記音響入力装置により収集される音と前記音響出力装置から出力される前記誘発音とがほぼ同時に入るようになる。
【0009】
そのため、人の聴覚特性のサウンドマスキング効果により運転者が前記誘発音を認識しにくくなるので、運転者に不快感を与えたり、注意力を散漫にさせたりすることを抑制できるようになる。
【0010】
しかも、前記誘発音は、運転者に認識されないものの、当該運転者の耳に入るので、当該運転者の脳にガンマ波が誘発されることになり、その結果として、運転者の脳の前頭葉、頭頂葉が活性化されるなど、運転者の認知機能の改善に貢献できるようになる。
(【0011】以降は省略されています)
この特許をJ-PlatPat(特許庁公式サイト)で参照する
関連特許
トヨタ自動車株式会社
車両前部構造
今日
トヨタ自動車株式会社
ハイブリッド車両の制御装置
今日
トヨタ自動車株式会社
空気清浄装置及び空気清浄方法
今日
トヨタ自動車株式会社
後方車両接近通知装置及び後方車両接近通知装置の通知方法
今日
トヨタ自動車株式会社
車両の制御装置、車両の制御方法、及びコンピュータプログラム
今日
トヨタ自動車株式会社
車両用表示制御装置、車両用表示システム、車両、表示方法及びプログラム
今日
個人
遮音材
今日
個人
管楽器用リガチャ-
17日前
個人
歌唱補助器具
9日前
個人
音声出力装置
今日
大和ハウス工業株式会社
音低減設備
10日前
DIC株式会社
吸音材及び吸音部品
11日前
NOK株式会社
吸音構造体
2日前
横浜ゴム株式会社
多層空洞音響材
今日
矢崎総業株式会社
車両用対話システム
1日前
株式会社SinasSP
自動騒音低減装置
22日前
カシオ計算機株式会社
発音装置、発音方法及びプログラム
24日前
株式会社第一興商
カラオケ装置
1日前
トヨタ自動車株式会社
判定装置
24日前
株式会社JVCケンウッド
収音装置、収音方法、およびプログラム
24日前
ブラザー工業株式会社
カラオケ用プログラム、及び、カラオケ装置
28日前
大建工業株式会社
吸音体及び音環境調整構造
24日前
ブラザー工業株式会社
音声録音装置、及び、音声録音用プログラム
28日前
有限会社ツバサ
エレキギターおよび保護フィルム付きの樹脂プレート
22日前
有限会社 宮脇工房
モーター挙動音発生装置
9日前
株式会社SUBARU
乗物用遮音構造体、及び車両
21日前
株式会社NTTドコモ
情報処理装置及び情報処理方法
29日前
株式会社リコー
対話装置、対話システム、対話方法及びプログラム
28日前
本田技研工業株式会社
能動型振動騒音制御装置
28日前
本田技研工業株式会社
能動型振動騒音制御装置
28日前
株式会社クラウン・パッケージ
音発生具及び音発生具を形成するブランクシート
28日前
固昌通訊股ふん有限公司
音響調整装置
14日前
株式会社コルグ
楽音信号変換装置、楽音信号変換方法、プログラム
3日前
カシオ計算機株式会社
情報処理装置、方法およびプログラム
24日前
株式会社東芝
発話言語理解のためのシステムおよび方法
15日前
安克創新科技股フン有限公司
通話ノイズキャンセリング方法及びイヤホン
15日前
続きを見る
他の特許を見る