TOP
|
特許
|
意匠
|
商標
特許ウォッチ
Twitter
他の特許を見る
公開番号
2025144650
公報種別
公開特許公報(A)
公開日
2025-10-03
出願番号
2024044402
出願日
2024-03-21
発明の名称
冷温水供給システム
出願人
株式会社竹中工務店
代理人
個人
主分類
F24F
5/00 20060101AFI20250926BHJP(加熱;レンジ;換気)
要約
【課題】冷水利用部及び温水利用部に対して冷水生成部及び温水生成部で生成された冷水及び温水を供給する冷温水供給システムにおいて、冷温水兼用ポンプの状態を冷水ポンプ機能状態と温水ポンプ機能状態との間で切り替え可能な切替手段を備えることでポンプの必要台数を削減しながら、装置構成の簡素化により、更なる省スペース化、低コスト化、メンテナンス性の向上を実現する。
【解決手段】冷温水兼用ポンプ30A,30B,30Cの接続台数が異なる複数の冷温水兼用往きヘッダ31A,31B,31Cを備え、切替手段37A,37B,37Cが、複数の冷温水兼用往きヘッダ31A,31B,31Cの夫々に対する冷水生成部40及び温水生成部50の接続状態を切り替えることにより、冷温水兼用往きヘッダ31A,31B,31C毎に冷温水兼用ポンプ30A,30B,30Cの状態を冷水ポンプ機能状態と温水ポンプ機能状態との間で切り替える。
【選択図】図1
特許請求の範囲
【請求項1】
冷水ポンプの送水動力により冷水生成部が生成した冷水を冷水利用部に供給する冷水供給管路と、温水ポンプの送水動力により温水生成部が生成した温水を温水利用部に供給する温水供給管路と、複数の冷温水兼用ポンプと、を備え、前記複数の冷温水兼用ポンプの夫々の状態を、前記冷水供給管路に接続して前記冷水ポンプとして機能する冷水ポンプ機能状態と、前記温水供給管路に接続して前記温水ポンプとして機能する温水ポンプ機能状態との間で切り替え可能な切替手段を備えた冷温水供給システムであって、
前記冷温水兼用ポンプの接続台数が異なる複数の冷温水兼用往きヘッダを備え、
前記切替手段が、前記複数の冷温水兼用往きヘッダの夫々に対する前記冷水生成部及び前記温水生成部の接続状態を切り替えることにより、前記冷温水兼用往きヘッダ毎に前記冷温水兼用ポンプの状態を前記冷水ポンプ機能状態と前記温水ポンプ機能状態との間で切り替える手段である冷温水供給システム。
続きを表示(約 130 文字)
【請求項2】
前記冷水利用部及び前記温水利用部における熱負荷に応じて、前記冷水ポンプ機能状態とされる前記冷温水兼用ポンプの台数と前記温水ポンプ機能状態とされる前記冷温水兼用ポンプの台数とを設定する台数設定手段を備えた請求項1に記載の冷温水供給システム。
発明の詳細な説明
【技術分野】
【0001】
本発明は、冷水利用部及び温水利用部に対して冷水生成部及び温水生成部で生成された冷水及び温水を供給する冷温水供給システムに関する。
続きを表示(約 2,700 文字)
【背景技術】
【0002】
冷水利用部及び温水利用部に対して冷水生成部及び温水生成部で生成された冷水及び温水を冷水供給管路及び温水供給管路を通じて供給する冷温水供給システムとして、特許文献1記載のものが知られている。
特許文献1記載の冷温水供給システムは、複数の冷温水兼用ポンプ(11,12,13)を備え、これら複数の冷温水兼用ポンプ(11,12,13)の夫々の状態を、冷水供給管路(37)に接続して冷水ポンプとして機能する冷水ポンプ機能状態と、温水供給管路(38)に接続して温水ポンプとして機能する温水ポンプ機能状態との間で切り替える切替手段(16~27)を備える。そして、このような冷温水兼用ポンプを設けることにより、冷水供給管路及び温水供給管路の夫々における冷水及び温水の最大供給可能流量を季節等の変化に応じて変更するために必要なポンプの台数を削減することができ、このことで、省スペース化、低コスト化、メンテナンス性の向上等が実現できる。
【先行技術文献】
【特許文献】
【0003】
特開昭53-032943号公報
【発明の概要】
【発明が解決しようとする課題】
【0004】
しかしながら、特許文献1記載の冷温水供給システムは、全て(3台)のポンプが冷温水兼用ポンプとされており、更に、各冷温水兼用ポンプに対して個別に状態を切り替えるための多くの切替手段(切替弁)が設けられている。従って、各ポンプに対する配管構造が煩雑になる上に、各ポンプに対応して設けられた切替手段の作動制御が煩雑になるという問題がある。
この実情に鑑み、本発明の主たる課題は、冷水利用部及び温水利用部に対して冷水生成部及び温水生成部で生成された冷水及び温水を供給する冷温水供給システムにおいて、冷温水兼用ポンプの状態を冷水ポンプ機能状態と温水ポンプ機能状態との間で切り替え可能な切替手段を備えることでポンプの必要台数を削減しながら、装置構成の簡素化により、更なる省スペース化、低コスト化、メンテナンス性の向上を実現できる技術を提供する点にある。
【課題を解決するための手段】
【0005】
本発明の第1特徴構成は、冷水ポンプの送水動力により冷水生成部が生成した冷水を冷水利用部に供給する冷水供給管路と、温水ポンプの送水動力により温水生成部が生成した温水を温水利用部に供給する温水供給管路と、複数の冷温水兼用ポンプと、を備え、前記複数の冷温水兼用ポンプの夫々の状態を、前記冷水供給管路に接続して前記冷水ポンプとして機能する冷水ポンプ機能状態と、前記温水供給管路に接続して前記温水ポンプとして機能する温水ポンプ機能状態との間で切り替え可能な切替手段を備えた冷温水供給システムであって、
前記冷温水兼用ポンプの接続台数が異なる複数の冷温水兼用往きヘッダを備え、
前記切替手段が、前記複数の冷温水兼用往きヘッダの夫々に対する前記冷水生成部及び前記温水生成部の接続状態を切り替えることにより、前記冷温水兼用往きヘッダ毎に前記冷温水兼用ポンプの状態を前記冷水ポンプ機能状態と前記温水ポンプ機能状態との間で切り替える手段である点にある。
【0006】
本構成によれば、冷温水兼用ポンプの接続台数が異なる複数の冷温水兼用往きヘッダを備えるので、上記切替手段は、これら複数の冷温水兼用往きヘッダの夫々に対する冷水生成部及び温水生成部の接続状態を切り替えることにより、冷温水兼用往きヘッダ毎にまとめて冷温水兼用ポンプの状態を上記冷水ポンプ機能状態と上記温水ポンプ機能状態との間で切り替えることができる。このことで、冷水供給管路及び温水供給管路の夫々における冷水及び温水の最大供給可能流量を季節等の変化に応じて適宜変更可能としながら、上記冷温水兼用ポンプの設置台数に比べて上記切替手段の数を少なくして、装置構成を簡素化することができる。
従って、本発明により、冷水利用部及び温水利用部に対して冷水生成部及び温水生成部で生成された冷水及び温水を供給する冷温水供給システムにおいて、冷温水兼用ポンプの状態を冷水ポンプ機能状態と温水ポンプ機能状態との間で切り替え可能な切替手段を備えることでポンプの必要台数を削減しながら、装置構成の簡素化により、更なる省スペース化、低コスト化、メンテナンス性の向上を実現できる技術を提供することができる。
【0007】
本発明の第2特徴構成は、前記冷水利用部及び前記温水利用部における熱負荷に応じて、前記冷水ポンプ機能状態とされる前記冷温水兼用ポンプの台数と前記温水ポンプ機能状態とされる前記冷温水兼用ポンプの台数とを設定する台数設定手段を備えた点にある。
【0008】
本構成によれば、上述した切替手段により、冷温水兼用往きヘッダ毎にまとめて冷温水兼用ポンプの状態を冷水ポンプ機能状態と温水ポンプ機能状態との間で切り替えるにあたり、上記台数設定手段により、冷水ポンプ機能状態とされる冷温水兼用ポンプの台数と温水ポンプ機能状態とされる冷温水兼用ポンプの台数とが、冷水利用部及び温水利用部における熱負荷に応じて自動的に設定されることになる。このことで、季節等の変化に応じて、冷水供給管路及び温水供給管路の夫々における冷水及び温水の最大供給可能流量を適切かつ確実に変更することができる。
【図面の簡単な説明】
【0009】
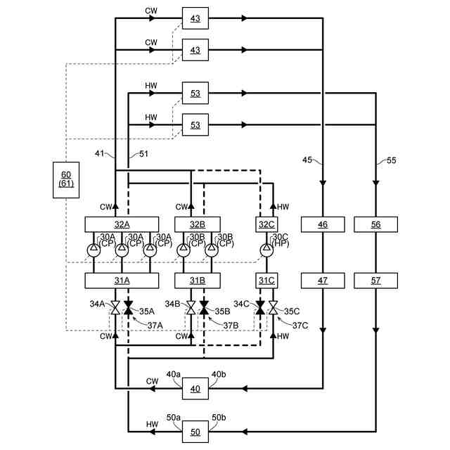
本実施形態の冷温水供給システムの概略構成及び夏期運転モードでの作動状態を示す図
本実施形態の冷温水供給システムの概略構成及び冬期運転モードでの作動状態を示す図
本実施形態の冷温水供給システムの概略構成及び中間期運転モードでの作動状態を示す図
【発明を実施するための形態】
【0010】
本発明に係る冷温水供給システムの実施形態について、図1、図2、及び図3に基づいて説明する。
本実施形態の冷温水供給システム(以下「本システム」と呼ぶ)は、図1、図2、及び図3に示すように、空調装置などの冷水利用部43及び温水利用部53に対して、チラーやヒートポンプなどの冷水生成部40及び温水生成部50で生成された冷水CW及び温水HWを供給するシステムとして構成されている。
尚、図1、図2、及び図3において、開放した弁を白抜きで表示し、閉鎖した弁を黒塗りで表示し、水が流通している管路や作動中のポンプは実線で表示し、水が流通していない管路や停止中のポンプは破線で表示している。
(【0011】以降は省略されています)
この特許をJ-PlatPat(特許庁公式サイト)で参照する
関連特許
株式会社竹中工務店
構造物
1日前
株式会社竹中工務店
建物構造
2日前
株式会社竹中工務店
建物構造
21日前
株式会社竹中工務店
免震構造
13日前
株式会社竹中工務店
免震建物
7日前
株式会社竹中工務店
跳ね出し架構
21日前
株式会社竹中工務店
水硬性組成物
28日前
株式会社竹中工務店
煙突改修方法
2日前
株式会社竹中工務店
構造物の施工方法
1か月前
株式会社竹中工務店
帯状木質材巻付体
9日前
株式会社竹中工務店
人流推定装置及び人流推定方法
10日前
株式会社竹中工務店
荷重支持構造及び荷重支持方法
8日前
株式会社竹中工務店
コンクリート製の床材の施工方法
28日前
株式会社竹中工務店
場所打ちコンクリート杭の施工方法
13日前
株式会社竹中工務店
ノイズ除去方法及びノイズ除去プログラム
15日前
株式会社竹中工務店
ジオポリマー組成物及びジオポリマー硬化体
8日前
株式会社竹中工務店
鉄筋コンクリート躯体と鉄骨柱との接合構造
20日前
株式会社竹中工務店
輝度分布推定装置及び輝度分布推定プログラム
15日前
株式会社竹中工務店
水硬性組成物及び水硬性組成物硬化体の製造方法
28日前
株式会社竹中工務店
熱中症リスク評価支援装置及び熱中症リスク評価支援プログラム
7日前
日本製鉄株式会社
セメント硬化体補強用鋼繊維及びセメント組成物
15日前
株式会社竹中工務店
地盤改良用セメントスラリー組成物及びソイルセメントスラリーの調製方法
28日前
株式会社竹中工務店
木質柱仕口部材接合構造、プレキャスト仕口部材の施工方法、及びプレキャスト仕口部材
13日前
株式会社トヨトミ
五徳
13日前
株式会社コロナ
空調装置
13日前
株式会社コロナ
空調装置
13日前
株式会社コロナ
加湿装置
1か月前
株式会社コロナ
空調装置
28日前
株式会社コロナ
給湯装置
3か月前
株式会社コロナ
空調装置
1か月前
個人
油ハネ防止カーテン
2日前
株式会社コロナ
空調装置
2か月前
株式会社コロナ
空調装置
1か月前
個人
住宅換気空調システム
2か月前
株式会社コロナ
空気調和機
2か月前
個人
太陽光パネル傾斜装置
23日前
続きを見る
他の特許を見る