TOP
|
特許
|
意匠
|
商標
特許ウォッチ
Twitter
他の特許を見る
公開番号
2025143965
公報種別
公開特許公報(A)
公開日
2025-10-02
出願番号
2024043502
出願日
2024-03-19
発明の名称
補助セット
出願人
株式会社竹中工務店
代理人
個人
主分類
B25D
17/28 20060101AFI20250925BHJP(手工具;可搬型動力工具;手工具用の柄;作業場設備;マニプレータ)
要約
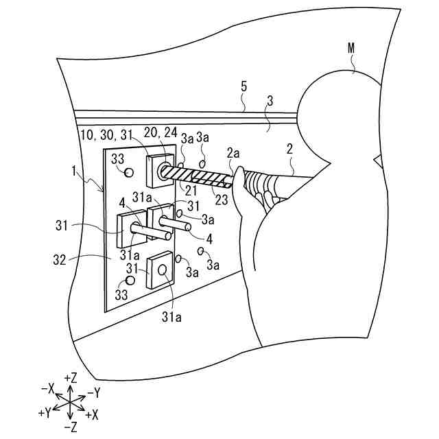
【課題】木製の集成材に対してピン部材を打ち込む作業の作業性を向上させることが可能となる、補助セットを提供すること。
【解決手段】補助セット1は、打込工具2を用いて木製集成材3に対してピン部材4を打ち込む際に、当該打ち込みを補助するためのものであって、ピン部材4が打込完了位置まで打ち込まれるように、打込工具2の打込部2aをガイドするためのガイド部10を備え、ガイド部10は、打込工具2に取り付け可能な第1ガイド部20と、木製集成材3に取り付け可能であり、且つ第1ガイド部20を嵌合可能な第2ガイド部30と、を備える。
【選択図】図1
特許請求の範囲
【請求項1】
打込工具を用いて木製の集成材に対してピン部材を打ち込む際に、当該打ち込みを補助するための補助セットであって、
前記ピン部材が打込完了位置まで打ち込まれるように、前記打込工具の打込部をガイドするためのガイド手段を備え、
前記ガイド手段は、
前記打込工具に取り付け可能な第1ガイド手段と、
前記集成材に取り付け可能であり、且つ前記第1ガイド手段を嵌合可能な第2ガイド手段と、を備える、
補助セット。
続きを表示(約 260 文字)
【請求項2】
前記第1ガイド手段は、
前記第2ガイド手段に嵌合される被嵌合部と、
前記打込部の先端部を前記被嵌合部の略先端までガイド可能な第1ガイド本体部と、を備える、
請求項1に記載の補助セット。
【請求項3】
前記第2ガイド手段は、
前記第1ガイド手段を嵌合可能な嵌合孔を有する第2ガイド本体部と、
前記集成材に対して前記ピン部材を打ち込む際に前記集成材が損傷することを回避するための養生部と、を備える、
請求項1又は2に記載の補助セット。
発明の詳細な説明
【技術分野】
【0001】
本発明は、補助セットに関する。
続きを表示(約 1,500 文字)
【背景技術】
【0002】
従来から、木製の耐火集成材と他の部材とを接続するための技術の一つとして、ピン部材を介して木製の耐火集成材の柱心材と鋼製の接合部材とを接続する技術が提案されている(例えば、特許文献1参照)。このような技術の作業については、例えば、第1の作業者がピン部材を打ち込むための打込工具をガイドするための治具を支えながら、第2の作業者が打込工具を操作することにより、行われる。
【先行技術文献】
【特許文献】
【0003】
特開2017-053098号公報
【発明の概要】
【発明が解決しようとする課題】
【0004】
ところで、近年では、木製の耐火集成材に対してピン部材を打ち込む作業の作業性を向上させたいというニーズが高まっている。しかしながら、上記従来の技術においては、上述したように、上記作業が二人の作業者(第1の作業者、第2の作業者)で行われることから、上記作業の施工歩掛を伸ばすことが難しくなるという問題があった。よって、上記作業の作業性を向上させる観点からは、改善の余地があった。
【0005】
本発明は、上記に鑑みてなされたものであって、木製の耐火集成材の如き木製の集成材に対してピン部材を打ち込む作業の作業性を向上させることが可能となる、補助セットを提供することを目的とする。
【課題を解決するための手段】
【0006】
上述した課題を解決し、目的を達成するために、請求項1に記載の補助セットは、打込工具を用いて木製の集成材に対してピン部材を打ち込む際に、当該打ち込みを補助するための補助セットであって、前記ピン部材が打込完了位置まで打ち込まれるように、前記打込工具の打込部をガイドするためのガイド手段を備え、前記ガイド手段は、前記打込工具に取り付け可能な第1ガイド手段と、前記集成材に取り付け可能であり、且つ前記第1ガイド手段を嵌合可能な第2ガイド手段と、を備える。
【0007】
請求項2に記載の補助セットは、請求項1に記載の補助セットにおいて、前記第1ガイド手段は、前記第2ガイド手段に嵌合される被嵌合部と、前記打込部の先端部を前記被嵌合部の略先端までガイド可能な第1ガイド本体部と、を備える。
【0008】
請求項3に記載の補助セットは、請求項1又は2に記載の補助セットにおいて、前記第2ガイド手段は、前記第1ガイド手段を嵌合可能な嵌合孔を有する第2ガイド本体部と、前記集成材に対して前記ピン部材を打ち込む際に前記集成材が損傷することを回避するための養生部と、を備える。
【発明の効果】
【0009】
請求項1に記載の補助セットによれば、ピン部材が打込完了位置まで打ち込まれるように、打込工具の打込部をガイドするためのガイド手段を備え、ガイド手段は、打込工具に取り付け可能な第1ガイド手段と、集成材に取り付け可能であり、且つ第1ガイド手段を嵌合可能な第2ガイド手段と、を備えるので、木製の集成材に対してピン部材を打ち込む作業を一人の作業者で正確に行うことができ、当該作業の作業性を向上させることができる。
【0010】
請求項2に記載の補助セットによれば、第1ガイド手段は、第2ガイド手段に嵌合される被嵌合部と、打込部の先端部を被嵌合部の略先端までガイド可能な第1ガイド本体部と、を備えるので、第1ガイド手段を簡易に構成でき、第1ガイド手段の製造性を高めることができる。
(【0011】以降は省略されています)
この特許をJ-PlatPat(特許庁公式サイト)で参照する
関連特許
株式会社竹中工務店
免震構造
8日前
株式会社竹中工務店
免震建物
2日前
株式会社竹中工務店
建物構造
16日前
株式会社竹中工務店
跳ね出し架構
16日前
株式会社竹中工務店
帯状木質材巻付体
4日前
株式会社竹中工務店
荷重支持構造及び荷重支持方法
3日前
株式会社竹中工務店
人流推定装置及び人流推定方法
5日前
株式会社竹中工務店
場所打ちコンクリート杭の施工方法
8日前
株式会社竹中工務店
ノイズ除去方法及びノイズ除去プログラム
10日前
株式会社竹中工務店
ジオポリマー組成物及びジオポリマー硬化体
3日前
株式会社竹中工務店
鉄筋コンクリート躯体と鉄骨柱との接合構造
15日前
株式会社竹中工務店
輝度分布推定装置及び輝度分布推定プログラム
10日前
株式会社竹中工務店
熱中症リスク評価支援装置及び熱中症リスク評価支援プログラム
2日前
日本製鉄株式会社
セメント硬化体補強用鋼繊維及びセメント組成物
10日前
株式会社竹中工務店
地盤改良用セメントスラリー組成物及びソイルセメントスラリーの調製方法
23日前
株式会社竹中工務店
木質柱仕口部材接合構造、プレキャスト仕口部材の施工方法、及びプレキャスト仕口部材
8日前
個人
折りたたみ工具
1か月前
個人
フラワーホッチキス。
18日前
株式会社三協システム
製函機
1か月前
川崎重工業株式会社
ロボット
1か月前
CKD株式会社
把持装置
1か月前
株式会社三協システム
移載装置
1か月前
株式会社竹中工務店
補助セット
1か月前
株式会社不二越
ロボット
1か月前
株式会社不二越
ロボット操作装置
1か月前
川崎重工業株式会社
ハンド
22日前
SMC株式会社
着脱装置
1か月前
株式会社ミクロブ
把持装置
1か月前
株式会社マキタ
ハンマドリル
5日前
株式会社マキタ
ハンマドリル
5日前
太陽パーツ株式会社
アシストスーツ
1か月前
株式会社不二越
移動ロボットシステム
1か月前
工機ホールディングス株式会社
作業機
22日前
トヨタ自動車株式会社
ロボット
25日前
株式会社不二越
ロボットシステム
1か月前
川崎重工業株式会社
塗装システム
22日前
続きを見る
他の特許を見る