TOP
|
特許
|
意匠
|
商標
特許ウォッチ
Twitter
他の特許を見る
10個以上の画像は省略されています。
公開番号
2025162429
公報種別
公開特許公報(A)
公開日
2025-10-27
出願番号
2024065724
出願日
2024-04-15
発明の名称
ハンマドリル
出願人
株式会社マキタ
代理人
個人
,
個人
主分類
B25D
16/00 20060101AFI20251020BHJP(手工具;可搬型動力工具;手工具用の柄;作業場設備;マニプレータ)
要約
【課題】ツールホルダの前後位置によって動作モードを選択可能としたものにおいて、ツールホルダへの押し込み力が増大しても、ツールホルダの後退規制位置を安定させて回転のみモードでの信頼性を向上させる。
【解決手段】ハンマドリル1は、規制プレート71の第1の切替状態では、ツールホルダ35の後退位置への後退に伴いツールホルダ35の回転と打撃部50の打撃動作とが同時に可能なハンマドリルモードとなり、規制プレート71の第2の切替状態では、ツールホルダ35の前進位置からの後退が規制されてツールホルダ35が回転のみ可能なドリルモード又はクラッチモードとなる。規制プレート71は、打撃軸線L方向でチェンジプレート43よりも後方に配置されて、チェンジプレート43に当接してチェンジプレート43の後退を規制する2つの規制部76,76が、打撃軸線Lを中心として互いに対向する左右の領域にそれぞれ1つずつ位置するように配置されている。
【選択図】図4
特許請求の範囲
【請求項1】
モータと、
前端に先端工具が保持可能で、内部に前記先端工具の打撃部が収容されて、前記打撃部による打撃軸線と同軸で前後移動可能且つ回転可能に設けられると共に、前方へ突出付勢される筒状のツールホルダと、
前記ツールホルダと平行に設けられて前記モータの回転が伝達され、前記ツールホルダに回転を伝達する中間軸と、
前記中間軸に設けられ、前記中間軸の回転を前記打撃部の打撃動作に変換する回転変換部と、
前記ツールホルダと一体に前後移動し、前記ツールホルダの前進位置では前記回転変換部を非能動とし、前記ツールホルダの後退位置では前記回転変換部を能動とするモード切替部材と、
前記ツールホルダの前進位置で前記モード切替部材の後退を規制可能な規制部材と、
前記規制部材を、前記モード切替部材の後退を規制しない第1の切替状態と、前記モード切替部材の後退を規制する第2の切替状態とにそれぞれ切替操作可能な操作部材と、を含み、
前記操作部材による前記規制部材の前記第1の切替状態では、前記ツールホルダの後退位置への後退に伴い前記ツールホルダの回転と前記打撃部の打撃動作とが同時に可能な第1の動作モードとなり、前記操作部材による前記規制部材の前記第2の切替状態では、前記ツールホルダの前進位置からの後退が規制されて前記ツールホルダが回転のみ可能な第2の動作モードとなるハンマドリルであって、
前記規制部材は、前記打撃軸線方向で前記モード切替部材よりも後方に配置されていると共に、前記規制部材には、前記モード切替部材に当接して前記モード切替部材の後退を規制する複数の規制部が、前記打撃軸線を中心として互いに対向する2つの領域にそれぞれ少なくとも1つが位置するように設けられていることを特徴とするハンマドリル。
続きを表示(約 1,100 文字)
【請求項2】
前記規制部は、前記打撃軸線の左右に2つ設けられていることを特徴とする請求項1に記載のハンマドリル。
【請求項3】
前記規制部材は、前記打撃軸線方向に前後移動可能で、前記第1の切替状態では、前記モード切替部材の後退に伴って後退し、前記第2の切替状態では、前方へ移動して前記モード切替部材の後退を規制することを特徴とする請求項1又は2に記載のハンマドリル。
【請求項4】
前記第1の切替状態では前記規制部材の後退を許容し、前記第2の切替状態では前記規制部材を前方へ移動させるカム機構部が設けられていることを特徴とする請求項3に記載のハンマドリル。
【請求項5】
前記カム機構部には、前記ツールホルダを前方へ付勢する付勢部材が設けられていることを特徴とする請求項4に記載のハンマドリル。
【請求項6】
前記カム機構部は、前記規制部材の後側に配置されて前後移動可能な前側カムと、前記前側カムの後方に配置され、前記操作部材の操作に伴って前記前側カムの後退を許容する第1の姿勢と前方での前記前側カムの後退を規制する第2の姿勢とに姿勢を変化させる後側カムと、を含み、
前記付勢部材は、前記前側カムと前記後側カムとの間に設けられて前記前側カムと共に前記規制部材及び前記モード切替部材を前方へ付勢する円錐バネであることを特徴とする請求項5に記載のハンマドリル。
【請求項7】
前記規制部材と前記カム機構部と前記操作部材とは、前記打撃軸線上に配置されていることを特徴とする請求項4乃至6の何れかに記載のハンマドリル。
【請求項8】
前記規制部材に、前記第2の動作モードの際の前記回転変換部の作動を防止する打撃防止部材が設けられていることを特徴とする請求項1乃至7の何れかに記載のハンマドリル。
【請求項9】
前記打撃部は、前記ツールホルダ内へ後方から前後移動可能に収容されるピストンシリンダと、前記ピストンシリンダ内に収容されて前記ピストンシリンダの前後移動に連動する打撃部材と、を含み、
前記回転変換部は、前記中間軸に外装され、前記モード切替部材による能動への切替で前記中間軸と共に回転可能となる変換部材と、前記ピストンシリンダの後端に連結されて、前記変換部材の回転に伴って前後へ揺動するロッドと、を含み、
前記打撃防止部材は、前記ロッドと共に後退した前記ピストンシリンダの後端が当接して前記ロッドの揺動を規制することを特徴とする請求項8に記載のハンマドリル。
【請求項10】
前記打撃防止部材は、前記規制部材に一体成形されていることを特徴とする請求項8又は9に記載のハンマドリル。
発明の詳細な説明
【技術分野】
【0001】
本開示は、先端工具が保持されるツールホルダの前後位置によって動作モードを選択可能としたハンマドリルに関する。
続きを表示(約 3,100 文字)
【背景技術】
【0002】
ハンマドリルには、前端に先端工具が保持されるツールホルダを、打撃軸線方向へ前後移動可能に設けて、ツールホルダの前後位置によって動作モードを選択可能としたものが知られている。例えば、特許第6735118号公報(特許文献1)に開示されるハンマドリルには、打撃部を収容するツールホルダが、前後移動可能且つ前進位置へ突出付勢されて設けられている。また、このハンマドリルには、モータの回転が伝達される中間軸がツールホルダと平行に設けられている。中間軸には、ツールホルダに回転を伝達するギヤと、中間軸の回転を打撃部の作動に変換する回転変換部(ボススリーブ及びクラッチ)とが設けられている。このハンマドリルでは、モード切替レバーの操作により、ツールホルダの後退をクラッチがボススリーブと係合しない位置で規制することでドリルモードが選択できる。また、モード切替レバーの操作により、ツールホルダの後退をクラッチがボススリーブと係合する位置まで許容することでハンマドリルモードが選択できるようになっている。
【先行技術文献】
【特許文献】
【0003】
特許第6735118号公報
【発明の概要】
【発明が解決しようとする課題】
【0004】
このハンマドリルでは、ドリルモードでのツールホルダの後退規制を、ツールホルダに外装したプレートに、モード切替レバーに設けた偏心ピンを側方から直交状に係合させることで行っている。しかし、偏心ピンは、ハウジングの側面に嵌合するモード切替レバーから突出する片持ち支持構造となっている。このため、ドリルモードの際に先端工具からツールホルダへ伝わる後方への押し込み力が増大すると、偏心ピンに変形や傾きが生じる場合がある。この場合、ツールホルダの後退規制位置が安定せず、ツールホルダと共に後退したクラッチがボススリーブと係合して不意に打撃動作が生じるおそれがある。
【0005】
そこで、本開示は、ツールホルダの前後位置によって動作モードを選択可能としたものにおいて、ツールホルダへの押し込み力が増大しても、ツールホルダの後退規制位置を安定させて回転のみモードでの信頼性を向上させることができるハンマドリルを提供することを目的としたものである。
【課題を解決するための手段】
【0006】
上記目的を達成するために、本開示は、ハンマドリルであって、モータと、
前端に先端工具が保持可能で、内部に先端工具の打撃部が収容されて、打撃部による打撃軸線と同軸で前後移動可能且つ回転可能に設けられると共に、前方へ突出付勢される筒状のツールホルダと、
ツールホルダと平行に設けられてモータの回転が伝達され、ツールホルダに回転を伝達する中間軸と、
中間軸に設けられ、中間軸の回転を打撃部の打撃動作に変換する回転変換部と、
ツールホルダと一体に前後移動し、ツールホルダの前進位置では回転変換部を非能動とし、ツールホルダの後退位置では回転変換部を能動とするモード切替部材と、
ツールホルダの前進位置でモード切替部材の後退を規制可能な規制部材と、
規制部材を、モード切替部材の後退を規制しない第1の切替状態と、モード切替部材の後退を規制する第2の切替状態とにそれぞれ切替操作可能な操作部材と、を含む。
ハンマドリルは、操作部材による規制部材の第1の切替状態では、ツールホルダの後退位置への後退に伴いツールホルダの回転と打撃部の打撃動作とが同時に可能な第1の動作モードとなり、操作部材による規制部材の第2の切替状態では、ツールホルダの前進位置からの後退が規制されてツールホルダが回転のみ可能な第2の動作モードとなる。
そして、規制部材は、打撃軸線方向でモード切替部材よりも後方に配置されていると共に、規制部材には、モード切替部材に当接してモード切替部材の後退を規制する複数の規制部が、打撃軸線を中心として互いに対向する2つの領域にそれぞれ少なくとも1つが位置するように設けられている。
【発明の効果】
【0007】
本開示によれば、第2の動作モードでは、規制部材に設けた複数の規制部によってモード切替部材をバランス良く受け止めてツールホルダの後退を規制することができる。よって、ツールホルダへの押し込み力が増大しても、ツールホルダの後退規制位置を安定させて第2の動作モードでの信頼性を向上させることができる。
【図面の簡単な説明】
【0008】
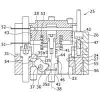
ハンマドリルの後方からの斜視図である(ハンマドリルモード)。
ハンマドリルの中央縦断面図である(ハンマドリルモード)。
図2における回転/打撃機構部部分の拡大図である。
図3のA-A線断面図である。
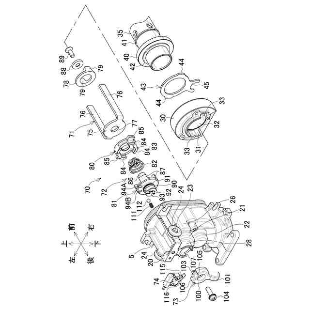
モード切替部の前方からの分解斜視図である。
モード切替部の後方からの分解斜視図である。
図3のB-B線断面図である。
本体ハウジングを省略した操作レバー部分の背面図である(ハンマドリルモード)。
本体ハウジングを省略した操作レバー部分の背面図である(回転のみモード)。
図3においてツールホルダが後退した状態を示す説明図である。
図10のC-C線断面図である。
図3において回転のみモードとした回転/打撃機構部部分の拡大図である。
図12のD-D線断面図である。
【発明を実施するための形態】
【0009】
本開示の一実施形態において、規制部は、打撃軸線の左右に2つ設けられていてもよい。
この構成によれば、最小限の規制部でツールホルダの後退規制位置を安定させることができる。
本開示の一実施形態において、規制部材は、打撃軸線方向に前後移動可能で、第1の切替状態では、モード切替部材の後退に伴って後退し、第2の切替状態では、前方へ移動してモード切替部材の後退を規制するものであってもよい。
この構成によれば、規制部材をツールホルダの後方に設けても第1の動作モードでの使用に支障を及ぼすことがない。
本開示の一実施形態において、第1の切替状態では規制部材の後退を許容し、第2の切替状態では規制部材を前方へ移動させるカム機構部が設けられていてもよい。
この構成によれば、規制部材の前後移動の切替を省スペースで容易に行うことができる。
【0010】
本開示の一実施形態において、カム機構部には、ツールホルダを前方へ付勢する付勢部材が設けられていてもよい。
この構成によれば、カム機構部に設けた付勢部材を利用してツールホルダを前進位置に突出させることができる。
本開示の一実施形態において、カム機構部は、規制部材の後側に配置されて前後移動可能な前側カムと、前側カムの後方に配置され、操作部材の操作に伴って前側カムの後退を許容する第1の姿勢と前方での前側カムの後退を規制する第2の姿勢とに姿勢を変化させる後側カムと、を含むものであってもよい。
そして、付勢部材は、前側カムと後側カムとの間に設けられて前側カムと共に規制部材及びモード切替部材を前方へ付勢する円錐バネであってもよい。
この構成によれば、座屈が生じにくい円錐バネによって打撃軸線方向へロスなく付勢力を加えることができる。
(【0011】以降は省略されています)
特許ウォッチbot のツイートを見る
この特許をJ-PlatPat(特許庁公式サイト)で参照する
関連特許
CKD株式会社
把持装置
2日前
トヨタ自動車株式会社
学習装置
17日前
ダイセイ株式会社
ロボット自動刻印装置
2日前
瓜生製作株式会社
電動締付工具
10日前
株式会社不二越
垂直多関節ロボット
17日前
株式会社マキタ
集塵アタッチメント
9日前
ニデックインスツルメンツ株式会社
産業用ロボット
1か月前
株式会社マキタ
電動工具
17日前
NTN株式会社
把持装置
2日前
国立大学法人東京科学大学
多自由度入力装置用制御装置
9日前
株式会社田村製作所
エンドエフェクタ及びロボット装置
1か月前
ダイハツ工業株式会社
ロボット制御システム
2日前
日本発條株式会社
ケーブルユニット及びその製造方法
1か月前
株式会社秦製作所
ジャック差込口ナット締め用の供回り防止レンチ
18日前
株式会社デンソー
ワーク投入装置
1か月前
パナソニック株式会社
インパクト工具
2日前
国立大学法人 東京大学
ロボット及びロボットの投入方法
9日前
パナソニック株式会社
インパクト回転工具
17日前
株式会社日立ハイテク
ロボット教示装置
3日前
マクセルイズミ株式会社
電動工具
1か月前
株式会社三五
配管用マーキング装置
1か月前
株式会社CoLab
制御装置、制御方法、及びプログラム
1か月前
株式会社CoLab
制御装置、制御方法、及びプログラム
1か月前
三ツ星ベルト株式会社
筒状体取付方法および筒状体取付装置
11日前
株式会社CoLab
制御装置、制御方法、及びプログラム
1か月前
日本建設工業株式会社
打撃レンチ、治具、及び工具セット
1か月前
パナソニックIPマネジメント株式会社
ロボットシステム
25日前
高速道路トールテクノロジー株式会社
踏板交換用泥除去工具
3日前
株式会社中電工
ナット落下防止ソケット
17日前
川重ファシリテック株式会社
自動吸着積載アシスト装置
1か月前
ニッタ株式会社
ツールアダプターおよび自動工具交換装置
3日前
川崎重工業株式会社
モータ制御システム、ロボットシステム、および、モータ制御方法
11日前
株式会社マキタ
往復動工具、及び、往復動工具の電動モータを制御する方法
2日前
日本精工株式会社
圧電アクチュエータおよびマニピュレーションシステム
17日前
株式会社イチネンアクセス
先端工具ユニットおよびアダプタ
18日前
日本発條株式会社
ケーブルの進退機構及びこれを用いたエンドエフェクターアッセンブリー
1か月前
続きを見る
他の特許を見る