TOP
|
特許
|
意匠
|
商標
特許ウォッチ
Twitter
他の特許を見る
公開番号
2025132103
公報種別
公開特許公報(A)
公開日
2025-09-10
出願番号
2024029449
出願日
2024-02-29
発明の名称
経路生成装置、経路生成方法、および経路生成プログラム
出願人
三菱重工業株式会社
代理人
個人
,
個人
主分類
G01C
21/34 20060101AFI20250903BHJP(測定;試験)
要約
【課題】複数の経路を効率的に探索することができる経路生成装置、経路生成方法、および経路生成プログラムを提供する。
【解決手段】経路生成装置は、スタート地点およびゴール地点の少なくとも一方が異なる複数の経路を探索するように構成される処理装置を備える。処理装置は、複数の経路の探索を同時に開始するとともに、複数の経路の情報を比較しながら並行して経路を探索するように構成される。
【選択図】図3
特許請求の範囲
【請求項1】
スタート地点およびゴール地点の少なくとも一方が異なる複数の経路を探索するように構成される処理装置を備え、
前記処理装置は、複数の前記経路の探索を同時に開始するとともに、複数の前記経路の情報を比較しながら並行して前記経路を探索するように構成される経路生成装置。
続きを表示(約 1,100 文字)
【請求項2】
前記処理装置は、前記経路毎に独立して設定される複数のマップを縦横のメッシュに分割するとともに、分割した前記メッシュ毎に演算されるスコアの値が小さい前記メッシュを優先的に探索するように構成され、
前記スコアは、前記スタート地点から現在地点までの移動距離である実コストと、前記現在地点から前記ゴール地点までの最短距離である推定コストとの和であり、
前記処理装置は、前記経路毎の前記スコアを比較しながら前記経路を探索するように構成される請求項1に記載の経路生成装置。
【請求項3】
前記処理装置は、2つの前記経路が重複する場合、一方の前記経路の重複メッシュの前記スコアと、他方の前記経路の前記重複メッシュの前記スコアとを比較して、前記スコアの値が大きい前記経路の前記重複メッシュを通行禁止領域に設定し、再び前記経路が重複するまで前記経路を再探索するように構成される請求項2に記載の経路生成装置。
【請求項4】
前記処理装置は、自経路の探索中の前記メッシュが、他経路の探索済みの前記メッシュに含まれている場合、前記自経路と前記他経路とが重複していると判定するように構成される請求項3に記載の経路生成装置。
【請求項5】
移動体と通信可能に構成される通信装置をさらに備え、
前記経路は、前記移動体の移動経路であり、
前記処理装置は、生成した前記移動体の移動経路を示す経路情報を、前記通信装置を介して前記移動体に送信するように構成される請求項1~請求項4のうちいずれか一項に記載の経路生成装置。
【請求項6】
各種の情報を表示するように構成される出力装置をさらに備え、
前記経路は、配管経路あるいは配線経路であり、
前記処理装置は、生成した前記配管経路あるいは前記配線経路を前記出力装置に表示するように構成される請求項1~請求項4のうちいずれか一項に記載の経路生成装置。
【請求項7】
スタート地点およびゴール地点の少なくとも一方が異なる複数の経路を探索する経路生成方法であって、
複数の前記経路の探索を同時に開始するとともに、複数の前記経路の情報を比較しながら並行して前記経路を探索する経路生成方法。
【請求項8】
スタート地点およびゴール地点の少なくとも一方が異なる複数の経路を探索する処理をコンピュータに実行させる経路生成プログラムであって、
複数の前記経路の探索を同時に開始する段階と、
複数の前記経路の情報を比較しながら並行して前記経路を探索する段階と、を含む経路生成プログラム。
発明の詳細な説明
【技術分野】
【0001】
本発明は、経路生成装置、経路生成方法、および経路生成プログラムに関する。
続きを表示(約 1,800 文字)
【背景技術】
【0002】
従来、船舶および航空機などを含む移動体の最適な経路を探索するシステムが知られている。たとえば、特許文献1の最適航路探索システムは、コスト算出装置と、記憶装置と、航路探索装置と、表示装置とを有している。コスト算出装置は、船舶の性能データと海気象データとに基づいて、特定の海域から目的地までに設定した複数のノード間における、少なくとも船速、燃料消費量およびシーマージンに基づくコストまたは重みを予測データとして算出する。記憶装置は、予測データを記憶する。航路探索装置は、記憶装置に記憶された予測データに基づいて、特定の海域から目的地までの最適航路を探索する。表示装置は、航路探索装置が探索した最適航路に基づいて航路図を表示する。
【先行技術文献】
【特許文献】
【0003】
特開2007-057499号公報
【発明の概要】
【発明が解決しようとする課題】
【0004】
特許文献1のシステムは、2点間の経路を探索するものである。経路探索技術は、様々な産業分野で利用される。産業分野によっては、複数の経路を効率的に探索することが求められる。
【課題を解決するための手段】
【0005】
本開示の一態様にかかる経路生成装置は、スタート地点およびゴール地点の少なくとも一方が異なる複数の経路を探索するように構成される処理装置を備える。前記処理装置は、複数の前記経路の探索を同時に開始するとともに、複数の前記経路の情報を比較しながら並行して前記経路を探索するように構成される。
【0006】
本開示の一態様にかかる経路生成方法は、スタート地点およびゴール地点の少なくとも一方が異なる複数の経路を探索する経路生成方法であって、複数の前記経路の探索を同時に開始するとともに、複数の前記経路の情報を比較しながら並行して前記経路を探索する。
【0007】
本開示の一態様にかかる経路生成プログラムは、スタート地点およびゴール地点の少なくとも一方が異なる複数の経路を探索する処理をコンピュータに実行させる経路生成プログラムであって、複数の前記経路の探索を同時に開始する段階と、複数の前記経路の情報を比較しながら並行して前記経路を探索する段階と、を含む。
【発明の効果】
【0008】
本発明によれば、複数の経路を効率的に探索することができる。
【図面の簡単な説明】
【0009】
経路生成装置の一実施の形態の構成を示すブロック図である。
(a)~(f)は、一実施の形態にかかるA
*
アルゴリズムを使用した経路探索例を示す検索範囲の模式図である。
一実施の形態にかかるPA
*
アルゴリズムを使用した経路探索処理手順の概要を示すフローチャートである。
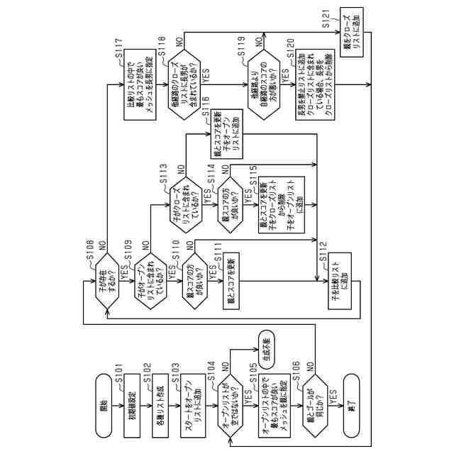
一実施の形態にかかるPA*アルゴリズムを使用した経路探索処理手順の詳細を示すフローチャートである。
図5(a)~図5(d)は、一実施の形態にかかる経路探索例を説明するためのマップである。
図6(a)~図6(d)は、一実施の形態にかかる経路探索例を説明するためのマップである。
図7(a)~図7(d)は、一実施の形態にかかる経路探索例を説明するためのマップである。
図8(a)~図8(d)は、一実施の形態にかかる経路探索例を説明するためのマップである。
図9(a)~図9(d)は、一実施の形態にかかる経路探索例を説明するためのマップである。
図10(a)~図10(d)は、一実施の形態にかかる経路探索例を説明するためのマップである。
図11(a)~図11(d)は、一実施の形態にかかる経路探索例を説明するためのマップである。
図12は、一実施の形態にかかる経路探索結果の一例を説明するためのマップである。
【発明を実施するための形態】
【0010】
以下、経路生成装置、経路生成方法、および経路生成プログラムの一実施の形態を説明する。
図1に示すように、経路生成装置10は、入力装置11と、出力装置12と、処理装置13と、通信装置14とを有している。
(【0011】以降は省略されています)
この特許をJ-PlatPat(特許庁公式サイト)で参照する
関連特許
三菱重工業株式会社
清掃装置
8日前
三菱重工業株式会社
皮膜形成装置
今日
三菱重工業株式会社
フィルタ装置
7日前
三菱重工業株式会社
容器解体装置
11日前
三菱重工業株式会社
風力発電装置
7日前
三菱重工業株式会社
超音波探傷方法
今日
三菱重工業株式会社
ポンプシステム
今日
三菱重工業株式会社
洗浄水噴射ノズル
2日前
三菱重工業株式会社
バッテリ交換装置
1日前
三菱重工業株式会社
主蒸気管洗浄方法
7日前
三菱重工業株式会社
軌道系交通システム
7日前
三菱重工業株式会社
メタン酸化触媒装置
今日
三菱重工業株式会社
炉内構造物の解体方法
11日前
三菱重工業株式会社
電解セル、及び電解装置
1日前
三菱重工業株式会社
造形プロセスの監視方法
15日前
三菱重工業株式会社
デジタル入力モジュール
2日前
三菱重工業株式会社
炭化炉及びその制御方法
今日
三菱重工業株式会社
シール装置および回転機械
2日前
三菱重工業株式会社
水素供給システムおよび方法
11日前
三菱重工業株式会社
ウエハステージ冷却システム
15日前
三菱重工業株式会社
内燃機関の制御装置および方法
7日前
三菱重工業株式会社
バーナ及びこれを備えたボイラ
今日
三菱重工業株式会社
バーナ及びこれを備えたボイラ
今日
三菱重工業株式会社
蒸気タービン翼及び蒸気タービン
7日前
三菱重工業株式会社
蒸気生成システム及び蒸気生成方法
8日前
三菱重工業株式会社
水素製造システム及び水素製造方法
今日
三菱重工業株式会社
洗浄装置、分離システム及び洗浄方法
今日
三菱重工業株式会社
渦電流探傷装置、及び渦電流探傷方法
今日
三菱重工業株式会社
シール構造の製造方法およびシール構造
2日前
三菱重工業株式会社
移動体、自己位置推定方法及びプログラム
2日前
三菱重工業株式会社
蓄圧システム及び蓄圧システムの運転方法
1日前
三菱重工業株式会社
排気設備、及びこれを備えるガスタービン
9日前
三菱重工業株式会社
電力変換器、および電力変換器の製造方法
7日前
三菱重工業株式会社
電解モジュールの冷却方法及び電解システム
今日
三菱重工業株式会社
シール構造、建屋及びシール構造の製造方法
1日前
三菱重工業株式会社
情報処理装置、情報処理方法及びプログラム
2日前
続きを見る
他の特許を見る