TOP
|
特許
|
意匠
|
商標
特許ウォッチ
Twitter
他の特許を見る
10個以上の画像は省略されています。
公開番号
2025154295
公報種別
公開特許公報(A)
公開日
2025-10-10
出願番号
2024057212
出願日
2024-03-29
発明の名称
電解モジュールの冷却方法及び電解システム
出願人
三菱重工業株式会社
代理人
個人
,
個人
,
個人
主分類
C25B
9/67 20210101AFI20251002BHJP(電気分解または電気泳動方法;そのための装置)
要約
【課題】容器の内部の雰囲気温度を低下させることができる電解モジュールの冷却方法及び電解システムを提供する。
【解決手段】電解セルを備え、給水から生成された水蒸気を電解することで水素を生成する少なくとも1つの電解カートリッジ220と、電解カートリッジ220を収容した圧力容器210と、を備えている電解モジュール200を冷却する、電解モジュール200の冷却方法であって、給水を加熱するために空気を給水と熱交換し、熱交換された空気を圧力容器210に供給して圧力容器210の内部を冷却する。
【選択図】図1
特許請求の範囲
【請求項1】
水素極、酸素極及び前記水素極と前記酸素極との間に配置された電解質層を有した電解セルを備え、給水から生成された水蒸気を電解することで水素を生成する少なくとも1つの電解カートリッジと、
前記電解カートリッジを収容した容器と、
を備えている電解モジュールを冷却する、電解モジュールの冷却方法であって、
前記給水を加熱するために熱媒体ガスを前記給水と熱交換し、
熱交換された前記熱媒体ガスを前記容器に供給して前記容器の内部を冷却する
電解モジュールの冷却方法。
続きを表示(約 1,300 文字)
【請求項2】
前記容器に供給され前記容器の内部を冷却した前記熱媒体ガスを前記電解カートリッジに供給する
請求項1に記載の電解モジュールの冷却方法。
【請求項3】
前記容器に供給され前記容器の内部を冷却した前記熱媒体ガスを前記容器から取り出すことなく前記電解カートリッジに供給する
請求項2に記載の電解モジュールの冷却方法。
【請求項4】
前記容器に供給され前記容器の内部を冷却した前記熱媒体ガスの一部を前記電解カートリッジに供給し、
前記容器に供給され前記容器の内部を冷却した前記熱媒体ガスの残余を前記容器から取り出す
請求項2に記載の電解モジュールの冷却方法。
【請求項5】
前記容器に供給され前記容器の内部を冷却した前記熱媒体ガスを前記容器から取り出し、
取り出された前記熱媒体ガスの流量を調整し、
流量調整された前記熱媒体ガスを前記電解カートリッジに供給する
請求項2に記載の電解モジュールの冷却方法。
【請求項6】
前記容器に供給され前記容器の内部を冷却した前記熱媒体ガスを前記容器から取り出し、
前記容器から取り出された前記熱媒体ガスを前記給水と再び熱交換し、
再び熱交換された前記熱媒体ガスを前記電解カートリッジに供給する
請求項2に記載の電解モジュールの冷却方法。
【請求項7】
前記容器に供給され前記容器の内部を冷却した前記熱媒体ガスを前記容器から取り出し、
前記容器から取り出された前記熱媒体ガスを前記給水と再び熱交換し、
再び熱交換された前記熱媒体ガスを再び前記容器の内部に供給する
請求項1に記載の電解モジュールの冷却方法。
【請求項8】
前記給水と熱交換した後の前記熱媒体ガスに前記給水と熱交換する前の前記熱媒体ガスを混合する
請求項1から7のいずれかに記載の電解モジュールの冷却方法。
【請求項9】
前記容器の内部の温度及び熱交換後の前記熱媒体ガスの温度の少なくともいずれか1つに応じて、混合する前記熱媒体ガスの流量を調整する
請求項8に記載の電解モジュールの冷却方法。
【請求項10】
電解モジュールと、
熱交換器と、
熱媒体ガス供給ラインと、
を備え、
前記電解モジュールは、
少なくとも1つの電解カートリッジ及び容器を有し、
前記電解カートリッジは、
水素極、酸素極及び前記水素極と前記酸素極との間に配置された電解質層を有した電解セルを備え、
給水から生成された水蒸気を電解することで水素を生成し、
前記容器は、
前記電解カートリッジを収容し、
前記熱媒体ガス供給ラインは、
熱媒体ガスが流通するラインであり、
前記給水を加熱する熱源としての前記熱媒体ガスを前記熱交換器に供給し、前記熱交換器で熱交換された前記熱媒体ガスを前記容器に供給するように構成されている
電解システム。
(【請求項11】以降は省略されています)
発明の詳細な説明
【技術分野】
【0001】
本開示は、電解モジュールの冷却方法及び電解システムに関する。
続きを表示(約 2,200 文字)
【背景技術】
【0002】
例えば特許文献1には、水蒸気電解により水素を生成する水蒸気電解システムが開示されている。
特許文献1が開示しているシステムは、固体酸化物形電解セル(SOEC:Solid Oxide Electrolysis Cell)を有するモジュールを備えている。
【先行技術文献】
【特許文献】
【0003】
特許第7282968号公報
特開2018-133305号公報
【発明の概要】
【発明が解決しようとする課題】
【0004】
水蒸気電解システムにおいて、圧力容器の内部の雰囲気温度は、例えば400℃~450℃程度となる。このため、容器の内部に収容される構造部材には炭素鋼ではなく例えばステンレス材を使用して、また、通電部材には銅系の材料ではなく例えばニッケル材を使用するなどのように、耐熱性が高い材料を使用する必要があり、設備コスト増加の要因となっている。
そのため、水素製造単価の低減のために設備コスト低減が必要であり、圧力容器の内部に収容される構造部材の材料として耐熱性は高くないが比較的安価な材料を使用すること等による設備コスト低減を図るべく、圧力容器の内部の雰囲気温度を低減させることを検討している。
【0005】
一方で、水蒸気電解システム全体として効率上は高圧化(例えば3MPa~5MPa程度)することが望ましく、システムの高圧化に伴って、圧力容器の内部の雰囲気温度が上昇することが推定されており、その対策としても雰囲気温度を低減させる必要がある。
なお、水蒸気電解システムを高圧化することが望ましい理由は、次の通りである。すなわち、生成される水素は最終的に高圧化して使用する用途が多く、生成した水素を昇圧するよりも原料となる水を昇圧する方が必要な動力が小さいからである。
【0006】
本開示は、このような事情に鑑みてなされたものであって、容器の内部の雰囲気温度を低下させることができる電解モジュールの冷却方法及び電解システムを提供することを目的とする。
【課題を解決するための手段】
【0007】
上記課題を解決するために、本開示の電解モジュールの冷却方法及び電解システムは、以下の手段を採用する。
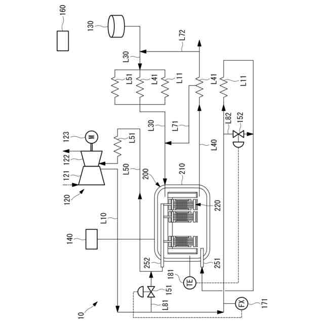
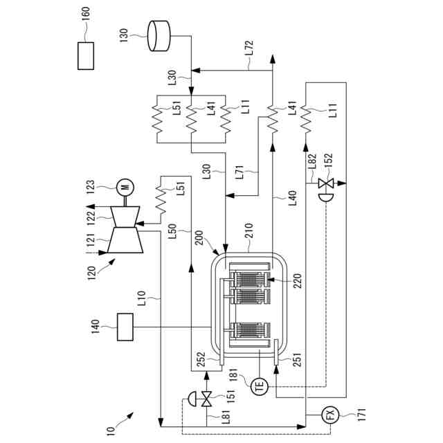
本開示の一態様に係る電解モジュールの冷却方法は、水素極、酸素極及び前記水素極と前記酸素極との間に配置された電解質層を有した電解セルを備え、給水から生成された水蒸気を電解することで水素を生成する少なくとも1つの電解カートリッジと、前記電解カートリッジを収容した容器と、を備えている電解モジュールを冷却する、電解モジュールの冷却方法であって、前記給水を加熱するために熱媒体ガスを前記給水と熱交換し、熱交換された前記熱媒体ガスを前記容器に供給して前記容器の内部を冷却する。
【0008】
また、本開示の一態様に係る電解システムは、電解モジュールと、熱交換器と、熱媒体ガス供給ラインと、を備え、前記電解モジュールは、少なくとも1つの電解カートリッジ及び容器を有し、前記電解カートリッジは、水素極、酸素極及び前記水素極と前記酸素極との間に配置された電解質層を有した電解セルを備え、給水から生成された水蒸気を電解することで水素を生成し、前記容器は、前記電解カートリッジを収容し、前記熱媒体ガス供給ラインは、熱媒体ガスが流通するラインであり、前記給水を加熱する熱源としての前記熱媒体ガスを前記熱交換器に供給し、前記熱交換器で熱交換された前記熱媒体ガスを前記容器に供給するように構成されている。
【発明の効果】
【0009】
本開示によれば、容器の内部の雰囲気温度を低下させることができる。
【図面の簡単な説明】
【0010】
本開示の第1実施形態に係る水蒸気電解システムの概略構成図である。
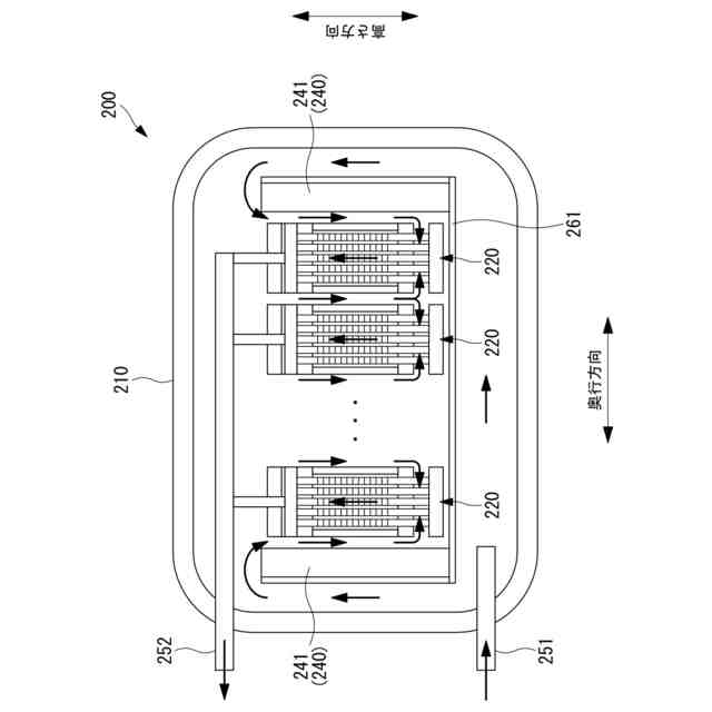
図1に示した水蒸気電解システムが備えている電解モジュールの構成図である。
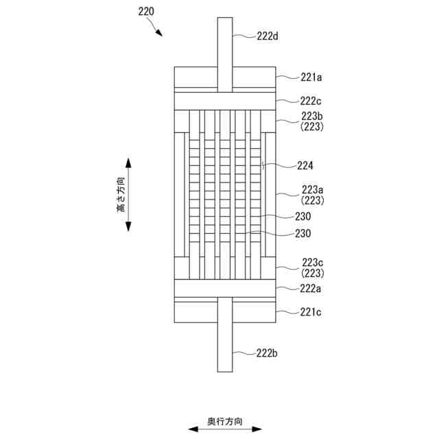
電解モジュールが備えている電解カートリッジの側面図である。
図3に示した電解カートリッジの正面図である。
図4に示した電解カートリッジの構造を示した模式図である。
図5に示した電解セル近傍のセルスタックの部分拡大断面図である。
図2に示した電解モジュールが備えている電解カートリッジの模式図である。
図1に示した水蒸気電解システムが備えている電解モジュールの構成図である(他の実施例1)。
図1に示した水蒸気電解システムが備えている電解モジュールの構成図である(他の実施例2)。
本開示の第2実施形態に係る水蒸気電解システムの概略構成図である。
本開示の第3実施形態に係る水蒸気電解システムの概略構成図である。
図10に示した水蒸気電解システムが備えている電解モジュールの構成図である。
本開示の第4実施形態に係る水蒸気電解システムの概略構成図である。
本開示の第5実施形態に係る水蒸気電解システムの概略構成図である。
【発明を実施するための形態】
(【0011】以降は省略されています)
この特許をJ-PlatPat(特許庁公式サイト)で参照する
関連特許
三菱重工業株式会社
皮膜形成装置
1日前
三菱重工業株式会社
超音波探傷方法
1日前
三菱重工業株式会社
ポンプシステム
1日前
三菱重工業株式会社
バッテリ交換装置
2日前
三菱重工業株式会社
メタン酸化触媒装置
1日前
三菱重工業株式会社
デジタル入力モジュール
3日前
三菱重工業株式会社
電解セル、及び電解装置
2日前
三菱重工業株式会社
炭化炉及びその制御方法
1日前
三菱重工業株式会社
バーナ及びこれを備えたボイラ
1日前
三菱重工業株式会社
バーナ及びこれを備えたボイラ
1日前
三菱重工業株式会社
水素製造システム及び水素製造方法
1日前
三菱重工業株式会社
渦電流探傷装置、及び渦電流探傷方法
1日前
三菱重工業株式会社
洗浄装置、分離システム及び洗浄方法
1日前
三菱重工業株式会社
シール構造の製造方法およびシール構造
3日前
三菱重工業株式会社
蓄圧システム及び蓄圧システムの運転方法
2日前
三菱重工業株式会社
移動体、自己位置推定方法及びプログラム
3日前
三菱重工業株式会社
電解モジュールの冷却方法及び電解システム
1日前
三菱重工業株式会社
シール構造、建屋及びシール構造の製造方法
2日前
三菱重工業株式会社
電力変換システム、および電力変換システムの制御方法
2日前
三菱重工業株式会社
タービン架台及びタービン装置並びにタービン架台の製造方法
1日前
三菱重工業株式会社
機器配置設計装置、機器配置設計方法及び機器配置設計プログラム
2日前
三菱重工業株式会社
粉砕テーブル及び固体燃料粉砕装置並びに粉砕テーブルの補修方法
1日前
三菱重工業株式会社
固体燃料粉砕装置及びボイラ設備並びに固体燃料粉砕装置の運転方法
2日前
三菱重工業株式会社
濃度算出装置、燃焼制御装置、濃度算出方法及び濃度算出プログラム
2日前
三菱重工業株式会社
熱電併給用蒸気生成システム及び熱電併給システム並びに熱電併給用蒸気生成方法
1日前
三菱重工業株式会社
炭素強度演算装置、これを用いた合成燃料製造プラント、炭素強度演算方法及び炭素強度演算プログラム
1日前
三菱重工業株式会社
CO2回収装置用蒸気生成システム及びこれを備えたCO2回収装置並びにCO2回収装置用蒸気生成方法
1日前
有限会社 ナプラ
端子
1か月前
株式会社カネカ
電解装置
1か月前
株式会社ノーリツ
電解水生成装置
1か月前
本田技研工業株式会社
電解装置
23日前
株式会社カネカ
可撓性ガス拡散電極
12日前
大同特殊鋼株式会社
触媒合金
1か月前
株式会社東芝
アルマイト処理方法
1か月前
本田技研工業株式会社
水電解システム
1か月前
本田技研工業株式会社
水電解システム
1か月前
続きを見る
他の特許を見る