TOP
|
特許
|
意匠
|
商標
特許ウォッチ
Twitter
他の特許を見る
公開番号
2025175510
公報種別
公開特許公報(A)
公開日
2025-12-03
出願番号
2024081673
出願日
2024-05-20
発明の名称
配管端部用閉止装置
出願人
三菱重工業株式会社
代理人
弁理士法人酒井国際特許事務所
主分類
F16L
55/115 20060101AFI20251126BHJP(機械要素または単位;機械または装置の効果的機能を生じ維持するための一般的手段)
要約
【課題】配管端部用閉止装置において、構造の簡素化を図る。
【解決手段】長手方向の端部の外周部に雄ねじ部が設けられる配管の端部を閉止する配管端部用閉止装置において、配管の端部の内周部に挿入可能な小径部と外径が小径部の外径より大きい大径部とを有する押え部材と、リング形状をなして小径部の外周部に装着可能なシール部材と、雄ねじ部に螺合する雌ねじ部と大径部に接触してシール部材を配管の端部の端面に押圧可能な押圧部とを有するキャップと、を備える。
【選択図】図1
特許請求の範囲
【請求項1】
長手方向の端部の外周部に雄ねじ部が設けられる配管の端部を閉止する配管端部用閉止装置において、
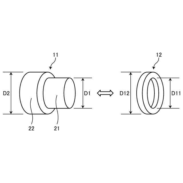
前記配管の端部の内周部に挿入可能な小径部と外径が前記小径部の外径より大きい大径部とを有する押え部材と、
リング形状をなして前記小径部の外周部に装着可能なシール部材と、
前記雄ねじ部に螺合する雌ねじ部と前記大径部に接触して前記シール部材を前記配管の端部の端面に押圧可能な押圧部とを有するキャップと、
を備える配管端部用閉止装置。
続きを表示(約 280 文字)
【請求項2】
前記シール部材は、外径が前記配管の内径より大きい、
請求項1に記載の配管端部用閉止装置。
【請求項3】
前記シール部材は、外径が前記大径部の外径と同じである、
請求項1または請求項2に記載の配管端部用閉止装置。
【請求項4】
前記押え部材は、金属材料から構成され、前記シール部材は、樹脂部材から構成される、
請求項1に記載の配管端部用閉止装置。
【請求項5】
前記配管と前記押え部材と前記キャップは、同じ材料により構成される、
請求項1に記載の配管端部用閉止装置。
発明の詳細な説明
【技術分野】
【0001】
本開示は、配管の端を閉止する配管端部用閉止装置に関するものである。
続きを表示(約 1,300 文字)
【背景技術】
【0002】
例えば、配管の端部に噴射ノズルが装着された噴射装置は、内部に高圧の噴射流体が供給されることから、配管の耐圧試験を実施する必要がある。配管の耐圧試験は、配管の端部に耐圧用キャップを装着して閉止し、配管の内部に高圧ガスを供給して加圧することで実施する。この場合、耐圧用キャップは、配管の端部に形成されたねじ部により連結されることから、内部の高圧ガスがねじ部から漏れやすいという課題がある。このような課題を解決するものとして、例えば、下記特許文献1に記載されたものがある。
【先行技術文献】
【特許文献】
【0003】
特開平4-95689号公報
【発明の概要】
【発明が解決しようとする課題】
【0004】
特許文献1に記載された配管端末用キャップは、配管の端部の内側にOリングを介して第1封止体を装着すると共に、配管の端部の外側にOリングを介して第2封止体を装着するものである。この場合、事前に封止体にOリングを装着する必要があり、また、2個の封止体が必要となり、構造が複雑になってしまうという課題がある。
【0005】
本開示は、上述した課題を解決するものであり、構造の簡素化を図る配管端部用閉止装置を提供することを目的とする。
【課題を解決するための手段】
【0006】
上記の目的を達成するための本開示の配管端部用閉止装置は、長手方向の端部の外周部に雄ねじ部が設けられる配管の端部を閉止する配管端部用閉止装置において、前記配管の端部の内周部に挿入可能な小径部と外径が前記小径部の外径より大きい大径部とを有する押え部材と、リング形状をなして前記小径部の外周部に装着可能なシール部材と、前記雄ねじ部に螺合する雌ねじ部と前記大径部に接触して前記シール部材を前記配管の端部の端面に押圧可能な押圧部とを有するキャップと、を備える。
【発明の効果】
【0007】
本開示の配管端部用閉止装置によれば、構造の簡素化を図ることができる。
【図面の簡単な説明】
【0008】
図1は、本実施形態の配管端部用閉止装置を表す断面図である。
図2は、押え部材およびシール部材を表す斜視図である。
図3は、配管端部用閉止装置による配管端部の閉止方法を表す概略図である。
【発明を実施するための形態】
【0009】
以下に図面を参照して、本開示の好適な実施形態を詳細に説明する。なお、この実施形態により本開示が限定されるものではなく、また、実施形態が複数ある場合には、各実施形態を組み合わせて構成するものも含むものである。また、実施形態における構成要素には、当業者が容易に想定できるもの、実質的に同一のもの、いわゆる均等の範囲のものが含まれる。
【0010】
<配管端部用閉止装置>
図1は、本実施形態の配管端部用閉止装置を表す断面図である。
(【0011】以降は省略されています)
この特許をJ-PlatPat(特許庁公式サイト)で参照する
関連特許
三菱重工業株式会社
炭化炉
今日
三菱重工業株式会社
原子炉
21日前
三菱重工業株式会社
施工方法
27日前
三菱重工業株式会社
動力装置
1か月前
三菱重工業株式会社
加熱装置
1か月前
三菱重工業株式会社
ボイラ壁
1か月前
三菱重工業株式会社
遠心圧縮機
5日前
三菱重工業株式会社
皮膜形成装置
1か月前
三菱重工業株式会社
風力発電装置
2か月前
三菱重工業株式会社
フィルタ装置
2か月前
三菱重工業株式会社
超音波探傷方法
1か月前
三菱重工業株式会社
原子力システム
6日前
三菱重工業株式会社
ポンプシステム
1か月前
三菱重工業株式会社
石膏脱水システム
27日前
三菱重工業株式会社
洗浄水噴射ノズル
1か月前
三菱重工業株式会社
バッテリ交換装置
1か月前
三菱重工業株式会社
燃焼筒の取付方法
1か月前
三菱重工業株式会社
メタン酸化触媒装置
1か月前
三菱重工業株式会社
配管端部用閉止装置
今日
三菱重工業株式会社
蒸気タービンシステム
1か月前
三菱重工業株式会社
ガスタービン起動方法
1か月前
三菱重工業株式会社
ガスタービン制御方法
1か月前
三菱重工業株式会社
デジタル入力モジュール
1か月前
三菱重工業株式会社
評価装置および評価方法
6日前
三菱重工業株式会社
燃焼設備および制御方法
1か月前
三菱重工業株式会社
原子炉炉心および原子炉
21日前
三菱重工業株式会社
電解セル、及び電解装置
1か月前
三菱重工業株式会社
シール装置及び回転機械
26日前
三菱重工業株式会社
アンモニア除害システム
27日前
三菱重工業株式会社
炭化炉及びその制御方法
1か月前
三菱重工業株式会社
ガス処理装置および方法
1か月前
三菱重工業株式会社
シール装置および回転機械
1か月前
三菱重工業株式会社
軸流圧縮機、及びその動翼
28日前
三菱重工業株式会社
計測システムおよび計測方法
1か月前
三菱重工業株式会社
バーナ及びこれを備えたボイラ
1か月前
三菱重工業株式会社
レドックスフロー電池システム
1か月前
続きを見る
他の特許を見る