TOP
|
特許
|
意匠
|
商標
特許ウォッチ
Twitter
他の特許を見る
公開番号
2025154296
公報種別
公開特許公報(A)
公開日
2025-10-10
出願番号
2024057213
出願日
2024-03-29
発明の名称
水素製造システム及び水素製造方法
出願人
三菱重工業株式会社
代理人
個人
,
個人
,
個人
主分類
C25B
9/67 20210101AFI20251002BHJP(電気分解または電気泳動方法;そのための装置)
要約
【課題】水素製造システム全体のエネルギ効率を向上させることを目的とする。
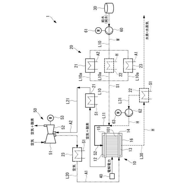
【解決手段】水素製造システム1は、水素を製造する。水素製造システム1は、酸化性ガス及び水蒸気が供給され、供給された水蒸気を電気分解することで水素を生成するSOEC10と、給水を加熱することでSOEC10へ供給する水蒸気を生成する水蒸気生成部20と、SOEC10が熱中立点を超える運転点で運転するように、SOEC10に対して電力を供給する電源装置40と、を備えている。水蒸気生成部20は、SOEC10における発熱を利用して給水を加熱し、水素製造システム1の外部から供給される熱を用いずに水蒸気を生成する。
【選択図】図1
特許請求の範囲
【請求項1】
水素を製造する水素製造システムであって、
酸化性ガス及び水蒸気が供給され、供給された水蒸気を電気分解することで水素を生成する固体酸化物形電解セルと、
給水を加熱することで前記固体酸化物形電解セルへ供給する水蒸気を生成する水蒸気生成部と、
前記固体酸化物形電解セルが熱中立点を超える運転点で運転するように、前記固体酸化物形電解セルに対して電力を供給する電源装置と、を備え、
前記水蒸気生成部は、前記固体酸化物形電解セルにおける発熱を利用して給水を加熱し、前記水素製造システムの外部から供給される熱を用いずに水蒸気を生成する水素製造システム。
続きを表示(約 830 文字)
【請求項2】
前記水蒸気生成部は、前記固体酸化物形電解セルから排出された酸化性ガスと給水とを熱交換する第1熱交換部と、前記固体酸化物形電解セルで生成された水素と給水とを熱交換する第2熱交換部と、を有する請求項1に記載の水素製造システム。
【請求項3】
前記水蒸気生成部は、前記固体酸化物形電解セルにおける発熱のみで給水を加熱することで水蒸気を生成する請求項1または請求項2に記載の水素製造システム。
【請求項4】
前記固体酸化物形電解セルへ供給する酸化性ガスを圧縮する圧縮装置を備え、
前記水蒸気生成部は、前記圧縮装置で圧縮した酸化性ガスと給水とを熱交換する第3熱交換部を有する請求項1または請求項2に記載の水素製造システム。
【請求項5】
水素製造システムで水素を製造する方法であって、
前記水素製造システムは、
酸化性ガス及び水蒸気が供給され、供給された水蒸気を電気分解することで水素を生成する固体酸化物形電解セルと、
給水を加熱することで前記固体酸化物形電解セルへ供給する水蒸気を生成する水蒸気生成部と、
前記固体酸化物形電解セルが熱中立点を超える運転点で運転するように、前記固体酸化物形電解セルに対して電力を供給する電源装置と、を備え、
前記固体酸化物形電解セルにおいて、供給された水蒸気を電気分解することで水素を生成する水素生成工程と、
給水を加熱することで前記固体酸化物形電解セルへ供給する水蒸気を生成する蒸気生成工程と、
前記固体酸化物形電解セルが熱中立点を超える運転点で運転するように、前記固体酸化物形電解セルに対して電力を供給する電力供給工程と、を備え、
前記蒸気生成工程は、前記固体酸化物形電解セルにおける発熱を利用して給水を加熱し、前記水素製造システムの外部から供給される熱を用いずに水蒸気を生成する水素製造方法。
発明の詳細な説明
【技術分野】
【0001】
本開示は、水素製造システム及び水素製造方法に関するものである。
続きを表示(約 1,900 文字)
【背景技術】
【0002】
水を電気化学的に分解して水素および酸素を製造する電解セルは、二酸化炭素の排出を伴わない水素製造法であり優れた環境特性を有している。このうち、固体酸化物形電解セル(Solid Oxide Electrolysis Cell:SOEC)は、電解質としてイットリア安定化ジルコニアなどのセラミックスが用いられ、高温の水蒸気を原料とするため他の電解セルに比べ高い効率で水素の製造が可能である。また、脱炭素化を目的として二酸化炭素(CO2)を原料とし電解水素を還元剤として利用し、直接一酸化炭素(CO)を製造する共電解も可能である。
【0003】
SOECを備えた電解システムとして、例えば特許文献1に記載の電解システムが知られている。特許文献1には、電解セル(SOEC)スタックと、スタックへ供給する蒸気を発生させる蒸気発生器と、を備えるシステムが記載されている。蒸気発生器は、AC又はDC抵抗加熱要素、又は誘導加熱要素を含んでいる。
【先行技術文献】
【特許文献】
【0004】
特開2022-180316号公報
【発明の概要】
【発明が解決しようとする課題】
【0005】
SOECにおいて水素を製造するためには、水蒸気を要する。このため、システム外部(例:工場の蒸気送気ライン等)からの水蒸気をSOECへ供給する場合を除き、水蒸気を給水から生成してSOECへ供給する必要がある。
水蒸気を生成する方法として、例えば、特許文献1のように、AC又はDC抵抗加熱要素等といった電力を用いる装置を利用する方法も考えられる。しかしながら、このような方法では、電力を使用することでシステム全体として消費電力が増大し、システム全体のエネルギ効率が低減する可能性があった。
【0006】
本開示は、このような事情に鑑みてなされたものであって、水素製造システム全体のエネルギ効率を向上させることができる水素製造システム及び水素製造方法を提供することを目的とする。
【課題を解決するための手段】
【0007】
上記課題を解決するために、本開示の水素製造システム及び水素製造方法は以下の手段を採用する。
本開示の一態様に係る水素製造システムは、水素を製造する水素製造システムであって、酸化性ガス及び水蒸気が供給され、供給された水蒸気を電気分解することで水素を生成する固体酸化物形電解セルと、給水を加熱することで前記固体酸化物形電解セルへ供給する水蒸気を生成する水蒸気生成部と、前記固体酸化物形電解セルが熱中立点を超える運転点で運転するように、前記固体酸化物形電解セルに対して電力を供給する電源装置と、を備え、前記水蒸気生成部は、前記固体酸化物形電解セルにおける発熱を利用して給水を加熱すし、前記水素製造システムの外部から供給される熱を用いずに水蒸気を生成する。
【0008】
本開示の一態様に係る水素製造方法は、水素製造システムで水素を製造する方法であって、前記水素製造システムは、酸化性ガス及び水蒸気が供給され、供給された水蒸気を電気分解することで水素を生成する固体酸化物形電解セルと、給水を加熱することで前記固体酸化物形電解セルへ供給する水蒸気を生成する水蒸気生成部と、前記固体酸化物形電解セルが熱中立点を超える運転点で運転するように、前記固体酸化物形電解セルに対して電力を供給する電源装置と、を備え、前記固体酸化物形電解セルにおいて、供給された水蒸気を電気分解することで水素を生成する水素生成工程と、給水を加熱することで前記固体酸化物形電解セルへ供給する水蒸気を生成する蒸気生成工程と、前記固体酸化物形電解セルが熱中立点を超える運転点で運転するように、前記固体酸化物形電解セルに対して電力を供給する電力供給工程と、を備え、前記蒸気生成工程は、前記固体酸化物形電解セルにおける発熱を利用して給水を加熱し、前記水素製造システムの外部から供給される熱を用いずに水蒸気を生成する。
【発明の効果】
【0009】
本開示によれば、水素製造システム全体のエネルギ効率を向上させることができる。
【図面の簡単な説明】
【0010】
本開示の実施形態に係る水素製造システムを示す概略構成図である。
本開示の実施形態に係るセルスタックの一態様を示す図である。
【発明を実施するための形態】
(【0011】以降は省略されています)
この特許をJ-PlatPat(特許庁公式サイト)で参照する
関連特許
株式会社荏原製作所
蒸気発電プラント
4日前
SECカーボン株式会社
カソードアセンブリ
7日前
古河電気工業株式会社
端子
5日前
三菱マテリアル株式会社
皮膜付端子材及びその製造方法
5日前
本田技研工業株式会社
膜電極構造体の製造方法
5日前
三菱重工業株式会社
皮膜形成装置
4日前
日本特殊陶業株式会社
ホットモジュール
5日前
株式会社デンソー
セル制御システム
4日前
日本特殊陶業株式会社
ホットモジュール
5日前
株式会社アイシン
電解システム
6日前
株式会社アイシン
電解システム
5日前
日本特殊陶業株式会社
固体酸化物形電解セルおよびその利用
5日前
日本特殊陶業株式会社
固体酸化物形電解セルおよびその利用
5日前
日本特殊陶業株式会社
固体酸化物形電解セルおよびその利用
5日前
日本特殊陶業株式会社
固体酸化物形電解セルおよびその利用
5日前
日本特殊陶業株式会社
固体酸化物形電解セルおよびその利用
5日前
日本特殊陶業株式会社
固体酸化物形電解セルおよびその利用
5日前
日本特殊陶業株式会社
固体酸化物形電解セルおよびその利用
5日前
ノリタケ株式会社
燃料極の評価方法および電気化学セルの製造方法
4日前
日本特殊陶業株式会社
固体酸化物形電解セルおよびその利用
5日前
日本特殊陶業株式会社
固体酸化物形電解セルおよびその利用
5日前
株式会社神鋼環境ソリューション
水電解装置
4日前
三菱重工業株式会社
水素製造システム及び水素製造方法
4日前
株式会社神鋼環境ソリューション
水素発生装置
4日前
ノリタケ株式会社
電気化学スタックの製造方法および電気化学スタック
4日前
三菱重工業株式会社
電解セル、及び電解装置
5日前
三菱重工業株式会社
電解モジュールの冷却方法及び電解システム
4日前
本田技研工業株式会社
再生型燃料電池システムおよびその運転方法
5日前
日本軽金属株式会社
外観ムラ抑制部材
4日前
ノリタケ株式会社
固体酸化物形水電解セルの酸素極およびその製造方法
4日前
株式会社アイシン
固体酸化物形セルシステム
4日前
株式会社アイシン
固体酸化物形セルシステム
4日前
トヨタ自動車株式会社
燃料製造方法及び燃料製造装置
4日前
シチズンファインデバイス株式会社
加工物の製造方法および電解研磨装置
4日前
積水化学工業株式会社
電気化学システム、及びカルボニル化合物の製造方法
4日前
三井金属鉱業株式会社
ガス拡散電極及び電気化学反応装置
7日前
続きを見る
他の特許を見る