TOP
|
特許
|
意匠
|
商標
特許ウォッチ
Twitter
他の特許を見る
公開番号
2025140861
公報種別
公開特許公報(A)
公開日
2025-09-29
出願番号
2024040476
出願日
2024-03-14
発明の名称
セルユニット
出願人
NOK株式会社
代理人
弁理士法人NYTパートナーズ
主分類
C25B
9/00 20210101AFI20250919BHJP(電気分解または電気泳動方法;そのための装置)
要約
【課題】簡単な設計かつ高圧下で使用することができるセルユニットを提供する。
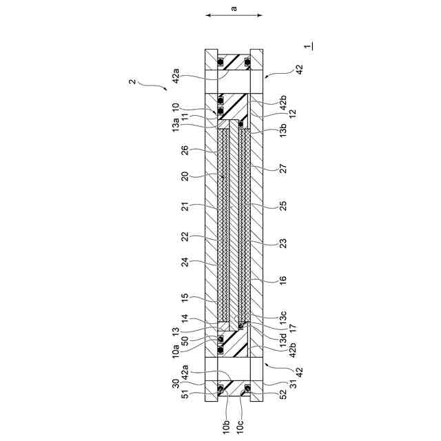
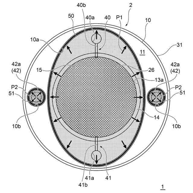
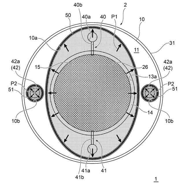
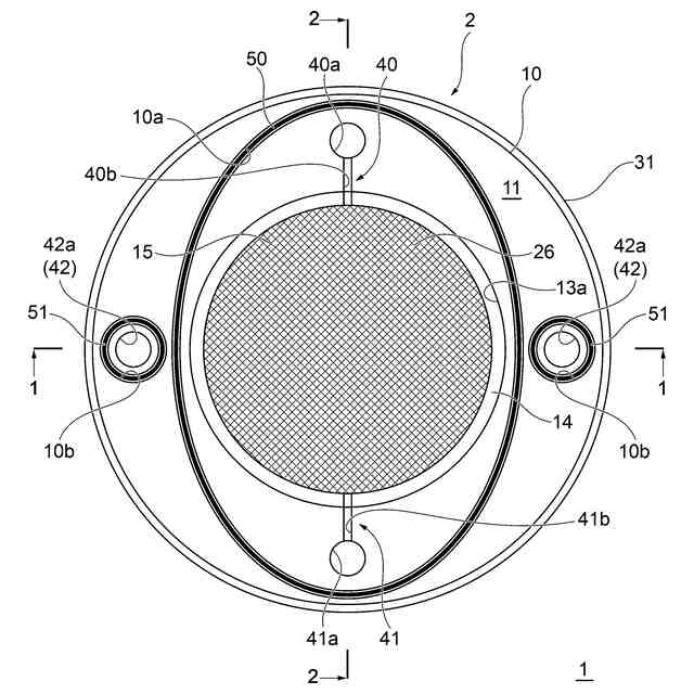
【解決手段】セルユニット2は、互いに背向する第1面11及び第2面12を規定する基材10と、前記第1面11から前記第2面12まで貫通する孔13と、前記孔13内に配置されて、前記孔13を、前記第1面11側の第1空間15と前記第2面12側の第2空間16とに仕切る膜21と、前記基材10に形成されて、前記第1空間15に第1流体を導入するための第1流路40と、前記基材10に形成されて、前記第2空間16から第2流体を導出するための第2流路42と、前記第1面11に配置されて、前記第1空間15及び前記第1流路40を取り囲む第1ガスケット50と、前記第1面11に配置されて、前記第1ガスケット50の外側で前記第2流路42を囲む第2ガスケット51と、を備える。
【選択図】図5
特許請求の範囲
【請求項1】
互いに背向する第1面及び第2面を規定する基材と、
前記第1面から前記第2面まで貫通する孔と、
前記孔内に配置されて、前記孔を、前記第1面側の第1空間と前記第2面側の第2空間とに仕切る膜と、
前記基材に形成されて、前記第1空間に第1流体を導入するための第1流路と、
前記基材に形成されて、前記第2空間から第2流体を導出するための第2流路と、
前記第1面に配置されて、前記第1空間及び前記第1流路を取り囲む第1ガスケットと、
前記第1面に配置されて、前記第1ガスケットの外側で前記第2流路を囲む第2ガスケットと、を備えるセルユニット。
続きを表示(約 580 文字)
【請求項2】
前記第2面に配置されて、前記第2空間及び前記第2流路を取り囲む第3ガスケットと、
前記第2面に配置されて、前記第3ガスケットの外側で前記第1流路を取り囲む第4ガスケットと、を備える、請求項1に記載のセルユニット。
【請求項3】
前記基材に形成されて、前記第1空間から前記第1流体を導出するための第3流路を備え、
前記第1ガスケットは前記第3流路を取り囲む、請求項1又は2に記載のセルユニット。
【請求項4】
前記基材は、前記第1面に形成されて少なくとも部分的に前記第1ガスケットを収容する溝を有する、請求項1に記載のセルユニット。
【請求項5】
前記基材は、前記第1面に形成されて少なくとも部分的に前記第2ガスケットを収容する溝を有する、請求項1に記載のセルユニット。
【請求項6】
前記基材は樹脂材料から形成される、請求項1に記載のセルユニット。
【請求項7】
前記膜は、水電解装置又は燃料電池に組み込まれる電解質膜である、請求項1に記載のセルユニット。
【請求項8】
前記第1流体は電解液である、請求項7に記載のセルユニット。
【請求項9】
前記第2流体は水素である、請求項8に記載のセルユニット。
発明の詳細な説明
【技術分野】
【0001】
本発明は、セルユニットに関する。
続きを表示(約 1,000 文字)
【背景技術】
【0002】
例えば特許文献1には、水電解装置が開示されている。この水電解装置では、電気の力を利用して水を酸素と水素とに分解することによって水素が生成される。
【先行技術文献】
【特許文献】
【0003】
特開2012-117140号公報
【発明の概要】
【発明が解決しようとする課題】
【0004】
水素の生成の効率化にあたって、水素を高圧下で生成することが求められている。しかしながら、高圧下での使用にあたって、水電解装置の設計は複雑となる。
【0005】
本発明は、上述した課題に鑑みてなされたものであり、簡単な設計かつ高圧下で使用することができるセルユニットを提供することを目的とする。
【課題を解決するための手段】
【0006】
本発明の一態様に係るセルユニットは、互いに背向する第1面及び第2面を規定する基材と、前記第1面から前記第2面まで貫通する孔と、前記孔内に配置されて、前記孔を、前記第1面側の第1空間と前記第2面側の第2空間とに仕切る膜と、前記基材に形成されて、前記第1空間に第1流体を導入するための第1流路と、前記基材に形成されて、前記第2空間から第2流体を導出するための第2流路と、前記第1面に配置されて、前記第1空間及び前記第1流路を取り囲む第1ガスケットと、前記第1面に配置されて、前記第1ガスケットの外側で前記第2流路を囲む第2ガスケットと、を備える。
【0007】
本発明の一態様に係るセルユニットは、前記第2面に配置されて、前記第2空間及び前記第2流路を取り囲む第3ガスケットと、前記第2面に配置されて、前記第3ガスケットの外側で前記第1流路を取り囲む第4ガスケットと、を備える。
【0008】
本発明の一態様に係るセルユニットは、前記基材に形成されて、前記第1空間から前記第1流体を導出するための第3流路を備え、前記第1ガスケットは前記第3流路を取り囲む。
【0009】
本発明の一態様に係るセルユニットでは、前記基材は、前記第1面に形成されて少なくとも部分的に前記第1ガスケットを収容する溝を有する。
【0010】
本発明の一態様に係るセルユニットでは、前記基材は、前記第1面に形成されて少なくとも部分的に前記第2ガスケットを収容する溝を有する。
(【0011】以降は省略されています)
この特許をJ-PlatPat(特許庁公式サイト)で参照する
関連特許
NOK株式会社
密封構造
12日前
NOK株式会社
遊星歯車機構
18日前
NOK株式会社
密封装置および密封構造
13日前
NOK株式会社
成形型、ガスケットの製造方法およびガスケット
13日前
NOK株式会社
熱劣化判定方法、熱履歴推定方法、熱劣化判定装置、熱履歴推定装置
24日前
NOK株式会社
密封装置、密封構造、密封構造の組み付け方法
12日前
NOK株式会社
バッテリー用緩衝材、バッテリー、およびバッテリー用緩衝材の弾性部材が発生させるガスを管理する方法
1か月前
東ソー株式会社
バイオマス由来の塩素化ポリエチレン
19日前
株式会社ノーリツ
電解水生成装置
2か月前
本田技研工業株式会社
電解装置
1か月前
株式会社カネカ
可撓性ガス拡散電極
1か月前
株式会社東芝
アルマイト処理方法
1か月前
一般財団法人電力中央研究所
電解反応装置
1か月前
本田技研工業株式会社
差圧式電解装置
11日前
本田技研工業株式会社
水電解スタック
1か月前
本田技研工業株式会社
水電解システム
1か月前
本田技研工業株式会社
CO2電解装置
1か月前
SECカーボン株式会社
カソードアセンブリ
27日前
本田技研工業株式会社
電気化学スタック
1か月前
株式会社荏原製作所
蒸気発電プラント
24日前
本田技研工業株式会社
電解セルの製造方法
1か月前
メルテックス株式会社
極薄電解銅箔及びその製造方法
17日前
古河電気工業株式会社
端子
25日前
NOK株式会社
セルユニット
1か月前
NOK株式会社
セルユニット
1か月前
旭化成株式会社
電解装置の運転方法
13日前
株式会社神戸製鋼所
導電材料およびその製造方法
1か月前
ナミックス株式会社
銅部材
1か月前
NOK株式会社
セルユニット
1か月前
三菱マテリアル株式会社
皮膜付端子材及びその製造方法
25日前
株式会社豊田中央研究所
電極
1か月前
NOK株式会社
セルユニット
1か月前
大阪瓦斯株式会社
共電解メタネーション装置
10日前
本田技研工業株式会社
膜電極構造体の製造方法
25日前
大阪瓦斯株式会社
共電解メタネーション装置
10日前
東京瓦斯株式会社
水電解システム
1か月前
続きを見る
他の特許を見る