TOP
|
特許
|
意匠
|
商標
特許ウォッチ
Twitter
他の特許を見る
公開番号
2025140031
公報種別
公開特許公報(A)
公開日
2025-09-29
出願番号
2024039175
出願日
2024-03-13
発明の名称
水素供給システムおよび方法
出願人
三菱重工業株式会社
,
岩谷産業株式会社
代理人
弁理士法人酒井国際特許事務所
主分類
F17C
5/06 20060101AFI20250919BHJP(ガスまたは液体の貯蔵または分配)
要約
【課題】水素供給システムおよび方法において、所望の温度の水素を生成可能とすると共に信頼性の向上を図る。
【解決手段】水素供給経路と、水素供給経路に設けられて液体水素を昇圧する昇圧ポンプと、水素供給経路における昇圧ポンプより下流側に設けられて水素を昇温する熱交換器と、水素供給経路における熱交換器より下流側に設けられる第1制御弁と、水素供給経路における熱交換器と第1制御弁との間から分岐して水素供給経路における第1制御弁より下流側に合流するバイパス経路と、水素供給経路における昇圧ポンプと熱交換器との間に設けられて低温水素によりバイパス経路を流れる水素を冷却する冷却器と、バイパス経路における冷却器より上流側に設けられる第2制御弁とを備える。
【選択図】図1
特許請求の範囲
【請求項1】
水素供給経路と、
前記水素供給経路に設けられて液体水素を昇圧する昇圧ポンプと、
前記水素供給経路における前記昇圧ポンプより下流側に設けられて水素を昇温する熱交換器と、
前記水素供給経路における前記熱交換器より下流側に設けられる第1制御弁と、
前記水素供給経路における前記熱交換器と前記第1制御弁との間から分岐して前記水素供給経路における前記第1制御弁より下流側に合流するバイパス経路と、
前記水素供給経路における前記昇圧ポンプと前記熱交換器との間に設けられて低温水素により前記バイパス経路を流れる水素を冷却する冷却器と、
前記バイパス経路における前記冷却器より上流側に設けられる第2制御弁と、
を備える水素供給システム。
続きを表示(約 1,000 文字)
【請求項2】
前記水素供給経路における前記バイパス経路の合流部より下流側に設けられて水素の温度を計測する温度センサと、前記温度センサの計測結果に基づいて前記第1制御弁および前記第2制御弁を開閉制御する制御装置とを有する、
請求項1に記載の水素供給システム。
【請求項3】
前記水素供給経路における前記バイパス経路の合流部より下流側に設けられて水素の圧力を計測する圧力センサを有し、前記制御装置は、前記圧力センサの計測結果に基づいて前記第1制御弁および前記第2制御弁を開閉制御する、
請求項2に記載の水素供給システム。
【請求項4】
前記水素供給経路における前記バイパス経路の合流部より下流側に設けられて水素の流量を計測する流量センサを有し、前記制御装置は、前記流量センサの計測結果に基づいて前記第1制御弁および前記第2制御弁を開閉制御する、
請求項2に記載の水素供給システム。
【請求項5】
前記水素供給経路における前記バイパス経路の合流部より下流側に設けられる第3制御弁を有し、前記制御装置は、水素供給の要求の有無に応じて前記第3制御弁を開閉制御する、
請求項2に記載の水素供給システム。
【請求項6】
前記水素供給経路における前記熱交換器と前記第1制御弁との間に蓄圧器が接続される、
請求項1に記載の水素供給システム。
【請求項7】
水素供給経路と、
前記水素供給経路に設けられて液体水素を昇圧する昇圧ポンプと、
前記水素供給経路における前記昇圧ポンプより下流側に設けられて水素を昇温する熱交換器と、
前記水素供給経路における前記熱交換器より下流側に設けられる第1制御弁と、
前記水素供給経路における前記熱交換器と前記第1制御弁との間から分岐して前記水素供給経路における前記第1制御弁より下流側に合流するバイパス経路と、
前記水素供給経路における前記昇圧ポンプと前記熱交換器との間に設けられて低温水素により前記バイパス経路を流れる水素を冷却する冷却器と、
前記バイパス経路における前記冷却器より上流側に設けられる第2制御弁と、
を備え、
前記水素供給経路における前記バイパス経路の合流部より下流側の水素の温度に基づいて前記第1制御弁および前記第2制御弁を開閉制御する、
水素供給方法。
発明の詳細な説明
【技術分野】
【0001】
本開示は、水素供給システムおよび方法に関するものである。
続きを表示(約 1,800 文字)
【背景技術】
【0002】
カーボンニュートラルを実現させるシステムとして、燃料として水素を適用することが考えられている。水素は、液体水素の状態でタンクに貯留され、タンクに貯留された液体水素を昇圧ポンプにより昇圧した後に、熱交換器を通して所定温度の水素を生成し、水素を、例えば、燃料電池や水素エンジンなどに供給する。液体水素を昇圧させて所定温度の水素を生成する技術としては、例えば、特許文献1に記載された技術がある。
【先行技術文献】
【特許文献】
【0003】
特開2012-167767号公報
【発明の概要】
【発明が解決しようとする課題】
【0004】
特許文献1に記載された技術は、液体水素を昇圧ポンプにより昇圧した後に熱交換器を通して温度を上げた水素と、液体水素を昇圧ポンプにより昇圧した後に熱交換器をバイパスした低温の水素とを混合させることで、所定温度の水素を生成するものである。この技術では、水素が流れる水素供給ラインと低温の水素が流れるバイパスラインにそれぞれ流量調整弁が設けられる。そして、各流量調整弁の開度を調整して温度を上げた水素と低温の水素の流量をそれぞれ調整することで、供給する水素の温度が調整される。この場合、バイパスラインに設けられる流量調整弁は、低温の水素が接触することから、十分な信頼性を確保することができないおそれがある。
【0005】
本開示は、上述した課題を解決するものであり、所望の温度の水素を生成可能とすると共に信頼性の向上を図る水素供給システムおよび方法を提供することを目的とする。
【課題を解決するための手段】
【0006】
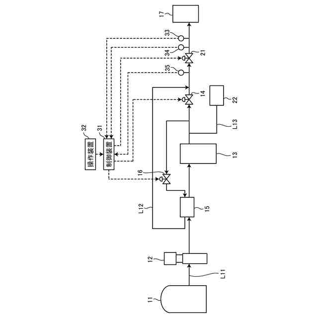
上記の目的を達成するための本開示の水素供給システムは、水素供給経路と、前記水素供給経路に設けられて液体水素を昇圧する昇圧ポンプと、前記水素供給経路における前記昇圧ポンプより下流側に設けられて水素を昇温する熱交換器と、前記水素供給経路における前記熱交換器より下流側に設けられる第1制御弁と、前記水素供給経路における前記熱交換器と前記第1制御弁との間から分岐して前記水素供給経路における前記第1制御弁より下流側に合流するバイパス経路と、前記水素供給経路における前記昇圧ポンプと前記熱交換器との間に設けられて低温水素により前記バイパス経路を流れる水素を冷却する冷却器と、前記バイパス経路における前記冷却器より上流側に設けられる第2制御弁と、を備える。
【0007】
また、本開示の水素供給方法は、水素供給経路と、前記水素供給経路に設けられて液体水素を昇圧する昇圧ポンプと、前記水素供給経路における前記昇圧ポンプより下流側に設けられて水素を昇温する熱交換器と、前記水素供給経路における前記熱交換器より下流側に設けられる第1制御弁と、前記水素供給経路における前記熱交換器と前記第1制御弁との間から分岐して前記水素供給経路における前記第1制御弁より下流側に合流するバイパス経路と、前記水素供給経路における前記昇圧ポンプと前記熱交換器との間に設けられて低温水素により前記バイパス経路を流れる水素を冷却する冷却器と、前記バイパス経路における前記冷却器より上流側に設けられる第2制御弁と、を備え、前記水素供給経路における前記バイパス経路の合流部より下流側の水素の温度に基づいて前記第1制御弁および前記第2制御弁を開閉制御する。
【発明の効果】
【0008】
本開示の水素供給システムおよび方法によれば、所望の温度の水素を生成することができると共に、信頼性の向上を図ることができる。
【図面の簡単な説明】
【0009】
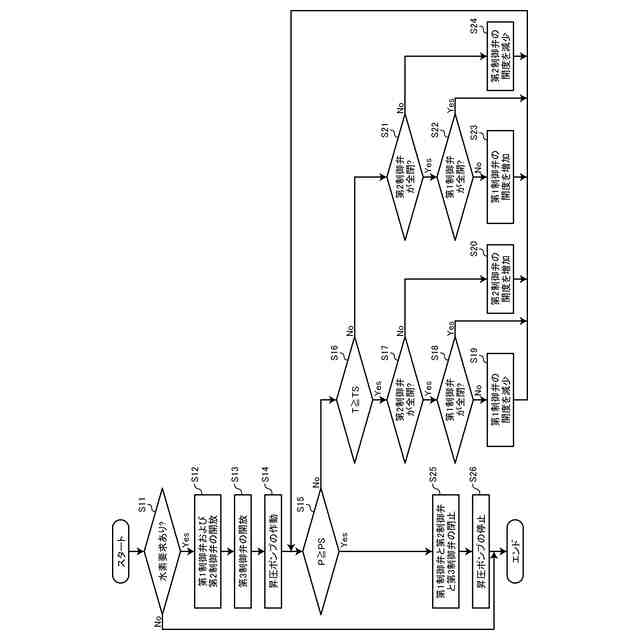
図1は、本実施形態の水素供給システムを表す概略構成図である。
図2は、水素の供給方法を表すフローチャートである。
【発明を実施するための形態】
【0010】
以下に図面を参照して、本開示の好適な実施形態を詳細に説明する。なお、この実施形態により本開示が限定されるものではなく、また、実施形態が複数ある場合には、各実施形態を組み合わせて構成するものも含むものである。また、実施形態における構成要素には、当業者が容易に想定できるもの、実質的に同一のもの、いわゆる均等の範囲のものが含まれる。
(【0011】以降は省略されています)
この特許をJ-PlatPat(特許庁公式サイト)で参照する
関連特許
三菱重工業株式会社
皮膜形成装置
4日前
三菱重工業株式会社
ポンプシステム
4日前
三菱重工業株式会社
超音波探傷方法
4日前
三菱重工業株式会社
洗浄水噴射ノズル
6日前
三菱重工業株式会社
バッテリ交換装置
5日前
三菱重工業株式会社
メタン酸化触媒装置
4日前
三菱重工業株式会社
デジタル入力モジュール
6日前
三菱重工業株式会社
電解セル、及び電解装置
5日前
三菱重工業株式会社
炭化炉及びその制御方法
4日前
三菱重工業株式会社
シール装置および回転機械
6日前
三菱重工業株式会社
バーナ及びこれを備えたボイラ
4日前
三菱重工業株式会社
バーナ及びこれを備えたボイラ
4日前
三菱重工業株式会社
水素製造システム及び水素製造方法
4日前
三菱重工業株式会社
洗浄装置、分離システム及び洗浄方法
4日前
三菱重工業株式会社
渦電流探傷装置、及び渦電流探傷方法
4日前
三菱重工業株式会社
シール構造の製造方法およびシール構造
6日前
三菱重工業株式会社
蓄圧システム及び蓄圧システムの運転方法
5日前
三菱重工業株式会社
移動体、自己位置推定方法及びプログラム
6日前
三菱重工業株式会社
電解モジュールの冷却方法及び電解システム
4日前
三菱重工業株式会社
シール構造、建屋及びシール構造の製造方法
5日前
三菱重工業株式会社
電力変換システム、および電力変換システムの制御方法
5日前
三菱重工業株式会社
タービン架台及びタービン装置並びにタービン架台の製造方法
4日前
三菱重工業株式会社
粉砕テーブル及び固体燃料粉砕装置並びに粉砕テーブルの補修方法
4日前
三菱重工業株式会社
機器配置設計装置、機器配置設計方法及び機器配置設計プログラム
5日前
三菱重工業株式会社
制御装置、ガスタービンの燃料供給系統、制御方法及びプログラム
今日
三菱重工業株式会社
濃度算出装置、燃焼制御装置、濃度算出方法及び濃度算出プログラム
5日前
三菱重工業株式会社
固体燃料粉砕装置及びボイラ設備並びに固体燃料粉砕装置の運転方法
5日前
三菱重工業株式会社
熱電併給用蒸気生成システム及び熱電併給システム並びに熱電併給用蒸気生成方法
4日前
三菱重工業株式会社
放射性廃棄物収納用セパレータ、放射性廃棄物収納容器および放射性廃棄物収納方法
今日
三菱重工業株式会社
ガスタービン制御装置、ガスタービン制御方法、及び、ガスタービン制御プログラム
今日
三菱重工業株式会社
炭素強度演算装置、これを用いた合成燃料製造プラント、炭素強度演算方法及び炭素強度演算プログラム
4日前
三菱重工業株式会社
CO2回収装置用蒸気生成システム及びこれを備えたCO2回収装置並びにCO2回収装置用蒸気生成方法
4日前
株式会社石井鐵工所
低温タンクの揚液装置
6か月前
株式会社石井鐵工所
低温タンクの揚液装置
3か月前
川崎重工業株式会社
竪型タンク
4か月前
川崎重工業株式会社
三重殻タンク
7か月前
続きを見る
他の特許を見る