TOP
|
特許
|
意匠
|
商標
特許ウォッチ
Twitter
他の特許を見る
公開番号
2025165418
公報種別
公開特許公報(A)
公開日
2025-11-05
出願番号
2024069413
出願日
2024-04-23
発明の名称
二酸化炭素回収システム及び二酸化炭素回収システムの運転方法
出願人
三菱重工業株式会社
代理人
個人
,
個人
,
個人
主分類
B01D
53/62 20060101AFI20251028BHJP(物理的または化学的方法または装置一般)
要約
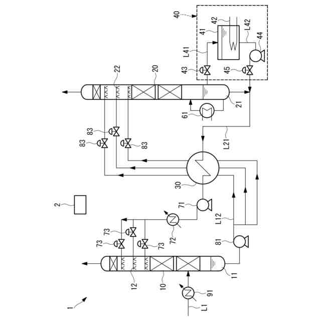
【課題】吸収液の循環量が増加した場合に放散塔へ向かう吸収液が十分に加熱されない/昇温されないという現象が発生する可能性を低減することができる二酸化炭素回収システムを提供する。
【解決手段】熱交換器30と、少なくとも一部の二酸化炭素が放散された吸収液を放散塔20から取り出し、取り出した吸収液を吸収塔10から放散塔20へ向かう吸収液の温度よりも高い温度となるように加熱しながら貯留して、貯留された吸収液を放散塔20を経由することなく熱交換器30に供給する貯留装置40と、を備えている。
【選択図】図1
特許請求の範囲
【請求項1】
処理対象ガスに含まれた二酸化炭素を吸収液に吸収させる吸収塔からその二酸化炭素を吸収液から放散させる放散塔へ向かう吸収液を、前記放散塔から前記吸収塔へ向かう吸収液で加熱する熱交換器と、
少なくとも一部の二酸化炭素が放散された吸収液を前記放散塔から取り出し、取り出した吸収液を前記吸収塔から前記放散塔へ向かう吸収液の温度よりも高い温度となるように加熱しながら貯留して、貯留された吸収液を前記放散塔を経由することなく前記熱交換器に供給する貯留装置と、
を備えている
二酸化炭素回収システム。
続きを表示(約 1,100 文字)
【請求項2】
前記貯留装置に貯留される吸収液の温度は、
前記放散塔から前記熱交換器へ向かう吸収液の温度よりも高い温度、又は
前記放散塔の底部に貯留されている吸収液よりも高い温度
とされている
請求項1に記載の二酸化炭素回収システム。
【請求項3】
前記貯留装置は、
吸収液を貯留するタンク、
吸収液を前記放散塔から前記タンクへ導く取出ライン、
吸収液を前記タンクから前記熱交換器へ導く供給ライン、及び
前記タンクに貯留された吸収液を加熱するヒータ、
を有している
請求項1又は2に記載の二酸化炭素回収システム。
【請求項4】
制御部を備え、
前記貯留装置は、前記取出ラインに設けられたバルブを有し、
前記制御部は、前記放散塔の下部に貯留された吸収液の液面レベルに基づいて前記バルブの開度を決定している
請求項3に記載の二酸化炭素回収システム。
【請求項5】
前記貯留装置は、前記供給ラインに設けられたポンプを有している
請求項3に記載の二酸化炭素回収システム。
【請求項6】
制御部を備え、
前記制御部は、処理対象ガスの排出量に応じて前記ポンプの回転数を決定している
請求項5に記載の二酸化炭素回収システム。
【請求項7】
制御部を備え、
前記貯留装置は、前記供給ラインに設けられたバルブを有し、
前記制御部は、処理対象ガスの排出量に応じて、前記ポンプの回転数及び前記バルブの開度の少なくともいずれかひとつを決定している
請求項5に記載の二酸化炭素回収システム。
【請求項8】
制御部と、
吸収液を前記吸収塔へ導く複数の戻りラインと、
各前記戻りラインに設けられたバルブと、
を備え、
前記制御部は、前記吸収塔へ導かれる吸収液の総量に応じて各前記バルブの開度を決定する
請求項1又は2に記載の二酸化炭素回収システム。
【請求項9】
制御部と、
吸収液を前記放散塔へ導く複数の往きラインと、
各前記往きラインに設けられたバルブと、
を備え、
前記制御部は、前記放散塔へ導かれる吸収液の総量に応じて各前記バルブの開度を決定する
請求項1又は2に記載の二酸化炭素回収システム。
【請求項10】
複数の前記往きラインは、前記熱交換器を通過している
請求項9に記載の二酸化炭素回収システム。
(【請求項11】以降は省略されています)
発明の詳細な説明
【技術分野】
【0001】
本開示は、二酸化炭素回収システム及び二酸化炭素回収システムの運転方法に関する。
続きを表示(約 1,900 文字)
【背景技術】
【0002】
火力発電設備やボイラ設備などのプラントは例えば安価な石炭を燃料として用いており、排出ガスに含まれた二酸化炭素(CO2)の排出が問題になっている。また、脱炭素の潮流もあり、CO2の排出量を低減することはもとより、発生したCO2を回収するシステム(二酸化炭素回収システム)がプラントに設置されつつある。
【0003】
二酸化炭素回収システムは、例えば、排出ガスとアミン系吸収液とを吸収塔で接触させて、吸収液にCO2を吸収させてリッチ溶液(相対的にCO2含有量が多い吸収液)を生成する。また、二酸化炭素回収システムは、生成したリッチ溶液を放散塔へ供給して、その放散塔でリッチ溶液を加熱することでリッチ溶液に含まれるCO2を放出させてリーン溶液(相対的にCO2含有量が少ない吸収液)を生成する。そして、二酸化炭素回収システムは、そのリーン溶液を吸収塔へ供給するという吸収液の循環を行っている。このとき、二酸化炭素回収システムが備えている熱交換器で吸収塔から放散塔へ供給されるリッチ溶液を放散塔から吸収塔へ戻されるリーン溶液で加熱して昇温することで、放散塔での二酸化炭素の放散を促進している。
なお、関連する技術が特許文献1に開示されている。
【先行技術文献】
【特許文献】
【0004】
特開2016-187796号公報
【発明の概要】
【発明が解決しようとする課題】
【0005】
排出ガスの排出量の変動が少ない場合、吸収塔と放散塔との間における吸収液の循環量は略一定で問題ない。しかしながら、例えばプラント負荷が上昇して排出ガスの排出量が増加した場合、吸収液の循環量を維持したままでは、吸収塔でCO2を十分に吸収できなかったり、放散塔でCO2を十分に放散できなかったりするため、吸収液の循環量を増加させる必要がある。ところが、吸収液の循環量が急激に増加した場合、放散塔に供給される吸収液が熱交換器で十分に加熱されない/昇温されないという現象が発生する可能性がある。仮にそのような現象が発生すると、放散塔でCO2を十分に放散できなくなり、更には、吸収塔で吸収液がCO2を十分に吸収できなくなる可能性がある。
【0006】
本開示は、このような事情に鑑みてなされたものであって、吸収液の循環量が増加した場合に放散塔へ向かう吸収液が十分に加熱されない/昇温されないという現象が発生する可能性を低減することができる二酸化炭素回収システム及び二酸化炭素回収システムの運転方法を提供することを目的とする。
【課題を解決するための手段】
【0007】
上記課題を解決するために、本開示の二酸化炭素回収システム及び二酸化炭素回収システムの運転方法は、以下の手段を採用する。
【0008】
本開示の一態様に係る二酸化炭素回収システムは、処理対象ガスに含まれた二酸化炭素を吸収液に吸収させる吸収塔からその二酸化炭素を吸収液から放散させる放散塔へ向かう吸収液を、前記放散塔から前記吸収塔へ向かう吸収液で加熱する熱交換器と、少なくとも一部の二酸化炭素が放散された吸収液を前記放散塔から取り出し、取り出した吸収液を前記吸収塔から前記放散塔へ向かう吸収液の温度よりも高い温度となるように加熱しながら貯留して、貯留された吸収液を前記放散塔を経由することなく前記熱交換器に供給する貯留装置と、を備えている。
【0009】
本開示の一態様に係る二酸化炭素回収システムの運転方法は、処理対象ガスに含まれた二酸化炭素を吸収液に吸収させる吸収塔からその二酸化炭素を吸収液から放散させる放散塔へ向かう吸収液を、前記放散塔から前記吸収塔へ向かう吸収液で加熱する熱交換器を備えている二酸化炭素回収システムの運転方法であって、少なくとも一部の二酸化炭素が放散された吸収液を前記放散塔から取り出して、取り出した吸収液を前記吸収塔から前記放散塔へ向かう吸収液の温度よりも高い温度となるように加熱しながら貯留して、貯留した吸収液を、前記放散塔を経由することなく前記熱交換器に供給する。
【発明の効果】
【0010】
本開示によれば、吸収液の循環量が増加した場合に放散塔へ向かう吸収液が十分に加熱されない/昇温されないという現象が発生する可能性を低減することができる。
【図面の簡単な説明】
(【0011】以降は省略されています)
この特許をJ-PlatPat(特許庁公式サイト)で参照する
関連特許
株式会社西部技研
除湿装置
1か月前
株式会社日本触媒
ドロー溶質
1か月前
プライミクス株式会社
攪拌装置
10日前
日本バイリーン株式会社
フィルタ
24日前
サンノプコ株式会社
消泡剤
1か月前
東レ株式会社
遠心ポッティング方法
1か月前
トヨタ自動車株式会社
濾過装置
25日前
株式会社切川物産
撹拌装置
11日前
トヨタ紡織株式会社
フィルタ
4日前
個人
気液混合装置
1か月前
栗田工業株式会社
ギ酸の回収方法
11日前
大和ハウス工業株式会社
反応装置
1か月前
トヨタ紡織株式会社
水流帯電装置
4日前
松岡紙業 株式会社
油吸着体の製造方法
1か月前
株式会社フクハラ
圧縮空気圧回路ユニット
1か月前
東芝ライテック株式会社
光照射装置
25日前
富士電機株式会社
ガス処理システム
1か月前
株式会社明電舎
成膜装置
1か月前
東芝ライテック株式会社
紫外線処理装置
10日前
日本化薬株式会社
直鎖ブテン製造用触媒及びその使用
1か月前
本田技研工業株式会社
二酸化炭素回収装置
1か月前
本田技研工業株式会社
二酸化炭素回収装置
1か月前
ノリタケ株式会社
触媒材料およびその利用
1か月前
ノリタケ株式会社
触媒材料およびその利用
1か月前
ノリタケ株式会社
触媒材料およびその利用
1か月前
本田技研工業株式会社
二酸化炭素回収装置
1か月前
株式会社ダイセル
圧力容器
2日前
本田技研工業株式会社
二酸化炭素回収装置
1か月前
本田技研工業株式会社
二酸化炭素回収装置
1か月前
個人
フッ化炭素糸物にフッ素をコーティングした浄水手段
1か月前
いであ株式会社
PFAS除去用バイオ炭の製造方法
26日前
東京応化工業株式会社
ろ過処理方法、及び多孔質膜
1か月前
三浦工業株式会社
撹拌装置
1か月前
株式会社プロテリアル
触媒複合物および触媒前駆体複合物
1か月前
栗田工業株式会社
有機物含有水の脱泡処理装置
18日前
TPR株式会社
多孔質ブリーザ
1か月前
続きを見る
他の特許を見る