TOP
|
特許
|
意匠
|
商標
特許ウォッチ
Twitter
他の特許を見る
10個以上の画像は省略されています。
公開番号
2025112328
公報種別
公開特許公報(A)
公開日
2025-08-01
出願番号
2024006467
出願日
2024-01-19
発明の名称
作業車両
出願人
株式会社クボタ
代理人
個人
,
個人
主分類
B62D
49/00 20060101AFI20250725BHJP(鉄道以外の路面車両)
要約
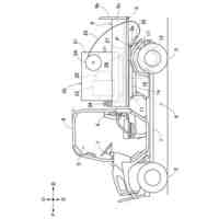
【課題】作業者によるメンテナンス等の作業性を向上可能な作業車両を提供する。
【解決手段】車体の前部に設けられ、ウェイト部材を支持するウェイト支持部60と、前記車体の前方の検知対象を検知することが可能な前側レーダーユニット100Fと、前記ウェイト支持部60の上面61に固定され、前記前側レーダーユニット100Fを支持する支持部材200と、を具備した。
【選択図】図3
特許請求の範囲
【請求項1】
車体の前部に設けられ、ウェイト部材を支持するウェイト支持部と、
前記車体の前方の検知対象を検知することが可能な前方検知部と、
前記ウェイト支持部の上面に固定され、前記前方検知部を支持する支持部材と、
を具備する作業車両。
続きを表示(約 820 文字)
【請求項2】
前記支持部材は、
中空状に形成されている、
請求項1に記載の作業車両。
【請求項3】
前記支持部材は、
前記支持部材の前側面を形成する前側部材と、
前記支持部材の後側面を形成する後側部材と、
を具備する、
請求項1に記載の作業車両。
【請求項4】
前記支持部材の左側面及び右側面は、
前記前側部材及び前記後側部材のいずれか一方と一体的に形成されている、
請求項3に記載の作業車両。
【請求項5】
前記支持部材は、
下方から上方に向かって、左右幅が徐々に狭くなる第一部分を具備する、
請求項1に記載の作業車両。
【請求項6】
前記支持部材は、
前記第一部分よりも上部に形成され、下方から上方に向かって左右幅が徐々に広くなる第二部分を具備する、
請求項5に記載の作業車両。
【請求項7】
前記前方検知部は、
前記支持部材に対する取り付け角度が変更可能となるように、前記支持部材に支持されている、
請求項1に記載の作業車両。
【請求項8】
前記支持部材には、
前記支持部材を前後に貫通する開口部が形成されている、
請求項1に記載の作業車両。
【請求項9】
前記ウェイト支持部には、
ヒッチピンを保持可能なヒッチピン保持部が形成され、
前記開口部は、
上下方向において前記ヒッチピン保持部と重複する位置に形成される、
請求項8に記載の作業車両。
【請求項10】
前記支持部材は、
前記支持部材の内部空間と前記開口部とを仕切る仕切り部を具備する、
請求項8又は請求項9に記載の作業車両。
(【請求項11】以降は省略されています)
発明の詳細な説明
【技術分野】
【0001】
本発明は、作業車両の技術に関する。
続きを表示(約 1,100 文字)
【背景技術】
【0002】
従来、周囲の障害物等を検知可能な検知装置を具備する作業車両の技術は公知となっている。例えば、特許文献1に記載の如くである。
【0003】
特許文献1には、フロントウェイトを支持するウェイトブラケットと、障害物を検知可能な検知装置と、ウェイトブラケットに固定され、検知装置を支持するセンサブラケットと、を具備する作業車両が開示されている。特許文献1に記載の技術では、センサブラケットは、ウェイトブラケットの左右両側面に固定されている。
【0004】
ここで、作業車両の前部(ボンネット付近)では、車両の左右側方から、作業者による各種の作業(例えば、ボンネットの開閉、バッテリのメンテナンス等)を行うことが想定される。これに対して、特許文献1に記載のように、ウェイトブラケットの左右両側面にセンサブラケットが固定されていると、センサブラケットが作業者による作業を阻害し、作業性が低下するおそれがある。
【先行技術文献】
【特許文献】
【0005】
特開2022-36628号公報
【発明の概要】
【発明が解決しようとする課題】
【0006】
本開示の一態様は、以上の如き状況に鑑みてなされたものであり、その解決しようとする課題は、作業者によるメンテナンス等の作業性を向上可能な作業車両を提供することである。
【課題を解決するための手段】
【0007】
本開示の一態様の解決しようとする課題は以上の如くであり、次にこの課題を解決するための手段を説明する。
【0008】
本開示の一態様に係る作業車両は、車体の前部に設けられ、ウェイト部材を支持するウェイト支持部と、前記車体の前方の検知対象を検知することが可能な前方検知部と、前記ウェイト支持部の上面に固定され、前記前方検知部を支持する支持部材と、を具備するものである。
本開示の一態様によれば、作業者によるメンテナンス等の作業性を向上させることができる。
【0009】
本開示の一態様に係る前記支持部材は、中空状に形成されているものである。
本開示の一態様によれば、内部に各種部品を収容することができる。
【0010】
本開示の一態様に係る前記支持部材は、前記支持部材の前側面を形成する前側部材と、前記支持部材の後側面を形成する後側部材と、を具備するものである。
本開示の一態様によれば、支持部材を簡素な構成とすることができる。
(【0011】以降は省略されています)
この特許をJ-PlatPat(特許庁公式サイト)で参照する
関連特許
株式会社クボタ
作業車
24日前
株式会社クボタ
作業車
10日前
株式会社クボタ
作業機
16日前
株式会社クボタ
作業車
29日前
株式会社クボタ
作業車
29日前
株式会社クボタ
作業車
1か月前
株式会社クボタ
移植機
1か月前
株式会社クボタ
移植機
1か月前
株式会社クボタ
作業車
1か月前
株式会社クボタ
作業車
1か月前
株式会社クボタ
作業車
1か月前
株式会社クボタ
作業車
23日前
株式会社クボタ
作業車
8日前
株式会社クボタ
作業車
8日前
株式会社クボタ
作業車
1か月前
株式会社クボタ
作業機
2日前
株式会社クボタ
作業車両
17日前
株式会社クボタ
作業車両
29日前
株式会社クボタ
作業車両
1か月前
株式会社クボタ
作業車両
8日前
株式会社クボタ
作業車両
8日前
株式会社クボタ
作業車両
29日前
株式会社クボタ
多目的車両
26日前
株式会社クボタ
多目的車両
1か月前
株式会社クボタ
多目的車両
1か月前
株式会社クボタ
電動作業車
24日前
株式会社クボタ
多目的車両
1か月前
株式会社クボタ
ガスケット
1か月前
株式会社クボタ
多目的車両
15日前
株式会社クボタ
竪型の反応炉
2日前
株式会社クボタ
車両用シート
15日前
株式会社クボタ
農作物測定装置
23日前
株式会社クボタ
作業車及び座席
15日前
株式会社クボタ
作業車及び座席
1か月前
株式会社クボタ
鋳造用砂型の製造方法
2日前
株式会社クボタ
鋳鋼品および鋳鋼品の製造方法
8日前
続きを見る
他の特許を見る