TOP
|
特許
|
意匠
|
商標
特許ウォッチ
Twitter
他の特許を見る
10個以上の画像は省略されています。
公開番号
2025180577
公報種別
公開特許公報(A)
公開日
2025-12-11
出願番号
2024088001
出願日
2024-05-30
発明の名称
半導体集積回路
出願人
ローム株式会社
代理人
個人
,
個人
主分類
G05F
3/26 20060101AFI20251204BHJP(制御;調整)
要約
【課題】高速に起動可能な半導体集積回路を提供する。
【解決手段】第1トランジスタM1は、ゲートドレイン間が結線され、定電流Ic1の経路上に設けられたPMOSトランジスタである。第2トランジスタM2は、ゲートソース間が結線され、定電流の経路上に設けられたNMOSトランジスタである。第1スイッチSW1は、第1トランジスタM1のゲートと第2トランジスタM2のゲートの間に接続される。起動回路は定電流回路200Aの起動時に、第1スイッチSW1を所定時間ターンオンする。
【選択図】図3
特許請求の範囲
【請求項1】
定電流を生成するとともに、Pゲートバイアス電圧およびNゲートバイアス電圧を出力する定電流回路と、
ゲートに前記Pゲートバイアス電圧を受けるPMOS(P-channel Metal Oxide Semiconductor)トランジスタである負荷トランジスタ、または、ゲートに前記Nゲートバイアス電圧を受けるNMOS(N-channel Metal Oxide Semiconductor)トランジスタである負荷トランジスタを含む回路ブロックと、
を備え、
前記定電流回路は、
ゲートドレイン間が結線され、前記定電流の経路上に設けられたPMOSトランジスタである第1トランジスタと、
ゲートソース間が結線され、前記定電流の経路上に設けられたNMOSトランジスタである第2トランジスタと、
前記第1トランジスタの前記ゲートと前記第2トランジスタの前記ゲートの間に接続された第1スイッチと、
前記定電流回路の起動時に、前記第1スイッチを所定時間ターンオンする起動回路と、
を含み、
前記第1トランジスタのゲート電圧が前記Pゲートバイアス電圧であり、
前記第2トランジスタのゲート電圧が前記Nゲートバイアス電圧である、半導体集積回路。
続きを表示(約 2,100 文字)
【請求項2】
前記定電流回路は、基準電流を生成する基準電流源をさらに含み、
前記第2トランジスタは前記基準電流の経路上に設けられ、
ゲートが前記第2トランジスタのゲートと接続され、ドレインが前記第1トランジスタのドレインと接続されたNMOSトランジスタである第3トランジスタをさらに含む、請求項1に記載の半導体集積回路。
【請求項3】
定電流を生成するとともに、Pゲートバイアス電圧を出力する定電流回路と、
ゲートに前記Pゲートバイアス電圧を受けるPMOS(P-channel Metal Oxide Semiconductor)トランジスタである負荷トランジスタを含む回路ブロックと、
を備え、
前記定電流回路は、
ゲートドレイン間が結線された、前記定電流の経路上に設けられたPMOSトランジスタである第1トランジスタと、
前記第1トランジスタのドレインと接地ラインの間に直列に設けられた第1抵抗および第2スイッチと、
前記定電流回路の起動時に、前記第2スイッチを所定時間ターンオンする起動回路と、
を含み、
前記第1トランジスタのゲート電圧が前記Pゲートバイアス電圧である、半導体集積回路。
【請求項4】
前記定電流回路は、
ゲートソース間が結線され、前記定電流の経路上に設けられたNMOS(N-channel Metal Oxide Semiconductor)トランジスタである第2トランジスタと、
ゲートが前記第2トランジスタのゲートと接続され、ドレインが前記第1トランジスタのドレインと接続されたNMOSトランジスタである第3トランジスタと、
をさらに含む、請求項3に記載の半導体集積回路。
【請求項5】
定電流を生成するとともに、Pゲートバイアス電圧およびNゲートバイアス電圧を出力する定電流回路と、
ゲートに前記Nゲートバイアス電圧を受けるNMOSトランジスタである負荷トランジスタを含む回路ブロックと、
を備え、
前記定電流回路は、
ゲートソース間が結線され、前記定電流の経路上に設けられたNMOSトランジスタである第2トランジスタと、
前記第2トランジスタのドレインと電源ラインの間に直列に設けられた第2抵抗および第3スイッチと、
前記定電流回路の起動時に、前記第3スイッチを所定時間ターンオンする起動回路と、
を含み、
前記第2トランジスタのゲート電圧が前記Nゲートバイアス電圧である、半導体集積回路。
【請求項6】
前記定電流回路は、
ゲートドレイン間が結線され、前記定電流の経路上に設けられたPMOSトランジスタである第1トランジスタと、
ゲートが前記第2トランジスタのゲートと接続され、ドレインが前記第1トランジスタのドレインと接続されたNMOSトランジスタである第3トランジスタと、
をさらに含む、請求項5に記載の半導体集積回路。
【請求項7】
前記定電流回路は、
ゲートが前記第1トランジスタのゲートと接続されたPMOSトランジスタである第4トランジスタと、
ゲートが前記第2トランジスタのゲートと接続され、ドレインが前記第4トランジスタのドレインと接続されたNMOSトランジスタである第5トランジスタと、
をさらに含む、請求項2、4、6のいずれかに記載の半導体集積回路。
【請求項8】
前記定電流回路は、
ゲートが前記第2トランジスタのゲートと接続され、前記第1トランジスタのドレインと前記第3トランジスタのドレインの間に接続されたNMOSトランジスタである第6トランジスタと、
ゲートドレイン間が結線され、前記第4トランジスタのドレインと前記第5トランジスタのドレインの間に接続されたNMOSトランジスタである第7トランジスタと、
をさらに含む、請求項7に記載の半導体集積回路。
【請求項9】
前記定電流回路は、
ゲートが前記第1トランジスタのゲートと接続され、前記第1トランジスタのソースと電源ラインの間に接続されたPMOSトランジスタである第8トランジスタと、
ゲートが前記第4トランジスタのゲートと接続され、前記第4トランジスタのソースと電源ラインの間に接続されたPMOSトランジスタである第9トランジスタと、
をさらに含む、請求項7に記載の半導体集積回路。
【請求項10】
前記起動回路は、
イネーブル信号と、
前記イネーブル信号を反転する第1インバータと、
前記第1インバータの出力を受けるローパスフィルタと、
前記ローパスフィルタの出力を反転する第2インバータと、
前記イネーブル信号を反転する第3インバータと、
前記第1インバータの出力と前記第3インバータの出力の否定論理和を生成する論理ゲートと、
を含む、請求項1から6のいずれかに記載の半導体集積回路。
発明の詳細な説明
【技術分野】
【0001】
本開示は、半導体集積回路に関する。
続きを表示(約 2,100 文字)
【背景技術】
【0002】
半導体集積回路において、差動増幅器、オペアンプ、コンパレータなどさまざまな回路ブロックにおいて、定電流が利用される。半導体集積回路は、基準電流を生成する基準電流源(定電流回路)を備える。
【0003】
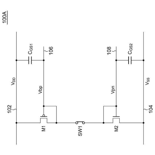
複数の回路ブロックにおける定電流の生成には、カレントミラー回路が利用される。具体的には、各回路ブロックには、カレントミラー回路の出力トランジスタが設けられる。そして複数の回路ブロックの複数の出力トランジスタのゲートは、基準電流源に設けられたカレントミラー回路のゲートと、配線(ゲートバイアスラインという)を介して共通に接続される。これにより、各回路ブロックの出力トランジスタには、基準電流源のカレントミラー回路と同一レベルのゲートバイアス電圧が与えられ、出力トランジスタには、基準電流に比例する定電流が流れる。
【0004】
ゲートバイアスラインには、カレントミラー回路を構成する複数のMOSトランジスタのゲート容量が寄生容量として存在する。この寄生容量は、ゲートバイアスラインの寄生インダクタンスや寄生抵抗とともに遅延回路を形成する。そのため、半導体集積回路の起動時において、基準電流源において生成されたゲートバイアス電圧が、複数の回路ブロックにおける出力トランジスタのゲートに到達するまでに、無視できない伝搬遅延が発生する。伝搬遅延時間は、ゲート配線が長くなるほど、また回路ブロックの個数が増えるほど長くなる。つまり半導体集積回路の起動時間が長くなる。
【先行技術文献】
【特許文献】
【0005】
特開2023-73952号公報
特開2017-62616号公報
特開2017-59056号公報
【0006】
[概要]
本開示は係る状況においてなされたものであり、そのある態様の例示的な目的のひとつは、高速に起動可能な半導体集積回路の提供にある。
【0007】
本開示のある態様の半導体集積回路は、定電流を生成するとともに、Pゲートバイアス電圧およびNゲートバイアス電圧を出力する定電流回路と、ゲートにPゲートバイアス電圧を受けるPMOS(P-channel Metal Oxide Semiconductor)トランジスタである負荷トランジスタ、または、ゲートにNゲートバイアス電圧を受けるNMOSトランジスタである負荷トランジスタを含む回路ブロックと、を備える。定電流回路は、ゲートドレイン間が結線され、定電流の経路上に設けられたPMOSトランジスタである第1トランジスタと、ゲートソース間が結線され、定電流の経路上に設けられたNMOSトランジスタである第2トランジスタと、ゲートが第2トランジスタのゲートと接続され、第1トランジスタのゲートと第2トランジスタのゲートの間に接続された第1スイッチと、定電流回路の起動時に、第1スイッチを所定時間ターンオンする起動回路と、を含む。第1トランジスタのゲート電圧がPゲートバイアス電圧であり、第2トランジスタのゲート電圧がNゲートバイアス電圧であり。
【0008】
本開示の別の態様もまた、半導体集積回路である。この半導体集積回路は、定電流を生成するとともに、Pゲートバイアス電圧を出力する定電流回路と、ゲートにPゲートバイアス電圧を受けるPMOS(P-channel Metal Oxide Semiconductor)トランジスタである負荷トランジスタを含む回路ブロックと、を備える。定電流回路は、ゲートドレイン間が結線された、定電流の経路上に設けられたPMOSトランジスタである第1トランジスタと、第1トランジスタのドレインと接地ラインの間に直列に設けられた第1抵抗および第2スイッチと、定電流回路の起動時に、第2スイッチを所定時間ターンオンする起動回路と、を含む。第1トランジスタのゲート電圧がPゲートバイアス電圧である。
【0009】
本開示のさらに別の態様もまた、半導体集積回路である。この半導体集積回路は、定電流を生成するとともに、Pゲートバイアス電圧およびNゲートバイアス電圧を出力する定電流回路と、ゲートにNゲートバイアス電圧を受けるNMOSトランジスタである負荷トランジスタを含む回路ブロックと、を備える。定電流回路は、ゲートソース間が結線され、定電流の経路上に設けられたNMOSトランジスタである第2トランジスタと、第2トランジスタのドレインと電源ラインの間に直列に設けられた第2抵抗および第3スイッチと、定電流回路の起動時に、第3スイッチを所定時間ターンオンする起動回路と、を含む。第2トランジスタのゲート電圧がNゲートバイアス電圧である。
【0010】
なお、以上の構成要素を任意に組み合わせたもの、構成要素や表現を、方法、装置、システムなどの間で相互に置換したものもまた、本発明の態様として有効である。
【図面の簡単な説明】
(【0011】以降は省略されています)
この特許をJ-PlatPat(特許庁公式サイト)で参照する
関連特許
ローム株式会社
半導体装置
1か月前
ローム株式会社
半導体装置
6日前
ローム株式会社
半導体装置
今日
ローム株式会社
半導体装置
13日前
ローム株式会社
半導体装置
13日前
ローム株式会社
半導体装置
13日前
ローム株式会社
半導体装置
1日前
ローム株式会社
半導体装置
今日
ローム株式会社
半導体装置
21日前
ローム株式会社
半導体装置
29日前
ローム株式会社
半導体装置
29日前
ローム株式会社
半導体装置
1か月前
ローム株式会社
信号伝達装置
29日前
ローム株式会社
電源制御装置
29日前
ローム株式会社
半導体集積回路
14日前
ローム株式会社
定電圧生成回路
13日前
ローム株式会社
半導体集積回路
13日前
ローム株式会社
定電圧生成回路
13日前
ローム株式会社
半導体集積回路
今日
ローム株式会社
半導体集積回路
今日
ローム株式会社
半導体モジュール
22日前
ローム株式会社
モータドライバ回路
29日前
ローム株式会社
半導体装置および車両
今日
ローム株式会社
比較回路、半導体装置
13日前
ローム株式会社
逐次比較型AD変換回路
21日前
ローム株式会社
サーマルプリントヘッド
13日前
ローム株式会社
半導体装置およびシステム
21日前
ローム株式会社
電源制御装置及び電源装置
6日前
ローム株式会社
監視回路及びレジスタ制御装置
13日前
ローム株式会社
昇圧型スイッチングレギュレータ
15日前
ローム株式会社
電源制御装置、スイッチング電源
6日前
ローム株式会社
信号受信装置、IC及び電気機器
27日前
ローム株式会社
モータドライバ回路および駆動方法
14日前
ローム株式会社
電圧調整装置及び電荷蓄積システム
15日前
ローム株式会社
整流回路およびAC/DCコンバータ
2日前
ローム株式会社
整流回路およびAC/DCコンバータ
2日前
続きを見る
他の特許を見る