TOP
|
特許
|
意匠
|
商標
特許ウォッチ
Twitter
他の特許を見る
公開番号
2025174091
公報種別
公開特許公報(A)
公開日
2025-11-28
出願番号
2024080145
出願日
2024-05-16
発明の名称
監視回路及びレジスタ制御装置
出願人
ローム株式会社
代理人
弁理士法人 佐野特許事務所
主分類
G06F
11/10 20060101AFI20251120BHJP(計算;計数)
要約
【課題】実装面積及びコスト双方の増加を抑制することができる監視回路を提供する。
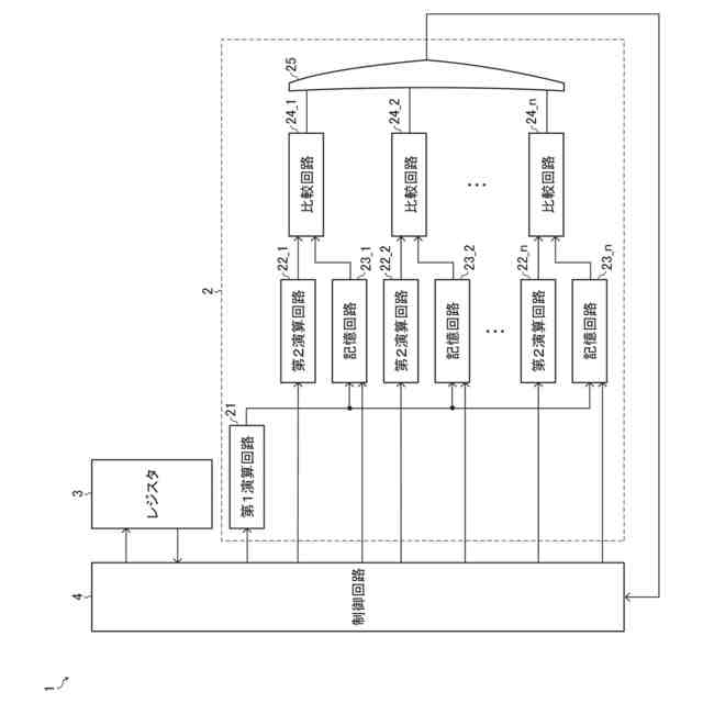
【解決手段】監視回路(2)は、レジスタ(3)に書き込まれるデータのCRC値である第1CRC値を計算するように構成された第1演算回路(21)と、前記レジスタのレジスタ値のCRC値である第2CRC値を計算するように構成された第2演算回路(22_1~22_n)と、前記第1CRC値を記憶するように構成された記憶回路(23_1~23_n)と、前記記憶回路に記憶された前記第1CRC値と、前記第2CRC値とを比較するように構成された比較回路(24_1~24_n)と、を備える。
【選択図】図1
特許請求の範囲
【請求項1】
レジスタに書き込まれるデータのCRC値である第1CRC値を計算するように構成された第1演算回路と、
前記レジスタのレジスタ値のCRC値である第2CRC値を計算するように構成された第2演算回路と、
前記第1CRC値を記憶するように構成された記憶回路と、
前記記憶回路に記憶された前記第1CRC値と、前記第2CRC値とを比較するように構成された比較回路と、
を備える、監視回路。
続きを表示(約 420 文字)
【請求項2】
前記第1CRC値及び前記第2CRC値はそれぞれパリティ値である、請求項1に記載の監視回路。
【請求項3】
前記レジスタのアドレス毎に前記第2演算回路、前記記憶回路、及び前記比較回路を備える、請求項1に記載の監視回路。
【請求項4】
前記レジスタのアドレス毎に設けられる複数の前記比較回路の各出力の論理和を生成するように構成されたOR回路を備える、請求項3に記載の監視回路。
【請求項5】
前記レジスタの全アドレスに共通の前記第1演算回路を備える、請求項1に記載の監視回路。
【請求項6】
請求項1~5のいずれか一項に記載の監視回路と、
前記レジスタと、
前記レジスタへのデータ書き込みを行うように構成された制御回路と、
を備え、
前記制御回路は、前記監視回路の出力に基づく制御を行うように構成されている、レジスタ制御装置。
発明の詳細な説明
【技術分野】
【0001】
本開示は、レジスタでのソフトエラーを監視するように構成された監視回路及び当該監視回路を備えるレジスタ制御装置に関する。
続きを表示(約 1,000 文字)
【背景技術】
【0002】
電源IC(Integrated Circuit)等の半導体集積回路装置は、レジスタを備える(例えば特許文献1参照)。半導体集積回路装置は、レジスタに記憶される各種の設定に応じて動作する。したがって、レジスタに記憶される各種の設定を変更することで、半導体集積回路装置の動作を変更することができる。
【0003】
半導体集積回路装置に宇宙線等の放射線が通過又は衝突することにより電子正孔対が生成され、レジスタの保持値が反転することでソフトエラーが発生することがある。
【0004】
レジスタにおいてソフトエラーが発生すると、半導体集積回路装置の動作が意図せず変わってしまう。そのため、車載用半導体集積回路装置などの高信頼性の半導体集積回路装置では、レジスタでのソフトエラーを監視するように構成された監視回路が必要となる。
【先行技術文献】
【特許文献】
【0005】
特開2017-158289号公報
【0006】
[概要]
最も簡単な監視方法としては、レジスタを2重持ちにし、対になっているレジスタの保持値同士を常に比較する方法がある。
【0007】
しかしながら、この方法では、レジスタを2倍持つ必要があるため、実装面積及びコストの面でかなり不利である。
【0008】
本開示に係る監視回路は、レジスタに書き込まれるデータのCRC値である第1CRC値を計算するように構成された第1演算回路と、前記レジスタのレジスタ値のCRC値である第2CRC値を計算するように構成された第2演算回路と、前記第1CRC値を記憶するように構成された記憶回路と、前記記憶回路に記憶された前記第1CRC値と、前記第2CRC値とを比較するように構成された比較回路と、を備える。
【0009】
本開示に係るレジスタ制御装置は、上記構成の監視回路と、前記レジスタと、前記レジスタへのデータ書き込みを行うように構成された制御回路と、を備える。前記制御回路は、前記監視回路の出力に基づく制御を行うように構成されている。
【図面の簡単な説明】
【0010】
図1は、本開示の実施形態に係るレジスタ制御装置の構成を示す図である。
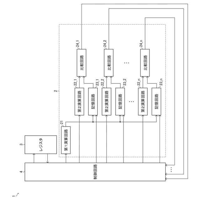
図2は、本開示の実施形態に係るレジスタ制御装置の変形例を示す図である。
(【0011】以降は省略されています)
この特許をJ-PlatPat(特許庁公式サイト)で参照する
関連特許
ローム株式会社
光センサ
1か月前
ローム株式会社
半導体装置
1か月前
ローム株式会社
半導体装置
8日前
ローム株式会社
半導体装置
1か月前
ローム株式会社
半導体装置
1か月前
ローム株式会社
半導体装置
1か月前
ローム株式会社
半導体装置
1か月前
ローム株式会社
抵抗チップ
1か月前
ローム株式会社
半導体装置
1か月前
ローム株式会社
半導体装置
1か月前
ローム株式会社
半導体装置
21日前
ローム株式会社
半導体装置
21日前
ローム株式会社
半導体装置
21日前
ローム株式会社
半導体装置
16日前
ローム株式会社
半導体装置
16日前
ローム株式会社
半導体装置
今日
ローム株式会社
半導体装置
今日
ローム株式会社
半導体装置
今日
ローム株式会社
電源制御装置
16日前
ローム株式会社
信号伝達装置
16日前
ローム株式会社
半導体集積回路
1日前
ローム株式会社
定電圧生成回路
今日
ローム株式会社
半導体集積回路
今日
ローム株式会社
半導体集積回路
1か月前
ローム株式会社
定電圧生成回路
今日
ローム株式会社
半導体パッケージ
1か月前
ローム株式会社
半導体メモリ装置
23日前
ローム株式会社
自己診断システム
1か月前
ローム株式会社
半導体モジュール
9日前
ローム株式会社
窒化物半導体装置
1か月前
ローム株式会社
モータドライバ回路
16日前
ローム株式会社
比較回路、半導体装置
今日
ローム株式会社
サーマルプリントヘッド
今日
ローム株式会社
逐次比較型AD変換回路
8日前
ローム株式会社
半導体装置およびシステム
8日前
ローム株式会社
半導体装置、電子機器、車両
1か月前
続きを見る
他の特許を見る