TOP
|
特許
|
意匠
|
商標
特許ウォッチ
Twitter
他の特許を見る
10個以上の画像は省略されています。
公開番号
2025173675
公報種別
公開特許公報(A)
公開日
2025-11-28
出願番号
2024079341
出願日
2024-05-15
発明の名称
比較回路、半導体装置
出願人
ローム株式会社
代理人
弁理士法人 佐野特許事務所
主分類
G01R
19/165 20060101AFI20251120BHJP(測定;試験)
要約
【課題】回路面積の増大を抑えつつ閾値電圧を容易かつ高精度に調整する。
【解決手段】比較回路10は、第1電圧V1と第2電圧V2を比較して比較信号CMPOを生成するコンパレータCMPと、第1電流I1及び第2電流I2をそれぞれ生成する電流生成回路CGNRと、第1監視対象電圧V12の印加端と第1電圧V1の印加端との間に接続されて第1電流I1を第1電圧V1に変換する第1電流/電圧変換回路R1と、第2監視対象電圧VDDの印加端と第2電圧V2の印加端との間に接続されて第2電流I2を第2電圧V2に変換する第2電流/電圧変換回路R2と、第1電流I1と第2電流I2との差分値(I1-I2)を調整する調整回路TRIMと、を備える、
【選択図】図5
特許請求の範囲
【請求項1】
第1電圧と第2電圧を比較して比較信号を生成するように構成されたコンパレータと、
第1電流及び第2電流をそれぞれ生成するように構成された電流生成回路と、
第1監視対象電圧の印加端と前記第1電圧の印加端との間に接続されて前記第1電流を前記第1電圧に変換するように構成された第1電流/電圧変換回路と、
第2監視対象電圧の印加端と前記第2電圧の印加端との間に接続されて前記第2電流を前記第2電圧に変換するように構成された第2電流/電圧変換回路と、
前記第1電流と前記第2電流との差分値を調整するように構成された調整回路と、
を備える、比較回路。
続きを表示(約 830 文字)
【請求項2】
前記電流生成回路は、第1基準電流をミラーして前記第1電流を生成するように構成された第1カレントミラーと、第2基準電流をミラーして前記第2電流を生成するように構成された第2カレントミラーと、を含む、請求項1に記載の比較回路。
【請求項3】
前記調整回路は、前記第1基準電流と前記第2基準電流の少なくとも一方を調整する、請求項2に記載の比較回路。
【請求項4】
前記第1カレントミラー及び第2カレントミラーは、それぞれのミラー比が複数の候補から切替可能である、請求項2に記載の比較回路。
【請求項5】
前記電流生成回路は、前記第1電流と前記第2電流との差分値にヒステリシスを与えるように構成されたヒステリシス付与回路をさらに備える、請求項2に記載の比較回路。
【請求項6】
前記ヒステリシス付与回路は、第3基準電流をミラーして前記第1電流及び前記第2電流それぞれのオフセット電流を生成するように構成された第3カレントミラーを含む、請求項5に記載の比較回路。
【請求項7】
前記第1電流/電圧変換回路及び前記第2電流/電圧変換回路は、それぞれ、可変抵抗回路を含む、請求項1に記載の比較回路。
【請求項8】
第1ノードと第2ノードとの間に接続されたトランジスタと、
前記第1ノードに印加される電圧を前記第1監視対象電圧として前記第2ノードに印加される電圧を前記第2監視対象電圧とする請求項1~7のいずれかに記載の比較回路と、
を備える、半導体装置。
【請求項9】
第1ノードと第2ノードとの間に接続されたセンス抵抗と、
前記第1ノードに印加される電圧を前記第1監視対象電圧として前記第2ノードに印加される電圧を前記第2監視対象電圧とする請求項1~7にいずれかに記載の比較回路と、
を備える、半導体装置。
発明の詳細な説明
【技術分野】
【0001】
本開示は、比較回路及び半導体装置に関する。
続きを表示(約 1,300 文字)
【背景技術】
【0002】
監視対象電圧と所定の閾値電圧とを比較して大小関係を判定する電圧比較回路は、様々なアプリケーションで利用され得る。
【0003】
なお、上記に関連する従来技術の一例としては、特許文献1を挙げることができる。
【先行技術文献】
【特許文献】
【0004】
特開2008-172328号公報
【0005】
[概要]
従来の比較回路では、閾値電圧の調整手法について検討の余地があった。
【0006】
本開示に係る比較回路は、第1電圧と第2電圧を比較して比較信号を生成するように構成されたコンパレータと、第1電流及び第2電流をそれぞれ生成するように構成された電流生成回路と、第1監視対象電圧の印加端と前記第1電圧の印加端との間に接続されて前記第1電流を前記第1電圧に変換するように構成された第1電流/電圧変換回路と、第2監視対象電圧の印加端と前記第2電圧の印加端との間に接続されて前記第2電流を前記第2電圧に変換するように構成された第2電流/電圧変換回路と、前記第1電流と前記第2電流との差分値を調整するように構成された調整回路と、を備える。
【図面の簡単な説明】
【0007】
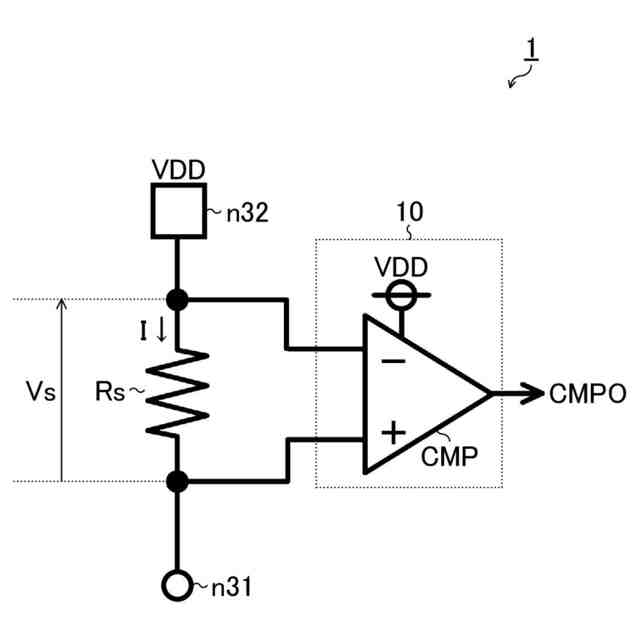
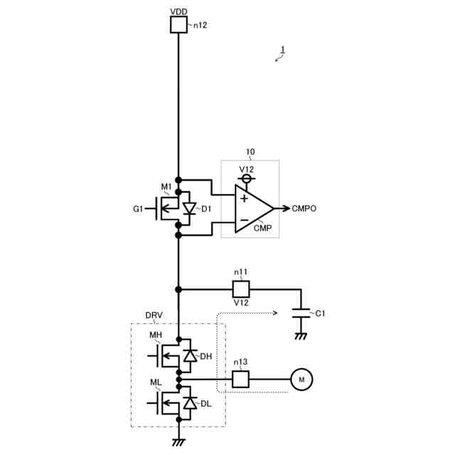
図1は、半導体装置の全体構成を示す図である。
図2は、半導体装置の第1変形例を示す図である。
図3は、半導体装置の第2変形例を示す図である。
図4は、比較回路の第1実施形態(比較例)を示す図である。
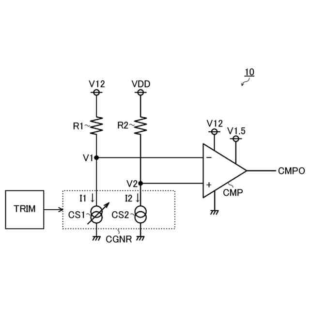
図5は、比較回路の第2実施形態を示す図である。
図6は、第2実施形態における比較回路の動作例を示す図である。
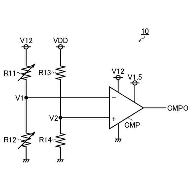
図7は、比較回路の第3実施形態を示す図である。
図8は、スイッチのオン/オフ状態と閾値電圧との関係を示す図である。
図9は、比較回路の第4実施形態を示す図である。
図10は、第4実施形態における比較回路の動作例を示す図である。
【0008】
[詳細な説明]
<半導体装置>
図1は、半導体装置1の全体構成を示す図である。本構成例の半導体装置1は、トランジスタM1と、ダイオードD1と、比較回路10とを備える。トランジスタM1は、例えばNチャネル型MOSFET[metal oxide semiconductor field effect transistor]であってもよい。
【0009】
トランジスタM1のドレインとダイオードD1のカソードは、ノードn11に接続される。トランジスタM1のソース及びバックゲートとダイオードD1のアノードは、ノードn12に接続される。トランジスタM1のゲートは、ゲート電圧G1の印加端に接続される。トランジスタM1は、ノードn11とノードn12との間に接続されたトランジスタとして理解され得る。また、ダイオードD1は、トランジスタM1に付随するボディダイオードとして理解されてもよい。
【0010】
なお、トランジスタM1は、ドレイン・ソース間に電圧VDDが印加されても破壊しない高耐圧素子(例えば15V耐圧素子)であってもよい。
(【0011】以降は省略されています)
この特許をJ-PlatPat(特許庁公式サイト)で参照する
関連特許
ローム株式会社
抵抗チップ
1か月前
ローム株式会社
半導体装置
今日
ローム株式会社
半導体装置
21日前
ローム株式会社
半導体装置
21日前
ローム株式会社
半導体装置
21日前
ローム株式会社
半導体装置
8日前
ローム株式会社
半導体装置
16日前
ローム株式会社
半導体装置
今日
ローム株式会社
半導体装置
今日
ローム株式会社
半導体装置
16日前
ローム株式会社
半導体装置
1か月前
ローム株式会社
半導体装置
1か月前
ローム株式会社
信号伝達装置
16日前
ローム株式会社
電源制御装置
16日前
ローム株式会社
定電圧生成回路
今日
ローム株式会社
定電圧生成回路
今日
ローム株式会社
半導体集積回路
1か月前
ローム株式会社
半導体集積回路
1日前
ローム株式会社
半導体集積回路
今日
ローム株式会社
窒化物半導体装置
1か月前
ローム株式会社
半導体モジュール
9日前
ローム株式会社
半導体メモリ装置
23日前
ローム株式会社
モータドライバ回路
16日前
ローム株式会社
比較回路、半導体装置
今日
ローム株式会社
サーマルプリントヘッド
今日
ローム株式会社
逐次比較型AD変換回路
8日前
ローム株式会社
半導体装置およびシステム
8日前
ローム株式会社
半導体装置、電子機器、車両
1か月前
ローム株式会社
半導体装置、電子機器、車両
1か月前
ローム株式会社
監視回路及びレジスタ制御装置
今日
ローム株式会社
昇圧型スイッチングレギュレータ
2日前
ローム株式会社
信号受信装置、IC及び電気機器
14日前
ローム株式会社
電圧調整装置及び電荷蓄積システム
2日前
ローム株式会社
モータドライバ回路および駆動方法
1日前
ローム株式会社
半導体装置および半導体装置の製造方法
21日前
ローム株式会社
電圧電流変換回路および半導体集積回路
1か月前
続きを見る
他の特許を見る