TOP
|
特許
|
意匠
|
商標
特許ウォッチ
Twitter
他の特許を見る
10個以上の画像は省略されています。
公開番号
2025174087
公報種別
公開特許公報(A)
公開日
2025-11-28
出願番号
2024080141
出願日
2024-05-16
発明の名称
定電圧生成回路
出願人
ローム株式会社
代理人
弁理士法人 佐野特許事務所
主分類
G05F
1/56 20060101AFI20251120BHJP(制御;調整)
要約
【課題】安定出力と高速起動を両立する。
【解決手段】定電圧生成回路1は、デプレッション型の第1出力トランジスタDMとエンハンスメント型の第2出力トランジスタEMとを用いて入力電圧VINから一定の出力電圧VOUTを生成する出力回路10と、出力電圧VOUTの平滑化を行うキャパシタC1と、出力電圧VOUTに応じて平滑化の有効/無効を切り替える切替回路29を備える。
【選択図】図6
特許請求の範囲
【請求項1】
デプレッション型の第1出力トランジスタとエンハンスメント型の第2出力トランジスタとを用いて入力電圧から一定の出力電圧を生成するように構成された出力回路と、
前記出力電圧の平滑化を行うように構成されたキャパシタと、
前記出力電圧又は前記出力電圧に依存して変動するノード電圧に応じて前記平滑化の有効/無効を切り替えるように構成された切替回路と、
を備える、定電圧生成回路。
続きを表示(約 1,100 文字)
【請求項2】
前記切替回路は、前記出力電圧又は前記ノード電圧が閾値電圧よりも低いときに前記平滑化を無効として、前記出力電圧又は前記ノード電圧が前記閾値電圧よりも高いときに前記平滑化を有効とする、請求項1に記載の定電圧生成回路。
【請求項3】
前記切替回路は、前記キャパシタに直列接続された第1トランジスタを含み、前記出力電圧又は前記ノード電圧が前記閾値電圧よりも低いときに第1トランジスタをオフ状態として、前記出力電圧又は前記ノード電圧が前記閾値電圧よりも高いときに前記第1トランジスタをオン状態とする、請求項2に記載の定電圧生成回路。
【請求項4】
前記切替回路は、前記キャパシタに直列接続された抵抗又は電流源をさらに含む、請求項2に記載の定電圧生成回路。
【請求項5】
前記切替回路は、前記閾値電圧にヒステリシスを付与するように構成されたヒステリシス付与回路をさらに含む、請求項2に記載の定電圧生成回路。
【請求項6】
前記ヒステリシス付与回路は、制御電極に前記出力電圧又は前記ノード電圧が印加されるように構成された第2トランジスタと、前記第2トランジスタに流れる電流信号を電圧信号に変換するように構成された電流/電圧変換回路と、前記電圧信号の入力を受けるように構成されたシュミットバッファと、を含み、前記切替回路は、前記シュミットバッファの出力信号に応じて前記第1トランジスタのオン/オフ状態を切り替える、請求項5に記載の定電圧生成回路。
【請求項7】
前記出力回路は、第1主電極が前記入力電圧の印加端に接続されて第2主電極が前記出力電圧の印加端との間に接続されて制御電極が前記第2出力トランジスタの第1主電極に接続された第3出力トランジスタをさらに含む、請求項1に記載の定電圧生成回路。
【請求項8】
前記第2出力トランジスタの制御電極は、直接的に又は抵抗分圧回路を介して前記出力電圧の印加端に接続される、請求項1に記載の定電圧生成回路。
【請求項9】
前記出力回路は、
前記第1出力トランジスタの制御電極と第2主電極との間に接続された第1抵抗と、
前記第2出力トランジスタに接続されて前記第1抵抗に流れる電流と同値の電流が流されるように構成された第2抵抗と、
をさらに含み、
前記第2出力トランジスタの制御電極と第2主電極との間における電極間電圧と前記第2抵抗の両端間電圧とが足し合わされた電圧又はこれに応じた電圧を前記出力電圧として出力する、請求項1に記載の定電圧生成回路。
【請求項10】
前記ノード電圧は、前記出力電圧の分圧電圧である、請求項1~9のいずれかに記載の定電圧生成回路。
発明の詳細な説明
【技術分野】
【0001】
本開示は、定電圧生成回路に関する。
続きを表示(約 1,700 文字)
【背景技術】
【0002】
従来、定電圧生成回路の一種として、デプレッション型のNMOSFET[N-channel type metal oxide semiconductor field effect transistor]とエンハンスメント型のNMOSFETとを組み合わせたED型定電圧源が広く一般に知られている。
【0003】
なお、上記に関連する従来技術の一例としては、本願出願人により提案される特許文献1及び2を挙げることができる。
【先行技術文献】
【特許文献】
【0004】
国際公開第2021/172001号
国際公開第2021/241257号
【0005】
[概要]
従来の定電圧生成回路は、安定出力と高速起動との両立について検討の余地があった。
【0006】
例えば、本開示に係る定電圧生成回路は、デプレッション型の第1出力トランジスタとエンハンスメント型の第2出力トランジスタとを用いて入力電圧から一定の出力電圧を生成するように構成された出力回路と、前記出力電圧の平滑化を行うように構成されたキャパシタと、前記出力電圧又は前記出力電圧に依存して変動するノード電圧に応じて前記平滑化の有効/無効を切り替えるように構成された切替回路と、を備える。
【図面の簡単な説明】
【0007】
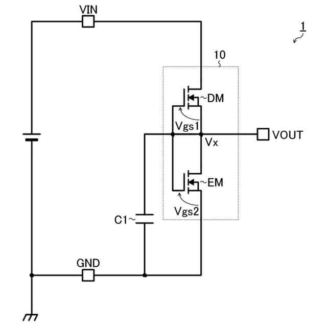
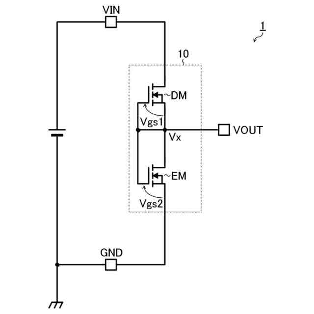
図1は、定電圧生成回路の第1比較例を示す図である。
図2は、入力変動時の出力変動が発生する様子を示す図である。
図3は、定電圧生成回路の第2比較例を示す図である。
図4は、入力変動時の出力変動が抑制される様子を示す図である。
図5は、第2比較例の起動挙動を示す図である。
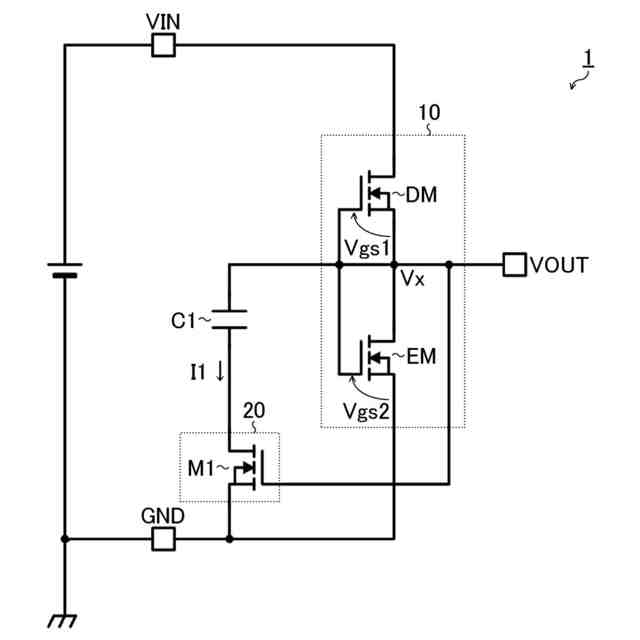
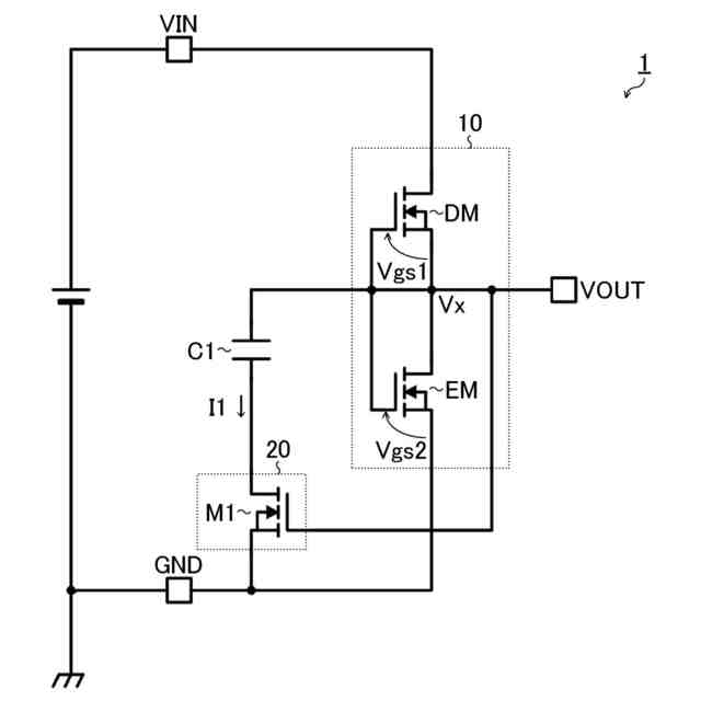
図6は、定電圧生成回路の第1実施形態を示す図である。
図7は、第1実施形態の起動挙動を示す図である。
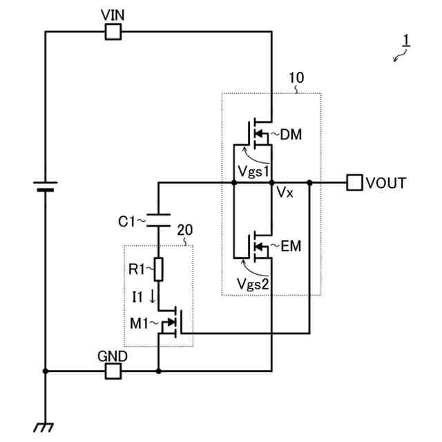
図8は、定電圧生成回路の第2実施形態を示す図である。
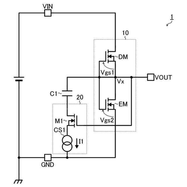
図9は、定電圧生成回路の第3実施形態を示す図である。
図10は、定電圧生成回路の第4実施形態を示す図である。
図11は、定電圧生成回路の第5実施形態を示す図である。
図12は、定電圧生成回路の第6実施形態を示す図である。
図13は、定電圧生成回路の第7実施形態を示す図である。
図14は、定電圧生成回路の第8実施形態を示す図である。
図15は、定電圧生成回路の第9実施形態を示す図である。
【0008】
[詳細な説明]
<第1比較例>
図1は、定電圧生成回路1の第1比較例(後出の実施形態と対比される基本構成)を示す図である。本比較例の定電圧生成回路1は、いわゆるED型基準電圧源である。本図に即して述べると、定電圧生成回路1は、トランジスタDM及びEMを備える。トランジスタDMは、例えば、デプレッション型のNMOSFETであってもよい。トランジスタDMは、第1出力トランジスタとして理解され得る。トランジスタEMは、例えば、エンハンスメント型のNMOSFETであってもよい。トランジスタEMは、第2出力トランジスタとして理解され得る。
【0009】
なお、デプレッション型とは、ゲート・ソース間電圧が0Vであってもドレイン電流が流れるものを指す。一方、エンハンスメント型とは、ゲート・ソース間電圧が0Vであるときにはドレイン電流が流れないものを指す。
【0010】
トランジスタDMのドレインは、入力電圧VINの印加端に接続される。トランジスタEMのソース及びバックゲートは、接地電圧GNDの印加端(=接地端)に接続される。トランジスタDMのゲート、ソース及びバックゲート、並びに、トランジスタEMのゲート及びドレインは、ノード電圧Vxの印加端に接続される。ノード電圧Vxの印加端は、出力電圧VOUTの印加端に接続される。
(【0011】以降は省略されています)
この特許をJ-PlatPat(特許庁公式サイト)で参照する
関連特許
ローム株式会社
半導体装置
2日前
ローム株式会社
半導体装置
18日前
ローム株式会社
半導体装置
1か月前
ローム株式会社
半導体装置
18日前
ローム株式会社
半導体装置
1か月前
ローム株式会社
半導体装置
10日前
ローム株式会社
半導体装置
2日前
ローム株式会社
半導体装置
2日前
ローム株式会社
抵抗チップ
1か月前
ローム株式会社
半導体装置
23日前
ローム株式会社
半導体装置
23日前
ローム株式会社
半導体装置
23日前
ローム株式会社
半導体装置
1か月前
ローム株式会社
信号伝達装置
18日前
ローム株式会社
電源制御装置
18日前
ローム株式会社
定電圧生成回路
2日前
ローム株式会社
半導体集積回路
1か月前
ローム株式会社
半導体集積回路
2日前
ローム株式会社
半導体集積回路
3日前
ローム株式会社
定電圧生成回路
2日前
ローム株式会社
窒化物半導体装置
1か月前
ローム株式会社
半導体モジュール
11日前
ローム株式会社
半導体パッケージ
1か月前
ローム株式会社
半導体メモリ装置
25日前
ローム株式会社
モータドライバ回路
18日前
ローム株式会社
比較回路、半導体装置
2日前
ローム株式会社
逐次比較型AD変換回路
10日前
ローム株式会社
サーマルプリントヘッド
2日前
ローム株式会社
半導体装置およびシステム
10日前
ローム株式会社
半導体装置、電子機器、車両
1か月前
ローム株式会社
半導体装置、電子機器、車両
1か月前
ローム株式会社
監視回路及びレジスタ制御装置
2日前
ローム株式会社
信号受信装置、IC及び電気機器
16日前
ローム株式会社
昇圧型スイッチングレギュレータ
4日前
ローム株式会社
電圧調整装置及び電荷蓄積システム
4日前
ローム株式会社
モータドライバ回路および駆動方法
3日前
続きを見る
他の特許を見る