TOP
|
特許
|
意匠
|
商標
特許ウォッチ
Twitter
他の特許を見る
公開番号
2025179657
公報種別
公開特許公報(A)
公開日
2025-12-10
出願番号
2024086554
出願日
2024-05-28
発明の名称
故障解析システム及び情報処理装置
出願人
スズキ株式会社
代理人
個人
主分類
B60R
16/02 20060101AFI20251203BHJP(車両一般)
要約
【課題】信頼性のある外部データを利用して、車両の故障の発生に対応する日時及び場所を特定できるようにする。
【解決手段】車両1に発生した故障を解析するのに利用される故障解析システムであって、前記車両1に発生した故障に関する故障データを取得する故障データ取得手段101と、前記車両1の外部環境に関する外部環境データを取得する外部環境データ取得手段102と、前記車両1に故障が発生した場合に、前記故障データに関連付けて、所定の期間での時系列の前記外部環境データを記憶部105に保存する制御手段103と、気象データのデータベースを管理するサーバ装置200を利用して、前記気象データと、前記記憶部105に保存された前記外部環境データとを照合して、前記故障の発生に対応する日時及び場所を特定する照合手段201とを備える。
【選択図】図1
特許請求の範囲
【請求項1】
車両に発生した故障を解析するのに利用される故障解析システムであって、
前記車両に発生した故障に関する故障データを取得する故障データ取得手段と、
前記車両の外部環境に関する外部環境データを取得する外部環境データ取得手段と、
前記車両に故障が発生した場合に、前記故障データに関連付けて、所定の期間での時系列の前記外部環境データを記憶部に保存する制御手段と、
気象データのデータベースを管理するサーバ装置を利用して、前記気象データと、前記記憶部に保存された前記外部環境データとを照合して、前記故障の発生に対応する日時及び場所を特定する照合手段とを備えたことを特徴とする故障解析システム。
続きを表示(約 350 文字)
【請求項2】
前記気象データは、複数の場所それぞれでの、大気圧に関する時系列の情報、気温に関する時系列の情報、日照に関する時系列の情報を含み、
前記外部環境データは、大気圧、気温、照度のうちの少なくともいずれか一つであることを特徴とする請求項1に記載の故障解析システム。
【請求項3】
車両に搭載される情報処理装置であって、
前記車両に発生した故障に関する故障データを取得する故障データ取得手段と、
前記車両の外部環境に関する外部環境データを取得する外部環境データ取得手段と、
前記車両に故障が発生した場合に、前記故障データに関連付けて、所定の期間での時系列の前記外部環境データを記憶部に保存する制御手段とを備えたことを特徴とする情報処理装置。
発明の詳細な説明
【技術分野】
【0001】
本発明は、車両に発生した故障を解析するのに利用される故障解析システム及び情報処理装置に関する。
続きを表示(約 1,900 文字)
【背景技術】
【0002】
自動車等の車両に故障が発生した場合に、その日時や場所を特定することは、故障の原因を特定する等の故障解析に有用であり、故障解析の正確性や迅速性を向上させることができる。
特許文献1には、所定の不具合を解析するために使用される、特定車両の位置に関する情報をサーバ装置へ送信する情報処理装置が開示されている。
【先行技術文献】
【特許文献】
【0003】
特開2024-5088号公報
【発明の概要】
【発明が解決しようとする課題】
【0004】
車両に故障が発生した場合に、例えば車両に搭載されるECU(Electronic Control Unit)が、日時や場所の情報を記憶部に保存する構成が考えられるが、ECUが日時や場所の情報を保持しているとは限らない。ECUが日時や場所の情報を保持していない場合は、故障の発生に対応する日時や場所を故障解析で活用できず、故障解析の正確性や迅速性を向上させられなくなる。また、ECUが日時や場所の情報を保持している場合でも、その情報が必ずしも信頼性のあるものとはいえないことがある。
【0005】
本発明はかかる実情に鑑みてなされたものであり、信頼性のある外部データを利用して、車両の故障に対応する日時及び場所を特定できるようにすることを目的とする。
【課題を解決するための手段】
【0006】
本発明の車両の故障解析システムは、車両に発生した故障を解析するのに利用される故障解析システムであって、前記車両に発生した故障に関する故障データを取得する故障データ取得手段と、前記車両の外部環境に関する外部環境データを取得する外部環境データ取得手段と、前記車両に故障が発生した場合に、前記故障データに関連付けて、所定の期間での時系列の前記外部環境データを記憶部に保存する制御手段と、気象データのデータベースを管理するサーバ装置を利用して、前記気象データと、前記記憶部に保存された前記外部環境データとを照合して、前記故障の発生に対応する日時及び場所を特定する照合手段とを備えたことを特徴とする。
【発明の効果】
【0007】
本発明によれば、信頼性のある外部データを利用して、車両の故障の発生に対応する日時及び場所を特定できるようになる。
【図面の簡単な説明】
【0008】
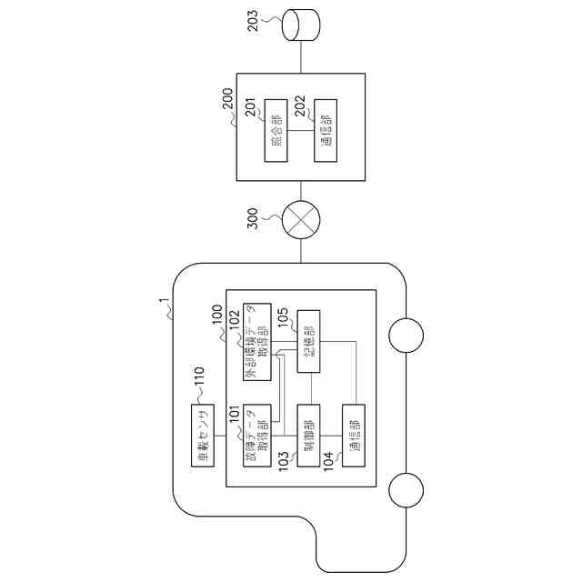
実施例に係る故障解析システムの概略構成を示す図である。
気象データと外部環境データとの関係の例を示す図である。
故障解析システムの変形例の概略構成を示す図である。
【発明を実施するための形態】
【0009】
本発明の一実施形態に係る故障解析システムは、車両(1)に発生した故障を解析するのに利用される故障解析システムであって、前記車両(1)に発生した故障に関する故障データを取得する故障データ取得手段(101)と、前記車両(1)の外部環境に関する外部環境データを取得する外部環境データ取得手段(102)と、前記車両(1)に故障が発生した場合に、前記故障データに関連付けて、所定の期間での時系列の前記外部環境データを記憶部(105)に保存する制御手段(103)と、気象データのデータベースを管理するサーバ装置(200)を利用して、前記気象データと、前記記憶部(105)に保存された前記外部環境データとを照合して、前記故障の発生に対応する日時及び場所を特定する照合手段(201)とを備える。
これにより、信頼性のある外部データである気象データを利用して、車両の故障の発生に対応する日時及び場所を特定できるようになる。
【実施例】
【0010】
以下、添付図面を参照して、本発明の好適な実施例について説明する。
図1に、実施例に係る故障解析システムの概略構成を示す。
図1に示すように、故障解析システムは、車両である自動車1に発生した故障を解析するのに利用されるシステムであり、自動車1に搭載される情報処理装置100と、気象データのデータベースを管理するサーバ装置200とを備える。情報処理装置100とサーバ装置200とは、ネットワーク300を介して通信可能である。なお、図1では、一台の自動車1(情報処理装置100)だけを図示するが、複数台の自動車1(情報処理装置100)が存在する。
(【0011】以降は省略されています)
この特許をJ-PlatPat(特許庁公式サイト)で参照する
関連特許
スズキ株式会社
開閉機構
1か月前
スズキ株式会社
車両構造
2か月前
スズキ株式会社
車両構造
2か月前
スズキ株式会社
車両構造
2か月前
スズキ株式会社
車両構造
2か月前
スズキ株式会社
車室構造
2か月前
スズキ株式会社
車室構造
2か月前
スズキ株式会社
車室構造
2か月前
スズキ株式会社
車両構造
2か月前
スズキ株式会社
車両構造
2か月前
スズキ株式会社
車両構造
2か月前
スズキ株式会社
車両構造
2か月前
スズキ株式会社
リッド構造
7日前
スズキ株式会社
シート構造
1か月前
スズキ株式会社
車体カバー
14日前
スズキ株式会社
リッド構造
7日前
スズキ株式会社
シート構造
1か月前
スズキ株式会社
車両前部構造
1日前
スズキ株式会社
電源システム
7日前
スズキ株式会社
動力伝達装置
1か月前
スズキ株式会社
車両側部構造
1か月前
スズキ株式会社
運転支援装置
22日前
スズキ株式会社
車両後部構造
1か月前
スズキ株式会社
車両制御装置
7日前
スズキ株式会社
車両検査装置
1か月前
スズキ株式会社
車体下部構造
7日前
スズキ株式会社
車体下部構造
7日前
スズキ株式会社
車両制御装置
1か月前
スズキ株式会社
車両用変速機
7日前
スズキ株式会社
車両の制御装置
1日前
スズキ株式会社
車両の制御装置
1か月前
スズキ株式会社
車両用荷室構造
2か月前
スズキ株式会社
車両の制御装置
1日前
スズキ株式会社
車両用制御装置
1か月前
スズキ株式会社
パーツボックス
22日前
スズキ株式会社
パーツボックス
22日前
続きを見る
他の特許を見る