TOP
|
特許
|
意匠
|
商標
特許ウォッチ
Twitter
他の特許を見る
10個以上の画像は省略されています。
公開番号
2025176141
公報種別
公開特許公報(A)
公開日
2025-12-03
出願番号
2025152545,2024114394
出願日
2025-09-12,2021-08-20
発明の名称
発光装置
出願人
日亜化学工業株式会社
代理人
主分類
H01S
5/02345 20210101AFI20251126BHJP(基本的電気素子)
要約
【課題】発光素子間の電気的な接続にワイヤ配線を利用し直列に接続される複数の発光素子において、1つの発光素子が故障した場合にも他の発光素子へと給電できる発光装置を提供する。
【解決手段】第1発光素子が接合される第1台部材及び第2発光素子が接合される第2台部材と、第1及び第2保護素子と、複数の配線とを備える。配線は、両端のうちの一端が第1または第2発光素子の一方の発光素子または発光素子が載置される台部材に接合される第1配線と、両端のうちの一端が第1または第2発光素子の一方の発光素子または一方の発光素子が載置される台部材に接合され他端が他方の発光素子または他方の発光素子が載置される台部材に接合される第2配線と、両端のうちの一端が第1保護素子または第1保護素子が載置される台部材に接合される第3配線と、両端のうちの一端が第2保護素子または第2保護素子が載置される台部材に接合される第4配線とが含まれる。
【選択図】図5
特許請求の範囲
【請求項1】
実装面を有する基体と、
それぞれが、上面と、光出射面である第1側面と、前記第1側面の反対側の側面である第2側面とを有する、第1半導体レーザ素子を含む複数の半導体レーザ素子と、
前記基体の前記実装面に配置され、前記複数の半導体レーザ素子のそれぞれが載置される複数の台部材と、
前記第1半導体レーザ素子の前記上面に接合される少なくとも3本の第1配線を含む複数の配線と、
を備え、
前記少なくとも3本の第1配線は、前記第1半導体レーザ素子の前記上面において、前記第1側面から前記第2側面へと向かう方向に所定の間隔で接合され、
前記第1半導体レーザ素子の前記第1側面に最も近い前記第1配線は、前記第1半導体レーザ素子の前記第1側面から250μm以上550μm以下の範囲で離れた位置で、前記第1半導体レーザ素子の前記上面に接合され、
前記第1半導体レーザ素子の前記第1側面から前記第1半導体レーザ素子の前記第1側面に最も近い前記第1配線までの距離は、前記第1配線間の前記所定の間隔よりも大きい、発光装置。
続きを表示(約 870 文字)
【請求項2】
前記第1半導体レーザ素子の前記第1側面から前記第1半導体レーザ素子の前記第1側面に最も近い前記第1配線までの距離は、前記第1半導体レーザ素子の前記第2側面から前記第1半導体レーザ素子の前記第2側面に最も近い前記第1配線までの距離よりも大きい、請求項1に記載の発光装置。
【請求項3】
前記第1半導体レーザ素子が載置される前記台部材に載置される保護素子をさらに備え、
前記保護素子は、前記第1半導体レーザ素子の前記第1側面と前記第2側面のうち前記第1側面に近い位置に配置される、請求項2に記載の発光装置。
【請求項4】
上面視で、前記第1半導体レーザ素子の前記上面に接合される前記少なくとも3本の第1配線はいずれも、前記保護素子を通過しない、請求項3に記載の発光装置。
【請求項5】
前記第1半導体レーザ素子の前記第1側面から前記第1半導体レーザ素子の前記第1側面に最も近い前記第1配線までの距離は、前記第1半導体レーザ素子の前記第2側面から前記第1半導体レーザ素子の前記第2側面に最も近い前記第1配線までの距離よりも小さい、請求項1に記載の発光装置。
【請求項6】
前記第1半導体レーザ素子が載置される前記台部材に載置される保護素子をさらに備え、
前記保護素子は、前記第1半導体レーザ素子の前記第1側面と前記第2側面のうち前記第2側面に近い位置に配置される、請求項5に記載の発光装置。
【請求項7】
上面視で、前記第1半導体レーザ素子の前記上面に接合される前記少なくとも3本の第1配線はいずれも、前記保護素子を通過しない、請求項6に記載の発光装置。
【請求項8】
前記少なくとも3本の第1配線はそれぞれ、一端が前記第1半導体レーザ素子の前記上面に接合され、他端が前記第1半導体レーザ素子とは別の前記半導体レーザ素子が載置される前記台部材の上面に接合される、請求項1乃至7のいずれか一項に記載の発光装置。
発明の詳細な説明
【技術分野】
【0001】
本発明は発光装置に関する。
続きを表示(約 3,200 文字)
【背景技術】
【0002】
特許文献1には、複数の発光素子が直列接続され定電流駆動される発光装置において、発光素子に並列接続されるツェナーダイオードを、オープンモード故障時のバイパス電流経路に利用することが開示されている。
【先行技術文献】
【特許文献】
【0003】
特開2020-21761
【発明の概要】
【発明が解決しようとする課題】
【0004】
しかしながら、特許文献1には、複数の発光素子間をワイヤ配線で繋ぐ具体的な形態が開示されていない。従って、配線を利用する場合の配線の接合態様については改善の余地がある。
【課題を解決するための手段】
【0005】
また、実施形態に開示される発光装置は、少なくとも第1発光素子及び第2発光素子を含み、それぞれがp電極とn電極とを有する、複数の発光素子と、少なくとも前記第1発光素子が接合される第1台部材及び前記第2発光素子が接合される第2台部材を含み、前記複数の発光素子のそれぞれが載置される複数の台部材と、少なくとも第1保護素子及び第2保護素子を含み、前記複数の発光素子を保護する複数の保護素子と、複数の配線と、を備え、前記複数の配線には、両端のうちの一端が前記第1発光素子または第2発光素子のうちの一方の発光素子または前記一方の発光素子が載置される台部材に接合される1以上の第1配線と、両端のうちの一端が前記第1発光素子または第2発光素子のうちの一方の発光素子または前記一方の発光素子が載置される台部材に接合され他端が他方の発光素子または前記他方の発光素子が載置される台部材に接合される1以上の第2配線と、両端のうちの一端が前記第1保護素子または前記第1保護素子が載置される台部材に接合される第3配線と、両端のうちの一端が前記第2保護素子または前記第2保護素子が載置される台部材に接合される第4配線とが含まれ、前記1以上の第1配線及び前記1以上の第2配線を通る電流経路であって、かつ、前記第1発光素子の前記n電極から前記第2発光素子の前記p電極へと電流が流れる電流経路である第1電流経路と、前記第3配線を通る電流経路であって、かつ、前記第1保護素子から前記第2発光素子の前記p電極へと電流が流れる電流経路である第2電流経路と、前記第3配線及び前記第4配線を通り、かつ、前記1以上の第1配線及び前記1以上の第2配線を通らない電流経路であって、かつ、前記第1保護素子から前記第2保護素子へと電流が流れる電流経路である第3電流経路と、が形成される。
【0006】
また、実施形態に開示される発光装置は、少なくとも第1発光素子及び第2発光素子を含み、それぞれが第1面と前記第1面の反対側にある第2面とを有する、複数の発光素子と、少なくとも前記第1発光素子の前記第1面が接合される第1台部材及び前記第2発光素子の前記第1面が接合される第2台部材を含み、前記複数の発光素子のそれぞれが載置される複数の台部材と、少なくとも第1保護素子及び第2保護素子を含み、前記複数の発光素子を保護する複数の保護素子と、複数の配線と、を備え、前記複数の配線には、両端のうちの一端が前記第1発光素子または第2発光素子のうちの一方の発光素子の前記第2面に接合される1以上の第1配線と、両端のうちの一端が前記一方の発光素子が載置される台部材に接合され他端が前記第1発光素子または第2発光素子のうちの他方の発光素子の前記第2面または前記他方の発光素子が載置される台部材に接合される1以上の第2配線と、両端のうちの一端が前記第1保護素子に接合される第3配線と、両端のうちの一端が前記第2保護素子に接合される第4配線とが含まれ、前記1以上の第1配線及び前記1以上の第2配線を通り、かつ、前記第3配線及び前記第4配線を通らない電流経路であって、かつ、前記第1発光素子から前記第2発光素子へと電流が流れる電流経路である第1電流経路と、前記第3配線を通り、かつ、前記1以上の第1配線または前記1以上の第2配線のうち、前記第1発光素子の前記第2面に接合される配線を通らない電流経路であって、前記第1保護素子から前記第2発光素子へと電流が流れる電流経路である第2電流経路と、前記第3配線及び前記第4配線を通り、かつ、前記第1配線1以上の及び前記1以上の第2配線を通らない電流経路であって、かつ、前記第1保護素子から前記第2保護素子へと電流が流れる電流経路である第3電流経路と、が形成される。
【発明の効果】
【0007】
複数の発光素子間の電気的な接続にワイヤ配線を利用した上で、直列に接続される複数の発光素子において、その内の1つの発光素子が故障した場合にも、他の発光素子へと給電することができる発光装置を提供することができる。
【図面の簡単な説明】
【0008】
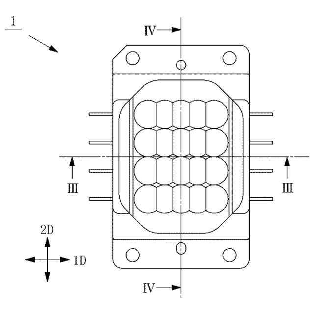
図1は、第1実施形態に係る発光装置の斜視図である。
図2は、図1に対応する上面図である。
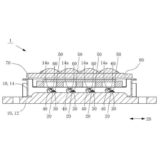
図3は、図2のIII-III線における発光装置の断面図である。
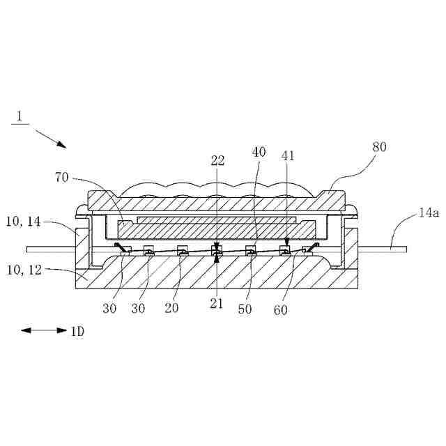
図4は、図2のIV-IV線における発光装置の断面図である。
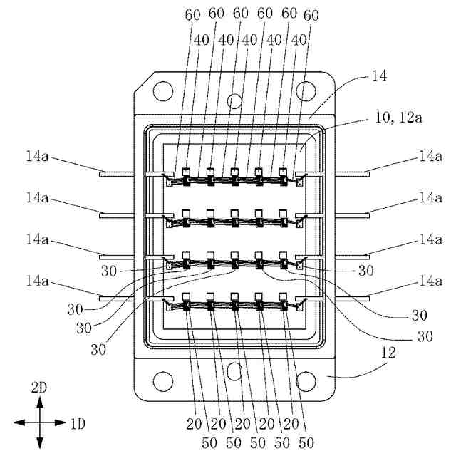
図5は、第1実施形態に係る発光装置の内部構造を説明するための上面図である。
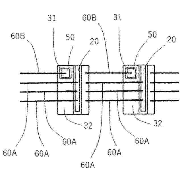
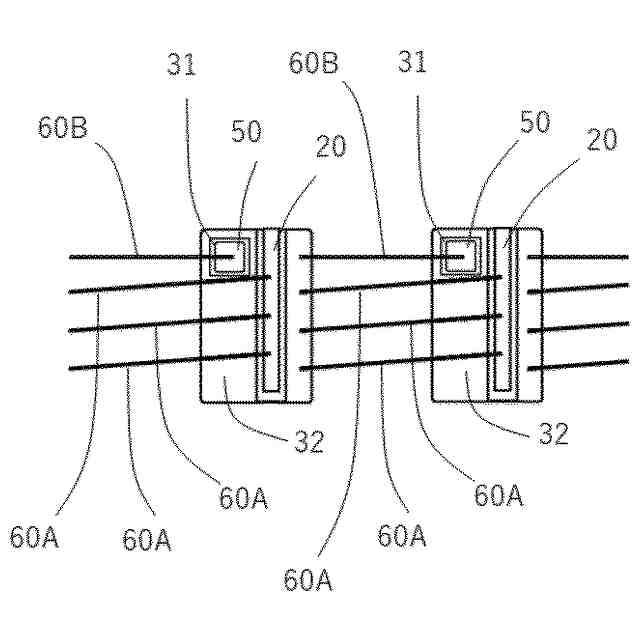
図6Aは、第1実施形態に係る発光装置の一部を示す、配線接合の様子を説明するための上面図である。
図6Bは、第1実施形態に係る発光装置の一部を示す、配線接合の様子を説明するための他の上面図である。
図6Cは、第1実施形態に係る発光装置の一部を示す、配線接合の様子を説明するための他の上面図である。
図7は、第1変形例に係る発光装置に関し、配線接合の様子を説明するための上面図である。
図8は、第2変形例に係る発光装置に関し、配線接合の様子を説明するための上面図である。
図9は、第3変形例に係る発光装置に関し、配線接合の様子を説明するための上面図である。
図10は、第4変形例に係る発光装置に関し、配線接合の様子を説明するための上面図である。
図11は、第5変形例に係る発光装置に関し、配線接合の様子を説明するための上面図である。
図12は、第6変形例に係る発光装置に関し、配線接合の様子を説明するための上面図である。
図13は、第2実施形態に係る発光装置の斜視図である。
図14は、第2実施形態に係る発光装置の上面図である。
図15は、第2実施形態に係る発光装置の内部構造を説明するための上面図である。
【発明を実施するための形態】
【0009】
本明細書または特許請求の範囲において、三角形や四角形などの多角形に関しては、多角形の隅に角丸め、面取り、角取り、丸取り等の加工が施された形状も含めて、多角形と呼ぶものとする。また、隅(辺の端)に限らず、辺の中間部分に加工が施された形状も同様に、多角形と呼ぶものとする。つまり、多角形をベースに残しつつ、部分的な加工が施された形状は、本明細書及び特許請求の範囲で記載される“多角形”の解釈に含まれるものとする。
【0010】
また、多角形に限らず、台形や円形や凹凸など、特定の形状を表す言葉についても同様である。また、その形状を形成する各辺を扱う場合も同様である。つまり、ある辺において、隅や中間部分に加工が施されていたとしても、“辺”の解釈には加工された部分も含まれる。なお、部分的な加工のない“多角形”や“辺”を、加工された形状と区別する場合は“厳密な”を付して、例えば、“厳密な四角形”などと記載するものとする。
(【0011】以降は省略されています)
この特許をJ-PlatPat(特許庁公式サイト)で参照する
関連特許
日亜化学工業株式会社
発光装置
28日前
日亜化学工業株式会社
面状光源
6日前
日亜化学工業株式会社
発光装置
1か月前
日亜化学工業株式会社
発光装置
1か月前
日亜化学工業株式会社
発光素子
26日前
日亜化学工業株式会社
発光装置
1か月前
日亜化学工業株式会社
発光素子
26日前
日亜化学工業株式会社
発光装置
29日前
日亜化学工業株式会社
半導体レーザ素子
1か月前
日亜化学工業株式会社
光学薄膜の製造方法
5日前
日亜化学工業株式会社
配置部材、及び、発光装置
1か月前
日亜化学工業株式会社
垂直共振器面発光レーザ素子
26日前
日亜化学工業株式会社
軟磁性材料およびその製造方法
29日前
日亜化学工業株式会社
発光装置の製造方法及び発光装置
1か月前
日亜化学工業株式会社
発光装置の製造方法及び発光装置
1か月前
日亜化学工業株式会社
光源、発光モジュール、及び携帯端末
1か月前
日亜化学工業株式会社
発光モジュール及びモバイルデバイス
26日前
日亜化学工業株式会社
照射装置、発光装置、及び紫外光の照射方法
26日前
日亜化学工業株式会社
透光性部材の製造方法及び発光装置の製造方法
1か月前
日亜化学工業株式会社
透光性部材の製造方法、透光性部材、及び発光装置
13日前
日亜化学工業株式会社
セラミックス基板の製造方法及び発光装置の製造方法
1か月前
日亜化学工業株式会社
発光装置
今日
日亜化学工業株式会社
発光装置
1か月前
日亜化学工業株式会社
面状光源
1か月前
日亜化学工業株式会社
発光装置
1か月前
日亜化学工業株式会社
セラミックス基板及び発光装置、並びに、それらの製造方法
26日前
日亜化学工業株式会社
発光モジュール
19日前
日亜化学工業株式会社
波長変換部材、光源モジュール、及び、波長変換部材の製造方法
今日
日亜化学工業株式会社
発光装置および発光装置の製造方法
1か月前
日亜化学工業株式会社
正極活物質及び非水電解質二次電池用正極
28日前
日亜化学工業株式会社
面発光装置、レンズ積層体及びその製造方法、面発光装置の製造方法、レンズ集合体の製造方法
28日前
日亜化学工業株式会社
波長ビーム結合装置、ダイレクトダイオードレーザ装置、およびレーザ加工機
13日前
東ソー株式会社
絶縁電線
1か月前
APB株式会社
蓄電セル
1か月前
個人
フレキシブル電気化学素子
1か月前
ローム株式会社
半導体装置
1か月前
続きを見る
他の特許を見る