TOP
|
特許
|
意匠
|
商標
特許ウォッチ
Twitter
他の特許を見る
10個以上の画像は省略されています。
公開番号
2025154540
公報種別
公開特許公報(A)
公開日
2025-10-10
出願番号
2024057598
出願日
2024-03-29
発明の名称
セラミックス基板の製造方法及び発光装置の製造方法
出願人
日亜化学工業株式会社
代理人
個人
,
個人
主分類
H05K
3/40 20060101AFI20251002BHJP(他に分類されない電気技術)
要約
【課題】耐久性に優れ、セラミックス板と、前記セラミックス板が有する貫通孔又は凹部の内部の導電部材と、の密着性を向上でき、かつ放熱性に優れるセラミックス基板の製造方法及び発光装置の製造方法を提供すること。
【解決手段】本開示の一実施形態に係るセラミックス基板の製造方法は、第1面1a及び第1面1aと反対側にある第2面1bを備える、窒化アルミニウムを含むセラミックス板1に、アルミニウムが析出するようにレーザを照射し、セラミックス板1に貫通孔3又は凹部5を形成することと、貫通孔3又は凹部5の内部に導電性ペースト30を配置することと、導電性ペースト30を450℃以上720℃以下で焼結して導電部材2を形成することと、を含む。
【選択図】図6E
特許請求の範囲
【請求項1】
第1面及び前記第1面と反対側にある第2面を備える、窒化アルミニウムを含むセラミックス板に、アルミニウムが析出するようにレーザを照射し、前記セラミックス板に貫通孔又は凹部を形成することと、
前記貫通孔又は前記凹部の内部に導電性ペーストを配置することと、
前記導電性ペーストを450℃以上720℃以下で焼結して導電部材を形成することと、
を含む、セラミックス基板の製造方法。
続きを表示(約 1,000 文字)
【請求項2】
前記導電性ペーストを配置することにおいて、前記導電性ペーストは、融点が450℃以上720℃以下の金属を含有する導電性ペーストである、請求項1に記載のセラミックス基板の製造方法。
【請求項3】
前記導電性ペーストを配置することにおいて、前記導電性ペーストは、前記貫通孔又は前記凹部の開口部及び前記セラミックス板の前記第1面及び前記第2面の少なくともいずれかの少なくとも一部を覆うように配置する、請求項1に記載のセラミックス基板の製造方法。
【請求項4】
前記導電性ペーストは、アルミニウム粉体を含有する、請求項1に記載のセラミックス基板の製造方法。
【請求項5】
前記導電性ペーストは、銅とアルミニウムとの合金の粉体、銅粉体、銀粉体、及びセラミックス粉体からなる群から選択される少なくとも1種を更に含有する、請求項4に記載のセラミックス基板の製造方法。
【請求項6】
前記導電部材を形成することにおいて、前記貫通孔又は前記凹部の開口部及び前記セラミックス板の前記第1面及び前記第2面の少なくともいずれかの少なくとも一部を覆うように配置された前記導電部材を、前記セラミックス板の前記第1面及び前記第2面の少なくともいずれかが露出するように研磨又は研削することを含む、請求項3に記載のセラミックス基板の製造方法。
【請求項7】
前記貫通孔又は前記凹部を形成することにおいて、前記セラミックス板の前記第1面に形成された前記貫通孔の開口径が、前記第2面に形成された前記貫通孔の開口径よりも大きい、請求項1に記載のセラミックス基板の製造方法。
【請求項8】
前記導電性ペーストを配置することにおいて、前記貫通孔又は前記凹部を画定する内面と前記導電性ペーストとが接するように前記導電性ペーストを配置する、請求項1に記載のセラミックス基板の製造方法。
【請求項9】
前記貫通孔又は前記凹部を形成することにおいて、前記レーザの照射により前記セラミックス板を熱加工し、前記貫通孔又は前記凹部の内面に前記アルミニウムを析出させる、請求項1に記載のセラミックス基板の製造方法。
【請求項10】
前記レーザが、750nm以上の発振波長を有するレーザ又は500W以上の出力を有するレーザである、請求項9に記載のセラミックス基板の製造方法。
(【請求項11】以降は省略されています)
発明の詳細な説明
【技術分野】
【0001】
本開示は、セラミックス基板の製造方法及び発光装置の製造方法に関する。
続きを表示(約 2,400 文字)
【背景技術】
【0002】
近年、電子機器又は部品の小型化、高機能化、及び集積化のために、絶縁性基板に貫通孔(「孔部」、「ビア」などとも称する)を形成し、基板両面を電気的に導通させるために、貫通孔内に導電材料を配置した基板が提案されている。例えば、平板状に成形された窒化アルミニウムよりなる絶縁基体にレーザビームを照射することにより、所定位置にビアホールを穿設するとともに内壁にアルミニウムの析出膜を析出させ、当該アルミニウム析出膜の表面に亜鉛メッキを施した後、酸化雰囲気中で加熱して該ビアホールの内壁に酸化亜鉛膜を形成し、該酸化亜鉛膜の内部に導電性の優れた金属を充填することで接続用のビアを配設した後に所定の導体パターンを表裏両面に印刷することを特徴とするプリント回路基板の製造方法が知られている(例えば、特許文献1参照)。
【先行技術文献】
【特許文献】
【0003】
特開平3-46298公報
【発明の概要】
【発明が解決しようとする課題】
【0004】
本開示は、耐久性に優れ、セラミックス板と、前記セラミックス板が有する貫通孔又は凹部の内部の導電部材と、の密着性を向上でき、かつ放熱性に優れるセラミックス基板の製造方法及び発光装置の製造方法を提供することを目的とする。
【課題を解決するための手段】
【0005】
本開示の一実施形態に係るセラミックス基板の製造方法は、第1面及び前記第1面と反対側にある第2面を備える、窒化アルミニウムを含むセラミックス板に、アルミニウムが析出するようにレーザを照射し、前記セラミックス板に貫通孔又は凹部を形成することと、前記貫通孔又は前記凹部の内部に導電性ペーストを配置することと、前記導電性ペーストを450℃以上720℃以下で焼結して導電部材を形成することと、を含む。
【0006】
また、本開示の一実施形態に係る発光装置の製造方法は、本開示の一実施形態に係るセラミックス基板の製造方法により製造された前記セラミックス基板を準備することと、前記セラミックス基板に電極を備える発光素子を配置することと、を含み、前記電極と前記導電部材とを電気的に接続する。
【発明の効果】
【0007】
本開示の一実施形態によれば、耐久性に優れ、セラミックス板と、前記セラミックス板が有する貫通孔又は凹部の内部の導電部材と、の密着性を向上でき、かつ放熱性に優れるセラミックス基板の製造方法及び発光装置の製造方法を提供することができる。
【図面の簡単な説明】
【0008】
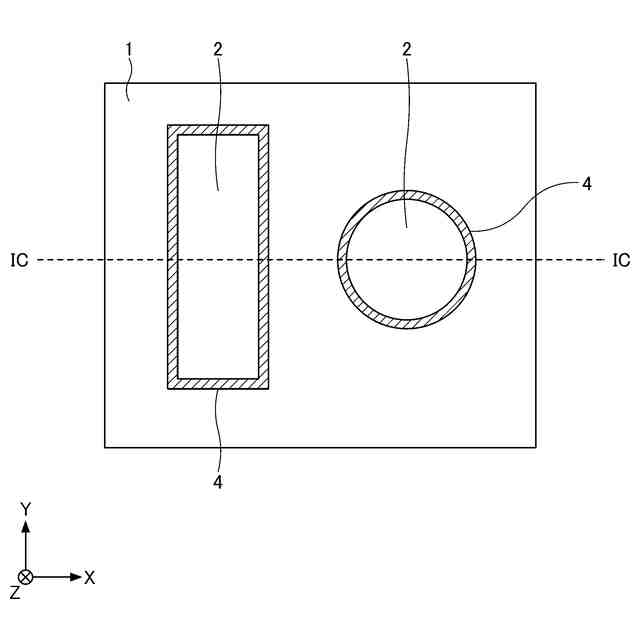
第1実施形態に係るセラミックス基板の一例を示す概略上面図である。
第1実施形態に係るセラミックス基板の一例を示す概略下面図である。
図1A及び図1BのIC-IC線における断面を例示する概略断面図である。
第1実施形態に係るセラミックス基板の変形例を示す概略断面図である。
第2実施形態に係るセラミックス基板の一例を示す概略上面図である。
第2実施形態に係るセラミックス基板の一例を示す概略下面図である。
図3A及び図3BのIIIC-IIIC線における断面を例示する概略断面図である。
第2実施形態に係るセラミックス基板の変形例を示す概略断面図である。
第1実施形態に係るセラミックス基板の製造方法の一例を示すフローチャートである。
第1実施形態に係るセラミックス基板の製造方法に用いるセラミックス板の一例を示す概略断面図である。
第1実施形態に係るセラミックス基板の製造方法における貫通孔を形成することの一例を示す概略断面図である。
第1実施形態に係るセラミックス基板の製造方法における導電性ペーストを配置することの一例を示す概略断面図である。
第1実施形態に係るセラミックス基板の製造方法における導電部材を形成することの一例を示す概略断面図である。
第1実施形態に係るセラミックス基板の製造方法における導電部材を研磨又は研削することの一例を示す概略断面図である。
実施形態に係る発光装置の一例を示す概略断面図である。
実施形態に係る発光装置の応用例を示す斜視図である。
図8AのVIIIB-VIIIB断面を示す断面図である。
実施形態に係る発光装置の製造方法の一例を示すフローチャートである。
実施例1の貫通孔を形成することにおけるレーザ照射後の貫通孔の断面観察像である。
【発明を実施するための形態】
【0009】
本開示の実施形態に係るセラミックス基板及びその製造方法、並びに、発光装置及びその製造方法について図面を参照しながら詳細に説明する。但し、以下に示す実施形態は、本開示の技術思想を具現化するためのセラミックス基板及びその製造方法、並びに、発光装置及びその製造方法を例示するものであって、以下に限定するものではない。
【0010】
また、実施形態に記載されている構成部の寸法、材質、形状、その相対的配置等は、特定的な記載がない限り、本開示の範囲をそれのみに限定する趣旨ではなく、単なる説明例にすぎない。なお、各図面が示す部材の大きさ、位置関係等は、説明を明確にするため誇張していることがある。また、以下の説明において、同一の名称、符号については同一もしくは同質の部材を示しており詳細説明を適宜省略する。図面が過度に複雑になることを避けるために、一部の要素の図示を省略した模式図を用いたり、断面図として、切断面のみを示す端面図を用いたりする場合がある。
(【0011】以降は省略されています)
この特許をJ-PlatPat(特許庁公式サイト)で参照する
関連特許
個人
電子部品の実装方法
2か月前
愛知電機株式会社
装柱金具
1か月前
個人
電気式バーナー
1か月前
個人
非衝突型ガウス加速器
3か月前
日本精機株式会社
回路基板
2か月前
日星電気株式会社
面状ヒータ
18日前
イビデン株式会社
配線基板
1か月前
アイホン株式会社
電気機器
3か月前
日本放送協会
基板固定装置
2か月前
個人
節電材料
3か月前
アイホン株式会社
電気機器
2か月前
キヤノン株式会社
電子機器
2か月前
メクテック株式会社
配線基板
3か月前
個人
静電気中和除去装置
1か月前
東レ株式会社
霧化状活性液体供給装置
3か月前
株式会社デンソー
電子装置
26日前
FDK株式会社
基板
2か月前
イビデン株式会社
配線基板
3か月前
イビデン株式会社
プリント配線板
2か月前
サクサ株式会社
筐体の壁掛け構造
3か月前
株式会社デンソー
電子装置
1か月前
株式会社レクザム
剥離装置
1か月前
株式会社デンソー
電子装置
4日前
イビデン株式会社
配線基板
3か月前
サクサ株式会社
開き角度規制構造
1か月前
シャープ株式会社
加熱機器
1か月前
新電元工業株式会社
電子装置
2か月前
オムロン株式会社
端子折り曲げ治具
2か月前
株式会社レゾナック
冷却装置
2か月前
カシン工業株式会社
PTC発熱装置
4か月前
日産自動車株式会社
電子部品
2か月前
日産自動車株式会社
電子機器
12日前
富士フイルム株式会社
積層体
1か月前
株式会社デンソー
電子制御装置
25日前
富士電子工業株式会社
誘導加熱コイル
1か月前
富士電子工業株式会社
誘導加熱コイル
1か月前
続きを見る
他の特許を見る