TOP
|
特許
|
意匠
|
商標
特許ウォッチ
Twitter
他の特許を見る
10個以上の画像は省略されています。
公開番号
2025174218
公報種別
公開特許公報(A)
公開日
2025-11-28
出願番号
2024080364
出願日
2024-05-16
発明の名称
設備状態検出装置及び設備状態検出方法
出願人
横河電機株式会社
代理人
弁理士法人酒井国際特許事務所
主分類
G01H
17/00 20060101AFI20251120BHJP(測定;試験)
要約
【課題】設備等の動作異常を検出する設備状態検出装置において、設備等の動作異常の検出時間を短縮する。
【解決手段】本開示では設備等の動作異常を検出する設備状態検出装置が提供される。この設備状態検出装置は、異常検出部を備える。その設備状態検出装置が備える異常検出部は、対象物の動作が異常な場合におけるその対象物の振動及びその対象物からの音の領域であってその対象物の運転状態に応じて規定された異常動作領域に基づいてその対象物の異常を検出する。
【選択図】図1
特許請求の範囲
【請求項1】
対象物の動作が異常な場合における前記対象物の振動及び前記対象物からの音の領域であって前記対象物の運転状態に応じて規定された異常動作領域に基づいて前記対象物の異常を検出する異常検出部を備える設備状態検出装置。
続きを表示(約 800 文字)
【請求項2】
前記異常検出部は、前記対象物の運転状態に基づいて選択した前記異常動作領域に基づいて前記異常を検出する請求項1に記載の設備状態検出装置。
【請求項3】
前記異常検出部は、前記対象物の振動の信号である振動信号と前記対象物の音の信号である音響信号とに基づいて前記異常を検出する請求項1に記載の設備状態検出装置。
【請求項4】
前記振動信号の前処理を行う前処理部を更に備え、
前記異常検出部は、前記前処理された振動信号に基づいて前記異常を検出する
請求項3に記載の設備状態検出装置。
【請求項5】
前記前処理部は、前記振動信号の実効値の検出処理、FFT処理及び統計処理の少なくとも1つを前記前処理として行う請求項4に記載の設備状態検出装置。
【請求項6】
前記音響信号に含まれるノイズを除去するノイズ除去部を更に備え、
前記異常検出部は、前記ノイズ除去部から出力された音響信号に基づいて前記異常を検出する
請求項3に記載の設備状態検出装置。
【請求項7】
前記異常検出部は、前記対象物の異常を検出した際に警報を出力する請求項1に記載の設備状態検出装置。
【請求項8】
前記異常検出部は、前記対象物の動作が前記異常動作領域に達するまでの振動及び音の差分を余裕度として更に検出する請求項1に記載の設備状態検出装置。
【請求項9】
前記異常検出部は、前記異常動作領域に接する領域である準異常動作領域に基づいて前記対象物の準異常動作を更に検出する請求項1に記載の設備状態検出装置。
【請求項10】
前記異常検出部は、前記対象物の準異常動作を検出した場合に警告を出力する請求項9に記載の設備状態検出装置。
(【請求項11】以降は省略されています)
発明の詳細な説明
【技術分野】
【0001】
本開示は、設備状態検出装置及び設備状態検出方法に関する。
続きを表示(約 1,400 文字)
【背景技術】
【0002】
プラントや工場等にて使用される設備等の動作異常を検出する装置が提案されている。例えば、プラントにおける回転機械の回転体異常現象により発生する音響及び振動を検知して回転機械の異常を検知する装置が提案されている(例えば、特許文献1参照)。
【先行技術文献】
【特許文献】
【0003】
特開平7-182035号公報
【発明の概要】
【発明が解決しようとする課題】
【0004】
しかしながら、上記の従来技術では、この音響の診断結果を振動のデータに基づいて確認する手順により異常を検出するため、異常動作の検出に時間が掛かるという問題がある。
【0005】
そこで、本開示では、設備等の動作異常の検出時間を短縮する設備状態検出装置及び設備状態検出方法を提案する。
【課題を解決するための手段】
【0006】
本開示の設備状態検出装置は、対象物の動作が異常な場合における前記対象物の振動及び前記対象物からの音の領域であって前記対象物の運転状態に応じて規定された異常動作領域に基づいて前記対象物の異常を検出する異常検出部を備える。
【図面の簡単な説明】
【0007】
本開示の実施形態に係る設備状態検出装置の構成例を示す図である。
本開示の実施形態に係る異常動作領域の一例を示す図である。
本開示の実施形態に係る設備状態検出装置の処理手順の一例を示す図である。
本開示の実施形態に係る設備状態検出方法の処理手順の一例を示す図である。
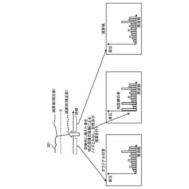
本開示の実施形態に係るノイズ除去の一例を示す図である。
本開示の実施形態に係るノイズ除去手順の一例を示す図である。
本開示の実施形態に係る余裕度の検出の一例を示す図である。
本開示の実施形態に係る異常の検出の一例を示す図である。
本開示の実施形態に係る他の設備の異常の検出の一例を示す図である。
本開示の実施形態の変形例の一例を示す図である。
【発明を実施するための形態】
【0008】
以下に、本開示の実施形態について図面に基づいて詳細に説明する。説明は、以下の順に行う。なお、以下の各実施形態において、同一の部位には同一の符号を付することにより重複する説明を省略する。
1.実施形態
2.変形例
【0009】
(1.実施形態)
[設備状態検出装置の構成]
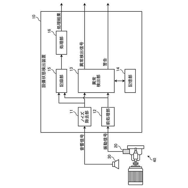
図1は、本開示の実施形態に係る設備状態検出装置の構成例を示す図である。同図は、設備状態検出装置10の構成例を表すブロック図である。設備状態検出装置10は、プラントや工場において使用される設備の状態を検出するものである。この状態には、設備の動作中の異常状態が含まれる。設備状態検出装置10は、対象物の状態を検出する。この対象物としてポンプ40を想定する。ポンプ40は、モータにより回転駆動されて水等の液体を圧送する装置である。なお、発電機やコンプレッサ等の回転機構を有する装置を対象物にすることもできる。
【0010】
設備状態検出装置10は、ノイズ除去部11と、前処理部12と、異常検出部13と、記憶部14と、記録部15と、処理部16とを備える。なお、同図には、振動センサ20及びマイク30を更に記載した。
(【0011】以降は省略されています)
この特許をJ-PlatPat(特許庁公式サイト)で参照する
関連特許
個人
採尿及び採便具
1か月前
日本精機株式会社
検出装置
24日前
個人
計量機能付き容器
19日前
個人
アクセサリー型テスター
1か月前
個人
高精度同時多点測定装置
1か月前
甲神電機株式会社
電流検出装置
24日前
日本精機株式会社
発光表示装置
2日前
株式会社ミツトヨ
測定器
1か月前
株式会社カクマル
境界杭
9日前
株式会社トプコン
測量装置
1日前
アズビル株式会社
電磁流量計
1か月前
大成建設株式会社
風洞実験装置
19日前
個人
計量具及び計量機能付き容器
19日前
愛知電機株式会社
軸部材の外観検査装置
1か月前
個人
非接触による電磁パルスの測定方法
22日前
双庸電子株式会社
誤配線検査装置
25日前
大和製衡株式会社
組合せ計量装置
1か月前
大和製衡株式会社
組合せ計量装置
1か月前
長崎県
形状計測方法
1か月前
愛知時計電機株式会社
ガスメータ
1か月前
日本特殊陶業株式会社
ガスセンサ
17日前
日本信号株式会社
距離画像センサ
22日前
ローム株式会社
半導体装置
1か月前
個人
システム、装置及び実験方法
1か月前
ローム株式会社
半導体装置
1か月前
日本特殊陶業株式会社
ガスセンサ
1日前
キーコム株式会社
画像作成システム
9日前
日本特殊陶業株式会社
センサ
3日前
株式会社デンソー
電流センサ
1か月前
株式会社タイガーカワシマ
揚穀装置
1日前
日東精工株式会社
振動波形検査装置
25日前
日本特殊陶業株式会社
センサ
1か月前
個人
液位検視及び品質監視システム
17日前
トヨタ自動車株式会社
測定システム
1か月前
株式会社不二越
X線測定装置
22日前
理研計器株式会社
ガス検知装置
9日前
続きを見る
他の特許を見る