TOP
|
特許
|
意匠
|
商標
特許ウォッチ
Twitter
他の特許を見る
10個以上の画像は省略されています。
公開番号
2025172294
公報種別
公開特許公報(A)
公開日
2025-11-26
出願番号
2024077693
出願日
2024-05-13
発明の名称
消火栓装置
出願人
ホーチキ株式会社
代理人
個人
,
個人
主分類
A62C
35/20 20060101AFI20251118BHJP(人命救助;消防)
要約
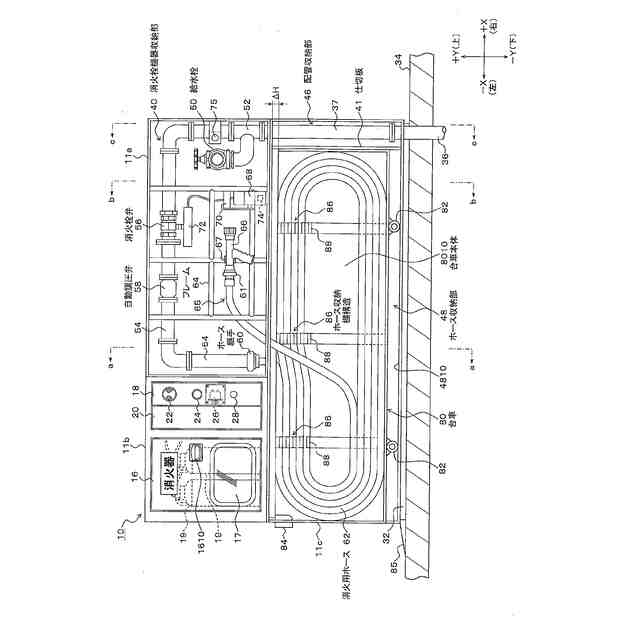
【課題】監視員通路の路面上の所定高さに設置された装置本体と監視員通路の路面との間の空間に配置されたホース収納筐体に対する消火用ホースの巻き戻し作業を効率良く且つ正しいホース収納状態に巻き戻すことを可能とする。
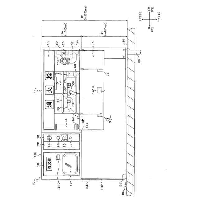
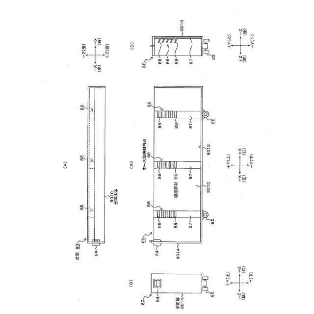
【解決手段】消火栓装置10は、消火用ホース62を除く所定の機器が設けられた第1筐体11a及び第2筐体11b(装置本体)が監視員通路の路面上方の所定の高さに設置され、第1筐体11a及び第2筐体11bと監視員通路34の路面との間の空間に消火用ホース62が収納される第3筐体11c(ホース収納筐体)が設置される。第3筐体11cの一側面方向の出入口4812に対し出し入れ自在な台車80は、ホース収納棚構造86を備え、ホース収納棚構造86に消火用ホース62が収納される。
【選択図】図5
特許請求の範囲
【請求項1】
道路を有するトンネルの壁面に沿って設けられた監視員通路上に露出して設置された消火栓装置であって、
消火用ホースを除く所定の機器が設けられた装置本体が、前記監視員通路の路面上方の所定の高さに設置され、
前記消火用ホースが収納されたホース収納筐体が、前記装置本体と前記監視員通路の路面との間の空間に設置され、
前記ホース収納筐体は、前記監視員通路の通行方向となる筐体側面の一側面方向に出し入れ自在なホース収納体を備え、
前記消火用ホースは、前記ホース収納体に収納されたことを特徴とする消火栓装置。
続きを表示(約 1,100 文字)
【請求項2】
請求項1記載の消火栓装置であって、
前記ホース収納体は、前記ホース収納筐体の一側面に形成された側面開口から外部に出し入れ自在な台車に搭載されたことを特徴とする消火栓装置。
【請求項3】
請求項2記載の消火栓装置であって、
前記ホース収納筐体は、前記側面開口の底部と前記監視員通路の路面との間に、前記台車を通過させる傾斜通路部材が配置されたことを特徴とする消火栓装置。
【請求項4】
請求項2記載の消火栓装置であって、
前記ホース収納筐体は、前記筐体側面の他側面側に前記監視員通路の路面から立ち上がり前記装置本体に引き込まれる給水配管が配置される配管収納部を備えたことを特徴とする消火栓装置。
【請求項5】
請求項2記載の消火栓装置であって、
前記ホース収納体は、前記消火用ホースを内巻きして引出自在に収納するホース収納構造を備えたことを特徴とする消火栓装置。
【請求項6】
請求項5記載の消火栓装置であって、
前記ホース収納構造は、前記監視員通路の路面に対して垂直回りで外側から内側に向けて積層するように内巻きされる前記消火用ホースの上半分を、縦方向に多段に配置された棚板部材の各々に載置して引出自在に収納するホース収納棚構造を備えたことを特徴とする消火栓装置。
【請求項7】
請求項2記載の消火栓装置であって、
前記ホース収納体は、前記消火用ホースを底部に対して所定の角度で傾斜した状態で底部から上方に向けて積層するように巻き回す傾斜重ね巻きにより引出自在に収納するホース収納構造を備えたことを特徴とする消火栓装置。
【請求項8】
請求項2記載の消火栓装置であって、
前記ホース収納体は、前記消火用ホースを奥行方向に向けて分割された収納区画に順番に縦回りに巻き入れて引出自在に収納するホース収納構造を備えたことを特徴とする消火栓装置。
【請求項9】
請求項2記載の消火栓装置であって、
前記ホース収納体は、前記消火用ホースを外巻きして引出自在に収納するホース収納構造を備えたことを特徴とする消火栓装置。
【請求項10】
請求項2記載の消火栓装置であって、
前記装置本体は、放水用ノズル、消火用ホース及び消火栓弁を含む所定の消火栓機器が収納された消火栓機器収納部、消火器が収納された消火器収納部、及び発信機を含む所定の電装機器が収納された電装機器収納部が配置されたことを特徴とする消火栓装置。
(【請求項11】以降は省略されています)
発明の詳細な説明
【技術分野】
【0001】
本発明は、トンネル壁面に沿って設けられた監視員通路に露出して設置される消火栓装置に関する。
続きを表示(約 1,500 文字)
【背景技術】
【0002】
従来、高速道路や自動車専用道路等のトンネル内には、トンネル非常用設備として消火栓装置が設置されている。例えば、消火栓装置は、前傾式の消火栓扉(前傾扉)を備えた筐体内部の消火栓機器収納部に、先端に放水用ノズルを装着した消火用ホースや消火栓弁を含むバルブ類等が収納され、また消火器扉を備えた筐体内部の消火器収納部に、例えば、2本の消火器が収納されている。また、消火栓装置は、一般的にトンネル長手方向、例えば、50メートル間隔で、監視員通路が設けられたトンネル壁面を箱抜きして埋め込み設置されている(特許文献1)。
【0003】
しかし、シールド工法等により造られたトンネルにあっては、トンネル躯体の構造上、トンネル壁面を箱抜きして消火栓装置を埋め込み設置することがコストや労力の関係から困難であることから、消火栓装置を監視員通路に露出した状態で設置することが要求されている。
【0004】
このため、消火栓装置をトンネル壁面に箱抜きすることなく、監視員通路に消火栓装置が露出した状態で設置する構造として、トンネル壁面に架台を設置し、設置された架台に消火栓装置の装置本体を取付固定する壁掛け構造が提案されており、当該壁掛け構造の架台は、壁面に固定される主支持部と消火栓装置の装置本体の姿勢を保持する姿勢保持部材等から構成されている(特許文献2)。
【0005】
しかし、壁掛け構造による消火栓装置の設置は、トンネル壁面への消火栓装置の取り付けに工数と時間が掛かる等の課題があることから、設置が容易である監視員通路の路面上に架台を設置し、設置された架台に消火栓装置の装置本体を取付固定する、いわゆる据置き構造が提案されている(特許文献3)。
【先行技術文献】
【特許文献】
【0006】
特開2009-279294号公報
特開2019-000196号公報
特開2023-096296号公報
【発明の概要】
【発明が解決しようとする課題】
【0007】
ところで、据置き型の消火栓装置にあっては、監視員通路の路面上の所定の高さに消火栓装置の装置本体を設置するための架台は、一般的にアングル材を箱形に組み合わせた型枠構造である。その架台のアングル材を剥き出しにしておくことは従来の壁面埋込型と比べ見栄えに問題があり、型枠構造の周囲に板部材等によるカバーを配置して剥き出しとなったアングル材を隠すことも考えられるが、見栄えの悪さを解消するためだけに追加構造を設ける意義は薄い。
【0008】
また、架台の内部空間を監視員通路から立ち上げた給水配管を消火栓装置の装置本体に引き込むための配管スペースに利用しているが、それでも架台の内部空間の大部分は空き空間として残っており、架台が設置された空間に存在する空き空間が十分に活用されていないという問題もある。
【0009】
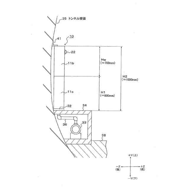
この問題を解決するため、本願出願人は、監視員通路の路面上の所定高さに装置本体を設置するための空間に消火用ホースの収納するホース収納筐体を配置することで、消火栓装置の設置空間の有効な活用を可能とする消火栓装置を提案している。
【0010】
ところで、装置本体の下側にホース収納筐体を配置した場合、消火栓装置を使用した消火活動を終了した場合、外部に引き出されている消火用ホースの水抜きを行った後に、ホース収納筐体に消火用ホースを巻き戻す復旧作業を行うことになる。
(【0011】以降は省略されています)
この特許をJ-PlatPat(特許庁公式サイト)で参照する
関連特許
ホーチキ株式会社
消火栓装置
1か月前
ホーチキ株式会社
消火栓装置
2日前
ホーチキ株式会社
消火栓装置
3か月前
ホーチキ株式会社
消火栓装置
24日前
ホーチキ株式会社
火災検出システム
1か月前
ホーチキ株式会社
避難誘導システム
今日
ホーチキ株式会社
消火栓装置の設置構造
4か月前
ホーチキ株式会社
防災システム及び操作装置
3か月前
国立大学法人 筑波大学
火災検出システム
1か月前
国立大学法人 筑波大学
火災検出システム
1か月前
国立大学法人 筑波大学
火災検出システム
1か月前
国立大学法人 筑波大学
火災検出システム
1か月前
ホーチキ株式会社
カードリーダー及びカードリーダーの組立方法
1か月前
ホーチキ株式会社
防災設備
1か月前
ホーチキ株式会社
消火栓装置
1か月前
ホーチキ株式会社
炎検出装置
2か月前
ホーチキ株式会社
防災システム
1か月前
ホーチキ株式会社
火災報知方法
1か月前
ホーチキ株式会社
消火器収納装置
1か月前
ホーチキ株式会社
火災監視システム
29日前
ホーチキ株式会社
施設管理システム
2か月前
ホーチキ株式会社
消臭装置及び消臭方法
1か月前
ホーチキ株式会社
消火栓装置及び消火器箱
2か月前
ホーチキ株式会社
火災検知器及び防災システム
2か月前
ホーチキ株式会社
火災検知器の信頼性判断方法
10日前
ホーチキ株式会社
非常用設備及び消火器収納装置
3か月前
ホーチキ株式会社
火災検出装置、防災設備及び火災検出方法
1か月前
ホーチキ株式会社
処置情報提供システム及びその処置情報提供方法
2日前
個人
階段上り下り滑り板
10か月前
個人
高層ビルからの救助装置
2か月前
藤井電工株式会社
連結フック
8か月前
個人
ビル内部による救出装置
1か月前
藤井電工株式会社
安全帯取付具
3か月前
個人
大地震の火災消火システム
3か月前
能美防災株式会社
消火装置
1か月前
株式会社高儀
胴当てベルト
3か月前
続きを見る
他の特許を見る