TOP
|
特許
|
意匠
|
商標
特許ウォッチ
Twitter
他の特許を見る
公開番号
2025168734
公報種別
公開特許公報(A)
公開日
2025-11-12
出願番号
2024073441
出願日
2024-04-30
発明の名称
ショベル、ショベルの操作システム
出願人
住友重機械工業株式会社
代理人
個人
,
個人
主分類
E02F
3/40 20060101AFI20251105BHJP(水工;基礎;土砂の移送)
要約
【課題】本開示は、作業効率を向上させることが可能なショベルを提供する。
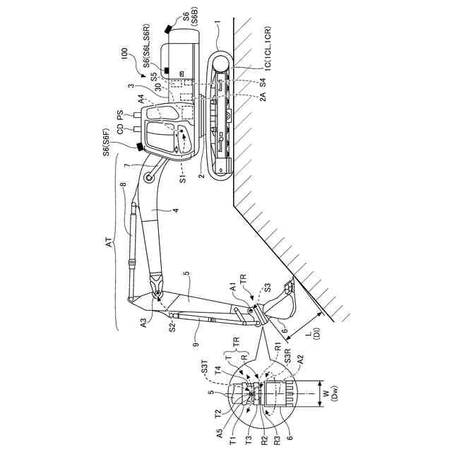
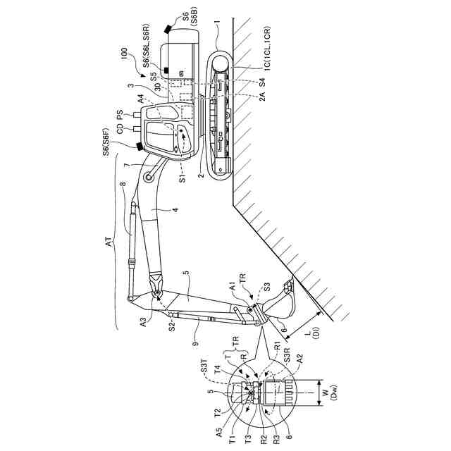
【解決手段】ショベル100は、下部走行体1と、その下部走行体1に旋回可能に設けられた上部旋回体3と、その上部旋回体3に設けられたアタッチメントATと、を備える。アタッチメントATは、幅方向に沿う第1軸周りに回動可能なバケット6と、そのバケットによる目標施工面の掘削時にバケット6を長さ方向に沿う第1軸周りに回動させて前記バケット6の片側に土砂を溢れさせるローテータと、を含む。
【選択図】図1
特許請求の範囲
【請求項1】
下部走行体と、
前記下部走行体に旋回可能に設けられた上部旋回体と、
前記上部旋回体に設けられたアタッチメントと、を備え、
前記アタッチメントは、幅方向に沿う第1軸周りに回動可能なバケットと、前記バケットによる施工面の掘削時に前記バケットを長さ方向に沿う第2軸周りに回動させて前記バケットの片側に土砂を溢れさせるローテータとを含む、ショベル。
続きを表示(約 1,300 文字)
【請求項2】
前記土砂を溢れさせる前記バケットの片側は、前記施工面の掘削時における前記バケットの移動方向に交差する作業進展方向の前方側である、
請求項1に記載のショベル。
【請求項3】
前記ローテータは、前記施工面の掘削時に前記バケットの開口面が前記作業進展方向を向く回転方向に前記バケットを回動させる、
請求項2に記載のショベル。
【請求項4】
前記ローテータによる前記バケットの回動を制御するコントローラをさらに備え、
前記コントローラは、前記施工面の一回目の掘削と二回目の掘削との間の前記バケットの移動方向に基づいて前記作業進展方向を予測し、又は、予め前記作業進展方向を設定可能である、
請求項3に記載のショベル。
【請求項5】
前記コントローラは、前記施工面の幅、前記バケットの幅、前記バケットの前記第2軸周りの回転角度、及び、前記バケットによる前記施工面の掘削作業の重複幅に基づいて、前記掘削作業の回数が最小となるように前記バケットの前記第2軸周りの回転角度を制御する、
請求項4に記載のショベル。
【請求項6】
前記アタッチメントは、前記バケットを前記第1軸周りに回動可能に支持するアームと、前記アームを前記第1軸に平行な第3軸周りに回動可能に支持するとともに前記上部旋回体に前記第1軸に平行な第4軸周りに回動可能に取り付けられたブームと、を含む、
請求項4又は請求項5に記載のショベル。
【請求項7】
前記バケット、前記アーム、及び前記ブームを、それぞれ、前記第1軸、前記第3軸、及び前記第4軸周りに回動させるアクチュエータと、
前記バケットの前記第1軸及び前記第2軸周りの回転角度と、前記アーム及び前記ブームの前記第3軸及び前記第4軸周りの回転角度を検出する角度センサと、
操作者による前記ブーム、前記アーム、及び前記バケットの操作量を検出する操作装置と、をさらに備え、
前記コントローラは、前記施工面の掘削時に、前記操作装置によって検出された前記アームの操作量と、前記角度センサによって検出された前記回転角度とに基づいて、前記アクチュエータ及び前記ローテータを制御する、
請求項6に記載のショベル。
【請求項8】
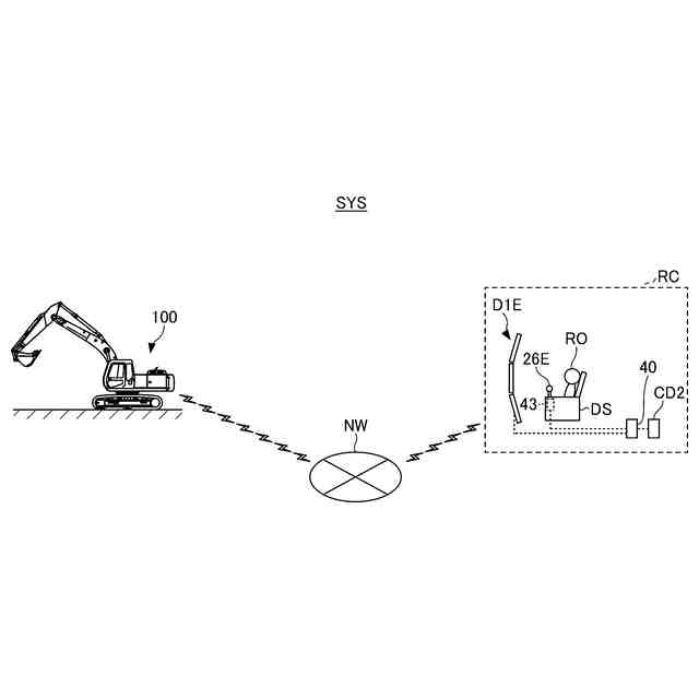
下部走行体、前記下部走行体に旋回可能に設けられた上部旋回体、前記上部旋回体に設けられたアタッチメント、及び前記上部旋回体に設けられた通信装置を備えるショベルと、
遠隔操作者による前記ショベルの操作量を検出する遠隔操作装置と、
前記遠隔操作装置が検出した前記操作量を前記通信装置へ送信する遠隔通信装置と、
を備え、
前記アタッチメントは、幅方向に沿う第1軸周りに回動可能なバケットと、前記バケットによる施工面の掘削時に前記バケットを長さ方向に沿う第2軸周りに回動させて前記バケットの片側に土砂を溢れさせるローテータとを含む、
ショベルの操作システム。
発明の詳細な説明
【技術分野】
【0001】
本開示は、ショベル、及び、ショベルの操作システムに関する。
続きを表示(約 1,500 文字)
【背景技術】
【0002】
従来から駆動機構のマシンコントロール機能を有する油圧ショベルが知られている(下記特許文献1を参照)。特許文献1に記載された油圧ショベルのマシンコントロール機能は、自動作業機停止制御、自動整地アシスト制御、旋回アライメント制御、走行アライメント制御、自動運転制御等を含む。
【先行技術文献】
【特許文献】
【0003】
特開2023-180569号公報
【発明の概要】
【発明が解決しようとする課題】
【0004】
ショベルによる施工面の掘削時にバケットの両側に土砂が溢れると、一回の掘削作業を終えた後に次の掘削作業で掘削する範囲を、前回の掘削作業で掘削した範囲に重複させる幅が増加して、作業効率が低下する。
【0005】
本開示は、作業効率を向上させることが可能なショベル、及び、ショベルの操作システムを提供する。
【課題を解決するための手段】
【0006】
本開示の一つの態様は、下部走行体と、前記下部走行体に旋回可能に設けられた上部旋回体と、前記上部旋回体に設けられたアタッチメントと、を備え、前記アタッチメントは、幅方向に沿う第1軸周りに回動可能なバケットと、前記バケットによる施工面の掘削時に前記バケットを長さ方向に沿う第2軸周りに回動させて前記バケットの片側に土砂を溢れさせるローテータとを含む、ショベルを提供する。
【0007】
本開示の別の態様は、下部走行体、前記下部走行体に旋回可能に設けられた上部旋回体、前記上部旋回体に設けられたアタッチメント、及び前記上部旋回体に設けられた通信装置を備えるショベルと、遠隔操作者による前記ショベルの操作量を検出する遠隔操作装置と、前記遠隔操作装置が検出した前記操作量を前記通信装置へ送信する遠隔通信装置と、を備え、前記アタッチメントは、幅方向に沿う第1軸周りに回動可能なバケットと、前記バケットによる施工面の掘削時に前記バケットを長さ方向に沿う第2軸周りに回動させて前記バケットの片側に土砂を溢れさせるローテータと、を含む、ショベルの操作システムを提供する。
【発明の効果】
【0008】
本開示の上記の態様によれば、作業効率を向上させることが可能なショベル、及び、ショベルの操作システムを提供することができる。
【図面の簡単な説明】
【0009】
本開示に係るショベルの実施形態1を示す側面図である。
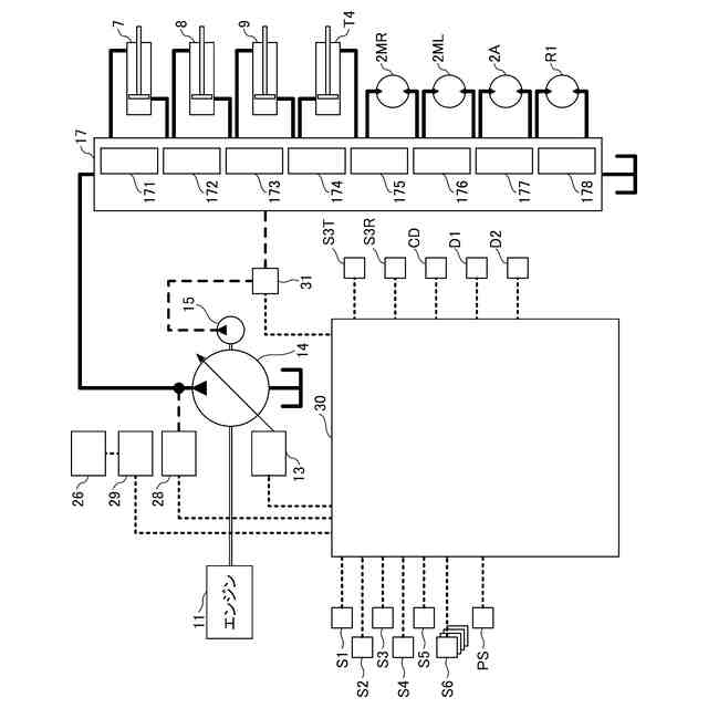
図1に示すショベルの構成を概略的に示すブロック図である。
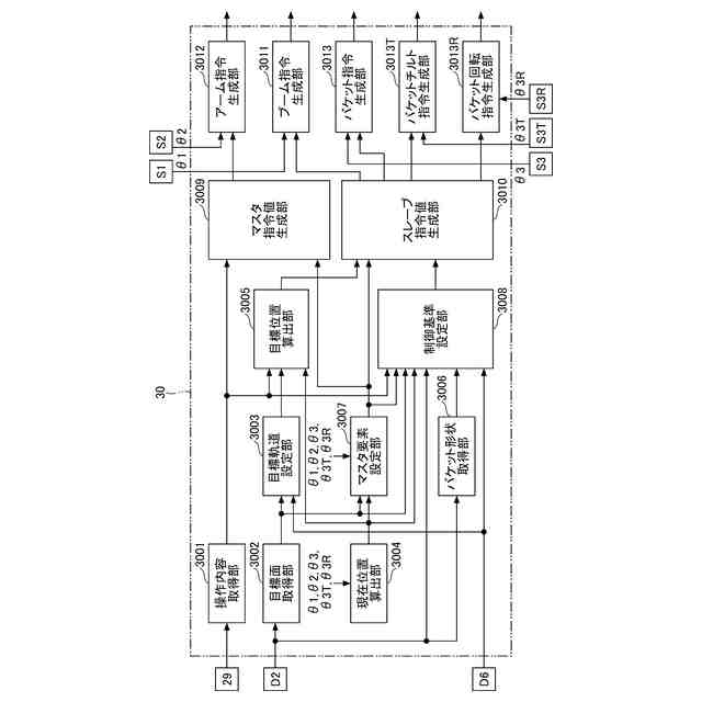
図2に示すショベルのコントローラの機能ブロック図である。
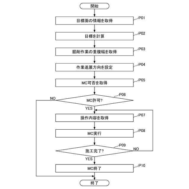
図3に示すコントローラによる処理のフロー図である。
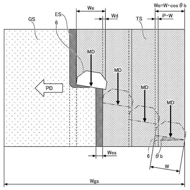
図1に示すショベルによる掘削作業の模式的な平面図である。
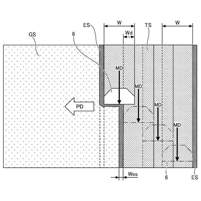
比較例のショベルによる掘削作業の模式的な平面図である。
本開示の実施形態に係るショベルの操作システムの概要図である。
【発明を実施するための形態】
【0010】
以下、本開示の実施形態について図面を参照して説明する。以下で説明する実施形態は、例示であり、発明を限定するものではない。本開示の実施形態における全ての特徴及びその組み合わせは、必ずしも発明の本質的なものであるとは限らない。なお、各図面において同一の又は対応する構成には同一の又は対応する符号を付し、重複する説明を省略する場合がある。
(【0011】以降は省略されています)
この特許をJ-PlatPat(特許庁公式サイト)で参照する
関連特許
住友重機械工業株式会社
撓み噛合い式歯車装置
1日前
住友重機械工業株式会社
射出成形機用ノズル、及び射出成形機
8日前
鹿島建設株式会社
接続方法
17日前
株式会社郷土開発
傾斜地の切土工法
16日前
ウエダ産業株式会社
アタッチメント
8日前
株式会社クボタ
作業機
16日前
日立建機株式会社
建設機械
3日前
日本車輌製造株式会社
建設機械
1日前
日立建機株式会社
作業機械
29日前
エポコラム機工株式会社
地盤改良装置
1日前
ナブテスコ株式会社
ドーザブレード駆動機構
29日前
株式会社大林組
掘削支援装置及び掘削支援方法
10日前
エポコラム機工株式会社
地盤改良装置及び地盤改良工法
1日前
エポコラム機工株式会社
地盤改良装置及び地盤改良工法
1日前
ヤンマーホールディングス株式会社
作業機械
16日前
ジャパンパイル株式会社
基礎構造の設計方法及び基礎構造
3日前
コベルコ建機株式会社
建設機械
3日前
コベルコ建機株式会社
建設機械
3日前
ヤンマーホールディングス株式会社
作業機械
16日前
日本製紙株式会社
紙製ドレーン
10日前
住友重機械工業株式会社
作業機械用の遠隔操作システム
29日前
鹿島建設株式会社
基礎構造および構築方法
8日前
個人
斜面保護構造、及び、斜面保護構造施工方法
29日前
株式会社サンワールド
地盤改良装置
1日前
住友重機械工業株式会社
ショベル、ショベルの操作システム
24日前
株式会社大林組
解析システム、解析方法及び解析プログラム
9日前
ヤンマーホールディングス株式会社
作業機械
29日前
ヤンマーホールディングス株式会社
作業機械
29日前
株式会社 林物産発明研究所
発電装置付洪水防止装置及び工事代金償還方法
2日前
ヤンマーホールディングス株式会社
作業機械
29日前
株式会社三和
流動化処理土
1日前
株式会社大林組
バーチカルドレーン先端の粘性土の侵入長さの推定方法
3日前
株式会社小松製作所
作業機械および作業機械の制御方法
16日前
株式会社小松製作所
作業機械および作業機械の制御方法
16日前
ジャパン スチールス グループ株式会社
ケーシング立坑等の落下防止装置
1日前
株式会社竹中工務店
構真柱の施工方法、及び構真柱の支持構造
16日前
続きを見る
他の特許を見る