TOP
|
特許
|
意匠
|
商標
特許ウォッチ
Twitter
他の特許を見る
公開番号
2025170951
公報種別
公開特許公報(A)
公開日
2025-11-20
出願番号
2024075822
出願日
2024-05-08
発明の名称
作業機械および作業機械の制御方法
出願人
株式会社小松製作所
代理人
弁理士法人深見特許事務所
主分類
E02F
9/00 20060101AFI20251113BHJP(水工;基礎;土砂の移送)
要約
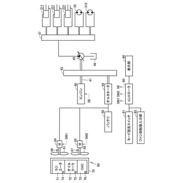
【課題】冷却ファンの状態を正確に特定する。
【解決手段】作業機械は、作業機の動作の駆動源であるエンジン40と、冷却対象流体が内部を流通する熱交換器70と、熱交換器70に外気を送って冷却対象流体を冷却する冷却ファン61,62と、エンジン40および冷却ファン61,62を制御するコントローラ80と、を備えている。冷却ファン61,62は、エンジン40が発生する駆動力とは異なるエネルギーが供給されることにより駆動される。コントローラ80は、冷却ファン61,62の故障状態を特定するための故障診断モードに設定された状態で、エンジン40の停止中に冷却ファン61,62を駆動する。
【選択図】図2
特許請求の範囲
【請求項1】
作業機と、
前記作業機の動作の駆動源である動力源と、
冷却対象流体が内部を流通する熱交換器と、
前記動力源が発生する駆動力とは異なるエネルギーが供給されることにより駆動され、前記熱交換器に外気を送って前記冷却対象流体を冷却する、冷却ファンと、
前記動力源および前記冷却ファンを制御するコントローラと、を備え、
前記コントローラは、前記冷却ファンの故障状態を特定するための故障診断モードに設定された状態で、前記動力源の停止中に前記冷却ファンを駆動する、作業機械。
続きを表示(約 450 文字)
【請求項2】
前記コントローラに接続され、前記故障診断モードに設定するために作業者によって操作されるモード設定スイッチをさらに備える、請求項1に記載の作業機械。
【請求項3】
前記動力源はエンジンである、請求項1に記載の作業機械。
【請求項4】
前記熱交換器は、前記エンジンの冷却水を前記冷却対象流体とするラジエータを含む、請求項3に記載の作業機械。
【請求項5】
前記冷却ファンは、電動ファンである、請求項1から請求項4のいずれか1項に記載の作業機械。
【請求項6】
冷却ファンにより冷却対象流体が内部を流通する熱交換器に外気を送って前記冷却対象流体を冷却することと、
前記冷却ファンの故障状態を特定するための故障診断モードに設定された状態で、作業機の動作の駆動源である動力源の停止中に、前記動力源が発生する駆動力とは異なるエネルギーを前記冷却ファンに供給して前記冷却ファンを駆動することと、を備える、作業機械の制御方法。
発明の詳細な説明
【技術分野】
【0001】
本開示は、作業機械および作業機械の制御方法に関する。
続きを表示(約 1,300 文字)
【背景技術】
【0002】
特開2015-101840号公報(特許文献1)には、開閉可能に設けた熱交換器用のメンテナンスカバーを備え、メンテナンスカバーが閉状態かつロック状態である場合にエンジンの始動を許容し、エンジン停止時のみメンテナンスカバーの開閉を可能とした、建設機械が開示されている。
【先行技術文献】
【特許文献】
【0003】
特開2015-101840号公報
【発明の概要】
【発明が解決しようとする課題】
【0004】
冷却ファンは、冷却対象流体が内部を流通する熱交換器に外気を送って、冷却対象流体を冷却する。冷却ファンの故障が疑われるとき、冷却ファンを目視点検するが、エンジンが動作した状態では騒音が大きいので、冷却ファンの状態を正確に把握して故障の原因を特定することが難しい。
【0005】
本開示では、冷却ファンの故障状態を正確に特定することを可能にする、作業機械および作業機械の制御方法が提案される。
【課題を解決するための手段】
【0006】
本開示に従うと、作業機と、作業機の動作の駆動源である動力源と、冷却対象流体が内部を流通する熱交換器と、熱交換器に外気を送って冷却対象流体を冷却する冷却ファンと、動力源および冷却ファンを制御するコントローラと、を備える、作業機械が提案される。冷却ファンは、動力源が発生する駆動力とは異なるエネルギーが供給されることにより駆動される。コントローラは、冷却ファンの故障状態を特定するための故障診断モードに設定された状態で、動力源の停止中に冷却ファンを駆動する。
【0007】
本開示に従った作業機械の制御方法は、冷却ファンにより冷却対象流体が内部を流通する熱交換器に外気を送って冷却対象流体を冷却することと、冷却ファンの故障状態を特定するための故障診断モードに設定された状態で、作業機の動作の駆動源である動力源の停止中に、動力源が発生する駆動力とは異なるエネルギーを冷却ファンに供給して冷却ファンを駆動することと、を備えている。
【発明の効果】
【0008】
本開示の作業機械および作業機械の制御方法によると、冷却ファンの故障が疑われるとき、冷却ファンの故障状態を正確に把握して故障の原因を特定することができる。
【図面の簡単な説明】
【0009】
油圧ショベルの構成を概略的に示す側面図である。
油圧ショベルのシステム構成を示す概略ブロック図である。
冷却ファンを点検する一連の作業の流れを示すフローチャートである。
【発明を実施するための形態】
【0010】
以下、実施形態について図に基づいて説明する。以下の説明では、同一の部品および構成要素には同一の符号を付してある。それらの名称および機能も同じである。したがって、これらについての詳細な説明は繰り返さない。図面では、説明の便宜上、構成を省略または簡略化している場合もある。実施形態から任意の構成が抽出され、それらが任意に組み合わされることも、当初から予定されている。
(【0011】以降は省略されています)
この特許をJ-PlatPat(特許庁公式サイト)で参照する
関連特許
株式会社小松製作所
作業機械および方法
14日前
株式会社小松製作所
磁気結合型リアクトル
14日前
株式会社小松製作所
評価装置および評価方法
9日前
株式会社小松製作所
制御システムおよび制御方法
14日前
株式会社小松製作所
作業機械および作業機械の制御方法
1日前
株式会社小松製作所
作業機械および作業機械の制御方法
1日前
株式会社小松製作所
ファン駆動システム及びファン駆動方法
14日前
株式会社小松製作所
作業現場の従事者支援システム及び従事者支援方法
14日前
株式会社小松製作所
作業機械の制御システム、および作業機械の制御方法
14日前
株式会社小松製作所
作業機械の制御システム、および作業機械の制御方法
14日前
株式会社小松製作所
トレーニングシステムおよびステージデータの生成方法
14日前
株式会社小松製作所
認証情報表示システム、情報端末、及び認証情報表示方法
1か月前
株式会社小松製作所
表示制御装置、情報端末、表示制御方法、及び表示制御システム
1か月前
株式会社小松製作所
作業機械のペイロード算出システムおよび作業機械のペイロード算出方法
15日前
株式会社小松製作所
管理システム及び管理方法
1日前
株式会社小松製作所
作業機械の動作条件決定システム、作業機械、及び作業機械の動作条件決定方法
1日前
株式会社小松製作所
作業機械の動作条件決定システム、作業機械、及び作業機械の動作条件決定方法
1日前
個人
バケット
22日前
個人
建物の不同沈下の修正方法
29日前
鹿島建設株式会社
接続方法
2日前
株式会社大林組
操縦装置
25日前
株式会社富田製作所
継手部構造
22日前
千代田工営株式会社
回転貫入杭
1か月前
株式会社郷土開発
傾斜地の切土工法
1日前
日立建機株式会社
建設機械
15日前
ヤンマーホールディングス株式会社
作業機械
1か月前
ヤンマーホールディングス株式会社
作業機械
1か月前
株式会社クボタ
作業機
1日前
日立建機株式会社
作業機械
1か月前
日本車輌製造株式会社
建設機械
1か月前
日立建機株式会社
作業車両
1か月前
日立建機株式会社
作業機械
14日前
FKS株式会社
擁壁及び擁壁の築造方法
24日前
鹿島建設株式会社
接続方法および接続構造
1か月前
株式会社次世代一次産業実践所
登山道の施工装置
1か月前
株式会社三誠
建物の免震構造
29日前
続きを見る
他の特許を見る