TOP
|
特許
|
意匠
|
商標
特許ウォッチ
Twitter
他の特許を見る
公開番号
2025165523
公報種別
公開特許公報(A)
公開日
2025-11-05
出願番号
2024069622
出願日
2024-04-23
発明の名称
倉庫
出願人
株式会社ダイフク
代理人
弁理士法人R&C
主分類
B65G
1/00 20060101AFI20251028BHJP(運搬;包装;貯蔵;薄板状または線条材料の取扱い)
要約
【課題】複数の収容部のそれぞれに物品を収容可能な収容棚を備えた倉庫において、物品が収容部に対して突出しているか否かを簡素な構成で検知することが可能な技術の提供が望まれる。
【解決手段】複数の収容部2が並ぶように配置された収容棚10を備えた倉庫であって、レーザーセンサ3と、レーザー光の照射方向を動かす駆動装置と、制御システムと、を備え、収容棚10における複数の収容部2に対する物品Wの出し入れが行われる面を棚正面Sとして、駆動装置は、レーザー光の照射方向を、棚正面Sに平行な状態を維持しつつ、棚奥行方向に沿う旋回軸心9回りに旋回させることにより、棚正面Sに沿って設定された検知面Eをレーザー光に走査させ、制御システムは、レーザーセンサにより検知面Eに交差している物品Wを検知した場合には、物品Wが棚正面Sから突出していると判定する。
【選択図】図2
特許請求の範囲
【請求項1】
上下方向及び前記上下方向に交差する棚幅方向のそれぞれに複数の収容部が並ぶように配置され、それぞれの前記収容部に物品を収容可能である収容棚を備えた倉庫であって、
レーザー光を照射して反射光を受光することにより前記レーザー光を反射した物体を検知するレーザーセンサと、前記レーザー光の照射方向を動かす駆動装置と、制御システムと、を備え、
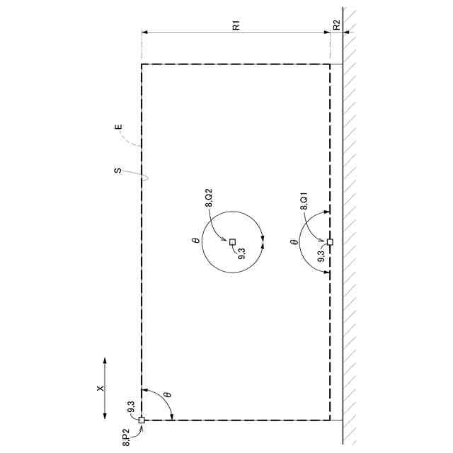
前記上下方向及び前記棚幅方向に沿う面であって、前記収容棚における複数の前記収容部に対する前記物品の出し入れが行われる面を棚正面とし、前記棚正面に直交する方向を棚奥行方向として、
前記駆動装置は、前記レーザー光の前記照射方向を、前記棚正面に平行な状態を維持しつつ、前記棚奥行方向に沿う旋回軸心回りに旋回させることにより、前記棚正面に沿って設定された検知面を前記レーザー光に走査させ、
前記制御システムは、前記レーザーセンサにより前記検知面に交差している前記物品を検知した場合には、前記物品が前記棚正面から突出していると判定する、倉庫。
続きを表示(約 530 文字)
【請求項2】
前記レーザーセンサは、前記レーザー光を反射した前記物体までの距離を計測するように構成され、
前記制御システムは、前記レーザーセンサが前記物品を検知した際の前記照射方向の前記旋回軸心回りの旋回角度と、前記レーザーセンサが計測した前記物体までの距離とに基づいて、前記棚正面から突出している前記物品の前記上下方向及び前記棚幅方向における位置を特定する、請求項1に記載の倉庫。
【請求項3】
前記検知面は、前記棚奥行方向に沿う棚奥行方向視で前記棚正面と重複する領域に設定され、前記棚奥行方向視で前記棚正面と重複しない領域には設定されていない、請求項1又は2に記載の倉庫。
【請求項4】
前記旋回軸心は、前記棚奥行方向に沿う棚奥行方向視で、矩形状に形成された前記棚正面の四隅のいずれか1か所に設定されている、請求項1又は2に記載の倉庫。
【請求項5】
前記制御システムは、前記棚正面から突出していると判定された前記物品である突出物品の位置の修正が行われた後、前記旋回軸心から見て前記突出物品の影になっていた領域を前記レーザー光に走査させる確認処理を実行する、請求項1又は2に記載の倉庫。
発明の詳細な説明
【技術分野】
【0001】
本発明は、倉庫に関する。
続きを表示(約 2,100 文字)
【背景技術】
【0002】
例えば、特開2007-269460号公報(特許文献1)には、倉庫に関する技術が開示されている。以下、背景技術の説明において括弧内に示す符号は特許文献1のものである。
【0003】
特許文献1の倉庫(物品保管設備)は、上下方向及び棚幅方向(横方向)に並ぶ状態で物品(物品9)を収容する複数の収容部(物品収納部4)を備えた収容棚(収納棚1)と、収容棚の正面に沿って走行するスタッカークレーン(3)と、搬送装置の動作を制御する制御システム(クレーン制御装置27)とを備えている。スタッカークレーン(3)は、複数の収容部との間で、物品の受け渡しを行う。
【0004】
スタッカークレーン(3)には、収容部から搬送装置側に突出している状態(突出状態)の物品を検出するための検知装置(28)が設けられている。制御システムは、スタッカークレーン(3)を走行させながら、検知装置により物品の突出を検知する検査モードを実行する。制御システムは、突出状態の物品を検知すると、スタッカークレーン(3)の走行を停止させると共に、物品の突出を検知したことを報知する報知処理を実行する。
【0005】
検知装置(28)は、投光器(30)と受光器(32)とを備えている。投光器(30)は、スタッカークレーン(3)の上部側の支持アーム(29)に設けられている。また、受光器(32)は、スタッカークレーン(3)の下部側の支持アーム(30)に設けられている。そして、投光器(30)は、収容棚の前面(1A)に平行になるように検出光を投射する。受光器(32)は、投光器(30)の真下に配置され、投光器(30)から投射された検出光を受光する。制御システムは、この検出光が遮られると、物品の突出を検知する。このような投光器(30)及び受光器(32)は、スタッカークレーン(3)の走行方向の両外側に分かれて複数組配置されている。これにより、走行方向に走行するスタッカークレーン(3)と、地震やその他の要因により既に突出状態となっている物品との干渉を回避しつつ、突出状態の物品を適切に検知できるようになっている。
【先行技術文献】
【特許文献】
【0006】
特開2007-269460号公報
【発明の概要】
【発明が解決しようとする課題】
【0007】
特許文献1の倉庫では、上記のとおり、走行状態のスタッカークレーンと突出状態の物品との干渉を回避するために、スタッカークレーンの走行方向の両外側のそれぞれに投光器及び受光器が設けられていると共に、これら投光器及び受光器を支持する支持部材がスタッカークレーンに設けられている。そのため、突出状態の物品を検知するための構成が複雑化し易く、高コスト化の要因となっている。
【0008】
そこで、複数の収容部のそれぞれに物品を収容可能な収容棚を備えた倉庫において、物品が収容部に対して突出しているか否かを簡素な構成で検知することが可能な技術の提供が望まれる。
【課題を解決するための手段】
【0009】
本開示に係る倉庫は、上下方向及び前記上下方向に交差する棚幅方向のそれぞれに複数の収容部が並ぶように配置され、それぞれの前記収容部に物品を収容可能である収容棚を備えた倉庫であって、
レーザー光を照射して反射光を受光することにより前記レーザー光を反射した物体を検知するレーザーセンサと、前記レーザー光の照射方向を動かす駆動装置と、制御システムと、を備え、
前記上下方向及び前記棚幅方向に沿う面であって、前記収容棚における複数の前記収容部に対する前記物品の出し入れが行われる面を棚正面とし、前記棚正面に直交する方向を棚奥行方向として、
前記駆動装置は、前記レーザー光の前記照射方向を、前記棚正面に平行な状態を維持しつつ、前記棚奥行方向に沿う旋回軸心回りに旋回させることにより、前記棚正面に沿って設定された検知面を前記レーザー光に走査させ、
前記制御システムは、前記レーザーセンサにより前記検知面に交差している前記物品を検知した場合には、前記物品が前記棚正面から突出していると判定する。
【0010】
本構成によれば、レーザーセンサにより、棚正面から突出している物品の有無を検知することができる。このため、地震やその他の要因によって、収容部に収容されている物品の位置ずれが生じた場合であっても、位置ずれによって棚正面から突出している物品があることを適切に検知することができる。
また本構成によれば、レーザー光の照射方向を旋回軸心回りに旋回させることで、棚正面に沿って設定された検知面の全体における物品の突出の有無を、レーザーセンサから照射される1本のレーザー光により検知することができる。従って、レーザーセンサの数を少なく抑えることができる。従って、棚正面から突出している物品を検出するための構成の簡素化を図り易い。
(【0011】以降は省略されています)
この特許をJ-PlatPat(特許庁公式サイト)で参照する
関連特許
個人
束ね具
17日前
個人
収容箱
4か月前
個人
テープ引出機
17日前
個人
バンド
3か月前
個人
包装容器
2か月前
個人
棒状体収容容器
21日前
個人
廃棄物収容容器
3か月前
個人
積み重ね用補助具
3か月前
株式会社バンダイ
物品
1か月前
個人
蓋閉止構造
5か月前
個人
蓋閉止構造
5か月前
株式会社和気
包装用箱
1か月前
三甲株式会社
容器
2か月前
株式会社KY7
封止装置
4か月前
株式会社新弘
容器
4か月前
個人
介護用コップ
3か月前
株式会社ナベル
検査装置
29日前
三甲株式会社
容器
1か月前
三甲株式会社
運搬具
22日前
株式会社デュプロ
制御装置
4か月前
個人
ブリスタ包装体
2か月前
個人
簡単レジ袋オープナー
3か月前
個人
テープカッター
4か月前
三甲株式会社
運搬具
9日前
個人
計量キャップ付き容器
8日前
個人
反射板のある袋
4か月前
株式会社デュプロ
包装装置
3か月前
個人
穴タブ付きフタの容器
4か月前
個人
容器
2か月前
個人
情報端末用収納袋
5か月前
個人
異常検知式部品供給装置
2か月前
三甲株式会社
容器
2か月前
株式会社トーモク
包装箱
4か月前
株式会社トーモク
包装箱
4か月前
日清食品株式会社
ピロー包装機
3か月前
株式会社高木包装
搬送箱
2か月前
続きを見る
他の特許を見る