TOP
|
特許
|
意匠
|
商標
特許ウォッチ
Twitter
他の特許を見る
公開番号
2025164036
公報種別
公開特許公報(A)
公開日
2025-10-30
出願番号
2024067756
出願日
2024-04-18
発明の名称
蓄電システムの制御装置
出願人
トヨタ自動車株式会社
代理人
弁理士法人アイテック国際特許事務所
主分類
H02J
7/34 20060101AFI20251023BHJP(電力の発電,変換,配電)
要約
【課題】蓄電システムのコストアップおよび損失の増加を抑制しつつ、当該蓄電システムの蓄電池を適正に昇温させる。
【解決手段】本開示の蓄電システムの制御装置は、並列に接続された複数の蓄電池を含む蓄電システムの制御装置であって、複数の蓄電池の電池温度が予め定められた低温閾値以下であるか否かを判定し、電池温度が低温閾値以下である低温蓄電池が複数存在するときに、低温蓄電池のうちの何れか1つを放電または充電させると共に残余の低温蓄電池を充電または放電させ、低温蓄電池が1つだけ存在するときに、損失が最小になるように低温蓄電池と電力を授受する低温蓄電池以外の蓄電池を決定し、低温蓄電池を放電または充電させると共に決定した蓄電池を充電または放電させる。
【選択図】図1
特許請求の範囲
【請求項1】
並列に接続された複数の蓄電池を含む蓄電システムの制御装置であって、
前記複数の蓄電池の電池温度が予め定められた低温閾値以下であるか否かを判定し、
前記電池温度が前記低温閾値以下である低温蓄電池が複数存在するときに、前記低温蓄電池のうちの何れか1つを放電または充電させると共に残余の前記低温蓄電池を充電または放電させ、
前記低温蓄電池が1つだけ存在するときに、損失が最小になるように前記低温蓄電池と電力を授受する前記低温蓄電池以外の前記蓄電池を決定し、前記低温蓄電池を放電または充電させると共に決定した前記蓄電池を充電または放電させる蓄電システムの制御装置。
発明の詳細な説明
【技術分野】
【0001】
本開示は、並列に接続された複数の蓄電池を含む蓄電システムの制御装置に関する。
続きを表示(約 2,200 文字)
【背景技術】
【0002】
従来、複数の蓄電池(二次電池)と、当該複数の蓄電池を互いに直列接続または並列接続させる接続回路と、複数の蓄電池の温度を検出する検出部と、複数の蓄電池の温度を上昇させるヒータ等の昇温機器と、複数の蓄電池と昇温機器との間に接続される昇温スイッチと、接続回路および昇温スイッチを制御する制御部とを含む蓄電システムが知られている(例えば、特許文献1参照)。この蓄電システムの制御部は、複数の蓄電池を放電させるときに、当該複数の蓄電池が互いに並列接続されるように接続回路を制御すると共に昇温スイッチを遮断させる。また、複数の蓄電池を充電すると共に当該複数の蓄電池の温度が閾値以上であるときに、複数の蓄電池が互いに直列接続されるように接続回路を制御すると共に昇温スイッチを遮断させる。更に、複数の蓄電池を充電すると共に、複数の蓄電池の温度が当該閾値より小さいときに、複数の蓄電池が互いに並列接続されるように接続回路を制御すると共に昇温スイッチを導通させる。これにより、複数の蓄電池の充電時に当該複数の蓄電池と昇温機器とが接続されても、昇温機器にかかる電圧を互いに並列接続される蓄電池全体の電圧と同じ電圧にして、当該昇温機器にかかる電圧を抑えることができる。
【先行技術文献】
【特許文献】
【0003】
特開2022-046365号公報
【発明の概要】
【発明が解決しようとする課題】
【0004】
しかしながら、蓄電システムに蓄電池を昇温させるための昇温機器を設けた場合、当該蓄電システムのコストアップを招いてしまう。また、蓄電システムの複数の蓄電池の温度にバラつきが生じている場合には、損失の増加を抑制すべく、昇温が必要な蓄電池のみを昇温させることが好ましい。
【0005】
そこで、本開示は、蓄電システムのコストアップおよび損失の増加を抑制しつつ、当該蓄電システムの蓄電池を適正に昇温させることを主目的とする。
【課題を解決するための手段】
【0006】
本開示の蓄電システムの制御装置は、並列に接続された複数の蓄電池を含む蓄電システムの制御装置であって、前記複数の蓄電池の電池温度が予め定められた低温閾値以下であるか否かを判定し、前記電池温度が前記低温閾値以下である低温蓄電池が複数存在するときに、前記低温蓄電池のうちの何れか1つを放電または充電させると共に残余の前記低温蓄電池を充電または放電させ、前記低温蓄電池が1つだけ存在するときに、損失が最小になるように前記低温蓄電池と電力を授受する前記低温蓄電池以外の前記蓄電池を決定し、前記低温蓄電池を放電または充電させると共に決定した前記蓄電池を充電または放電させるものである。
【0007】
本開示の蓄電システムの制御装置は、電池温度が低温閾値以下である低温蓄電池が複数存在するときに、複数の低温蓄電池のうちの何れか1つを放電または充電させると共に残余の低温蓄電池を充電または放電させる。これにより、昇温させるべき複数の低温蓄電池間でのみ電力を授受させて、損失の増加を抑制しつつ、複数の低温蓄電池を昇温させることができる。また、当該制御装置は、低温蓄電池が1つだけ存在するときに、損失が最小になるように当該低温蓄電池と電力を授受する低温蓄電池以外の蓄電池を決定する。そして、制御装置は、低温蓄電池を放電または充電させると共に決定した蓄電池を充電または放電させる。これにより、当該1つの低温蓄電池と電力を授受する他の蓄電池の数を適正に定めて損失の増加を抑制しつつ、当該1つの低温蓄電池を昇温させることが可能になる。更に、かかる制御装置を含む蓄電システムでは、複数の蓄電池を昇温させるための昇温装置を省略することができる。この結果、本開示の蓄電システムの制御装置によれば、蓄電システムのコストアップおよび損失の増加を抑制しつつ、当該蓄電システムの複数の蓄電池を適正に昇温させることが可能になる。
【図面の簡単な説明】
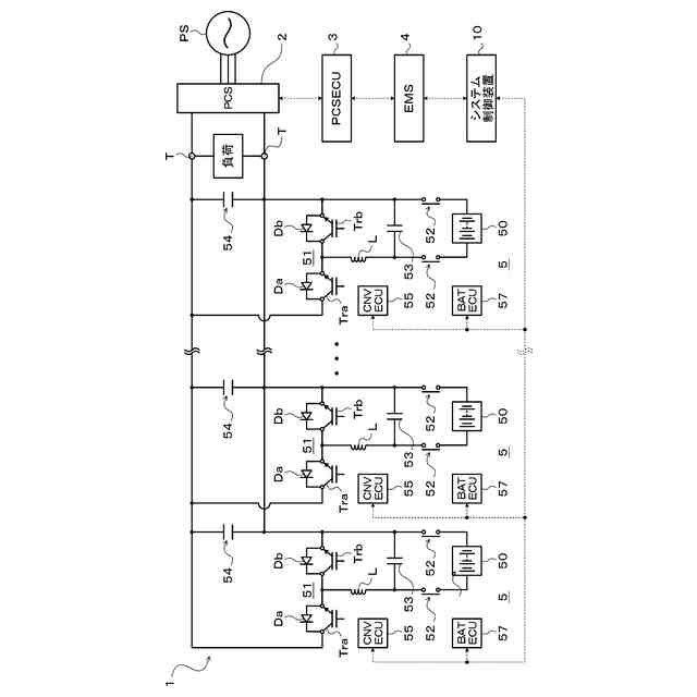
【0008】
本開示の制御装置を含む蓄電システムを示す概略構成図である。
本開示の制御装置により実行されるルーチンを説明するためのフローチャートである。
本開示の制御装置により実行されるルーチンを説明するためのフローチャートである。
【発明を実施するための形態】
【0009】
次に、図面を参照しながら、本開示の発明を実施するための形態について説明する。
【0010】
図1は、本開示の制御装置としてのシステム制御装置10を含む蓄電システム1を示す概略構成図である。同図に示す蓄電システム1は、図示しないバッテリ電気自動車(BEV)やハイブリッド車両(HEV)といった電動車両のバッテリや一般家庭等に電力を供給可能な定置型蓄電システムであり、電力系統PSに接続される。蓄電システム1は、図1に示すように、システム制御装置10に加えて、パワーコンディショナ(以下、「PCS」という。)2と、パワーコンディショナ制御装置(以下、「PCSECU」という。)3と、エネルギー管理装置(以下、「EMS」という。)4と、複数の蓄電ユニット5とを含む。
(【0011】以降は省略されています)
この特許をJ-PlatPat(特許庁公式サイト)で参照する
関連特許
トヨタ自動車株式会社
電池
14日前
トヨタ自動車株式会社
方法
14日前
トヨタ自動車株式会社
方法
1日前
トヨタ自動車株式会社
車体
1日前
トヨタ自動車株式会社
車両
1日前
トヨタ自動車株式会社
車両
8日前
トヨタ自動車株式会社
車両
14日前
トヨタ自動車株式会社
電池
2日前
トヨタ自動車株式会社
方法
15日前
トヨタ自動車株式会社
治具
9日前
トヨタ自動車株式会社
車両
1日前
トヨタ自動車株式会社
車両
8日前
トヨタ自動車株式会社
車両
2日前
トヨタ自動車株式会社
方法
15日前
トヨタ自動車株式会社
車両
10日前
トヨタ自動車株式会社
モータ
11日前
トヨタ自動車株式会社
蓄電池
1日前
トヨタ自動車株式会社
サーバ
11日前
トヨタ自動車株式会社
正極層
14日前
トヨタ自動車株式会社
電動機
14日前
トヨタ自動車株式会社
モータ
今日
トヨタ自動車株式会社
蓄電セル
14日前
トヨタ自動車株式会社
濾過装置
2日前
トヨタ自動車株式会社
路側装置
14日前
トヨタ自動車株式会社
鋳造装置
今日
トヨタ自動車株式会社
蓄電装置
8日前
トヨタ自動車株式会社
電池装置
10日前
トヨタ自動車株式会社
蓄電装置
9日前
トヨタ自動車株式会社
蓄電セル
14日前
トヨタ自動車株式会社
蓄電装置
8日前
トヨタ自動車株式会社
固体電池
11日前
トヨタ自動車株式会社
蓄電装置
14日前
トヨタ自動車株式会社
バッテリ
14日前
トヨタ自動車株式会社
樹脂外板
1日前
トヨタ自動車株式会社
蓄電セル
14日前
トヨタ自動車株式会社
通知装置
14日前
続きを見る
他の特許を見る