TOP
|
特許
|
意匠
|
商標
特許ウォッチ
Twitter
他の特許を見る
10個以上の画像は省略されています。
公開番号
2025163836
公報種別
公開特許公報(A)
公開日
2025-10-30
出願番号
2024067393
出願日
2024-04-18
発明の名称
放電ランプ
出願人
ウシオ電機株式会社
代理人
弁理士法人ユニアス国際特許事務所
主分類
H01J
61/073 20060101AFI20251023BHJP(基本的電気素子)
要約
【課題】陽極の消耗を十分に抑制することができる放電ランプを提供する。
【解決手段】放電ランプは、発光物質が封入される発光管と、発光管の内部に対向して配置された陽極及び陰極と、を備え、陽極は、陰極と対向する先端の外周縁が面取り又は角丸めされた略円柱状であり、陽極は、面取り又は角丸めされた外周縁の内側に、円柱軸方向から見て円形の先端面を備え、先端面は、凹部を備え、凹部は、少なくとも先端面の直径の70%の直径を有する同心円の内側に形成されており、前記先端面の中心には形成されていない。
【選択図】図2
特許請求の範囲
【請求項1】
発光物質が封入される発光管と、
前記発光管の内部に対向して配置された陽極及び陰極と、を備え、
前記陽極は、前記陰極と対向する先端の外周縁が面取り又は角丸めされた略円柱状であり、
前記陽極は、面取り又は角丸めされた前記外周縁の内側に、円柱軸方向から見て円形の先端面を備え、
前記先端面は、凹部を備え、
前記凹部は、少なくとも前記先端面の直径の70%の直径を有する同心円の内側に形成されており、前記先端面の中心には形成されていない、放電ランプ。
続きを表示(約 570 文字)
【請求項2】
前記凹部は、少なくとも前記先端面の直径の50%の直径を有する同心円の内側に形成される、請求項1に記載の放電ランプ。
【請求項3】
前記凹部は、前記先端面の直径の20%の直径を有する同心円の外側に形成される、請求項1又は2に記載の放電ランプ。
【請求項4】
前記凹部は、前記先端面の中心を取り囲む周回状に形成される、請求項1又は2に記載の放電ランプ。
【請求項5】
前記凹部は、前記先端面の中心を中心とした円環状に形成される、請求項1又は2に記載の放電ランプ。
【請求項6】
前記発光物質は水銀であり、当該水銀の封入量は、20mg/cc未満である、請求項1又は2に記載の放電ランプ。
【請求項7】
前記凹部の最大深さは、0.5mm以上である、請求項1又は2に記載の放電ランプ。
【請求項8】
円柱軸方向から見たとき、前記凹部の面積は、前記先端面の面積の2%以上25%以下である、請求項1又は2に記載の放電ランプ。
【請求項9】
前記先端面は、前記凹部の内側に位置する内先端面と、前記凹部の外側に位置する外先端面と、を備え、
前記内先端面は、前記外先端面よりも前記陰極に近い、請求項1又は2に記載の放電ランプ。
発明の詳細な説明
【技術分野】
【0001】
本発明は、放電ランプに関する。
続きを表示(約 1,400 文字)
【背景技術】
【0002】
従来のショートアーク型の放電ランプは、中央部が膨出した石英ガラス製の発光管と、この発光管の膨出部の内部に対向して配置された陽極及び陰極等を備えて構成されるものが知られている。この放電ランプに通電すると、陰極から放出された電子が発光管内に封入された発光物質と衝突して荷電粒子を生成する。それらの荷電粒子が、衝突を繰り返して発光管内に封入された発光物質がプラズマ状態になり、陽極に流通して両極間にアークが形成されるようになっている。
【0003】
放電ランプを点灯すると、陰極から放出された電子の衝突によりアークが形成され、陽極は、そのアーク柱の中の電子が衝突することによって加熱されて高温になり、蒸発、消耗する。さらに、電子の衝突によって陽極が消耗すると、蒸発したタングステンが発光管の内壁に付着して内壁面を黒化させる。そして、放電ランプを長時間使用すると、陽極の先端部の消耗が進行すると共に、放電ランプの放射強度が順次低下し、この放射強度の低下が使用限度を超えた場合は、放電ランプを新品のものに交換する必要があった。
【0004】
そこで、陽極の消耗を抑制する対策が、従来より様々に検討されているが(例えば下記特許文献1及び2等)、依然として陽極の消耗を十分に抑制することが難しかった。
【先行技術文献】
【特許文献】
【0005】
特開2011―14248号公報
特開2003-346709号公報
【発明の概要】
【発明が解決しようとする課題】
【0006】
本発明は、上記の課題に鑑み、陽極の消耗を十分に抑制することができる放電ランプを提供することを目的とする。
【課題を解決するための手段】
【0007】
本発明に係る放電ランプは、発光物質が封入される発光管と、
前記発光管の内部に対向して配置された陽極及び陰極と、を備え、
前記陽極は、前記陰極と対向する先端の外周縁が面取り又は角丸めされた略円柱状であり、
前記陽極は、面取り又は角丸めされた前記外周縁の内側に、円柱軸方向から見て円形の先端面を備え、
前記先端面は、凹部を備え、
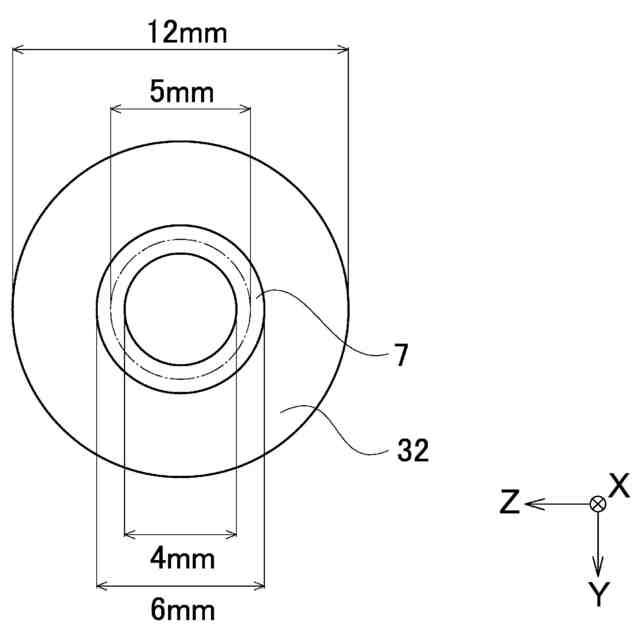
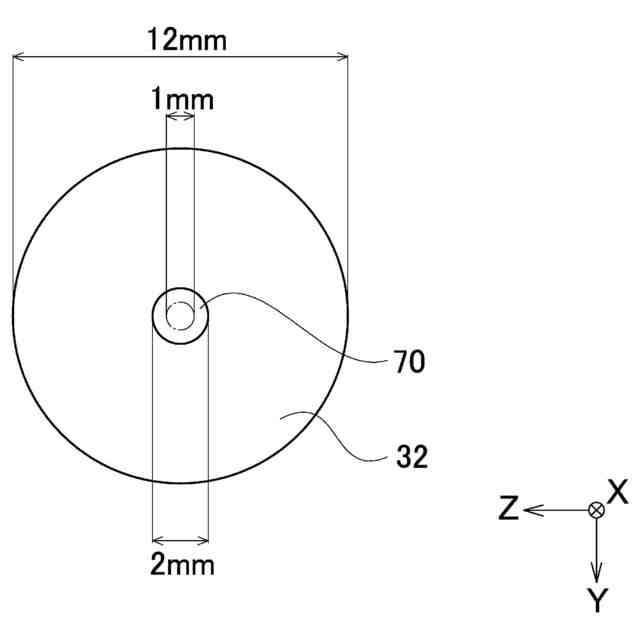
前記凹部は、少なくとも前記先端面の直径の70%の直径を有する同心円の内側に形成されており、前記先端面の中心には形成されていないものである。
【0008】
この構成によれば、凹部が形成されている部分は、アークから遠くなるため、凹部が形成されていない部分よりも温度が下がる。これにより、先端面の一部が低温化するため、陽極が蒸発して消耗することを抑制できる。このとき、凹部を、少なくとも先端面の直径の70%の直径を有する同心円の内側に形成することで、先端面の一部を効果的に低温化させることができるため、陽極の消耗を十分に抑制することができる。
【0009】
本発明に係る放電ランプにおいて、前記凹部は、少なくとも前記先端面の直径の50%の直径を有する同心円の内側に形成される、という構成でもよい。
【0010】
この構成によれば、先端面の一部をより効果的に低温化させることができる。
(【0011】以降は省略されています)
この特許をJ-PlatPat(特許庁公式サイト)で参照する
関連特許
ウシオ電機株式会社
光源装置
1か月前
ウシオ電機株式会社
放電ランプ
28日前
ウシオ電機株式会社
紫外光照射装置
1か月前
ウシオ電機株式会社
細胞培養デバイス
22日前
ウシオ電機株式会社
外用剤及びキット
1か月前
ウシオ電機株式会社
半導体レーザ素子
1か月前
ウシオ電機株式会社
光源装置及び回転体
1か月前
ウシオ電機株式会社
マイクロ流体デバイス
1か月前
ウシオ電機株式会社
導波路型光デバイスの製造方法
22日前
ウシオ電機株式会社
半導体レーザ素子および発光装置
1か月前
ウシオ電機株式会社
空気清浄装置および空気清浄システム
20日前
ウシオ電機株式会社
マイクロ流体デバイス及びその製造方法
1か月前
国立大学法人 東京大学
ガス処理方法
1か月前
ウシオ電機株式会社
細胞培養デバイス、細胞培養デバイスの使用方法
1か月前
ウシオ電機株式会社
ガス分解方法、ガス分解装置及びガス分解システム
8日前
APB株式会社
蓄電セル
1か月前
東ソー株式会社
絶縁電線
1か月前
個人
フレキシブル電気化学素子
1か月前
株式会社東芝
端子台
28日前
日新イオン機器株式会社
イオン源
1か月前
ローム株式会社
半導体装置
1か月前
株式会社ユーシン
操作装置
1か月前
ローム株式会社
半導体装置
1か月前
マクセル株式会社
電源装置
28日前
株式会社GSユアサ
蓄電設備
1か月前
株式会社GSユアサ
蓄電設備
1か月前
太陽誘電株式会社
コイル部品
1か月前
株式会社ホロン
冷陰極電子源
1か月前
株式会社GSユアサ
蓄電装置
29日前
オムロン株式会社
電磁継電器
1か月前
株式会社GSユアサ
蓄電装置
29日前
三菱電機株式会社
回路遮断器
15日前
富士電機株式会社
電磁接触器
7日前
株式会社GSユアサ
蓄電装置
21日前
株式会社GSユアサ
蓄電装置
7日前
トヨタ自動車株式会社
冷却構造
1か月前
続きを見る
他の特許を見る