TOP
|
特許
|
意匠
|
商標
特許ウォッチ
Twitter
他の特許を見る
10個以上の画像は省略されています。
公開番号
2025160822
公報種別
公開特許公報(A)
公開日
2025-10-23
出願番号
2024063628
出願日
2024-04-10
発明の名称
半導体スイッチ
出願人
株式会社東芝
,
東芝デバイス&ストレージ株式会社
代理人
個人
,
個人
,
個人
,
個人
主分類
H03K
17/08 20060101AFI20251016BHJP(基本電子回路)
要約
【課題】微弱な電流を利用して負荷を精度よく駆動する。
【解決手段】半導体スイッチは、受光による起電力を発生する起電力発生回路と、第1出力端子と基準電圧ノードとの間に接続され、前記起電力が発生したときに負荷を駆動する第1スイッチングトランジスタと、第2出力端子と前記基準電圧ノードとの間に接続され、前記起電力が発生したときに負荷を駆動する第2スイッチングトランジスタと、前記起電力を電源電圧として利用して、過電流及び過熱から前記第1スイッチングトランジスタ及び前記第2スイッチングトランジスタを保護する保護回路と、を備える。
【選択図】図1
特許請求の範囲
【請求項1】
受光による起電力を発生する起電力発生回路と、
第1出力端子と基準電圧ノードとの間に接続され、前記起電力が発生したときに負荷を駆動する第1スイッチングトランジスタと、
第2出力端子と前記基準電圧ノードとの間に接続され、前記起電力が発生したときに負荷を駆動する第2スイッチングトランジスタと、
前記起電力を電源電圧として利用して、過電流及び過熱から前記第1スイッチングトランジスタ及び前記第2スイッチングトランジスタを保護する保護回路と、を備える、
半導体スイッチ。
続きを表示(約 1,800 文字)
【請求項2】
前記第1スイッチングトランジスタのドレイン-ソース間に流れる電流に応じた第1過電流検出信号を出力する第1過電流検出回路と、
前記第2スイッチングトランジスタのドレイン-ソース間に流れる電流に応じた第2過電流検出信号を出力する第2過電流検出回路と、を備え、
前記保護回路は、前記第1過電流検出信号及び前記第2過電流検出信号の信号レベルに基づいて、前記第1スイッチングトランジスタ及び前記第2スイッチングトランジスタをオフするか否かを決定する、
請求項1に記載の半導体スイッチ。
【請求項3】
前記第1過電流検出回路は、前記第1スイッチングトランジスタのボディとソースとの間に接続される第1抵抗を有し、前記第1抵抗の両端電圧に応じた信号レベルの前記第1過電流検出信号を出力し、
前記第2過電流検出回路は、前記第2スイッチングトランジスタのボディとソースとの間に接続される第2抵抗を有し、前記第2抵抗の両端電圧に応じた信号レベルの前記第2過電流検出信号を出力する、
請求項2に記載の半導体スイッチ。
【請求項4】
前記保護回路は、過電流判定回路を有し、
前記過電流判定回路は、
前記第1過電流検出信号の信号レベルを所定の第1基準電圧と比較する第1比較器と、
前記第2過電流検出信号の信号レベルを前記第1基準電圧と比較する第2比較器と、を有する、
請求項2に記載の半導体スイッチ。
【請求項5】
前記第1比較器の出力ノードに繋がる第1配線と、
前記第2比較器の出力ノードに繋がる第2配線と、を備え、
前記第1配線及び前記第2配線との接続ノードは、前記第1比較器の出力信号及び前記第2比較器の出力信号をワイヤードオアした過電流検出信号を生成する、
請求項4に記載の半導体スイッチ。
【請求項6】
前記保護回路は、過熱検出回路を有し、
前記過熱検出回路は、
過熱検出用のダイオードと、
前記ダイオードの順方向電圧を第2基準電圧と比較する第3比較器と、を有する、
請求項4に記載の半導体スイッチ。
【請求項7】
前記保護回路は、前記起電力を電源電圧として用いて微小電流を生成する微小電流源を有し、
前記第1比較器、前記第2比較器、及び前記第3比較器には、前記微小電流源からの微小電流がそれぞれ供給される、
請求項6に記載の半導体スイッチ。
【請求項8】
前記保護回路は、前記第1比較器、前記第2比較器、及び前記第3比較器にて過電流又は過熱の少なくとも一方が検出された場合に前記第1スイッチングトランジスタ及び前記第2スイッチングトランジスタを強制的にオフする保護制御回路を有する、
請求項6に記載の半導体スイッチ。
【請求項9】
前記保護回路は、前記第1比較器、前記第2比較器、及び前記第3比較器にて過電流又は過熱の少なくとも一方が検出されてから所定の期間待機するタイマを有し、
前記保護制御回路は、前記タイマで前記所定の期間待機した後に前記第1スイッチングトランジスタ及び前記第2スイッチングトランジスタを強制的にオフする、
請求項8に記載の半導体スイッチ。
【請求項10】
前記起電力発生回路は、
発光素子と、
前記発光素子で発光された光を受光して起電力を発生させる、直列に接続される2以上のフォトダイオードを有する第1フォトダイオード列と、
前記発光素子で発光された光を受光して起電力を発生させる、直列に接続される2以上のフォトダイオードを有する第2フォトダイオード列と、
前記発光素子で発光された光を受光して起電力を発生させる、直列に接続される2以上のフォトダイオードを有する第3フォトダイオード列と、
前記第2フォトダイオード列の受光による起電力と前記第3フォトダイオード列の受光による起電力とに基づいて、前記第1スイッチングトランジスタのゲート及び前記第2スイッチングトランジスタのゲートに繋がる配線の電圧を制御する電圧制御回路と、を備え、
前記第1フォトダイオード列の起電力は、前記保護回路の電源電圧として用いられる、
請求項1乃至9に記載の半導体スイッチ。
発明の詳細な説明
【技術分野】
【0001】
本発明の実施形態は、半導体スイッチに関する。
続きを表示(約 1,700 文字)
【背景技術】
【0002】
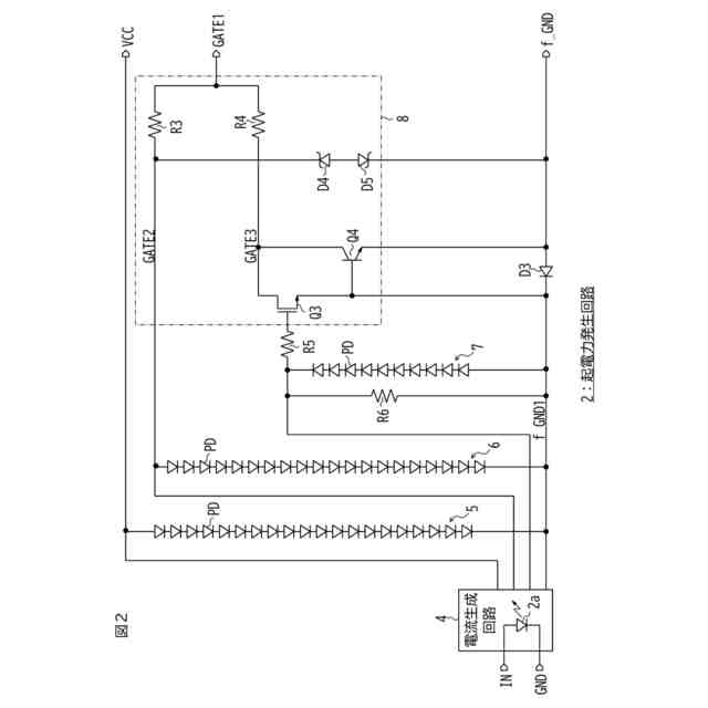
フォトリレーは、いくつかの動作モードを持っており、その一つに太陽電池モードがある。太陽電池モードでは、フォトリレー内のLEDの発光により生成するわずかな起電力を利用して、スイッチングトランジスタをオンして負荷を駆動する。
【0003】
スイッチングトランジスタのオン/オフを制御するには、オン/オフのタイミングを決めるためのタイマが必要である。タイマはデジタル回路又はアナログ回路で構成できるが、上述した太陽電池モードでは、フォトリレーの受光側に流せる電流がわずかであり、その微弱な電流を使ってタイマを動作させるのは容易ではない。
【先行技術文献】
【特許文献】
【0004】
特開2001-102911号公報
特開平10-214939号公報
特開平09-186573号公報
【発明の概要】
【発明が解決しようとする課題】
【0005】
そこで、本発明の実施形態では、微弱な電流を利用して負荷を精度よく駆動できる半導体スイッチを提供するものである。
【課題を解決するための手段】
【0006】
上記の課題を解決するために、本発明の一実施形態によれば、受光による起電力を発生する起電力発生回路と、
第1出力端子と基準電圧ノードとの間に接続され、前記起電力が発生したときに負荷を駆動する第1スイッチングトランジスタと、
第2出力端子と前記基準電圧ノードとの間に接続され、前記起電力が発生したときに負荷を駆動する第2スイッチングトランジスタと、
前記起電力を電源電圧として利用して、過電流及び過熱から前記第1スイッチングトランジスタ及び前記第2スイッチングトランジスタを保護する保護回路と、を備える、
半導体スイッチが提供される。
【図面の簡単な説明】
【0007】
一実施形態に係る半導体スイッチの全体構成を示すブロック図。
起電力発生回路の詳細な回路図。
図2の電流生成回路の等価回路図。
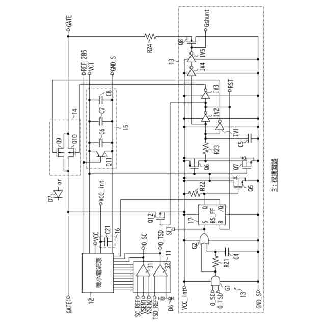
図1の保護回路の具体的な回路構成の一例を示す回路図。
図4の微小電流源の具体的な回路構成の一例を示す回路図。
図5Aに続く回路図。
図4の過電流過熱検出回路の具体的な回路構成の一例を示す回路図。
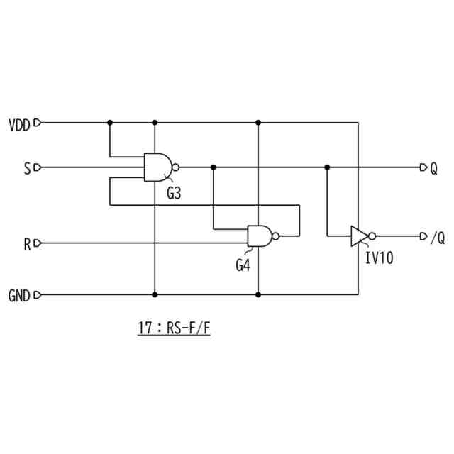
図4の保護制御回路内のRS-F/Fの具体的な回路構成の一例を示す回路図。
RS-F/Fの真理値表を示す図。
【発明を実施するための形態】
【0008】
以下、図面を参照して、半導体スイッチの実施形態について説明する。以下では、半導体スイッチの主要な構成部分を中心に説明するが、半導体スイッチには、図示又は説明されていない構成部分や機能が存在しうる。以下の説明は、図示又は説明されていない構成部分や機能を除外するものではない。
【0009】
図1は一実施形態に係る半導体スイッチ1の全体構成を示すブロック図である。図1に示すように、一実施形態に係る半導体スイッチ1は、起電力発生回路2と、第1スイッチングトランジスタQ1と、第2スイッチングトランジスタQ2と、保護回路3とを備える。
【0010】
起電力発生回路2は、発光素子と受光素子を有し、発光素子の発光光を受光素子で受光し、受光による起電力を発生する。発光素子は、例えばLED(Light Emitting Diode)である。受光素子は、例えばフォトダイオードである。以下では、受光素子としてフォトダイオードを用いる例を説明する。フォトダイオードは、複数の動作モードを持っており、複数の動作モードの一つは太陽電池モードと呼ばれる。フォトダイオードは、太陽電池モードでは、光を受光すると起電力を発生する。本実施形態に係る起電力発生回路2は、例えばフォトダイオードを太陽電池モードで動作させる。
(【0011】以降は省略されています)
この特許をJ-PlatPat(特許庁公式サイト)で参照する
関連特許
株式会社東芝
端子台
20日前
株式会社東芝
センサ
1か月前
株式会社東芝
モータ
1か月前
株式会社東芝
センサ
1か月前
株式会社東芝
除去装置
13日前
株式会社東芝
電子装置
1か月前
株式会社東芝
電子装置
1か月前
株式会社東芝
吸音装置
1か月前
株式会社東芝
金型構造
1か月前
株式会社東芝
電子回路
29日前
株式会社東芝
半導体装置
1か月前
株式会社東芝
半導体装置
1か月前
株式会社東芝
半導体装置
1か月前
株式会社東芝
半導体装置
1か月前
株式会社東芝
半導体装置
1か月前
株式会社東芝
半導体装置
1か月前
株式会社東芝
半導体装置
2か月前
株式会社東芝
半導体装置
1か月前
株式会社東芝
半導体装置
1か月前
株式会社東芝
真空バルブ
1か月前
株式会社東芝
半導体装置
1か月前
株式会社東芝
半導体装置
1か月前
株式会社東芝
真空バルブ
28日前
株式会社東芝
半導体装置
29日前
株式会社東芝
半導体装置
29日前
株式会社東芝
高周波回路
29日前
株式会社東芝
半導体装置
1か月前
株式会社東芝
半導体装置
1か月前
株式会社東芝
半導体装置
29日前
株式会社東芝
半導体装置
1か月前
株式会社東芝
半導体装置
29日前
株式会社東芝
半導体装置
29日前
株式会社東芝
半導体装置
1か月前
株式会社東芝
半導体装置
1か月前
株式会社東芝
半導体装置
2か月前
株式会社東芝
半導体装置
1か月前
続きを見る
他の特許を見る