TOP
|
特許
|
意匠
|
商標
特許ウォッチ
Twitter
他の特許を見る
公開番号
2025156866
公報種別
公開特許公報(A)
公開日
2025-10-15
出願番号
2024059596
出願日
2024-04-02
発明の名称
車両用制御装置
出願人
スズキ株式会社
代理人
弁理士法人日誠国際特許事務所
主分類
B60W
20/15 20160101AFI20251007BHJP(車両一般)
要約
【課題】直結式四輪駆動車において、二輪駆動と四輪駆動との切り替えを円滑に行うことができる車両用制御装置を提供すること。
【解決手段】制御部は、トランスファを係合状態に切り替えるように制御するときに前輪側クラッチ部材の回転数が後輪側クラッチ部材の回転数よりも大きい場合(ステップS4でNO)は、第1駆動源のトルクを減少させる制御と、第2駆動源のトルクを増加させる制御との少なくとも何れか一方を行う(ステップS6)。また、制御部は、前輪側クラッチ部材の回転数が後輪側クラッチ部材の回転数よりも小さい場合(ステップS4でYES)は、第1駆動源のトルクを増加させる制御と、第2駆動源のトルクを減少させる制御との少なくとも何れか一方を行う(ステップS5)。
【選択図】図2
特許請求の範囲
【請求項1】
前輪にトルクを出力可能な第1駆動源と、
後輪にトルクを出力可能な第2駆動源と、
ドグ歯が形成された前輪側クラッチ部材および後輪側クラッチ部材を有し、前記前輪側クラッチ部材と前記後輪側クラッチ部材とが係合する係合状態と、前記前輪側クラッチ部材と前記後輪側クラッチ部材とが開放される開放状態とに切り替えられ、前記係合状態に切り替えられることで前記第1駆動源の出力するトルクと前記第2駆動源の出力するトルクとの少なくとも何れか一方を前記前輪および前記後輪に伝達するトランスファと、を備える車両に搭載され、
前記第1駆動源、前記第2駆動源および前記トランスファを制御する制御部を備える車両用制御装置であって、
前記制御部は、
前記トランスファを前記係合状態に切り替えるように制御するときに前記前輪側クラッチ部材の回転数が前記後輪側クラッチ部材の回転数よりも大きい場合は、前記第1駆動源のトルクを減少させる制御と、前記第2駆動源のトルクを増加させる制御との少なくとも何れか一方を行い、
前記トランスファを前記係合状態に切り替えるように制御するときに前記前輪側クラッチ部材の回転数が前記後輪側クラッチ部材の回転数よりも小さい場合は、前記第1駆動源のトルクを増加させる制御と、前記第2駆動源のトルクを減少させる制御との少なくとも何れか一方を行うことを特徴とする車両用制御装置。
続きを表示(約 1,100 文字)
【請求項2】
前記制御部は、
前記トランスファを前記係合状態に切り替えるように制御するときに前記前輪側クラッチ部材の回転数が前記後輪側クラッチ部材の回転数よりも大きい場合は、前記第1駆動源のトルクを減少させる制御と、前記第2駆動源のトルクを増加させる制御との両方を行い、
前記トランスファを前記係合状態に切り替えるように制御するときに前記前輪側クラッチ部材の回転数が前記後輪側クラッチ部材の回転数よりも小さい場合は、前記第1駆動源のトルクを増加させる制御と、前記第2駆動源のトルクを減少させる制御との両方を行うことを特徴とする請求項1に記載の車両用制御装置。
【請求項3】
前輪にトルクを出力可能な第1駆動源と、
後輪にトルクを出力可能な第2駆動源と、
ドグ歯が形成された前輪側クラッチ部材および後輪側クラッチ部材を有し、前記前輪側クラッチ部材と前記後輪側クラッチ部材とが係合する係合状態と、前記前輪側クラッチ部材と前記後輪側クラッチ部材とが開放される開放状態とに切り替えられ、前記係合状態に切り替えられることで前記第1駆動源の出力するトルクと前記第2駆動源の出力するトルクとの少なくとも何れか一方を前記前輪および前記後輪に伝達するトランスファと、を備える車両に搭載され、
前記第1駆動源、前記第2駆動源および前記トランスファを制御する制御部を備える車両用制御装置であって、
前記制御部は、
前記トランスファを前記開放状態に切り替えるように制御したときに前記開放状態に切り替わらない場合は、
前記第1駆動源のトルクを減少または増加させた後に前記第1駆動源のトルクを増加または減少させる制御と、
前記第2駆動源のトルクを増加または減少させた後に前記第2駆動源のトルクを減少または増加させる制御と、の少なくとも何れか一方を行うことを特徴とする車両用制御装置。
【請求項4】
前記制御部は、
前記トランスファを前記開放状態に切り替えるように制御したときに前記開放状態に切り替わらない場合は、
前記第1駆動源のトルクを減少させながら前記第2駆動源のトルクを増加させた後に前記第1駆動源のトルクを増加させながら前記第2駆動源のトルクを減少させる制御と、
前記第1駆動源のトルクを増加させながら前記第2駆動源のトルクを減少させた後に前記第1駆動源のトルクを減少させながら前記第2駆動源のトルクを増加させる制御と、の少なくとも何れか一方を行うことを特徴とする請求項3に記載の車両用制御装置。
発明の詳細な説明
【技術分野】
【0001】
本発明は、車両用制御装置に関する。
続きを表示(約 2,300 文字)
【背景技術】
【0002】
特許文献1には、トランスファに内蔵したモータジェネレータにより前輪を駆動し、変速機を介してエンジンにより後輪が駆動されるパートタイム四輪駆動式のハイブリッド車両が記載されている。
【先行技術文献】
【特許文献】
【0003】
特許第7052262号公報
【発明の概要】
【発明が解決しようとする課題】
【0004】
しかしながら、特許文献1に記載の従来の技術にあっては、悪路走行性能の向上等のために、ドグクラッチを有するトランスファによりモータジェネレータとエンジンとを連結し、かつ、前輪と後輪とをセンターデフ等の差動装置を介さずに直結した場合、このような直結式四輪駆動車において、走行中のドグクラッチの係合および開放に失敗し、二輪駆動と四輪駆動との切り替えを円滑に行うことができないおそれがある。すなわち、走行中にドグクラッチを係合して四輪駆動状態に切り替える場合、タイヤ動荷重半径の差に起因する差回転数がドグクラッチに生じることで係合に失敗するおそれがある。また、走行中にドグクラッチを開放して二輪駆動状態に切り替える場合、循環トルクがドグクラッチに作用することでドグ歯の歯面同士の摩擦により開放に失敗するおそれがある。
【0005】
本発明は、上記のような事情に着目してなされたものであり、直結式四輪駆動車において、二輪駆動と四輪駆動との切り替えを円滑に行うことができる車両用制御装置を提供することを目的とするものである。
【課題を解決するための手段】
【0006】
本発明は、前輪にトルクを出力可能な第1駆動源と、後輪にトルクを出力可能な第2駆動源と、ドグ歯が形成された前輪側クラッチ部材および後輪側クラッチ部材を有し、前記前輪側クラッチ部材と前記後輪側クラッチ部材とが係合する係合状態と、前記前輪側クラッチ部材と前記後輪側クラッチ部材とが開放される開放状態とに切り替えられ、前記係合状態に切り替えられることで前記第1駆動源の出力するトルクと前記第2駆動源の出力するトルクとの少なくとも何れか一方を前記前輪および前記後輪に伝達するトランスファと、を備える車両に搭載され、前記第1駆動源、前記第2駆動源および前記トランスファを制御する制御部を備える車両用制御装置であって、前記制御部は、前記トランスファを前記係合状態に切り替えるように制御するときに前記前輪側クラッチ部材の回転数が前記後輪側クラッチ部材の回転数よりも大きい場合は、前記第1駆動源のトルクを減少させる制御と、前記第2駆動源のトルクを増加させる制御との少なくとも何れか一方を行い、前記トランスファを前記係合状態に切り替えるように制御するときに前記前輪側クラッチ部材の回転数が前記後輪側クラッチ部材の回転数よりも小さい場合は、前記第1駆動源のトルクを増加させる制御と、前記第2駆動源のトルクを減少させる制御との少なくとも何れか一方を行うことを特徴とする。
【発明の効果】
【0007】
このように上記の本発明によれば、直結式四輪駆動車において、二輪駆動と四輪駆動との切り替えを円滑に行うことができる車両用制御装置を提供することができる。
【図面の簡単な説明】
【0008】
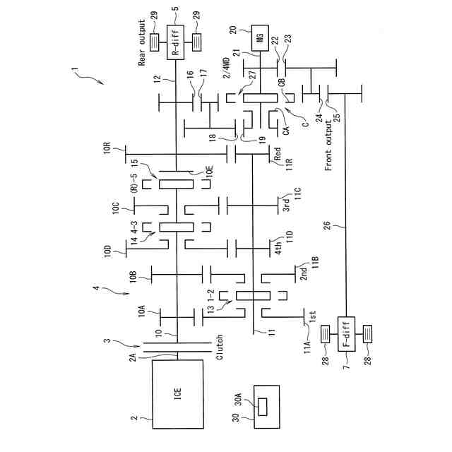
図1は、本発明の一実施例に係る車両用制御装置を備えた車両の構成図である。
図2は、本発明の一実施例に係る車両用制御装置によるクラッチの係合動作を説明するフローチャートである。
図3は、本発明の一実施例に係る車両用制御装置によるクラッチの開放動作を説明するフローチャートである。
【発明を実施するための形態】
【0009】
本発明の一実施の形態に係る車両用制御装置は、前輪にトルクを出力可能な第1駆動源と、後輪にトルクを出力可能な第2駆動源と、ドグ歯が形成された前輪側クラッチ部材および後輪側クラッチ部材を有し、前輪側クラッチ部材と後輪側クラッチ部材とが係合する係合状態と、前輪側クラッチ部材と後輪側クラッチ部材とが開放される開放状態とに切り替えられ、係合状態に切り替えられることで第1駆動源の出力するトルクと第2駆動源の出力するトルクとの少なくとも何れか一方を前輪および後輪に伝達するトランスファと、を備える車両に搭載され、第1駆動源、第2駆動源およびトランスファを制御する制御部を備える車両用制御装置であって、制御部は、トランスファを係合状態に切り替えるように制御するときに前輪側クラッチ部材の回転数が後輪側クラッチ部材の回転数よりも大きい場合は、第1駆動源のトルクを減少させる制御と、第2駆動源のトルクを増加させる制御との少なくとも何れか一方を行い、トランスファを係合状態に切り替えるように制御するときに前輪側クラッチ部材の回転数が後輪側クラッチ部材の回転数よりも小さい場合は、第1駆動源のトルクを増加させる制御と、第2駆動源のトルクを減少させる制御との少なくとも何れか一方を行うことを特徴とする。これにより、本発明の一実施の形態に係る車両用制御装置は、直結式四輪駆動車において、二輪駆動と四輪駆動との切り替えを円滑に行うことができる。
【実施例】
【0010】
以下、本発明の一実施例に係る車両用制御装置について、図面を用いて説明する。図1から図3は、本発明の一実施例に係る車両用制御装置を説明する図である。
(【0011】以降は省略されています)
この特許をJ-PlatPat(特許庁公式サイト)で参照する
関連特許
スズキ株式会社
車室構造
29日前
スズキ株式会社
車室構造
29日前
スズキ株式会社
車両構造
29日前
スズキ株式会社
車両構造
29日前
スズキ株式会社
車両構造
29日前
スズキ株式会社
車両構造
29日前
スズキ株式会社
車両構造
29日前
スズキ株式会社
開閉機構
3日前
スズキ株式会社
車室構造
29日前
スズキ株式会社
車両構造
29日前
スズキ株式会社
車両構造
29日前
スズキ株式会社
車両構造
29日前
スズキ株式会社
シート構造
3日前
スズキ株式会社
シート構造
3日前
スズキ株式会社
車両後部構造
23日前
スズキ株式会社
車両検査装置
24日前
スズキ株式会社
車両側部構造
11日前
スズキ株式会社
燃料電池車両
1か月前
スズキ株式会社
燃料電池車両
1か月前
スズキ株式会社
車両制御装置
1日前
スズキ株式会社
動力伝達装置
1日前
スズキ株式会社
車体ルーフ構造
29日前
スズキ株式会社
車両用制御装置
24日前
スズキ株式会社
車両の制御装置
22日前
スズキ株式会社
車両用荷室構造
29日前
スズキ株式会社
車両用制御装置
12日前
スズキ株式会社
車両の制御装置
15日前
スズキ株式会社
車両用ルーフ構造
1日前
スズキ株式会社
衝突被害軽減装置
1か月前
スズキ株式会社
車両の可動ゲート
18日前
スズキ株式会社
車両の制御システム
1か月前
スズキ株式会社
車両の照明制御装置
1か月前
スズキ株式会社
車両の熱害防止構造
1か月前
スズキ株式会社
電動車両の後部構造
23日前
スズキ株式会社
電動車両の後部構造
23日前
スズキ株式会社
車両の制御システム
15日前
続きを見る
他の特許を見る