TOP
|
特許
|
意匠
|
商標
特許ウォッチ
Twitter
他の特許を見る
公開番号
2025152699
公報種別
公開特許公報(A)
公開日
2025-10-10
出願番号
2024054727
出願日
2024-03-28
発明の名称
制御プログラム及びコントローラ
出願人
横河電機株式会社
代理人
弁理士法人酒井国際特許事務所
主分類
G05B
19/05 20060101AFI20251002BHJP(制御;調整)
要約
【課題】アプリケーションの開発時間を短縮する。
【解決手段】外部デバイスからデータを受信するデータ更新部14A~14Cと、外部デバイスから送信されたそれぞれのデータを格納するデータ格納部13と、コンピュータとを有するコントローラを制御する制御プログラムである。制御プログラムは、プロセッサに複数のプログラムを実行させ、データ格納装置が格納するデータそれぞれと複数のプログラムで共通のタグとを紐づける情報であるタグ定義を保持し、プログラム毎に、タグを用いたデータ格納部13に格納されたデータへのアクセス要求を行わせ、タグ定義を基に、各プログラムからのアクセス要求に含まれるタグに対応するデータを特定して、各プログラムをデータ格納部13が格納する特定したデータにアクセスさせる処理をコンピュータに実行させる。
【選択図】図2
特許請求の範囲
【請求項1】
外部デバイスからデータを受信する受信機と、
前記外部デバイスから送信されたそれぞれのデータを格納するデータ格納装置と、
コンピュータと
を有するコントローラを制御する制御プログラムであって、
複数のプログラムを実行し、
前記データ格納装置が格納するデータそれぞれと前記複数のプログラム間で共通のタグとを紐づける情報であるタグ定義を保持し、
プログラム毎に、前記タグを用いた前記データ格納装置に格納されたデータへのアクセス要求を行わせ、
前記タグ定義を基に、各プログラムからのアクセス要求に含まれるタグに対応するデータを特定して、各プログラムを前記データ格納装置が格納する特定したデータにアクセスさせる
処理を前記コンピュータに実行させることを特徴とする制御プログラム。
続きを表示(約 1,200 文字)
【請求項2】
前記複数のプログラムを実行する処理は、前記データ格納装置が格納するデータとそれぞれ異なる言語で生成された前記複数のプログラムを実行する処理を含むことを特徴とする請求項1に記載の制御プログラム。
【請求項3】
前記データ格納装置に前記外部デバイスの種類毎にデータを格納させる処理をさらに前記コンピュータに実行させ、
前記タグ定義を保持する処理は、前記外部デバイスの種類及びデータの種類の組み合わせと前記タグとを紐づける情報である前記タグ定義を保持する処理を含む
ことを特徴とする請求項1に記載の制御プログラム。
【請求項4】
前記タグ定義を保持する処理は、複数のデータと前記タグとを紐づける情報である前記タグ定義を保持する処理を含むことを特徴とする請求項1に記載の制御プログラム。
【請求項5】
前記タグ定義を保持する処理は、各プログラムにより動作されるアプリケーション単位でまとめられたデータと前記タグとを紐づける情報である前記タグ定義を保持する処理を含むことを特徴とする請求項4に記載の制御プログラム。
【請求項6】
前記タグ定義を保持する処理は、機能単位でまとめられたデータと前記タグとを紐づける情報である前記タグ定義を保持する処理を含むことを特徴とする請求項4に記載の制御プログラム。
【請求項7】
前記プログラムとは独立して、前記タグ定義に含まれる前記データと前記タグとの紐づけを更新する処理をさらに前記コンピュータに実行させることを特徴とする請求項1に記載の制御プログラム。
【請求項8】
各前記プログラムに、前記特定したデータを用いて所定の処理を実行させる処理を前記コンピュータにさらに実行させることを特徴とする請求項1に記載の制御プログラム。
【請求項9】
前記データのアクセス要求を行わせる処理は、所定のセンサにより収集されたデータへのアクセス要求を行う処理を含むことを特徴とする請求項1に記載の制御プログラム。
【請求項10】
外部デバイスからデータを受信する受信部と、
前記外部デバイスから送信されたそれぞれのデータを保持するデータ格納部と、
前記データ毎に紐づけられたプログラム間で共通のタグを用いて前記データ格納部に格納されたデータにアクセスする複数のプログラムを実行するプログラム実行部と、
前記データ格納部が保持するデータそれぞれと前記タグとを紐づける情報であるタグ定義を保持し、前記タグ定義を基に、前記プログラム実行部により実行される各プログラムからのアクセス要求に含まれるタグに対応するデータを特定して、各プログラムを前記データ格納部が保持する特定したデータにアクセスさせるタグ管理部と
を備えたことを特徴とするコントローラ。
発明の詳細な説明
【技術分野】
【0001】
本発明は、制御プログラム及びコントローラに関する。
続きを表示(約 1,700 文字)
【背景技術】
【0002】
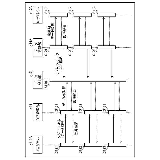
プラント又は工場等の様々な生産設備において、温度、流量、圧力等の各種センサといったIO(Input Output)デバイスからの情報を受信し、受信した情報を基にアクチュエータ等の制御を行うコントローラが知られている。コントローラ上では様々なプログラムが実行され、IOデバイスやアクチュエータ等を制御する複数の制御アプリケーションが動作する。制御アプリケーションは、例えば、IOデバイスから読み取ったデータ等を用いて制御演算を行い、演算結果をアクチュエータに出力して制御を行う。他にも、制御アプリケーションは、IOデバイスから収集したデータの解析や処理を行う。
【0003】
アプリケーションでは、コントローラ外部に接続したIOデバイスの入出力を制御するためのIOデータや、コントローラ内部で管理する内部データといった様々なデータが用いられる。内部データには、コントローラの状態を示すステータスデータやアプリケーションで使用するローカルデータ等が含まれる。
【0004】
各種IOデバイスは、多様な通信プロトコルを使用して接続され、制御アプリケーションからそれぞれの通信プロトコルにしたがったアクセス手順によりデータアクセスが行われる。また、プログラムに用いられた言語毎によっても、IOデバイスから収集されたデータのアクセス方法や管理方法が異なる。
【0005】
例えば、組込み機器向けとして最も普及しているC/C++言語を使用した場合、実際のIOデバイスへのアクセス方法や各種データの管理方法をアプリケーション側で作成する必要がある。この際、変数定義を各プログラム内に用意して、IOデバイスのデータと定義変数とを紐づける変数に対するIOデバイスの割り付けが行われる。従来、IOデバイスのデータと変数との紐づけは言語単位で行われてきた。
【0006】
産業用コントローラに関する技術として、以下のようなものがある。例えば、制御プログラムの変数名を抽出してアドレスマップファイル及びヘッダファイルを作成し、ヘッダファイルを使用して作成したプログラムが、アドレスマップファイルを用いてデータにアクセスする技術が提案されている。また、産業オートメーション環境におけるプログラマブルロジックコントローラで実行されるプログラムが外部デバイスと通信するためのシンボルテーブルを作成する技術が提案されている。
【先行技術文献】
【特許文献】
【0007】
特開2018-185772号公報
国際公開第2013/005350号
【発明の概要】
【発明が解決しようとする課題】
【0008】
しかしながら、従来のコントローラで動作するアプリケーションでは、データのアクセス先のデバイスや配置が換わることでデータ仕様が変更された場合に、プログラムの再ビルドが必要である。アプリケーションをビルドし直すと、修正が軽微であっても修正確認のための評価が必要となる。また、異なるプログラム言語の複数のアプリケーションを搭載した場合、データの管理が重複する。そのため、データ仕様を変更したときの修正箇所が増え、さらに、データの競合を回避する設計が必要となるため、開発にかかる時間は増加してしまう。したがって、従来のコントローラでは、アプリケーションの開発時間を短縮することは困難である。
【0009】
また、制御プログラムの変数名を抽出してアドレスマップファイルを用いてデータにアクセスする技術やシンボルテーブルを作成する技術を用いても、データ仕様の変更によるプログラムの再ビルドやデータの管理が重複は発生する。そのため、これらの技術を用いても、アプリケーションの開発時間を短縮することは困難である。
【0010】
本発明の一側面は、アプリケーションの開発時間を短縮する。
【課題を解決するための手段】
(【0011】以降は省略されています)
この特許をJ-PlatPat(特許庁公式サイト)で参照する
関連特許
横河電機株式会社
測定器
1か月前
横河電機株式会社
磁気コア
11日前
横河電機株式会社
温度測定装置
1か月前
横河電機株式会社
コントローラ
25日前
横河電機株式会社
情報プログラム
25日前
横河電機株式会社
測定装置及び測定方法
1か月前
横河電機株式会社
測定方法及び測定システム
1か月前
横河電機株式会社
装置、方法及びプログラム
1か月前
横河電機株式会社
適応方法及び情報処理装置
18日前
横河電機株式会社
フィールド機器及び診断方法
1か月前
横河電機株式会社
装置、方法およびプログラム
26日前
横河電機株式会社
光パルス試験器及び測定方法
1か月前
横河電機株式会社
装置、方法、およびプログラム
1か月前
横河電機株式会社
菌体培養槽および菌体培養方法
1か月前
横河電機株式会社
装置、方法、およびプログラム
26日前
横河電機株式会社
細胞穿刺装置及び顕微鏡システム
25日前
横河電機株式会社
細胞穿刺装置及び顕微鏡システム
25日前
横河電機株式会社
分散制御ノード(DCN)冗長性
1か月前
横河電機株式会社
蛍光読取装置および蛍光読取方法
1か月前
横河電機株式会社
制御プログラム及びコントローラ
25日前
横河電機株式会社
クランプ式電流計及び電流測定方法
5日前
横河電機株式会社
表面散乱型濁度計及び濁度測定方法
1か月前
横河電機株式会社
メタン生成装置及びメタン生成方法
1か月前
横河電機株式会社
測定装置、測定方法、及びプログラム
1か月前
横河電機株式会社
解析装置、訓練装置およびプログラム
1か月前
横河電機株式会社
測定装置、測定方法、及びプログラム
25日前
横河電機株式会社
測定装置、測定方法、及びプログラム
1か月前
横河電機株式会社
メタン製造システム及びメタン製造方法
26日前
横河電機株式会社
一液型組成物、フラン樹脂硬化物及びキット
1か月前
横河電機株式会社
情報処理装置、更新方法及び更新プログラム
1か月前
横河電機株式会社
情報処理装置、情報処理方法及びプログラム
1か月前
横河電機株式会社
データ管理支援装置及びデータ管理支援方法
25日前
横河電機株式会社
支援システム、支援方法および支援プログラム
27日前
横河電機株式会社
センサ装置、端末装置、及び、センサシステム
28日前
横河電機株式会社
取付具、光学素子組立体、及び共焦点光スキャナ
1か月前
横河電機株式会社
情報処理装置、情報処理方法、及び、プログラム
1か月前
続きを見る
他の特許を見る