TOP
|
特許
|
意匠
|
商標
特許ウォッチ
Twitter
他の特許を見る
公開番号
2025152705
公報種別
公開特許公報(A)
公開日
2025-10-10
出願番号
2024054735
出願日
2024-03-28
発明の名称
情報プログラム
出願人
横河電機株式会社
代理人
弁理士法人酒井国際特許事務所
主分類
G05B
19/05 20060101AFI20251002BHJP(制御;調整)
要約
【課題】アプリケーションの開発効率を向上させる。
【解決手段】外部デバイス及び外部デバイスから送信された各データのデータ種類と、コントローラ1が実行する複数のプログラム111A及び111Bに使用させるデータそれぞれを識別するためのタグとの対応を示す共有ライブラリ112A及び112Bを生成し、共有ライブラリ共有ライブラリ112A及び112Bをコントローラ1へ送信して保持させ、かつ、共有ライブラリ112A及び112Bに基づく各データとタグとを紐付けるタグ定義をコントローラ1に保持させる処理をコンピュータに実行させることを特徴とする情報プログラム。
【選択図】図5
特許請求の範囲
【請求項1】
外部デバイス及び前記外部デバイスから送信された各データのデータ種類と、コントローラが実行する複数のプログラムに使用させるデータそれぞれを識別するためのタグとを対応付ける共有ライブラリを生成し、
前記共有ライブラリを前記コントローラへ送信して保持させ、かつ、前記共有ライブラリに基づく各データと前記タグとを紐付けるタグ定義を前記コントローラに保持させる
処理をコンピュータに実行させることを特徴とする情報プログラム。
続きを表示(約 1,300 文字)
【請求項2】
前記コントローラへの送信及び保持の処理は、
前記共有ライブラリを前記プログラムそれぞれに保持させ、
前記タグ定義を前記コントローラに保持させることで、前記タグを用いた所定データへのアクセスを要求したプログラムによる前記タグ定義に基づく前記所定データへのアクセスを可能とする
処理を含むことを特徴とする請求項1に記載の情報プログラム。
【請求項3】
前記所定データへのアクセスを可能とする処理は、前記外部デバイスから送信された前記所定データを格納するデータ格納装置へのアクセスを可能とする処理を含むことを特徴とする請求項2に記載の情報プログラム。
【請求項4】
前記複数のプログラムのそれぞれについて、前記共有ライブラリとして、前記タグに紐づけられた前記データ種類に基づいて各プログラムに前記タグを用いた前記所定データへのアクセスを行わせるライブラリをプログラム毎に生成して、
前記コントローラに前記ライブラリを送信して、前記プログラムのそれぞれに前記ライブラリを保持させて、前記プログラムによる前記ライブラリを介した前記タグ定義に基づく前記所定データへのアクセスを可能とする
処理を前記コンピュータにさらに実行させることを特徴とする請求項2に記載の情報プログラム。
【請求項5】
前記プログラムとは独立して、前記共有ライブラリを更新し、
更新した前記共有ライブラリを前記コントローラに送信して、前記プログラムが保持する前記ライブラリを更新させる
処理を前記コンピュータにさらに実行させることを特徴とする請求項4に記載の情報プログラム。
【請求項6】
前記所定データへのアクセスを可能とする処理は、異なる言語で生成された前記複数のプログラムそれぞれによる前記タグを使用した前記所定データへのアクセスを可能とする処理を含むことを特徴とする請求項2に記載の情報プログラム。
【請求項7】
前記タグ定義を保持させる処理は、前記コントローラに前記タグに複数のデータとの紐づけを行わせて前記タグ定義を生成させる処理を含むことを特徴とする請求項1に記載の情報プログラム。
【請求項8】
前記タグ定義を保持させる処理は、前記プログラムとは独立して、前記タグ定義に含まれる各データと前記タグとの紐づけを更新する処理を含むことを特徴とする請求項1に記載の情報プログラム。
【請求項9】
前記共有ライブラリの生成処理は、前記外部デバイスの種類の指定及び各前記外部デバイスが有するデータの前記データ種類の指定を取得して、前記共有ライブラリを生成することを特徴とする請求項1に記載の情報プログラム。
【請求項10】
前記共有ライブラリの生成処理は、使用する前記タグの選択情報を取得して、選択された前記タグを基に前記共有ライブラリを生成することを特徴とする請求項1に記載の情報プログラム。
(【請求項11】以降は省略されています)
発明の詳細な説明
【技術分野】
【0001】
本発明は、情報プログラムに関する。
続きを表示(約 1,800 文字)
【背景技術】
【0002】
プラント又は工場等の様々な生産設備において、温度、流量、圧力等の各種センサといったIO(Input Output)デバイスからの情報を受信し、受信した情報を基にアクチュエータ等の制御を行うコントローラが知られている。コントローラ上では様々なプログラムが実行され、IOデバイスやアクチュエータ等を制御する複数の制御アプリケーションが動作する。制御アプリケーションは、例えば、IOデバイスから読み取ったデータ等を用いて制御演算を行い、演算結果をアクチュエータに出力して制御を行う。他にも、制御アプリケーションは、IOデバイスから収集したデータの解析や処理を行う。
【0003】
アプリケーションでは、コントローラ外部に接続したIOデバイスの入出力を制御するためのIOデータや、コントローラ内部で管理する内部データといった様々なデータが用いられる。内部データには、コントローラの状態を示すステータスデータやアプリケーションで使用するローカルデータ等が含まれる。
【0004】
各種IOデバイスは、多様な通信プロトコルを使用して接続され、制御アプリケーションからそれぞれの通信プロトコルにしたがったアクセス手順によりデータアクセスが行われる。また、プログラムに用いられた言語毎によっても、IOデバイスから収集されたデータのアクセス方法や管理方法が異なる。
【0005】
例えば、組込み機器向けとして最も普及しているC/C++言語を使用した場合、実際のIOデバイスへのアクセス方法や各種データの管理方法をアプリケーション側で作成する必要がある。この際、変数定義を各プログラム内に用意して、IOデバイスのデータと定義変数とを紐づける変数に対するIOデバイスの割り付けが行われる。従来、IOデバイスのデータと変数との紐づけは言語単位で行われてきた。
【0006】
産業用コントローラに関する技術として、以下のようなものがある。例えば、制御プログラムの変数名を抽出してアドレスマップファイル及びヘッダファイルを作成し、ヘッダファイルを使用して作成したプログラムが、アドレスマップファイルを用いてデータにアクセスする技術が提案されている。また、産業オートメーション環境におけるプログラマブルロジックコントローラで実行されるプログラムが外部デバイスと通信するためのシンボルテーブルを作成する技術が提案されている。
【先行技術文献】
【特許文献】
【0007】
特開2018-185772号公報
国際公開第2013/005350号
【発明の概要】
【発明が解決しようとする課題】
【0008】
しかしながら、従来のコントローラにおけるアプリケーション開発では、外部デバイスの割り当て作業をアプリケーションの開発環境ごとに手動で行う必要がある為、外部デバイスの数が膨大な場合、作業が非常に煩雑となり、開発効率が落ちる。また、従来のコントローラにおけるアプリケーション開発では、例えば、データ取得元を別の新たな外部デバイスに変更すると、設定したデータアクセスのための定義の再設定、プログラムの修正、ビルド作業及び生成したプログラムの動作検証の作業が必要となる。また、コントローラを使用する現場にて、簡易的に外部デバイスの構成を変更するような場合においても、プログラムの修正及びビルド作業が発生するので、プログラムのビルドを行うことができる開発環境を用意する必要があり、作業工数が増える。したがって、従来のコントローラでは、アプリケーションの開発時間を短縮することは困難である。
【0009】
また、制御プログラムの変数名を抽出してアドレスマップファイルを用いてデータにアクセスする技術やシンボルテーブルを作成する技術を用いても、外部デバイス毎に割り当て作業が発生し、また、アプリケーション開発及び更新において上記作業が発生する。そのため、これらの技術を用いても、アプリケーションの開発効率を向上させることは困難である。
【0010】
本発明の一側面は、アプリケーションの開発効率を向上させる。
【課題を解決するための手段】
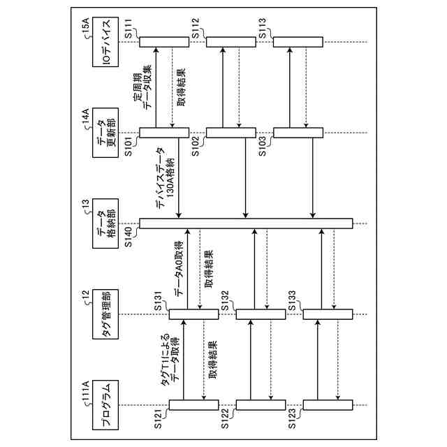
(【0011】以降は省略されています)
特許ウォッチbot のツイートを見る
この特許をJ-PlatPat(特許庁公式サイト)で参照する
関連特許
横河電機株式会社
磁気コア
29日前
横河電機株式会社
コントローラ
1か月前
横河電機株式会社
情報プログラム
1か月前
横河電機株式会社
適応方法及び情報処理装置
1か月前
横河電機株式会社
装置、方法およびプログラム
1か月前
横河電機株式会社
装置、方法、およびプログラム
1か月前
横河電機株式会社
細胞穿刺装置及び顕微鏡システム
1か月前
横河電機株式会社
制御プログラム及びコントローラ
1か月前
横河電機株式会社
細胞穿刺装置及び顕微鏡システム
1か月前
横河電機株式会社
クランプ式電流計及び電流測定方法
23日前
横河電機株式会社
測定装置、測定方法、及びプログラム
1か月前
横河電機株式会社
メタン製造システム及びメタン製造方法
1か月前
横河電機株式会社
測定装置、測定方法、及び、プログラム
16日前
横河電機株式会社
更新されたエイリアス情報のフィルタ処理
4日前
横河電機株式会社
センタリングデバイスおよび流量計ユニット
15日前
横河電機株式会社
データ管理支援装置及びデータ管理支援方法
1か月前
横河電機株式会社
支援システム、支援方法および支援プログラム
1か月前
横河電機株式会社
センサ装置、端末装置、及び、センサシステム
1か月前
横河電機株式会社
情報処理装置、表示方法および表示プログラム
15日前
横河電機株式会社
情報生成装置、情報生成システムおよび情報生成方法
23日前
横河電機株式会社
回路モジュール、細胞穿刺装置、及び顕微鏡システム
1か月前
横河電機株式会社
記録計、バックアップ方法及びバックアッププログラム
15日前
横河電機株式会社
固体電解質組成物、固体電解質膜、積層体、電池、固体電解質組成物の製造方法
29日前
横河電機株式会社
液体サンプルバルブ、ガスクロマトグラフ装置、洗浄方法、および洗浄プログラム
18日前
横河電機株式会社
光スペクトル測定プログラム、光スペクトル測定方法、及び光スペクトラムアナライザ
1か月前
横河電機株式会社
設備を保守するための装置、方法、およびプログラム
25日前
株式会社カネカ
製造システム
2か月前
オムロン株式会社
スレーブ装置
1か月前
ローム株式会社
基準電圧源
2か月前
愛知製鋼株式会社
車両用システム
2か月前
株式会社熊谷組
障害物の検出方法
1か月前
新電元工業株式会社
作業用ロボット
1か月前
株式会社クボタ
作業車
23日前
豊田合成株式会社
機器制御装置
1か月前
株式会社ダイフク
搬送設備
2か月前
株式会社ダイフク
搬送設備
2か月前
続きを見る
他の特許を見る